کارگیک
پایگاه اینترنتی آموزش فنی مکانیک، برق و الکترونیک خودرو در ایران

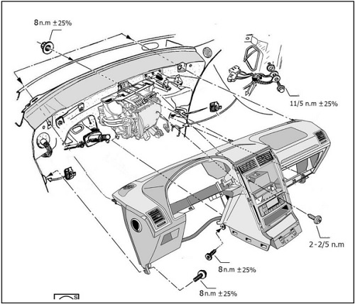
راهنمای تعمیرات داشبورد دو ایربگ پژو 405 و پارس



حجم تقریبی فایل : 2.24 مگابایت

فرمت فایل : PDF

↲ دانلود فایل ↯ مشاهده فایل


برای پسندکردن باید عضو شوید
بارگذاری شده توسط : CarGeek در 5 سال پیش
اشتراک گذاری در شبکه های اجتماعی :
لینک صفحه : https://cargeek.live/d/LAKcYir6
تگ ها و کلمات کلیدی :
پژو 405 پژو پارس ایربگ داشبورد
توضیحات :
مطالب مرتبط براساس تگ ها
راهنمای تعمیرات و سرویس موتور XU7 پژو405، پارس و سمند
راهنمای تعمیرات مکانیکی پژو پارس با موتور TU5 (مشابه 405SLX و 206 تیپ 5و6)
راهنمای تعمیرات سیستم خنک کاری،منیفولد و اگزوز پژو پارس با موتور TU5
راهنمای آزمایش سیستم سوخت رسانی موتور XU7
معرفی و عیب یابی انواع کیت های خودروهای دوگانه سوز پژو 405
بهینه سازی چندراهه ورودی موتور XU7/L3 با هدف افزایش بازده تنفسی
فهرست موتورهای پژو XU7 و سیستم سوخت رسانی و EMS
راهنمای تعمیرات و سرویس سیستم تعلیق جلو و عقب پژو 405
راهنمای زمان استاندارد تعمیرات خودرو پژو پارس
دستورالعمل سرویس و شستشوی پمپ هیدرولیک فرمان پژو 405 و پارس و سمند
دفترچه راهنمای کامل پژو 405 مدل های تک سوز و دوگانه سوز GLX و SLX
کتاب کامل Peugeot 405 (petrol) Service and Repair Manual
راهنمای کامل نقشه های الکتریکی پژو پارس (غیرمالتی پلکس)
دستورالعمل تنظیم موتورهای خودروهای پژو405 ، پژو RD ، پیکان 1600کاربراتور
لیست سرویس و بازدیدهای دوره ای محصولات ایرانخودرو
مروری بر انواع گیربکس های شرکت پژو
موتور TU5 :معرفی ، مشخصات و فیلم کامل تشریح اجزاء و باز کردن
دستورالعمل عیب یابی سیستم ترمز خودروهای پژو پارس ، پژو 405 و سمند
کتاب تعمیرات اساسی موتور و گیربکس پژو 405 ایساکو
جزوه آموزشی ایساکو ، سیستم انژکتور
دستورالعمل رفع صدای زوزه گیربکس BE3 پژو پارس ، 405 ، سمند
آموزش رفع عیب گیرنده ریموت سازه پویش روی سمند ، پژو پارس و 405
راهنمای فنی محرک برقی قفل درب های جانبی پژو 405 ، پژو پارس ، سمند و پژو RD
فراخوان نشت سوخت از لوله های بالای باک پژو 405 و پژو پارس
روش رفع ایراد روشن ماندن چراغ ایربگ پژو پارس ، پژو405 و سمند
روش رفع ایراد روشن ماندن چراغ ایربگ پژو پارس ، پژو405 و سمند- فایل 2
نقشه سیستم سوخت رسانی و PinLayout و استراتژیEMS SSAT پژو 405 و پژو پارس
گشتاور پیچ های خودروهای سمند ، پژو405 ،پژو پارس ، پژو206 ،پیکان و پژوRD
نکاتی درباره نشتی روغن در موتور TU5 (پژو 206-207 ، پارسLX ، پژو 405SLX)
جزوه آموزشی ایساکو در خصوص داشبورد جدید خانواده پژو پارس و پژو 405
دستورالعمل تصویری کامل پیاده و سوارکردن گیربکس و جعبه دنده خودرو
راهنمای تعمیرات ، معرفی و جانمایی دسته سیم های الکتریکی خودرو پژو 405 و پژو پارس
راهنمای تعمیرات سیستم انتقال قدرت ، گیربکس BE3/کلاچ /دیفرانسیل /پلوس ها پژو 405 ، پارس ، سمند
راهنمای تعمیرات سیستم خنک کاری و اگزوز موتور TU5 (پژو405SLX،پژو پارس LX و سمند)
راهنمای تعمیرات سیستم فرمان خودروهای پژو 405 ، پژو پارس و سمند
دستورالعمل هواگیری سیستم ترمز خودروهای پژو 405 ، پژو پارس وسمند
راهنمای تعمیرات و عیب یابی ایربگ راننده پژو405، پارس، سمند
راهنمای تعمیرات تزئینات پژو 405 و پارس (ملحقات داشبورد ، رادیو و رودری)
معرفی و نقشه ایموبیلایزر جدید CIM پژو 405،پارس و سمند
راهنمای تعمیرات و سرویس ترمز ABS پژو 405 ، پارس و سمند
راهنمای تعمیرات سیستم کنترل آلایندگی (کاتالیست/سنسور اکسیژن/کنیستر) خودروهای پژو405 ،پارس ،سمند
راهنمای تعمیرات سیستم کنترل آلایندگی (کاتالیست/سنسور اکسیژن/کنیستر) خودروهای پژو405 ،پارس ،سمند- فایل 2
راهنمای تعمیرات و عیب یابی سیستم ABS MANDO پژو405 ، پارس و سمند
نحوه صحیح درآوردن و جازدن بلبرینگ چرخ جلو پژو 405 ، پارس ، سمند و دنا
دستورالعمل عیب یابی گیربکس BE
دیاگرام های سیستم های برق خودروهای پژو پارس ، 405 و آردی
راهنمای کنترل یونیت ها و جعبه فیوزهای محصولات ایران خودرو
جزوه آموزشی سیستم تعلیق پژو405 ،پژو پارس ،سمند و پژو206
راهنمای تعمیرات سیستم خنک کننده و اگزوز موتور XU7 پژو 405 ، پارس و سمند
جزوه آموزشی گیربکس BE3 خودروهای پژو 405 ، پارس و سمند
راهنمای تعمیرات سیستم تعلیق جلو و عقب پژو 405 وپارس و سمند و دنا
راهنمای تعمیرات سیستم ترمز پژو 405، پارس و سمند
راهنمای تعمیرات قطعات الکتریکی پژو پارس + دیاگرام دسته سیم ها
راهنمای تعمیرات و عیب یابی 405SLC-CNG ساکس500(SAX500)
دستورالعمل عیب یابی سیستم ترمز ABS مدل های MGH-25وMGH-60 پژو 405،پارس و سمند
دستورالعمل پیاده و سوارکردن سیستم تعلیق نیمه مستقل ژامبونی
رویه تکمیل خودروی پژو 405 کلاس 4 گازسوز (نصب CNG)
مسیر و روش تعویض تسمه های دینام،هیدرولیک و کولر در محصولات ایران خودرو
مسیرهای برق رسانی در محصولات ایران خودرو
راهنمای کامل تعمیرات مدارهای الکتریکی پژو 405 و پارس
راهنمای تعمیرات سیستم ایموبیلایزر پژو 405، پارس، سمند، روآ و دنا
راهنمای تعمیرات و عیب یابی سیستم گازسوز پژو 405
نحوه عیب یابی کنترل یونیت سیستم خنک کننده موتور
آلبوم نقشه های سوخت رسانی انواع پژو 405 و پارس
نقشه جعبه فیوز سمند،سورن، پژو405 و پارس غیرماکس
راهنمای تعمیرات سیستم تهویه مطبوع(بخاری و کولر) پژو405 ،پارس ،سمند ،روآ ،وانت پیکان
بررسی و عیب یابی مشکلات متداول گیربکس های پژو
راهنمای شستشوی استکان تایپیت های موتور TU5
راهنمای آموزشی برق پژو پارس،405 و RD (مبانی برق و اصول نقشه خوانی)
دستورالعمل عیب یابی پمپ هیدرولیک فرمان پژو 206 و 405
راهنمای تعویض قفل های سوئیچی سمند،پارس و 405
جزوه آشنایی با سرویس و نگه داری خودرو ایساکو
راهنمای استفاده از ایکودیاگ در عیب یابی خودروها
کتابچه نقشه های خودروهای انژکتوری ایرانی
دستورالعمل تست جعبه فرمان هیدرولیک پژو405 ، پارس ، سمند و دنا
دستورالعمل عیب یابی و رفع ایراد گیربکس دستی BE پژو 405، پارس ، سمند، سورن و دنا
معرفی پژو 405 SLX
جزوه آموزشی تعمیر موتور XU7 پژو پارس ، 405 و سمند
معرفی و راهنمای تعمیرات ایربگ سمند، سورن، پژو405 و پارس
جزوه آموزشی برق 405 ، پارس ، RD ، سمند و سورن ، CEC ، آریسان
راهنمای تعمیرات و عیب یابی موتور TU5-JP4 پژو405، پارس و سمند
راهنمای تعمیرات و عیب یابی ترمز ABS MANDO پژو405، پارس، سمند، دنا و دنا پلاس
آشنایی با قطعات و سیستم مدیریت موتور BOSCH ME 17.9.71 موتور TU5 پژو 206 و پژو207 و پژو405 و پژو پارس
راهنمای آموزشی موتور XU7 هشت و 16سوپاپ پژو 405 و سمند و پارس
اطلاعیه جابجایی سوکت های انژکتور در دسته سیم انژکتور جهت رفع ایراد MisFiring
راهنمای فنی یونیت فن کنترل دما پژو 405
نکات فنی امدادخودرو پژو 405 و پارس و سمند
نقشه الکتریکی سیستم سوخت رسانی و جرقه Bosch M7.4.4 پژو405 و پارس
میزان فشار باد تایرها در محصولات ایران خودرو
دستورالعمل عیب یابی قطعات لاستیکی جلوبندی
جزوه آموزشی موتور پژو 405 XU7 JP L3 و XU7 JP L4 ایساکو
نقشه سیمکشی ME17.9.71
مجله آموزشی چراغ چک - شماره سوم
مکانیک
کتاب مجموعه نقشه های خودروهای انژکتوری موتورآزماثمین
آموزش تبدیل پمپ بنزین بیرون باکی به پمپ بنزین داخل باکی
پین اوت صفحه کیلومتر کروز دو فیش نصب شده روی پژو 405و پیکان
پین اوت سوکت ایسیو ساژم و والیو s2000
پایداری خودرو
ریمپ ایسیو والئو با tnmوwinols
جزوه اموزشی ایساکو سیستم تهویه مطبوع
راهنمای تعمیرات و عیب یابی بدنه پژو 405 ، پارس پژو RD و روآ
استفاده از کامپوزیت در خودرو ها
راهنمای کامل تعمیرات مکانیکی و الکترونیکی گیربکس AL4
راهنمای کامل تعمیرات مکانیکی و الکترونیکی گیربکس AL4- فایل 2
دستورالعمل معرفی و عیب یابی قطعات آپشن پژو پارس و سمند
دفترچه راهنمای کامل کلیه مدل های پژو پارس نگارش 2015
معرفی و راهنمای تعمیرات الکتریکال سیستم مدیریت موتور SSAT پژو 405 و پژو پارس و سمند
راهنمای تعمیرات و عیب یابی سیستم گازسوز پژو پارس + نقشه مدارها
راهنمای تعمیرات سیستم هشداردهنده دنده عقب پژو پارس و سمند
راهنمای آموزشی موتور XUM پژو پارس
راهنمای تعمیرات سیستم هوشمند CEC پژو پارس
راهنمای تعمیرات مدارات الکتریکی و نقشه های پارس LX با موتور TU5
معرفی رله ها و فیوزها در خودروهای مجهز به سیستم الکتریکی CEC (پژو پارس)
راهنمای تعمیرات مدارها و سیستم های الکتریکی پژو پارس ELX
دستورالعمل معرفی و عیب یابی گیربکس اتوماتیک با موتور TU5 پژو پارس
راهنمای تعمیرات و عیب یابی صندلی برقی پژو پارس ELX
معرفی و عیب یابی انواع کیتهای دوگانه سوز خودرو پژو پارس
دستورالعمل معرفی و عیب یابی سیستم کروز کنترل خودرو پژو پارس
جزوه آموزشی برق خانواده خودروهای 206 ، سمند مالتی پلکس ، رانا ، دنا و پارس مالتی پلکس + نقشه ها
Pin Layout و نقشه ECU موتور و ECU گیربکس اتوماتیک پژو پارس اتوماتیک
معرفی خودروی پژو پارس با سیستم هوشمند CEC
راهنمای تعمیرات داشبورد جدید با دو ایربگ پژو پارس
راهنمای تعمیراتو عیب یابی سیستم تهویه اتوماتیک سورن ELX و پارس
راهنمای تعمیرات و عیب یابی سیستم کروزکنترل پژو پارس و سمند
کاتالوگ قطعات پژو پارس ELX موتور زانتیا
پین اوت CEC پژو پارس
راهنمای تعمیرات موتور جدید xu7p پارس و سورن
اموزش برطرف کردن ماتی چراغ ها
راهنمای عیب یابی و تعمیرات ایربگ و کمربند ایمنی سمند سورن
راهنمای تعمیرات بخاری ، تهویه مطبوع و سیستم حفاظت از سرنشین (ایربگ) مزدا3
راهنمای تعمیرات و سرویس کیسه هوا (ایربگ) سایپا تیبا
راهنمای تعمیرات کیسه هوای محافظ (ایربگ) و کمربند ایمنی پژو 206
راهنمای عیب یابی سیستم ایربگ تندر90
راهنمای تعمیرات و عیب یابی ایربگ سرنشین خودرو سورن و سمند
راهنمای تعمیرات و عیب یابی ایربگ راننده و سرنشین خودرو دنا
معرفی سیستم های ایمنی غیرفعال در خودروهای گروه X100 سایپا
چگونگی عملکرد سیستم ایمنی غیرفعال و حسگرهای سنجش شتاب در کیسه های هوای هوشمند
راهنمای تعمیرات و سرویس کیسه هوا(ایربگ) پراید
راهنمای تعمیرات کیسه هوا چانگان CS35
راهنمای تعمیرات و سرویس کیسه هوا و پیش کشنده کمربند ایمنی ساندرو
راهنمای سیستم کیسه هوا SRS نیسان قشقایی
راهنمای استفاده از ابزار انهدام ایربگ و پیش کشنده کمربند
راهنمای تعمیرات و سرویس سیستم الکتریکی ایربگ سراتو
راهنمای آموزشی سیستم ایمنی تکمیلی SRS هیوندای
راهنمای آموزشی سیستم ایمنی تکمیلی SRS هیوندای- فایل 2
آشنایی با سیستم ایمنی فعال ایربگ
راهنمای تعمیرات سیستم ایربگ ساندرو
راهنمای تعمیرات ایربگ آریسان
راهنمای تعمیرات و عیب یابی ایربگ و کمربند ایمنی خودرو رانا
راهنمای تعمیرات ، عیب یابی و نقشه های ایربگ سرنشین سمند
راهنمای تعمیرات و عیب یابی ایربگ راننده و کمربند پیش کشنده خانواده خودرو سورن
راهنمای تعمیرات و وسرویس کیسه هوا (ایربگ) پراید X100
معرفی سیستم های ایمنی غیرفعال گروه پراید X100
راهنمای تعمیرات کمربند ایمنی و کیسه هوای خودرو چیرمن
راهنمای تعمیرات و سرویس سیستم SRS و پیش کشنده سراتو
آشنایی با کیسه هوا خودرو (Airbag)
راهنمای آموزشی Hyundai Genesis SRS System
نقشه ایربگ پژو 206 P6L SP MUX
نقشه ایربگ پژو 206 P6L ECO MUX تک ایربگ
نقشه ایربگ پژو 206 P6L ECO MUX دو ایربگ
نقشه ایربگ پژو 206 P6L تک ایربگ
نقشه ایربگ پژو 206 P6L دو ایربگ
راهنمای بازکردن داشبورد پژو 206
راهنمای تعمیرات تزئینات و قطعات خودرو رانا
راهنمای باز و بست داشبورد زانتیا
راهنمای تعمیرات تزئینات داخل و داشبورد خودرو دنا
راهنمای تعمیرات تزئینات داخل و داشبورد خودرو دنا- فایل 2
راهنمای تعمیرات داشبورد و تزئینات دنا و دناپلاس
راهنمای تعمیرات تزئینات داخلی کاروان
راهنمای تعمیرات بدنه و تزئینات ساینا اتوماتیک
راهنمای باز کردن داشبورد پراید
نقشه صفحه نمایشگر داشبورد جلوآمپر پژو 206 P6L ECO MUX
کیلومترهای مورد استفاده در پراید ازآغاز تا کنون
کیلومترهای مورد استفاده در پراید ازآغاز تا کنون
پین اوت کیلومتر پراید بدون شبکه
نظرات و کامنت های کاربران

babak (7 سال پیش)
سلام خسته نباشید. مطالب فوق العاده خوبن...اگر بزرگواری بفرمایید در مورد سیستم الکتریکی، همین پژوهای داشبورد جدید دو ایربگ مطلب بذارید ممنون میشم. چون واقعا بهش نیاز دارم.. تشکر از کارگیک

مقالات آموزشی و مستندات فنی

مقالات آموزشی

عنوان مطالب ، مرتب شده براساس پربازدیدترین
جدول کامل عیب یابی و رفع عیب خودرو
آخرین بروزرسانی : 4 سال پیش بازدید : 2246883
عیب یابی خودرو از روی پارامترهای سنسورها و عملگرها با دیاگ
آخرین بروزرسانی : 4 سال پیش بازدید : 1667475
معرفی و آموزش عیب یابی ، تمیز کردن ، بازکردن و تعمیر استپر موتور
آخرین بروزرسانی : 6 سال پیش بازدید : 1027304
آموزش برق خودرو : مبحث کامل دینام و آلترناتور در خودرو
آخرین بروزرسانی : 4 سال پیش بازدید : 671856
آموزش و راهنماهای فیلرگیری موتور
آخرین بروزرسانی : 4 سال پیش بازدید : 670466
موتور TU5 :معرفی ، مشخصات و فیلم کامل تشریح اجزاء و باز کردن
آخرین بروزرسانی : 4 سال پیش بازدید : 612811
آشنایی با مپ سنسور و نحوه تست و تعویض آن (سنسور فشار هوای منیفولد)
آخرین بروزرسانی : 7 سال پیش بازدید : 611190
تشریح نحوه کارکرد سیستم خنک کننده موتور و عیب یابی جوش آوردن
آخرین بروزرسانی : 5 سال پیش بازدید : 578252
آموزش برق خودرو : باطری ، سوئیچ ، استارت و آلترناتور
آخرین بروزرسانی : 7 سال پیش بازدید : 570222
آموزش برق خودرو : آموزش کامل سیستم استارتر خودرو
آخرین بروزرسانی : 5 سال پیش بازدید : 550027
پرونده کامل ترموستات در خودرو
آخرین بروزرسانی : 5 سال پیش بازدید : 537948
معرفی رله دوبل و دیاگرام داخلی و عملکرد
آخرین بروزرسانی : 4 سال پیش بازدید : 532258
معرفی و آموزش سنسورها و سیستم انژکتور پراید
آخرین بروزرسانی : 7 سال پیش بازدید : 529050
جدول عیب یابی سیستم قفل مرکزی خودرو
آخرین بروزرسانی : 9 سال پیش بازدید : 522660
فنر و کمک فنر در سیستم تعلیق خودرو
آخرین بروزرسانی : 6 سال پیش بازدید : 520346
آشنایی با سنسور اکسیژن خودرو و تشریح عملکرد و نقش آن
آخرین بروزرسانی : 5 سال پیش بازدید : 513865
آموزش سرویس روغن و فیلتر پژو 405 ، پژو پارس و سمند و ...
آخرین بروزرسانی : 4 سال پیش بازدید : 495339
آموزش ساخت لامپ تست مثبت و منفی با LED
آخرین بروزرسانی : 7 سال پیش بازدید : 486884
دوره آموزشی کولر خودرو
آخرین بروزرسانی : 5 سال پیش بازدید : 481695
آموزش نحوه بازبینی و تست وایر شمع خودرو
آخرین بروزرسانی : 6 سال پیش بازدید : 467076
عیب یابی کلاچ خودرو + فیلم آموزشی تعویض
آخرین بروزرسانی : 6 سال پیش بازدید : 455629
اگر خودرو یکباره خاموش کرد چه مواردی باید بازبینی گردند؟
آخرین بروزرسانی : 7 سال پیش بازدید : 439443
آموزش مکانیک خودرو : تایم گیری چرخ دنده میل لنگ و میل سوپاپ موتور با علامت و بدون علامت
آخرین بروزرسانی : 7 سال پیش بازدید : 435821
آموزش اندازه گیری فشار ریل سوخت خودرو
آخرین بروزرسانی : 5 سال پیش بازدید : 419408
آموزش شیم گیری سوپاپ و تعویض تسمه تایم
آخرین بروزرسانی : 6 سال پیش بازدید : 417452
آموزش تست سیم کشی و شبیه سازی سنسورهای خودرو
آخرین بروزرسانی : 4 سال پیش بازدید : 413511
پاسخ به سئوالات متداول درباره CNG
آخرین بروزرسانی : 10 سال پیش بازدید : 408158
آموزش برق خودرو : باتری خودرو
آخرین بروزرسانی : 4 سال پیش بازدید : 395679
کلاچ چیست؟ چرا لازم است؟ چگونه کار می کند؟
آخرین بروزرسانی : 7 سال پیش بازدید : 394843
آموزش تعویض تسمه تایم پژو 405،پارس و سمند (موتور XU7 هشت سوپاپ)
آخرین بروزرسانی : 6 سال پیش بازدید : 389150
شرح و آموزش پولیش رنگ و بدنه خودرو
آخرین بروزرسانی : 6 سال پیش بازدید : 380971
سنسور دور موتور یا سنسور موقعیت میل لنگ
آخرین بروزرسانی : 7 سال پیش بازدید : 375582
فیلم آموزشی بستن و مونتاژ موتور XU7 از ایساکو (خانواده 405 ، پژو پارس ، سمند ، سورن)
آخرین بروزرسانی : 7 سال پیش بازدید : 371048
همه چیز درباره نانو سرامیک بدنه خودرو و نصب آن
آخرین بروزرسانی : 6 سال پیش بازدید : 366484
توضیحات و آموزش تعویض مایع رادیاتور
آخرین بروزرسانی : 6 سال پیش بازدید : 353260
راهنمای تست و خريد خودرو کارکرده
آخرین بروزرسانی : 6 سال پیش بازدید : 349343
نحوه خاموش کردن چراغ سرویس انواع خودرو بدون دستگاه
آخرین بروزرسانی : 8 سال پیش بازدید : 347735
آموزش لحیم کاری و نکات آن
آخرین بروزرسانی : 6 سال پیش بازدید : 347592
آموزش برطرف کردن مات شدگی چراغ های جلو
آخرین بروزرسانی : 6 سال پیش بازدید : 343073
آموزش ویدیویی تعمیرات ECU
آخرین بروزرسانی : 6 سال پیش بازدید : 331463
روش صحیح و حرفه ای تعویض دنده گیربکس دستی
آخرین بروزرسانی : 9 سال پیش بازدید : 329961
آموزش برق خودرو : چراغ های خودرو (مدارهای چراغ های روشنایی جلو ، خطر عقب و راهنما)
آخرین بروزرسانی : 7 سال پیش بازدید : 329549
معرفی شمع های سوزنی ایریدیوم و پلاتینیوم
آخرین بروزرسانی : 6 سال پیش بازدید : 324033
استرات بار (استرس بار) و مزایای آن برای هندلینگ و تعلیق خودرو
آخرین بروزرسانی : 6 سال پیش بازدید : 320036
مبدل کاتالیست (کاتالیزور) خودرو
آخرین بروزرسانی : 6 سال پیش بازدید : 315909
آشنایی با سیستم های هوشمند ، BSI و آپشن های غیرفعال در پژو 206
آخرین بروزرسانی : 7 سال پیش بازدید : 308436
آموزش سنجش کمپرس سیلندر موتور
آخرین بروزرسانی : 4 سال پیش بازدید : 305753
آموزش کامل تعمیرات سیستم تعلیق پراید + لیست عیب یابی تعلیق و جلوبندی
آخرین بروزرسانی : 6 سال پیش بازدید : 302228
معرفی و آموزش کامل کار با مولتی متر
آخرین بروزرسانی : 6 سال پیش بازدید : 296614
فیلم های آموزشی گیربکس BE (پژو 405 ، پارس ، سمند ، دنا)
آخرین بروزرسانی : 6 سال پیش بازدید : 292917
فیلم آموزشی بازکردن گیربکس اتوماتیک AL4
آخرین بروزرسانی : 6 سال پیش بازدید : 291700
تشریح عملکرد مدار فن خودرو
آخرین بروزرسانی : 7 سال پیش بازدید : 286898
تشریح زوایای چرخ ها و اثر پیچیدن خودرو بر چرخ
آخرین بروزرسانی : 7 سال پیش بازدید : 284947
آموزش مکانیک خودرو : بازدید و عیب یابی موتور و تشخیص انواع صداهای موتور
آخرین بروزرسانی : 6 سال پیش بازدید : 284544
10 روش برتر متداول و اقتصادی برای تقویت خودرو
آخرین بروزرسانی : 7 سال پیش بازدید : 283387
آموزش سرویس و شستشوی کاربراتور موتورسیکلت CG125
آخرین بروزرسانی : 7 سال پیش بازدید : 281682
تشریح نحوه کارکرد سیستم انتقال قدرت دستی و نقش گیربکس ، دنده ها و کلاچ
آخرین بروزرسانی : 7 سال پیش بازدید : 278332
فیلم آموزشی معرفی و دمونتاژ موتور XU7 از ایساکو (خانواده 405 ، پژو پارس ، سمند ، سورن)
آخرین بروزرسانی : 7 سال پیش بازدید : 276379
آموزش تشخیص برق دزدی خودرو
آخرین بروزرسانی : 6 سال پیش بازدید : 275787
کلاس شاسی ، بدنه ، تعلیق ، ترمز ، فرمان و انتقال قدرت استاد صیاد نصیری
آخرین بروزرسانی : 6 سال پیش بازدید : 272308
مجموعه ویدیوهای آموزشی انواع گیربکس اتوماتیک
آخرین بروزرسانی : 5 سال پیش بازدید : 270805
تشریح مدارهای پژو 405 و پارس
آخرین بروزرسانی : 7 سال پیش بازدید : 265208
آزمایش فنی ، مقایسه و بررسی پارس ELX با موتور XUM و پارس ELX با موتور XU7/L4 (موتور زانتیا)
آخرین بروزرسانی : 6 سال پیش بازدید : 260761
معرفی ، نقد و بررسی کامل جک S5 ، چینی توربوشارژ + تجربه رانندگی با JAC S5 و مشخصات فنی و امکانات
آخرین بروزرسانی : 9 سال پیش بازدید : 258380
زوایای چرخهای و انواع ساییدگی لاستیک خودرو
آخرین بروزرسانی : 6 سال پیش بازدید : 257772
آموزش مکانیک خودرو : عیب یابی سرسیلندر (سوپاپ ها و واشر سرسیلندر) و عوامل روغن سوزی در موتور
آخرین بروزرسانی : 6 سال پیش بازدید : 254659
آشنایی با سامانه مالتی پلکس در خودرو
آخرین بروزرسانی : 10 سال پیش بازدید : 250415
تشریح مدارهای پراید
آخرین بروزرسانی : 7 سال پیش بازدید : 248006
آموزش تعمیر ترک و نشتی بخش های پلاستیکی رادیاتور خودرو
آخرین بروزرسانی : 7 سال پیش بازدید : 240828
مبانی تقویت موتور : پایه و اساس سوپر شارژر ، توربو شارژر و سیستم های تزریق نیتروس اکساید
آخرین بروزرسانی : 7 سال پیش بازدید : 240781
آموزش تنظیم موتور پراید کاربراتور + آموزش بازکردن،تعمیر و تنظیم کاربراتور و دلکو
آخرین بروزرسانی : 7 سال پیش بازدید : 237640
پرونده کامل پژو پارس ، مشخصات فنی ، امکانات و معرفی و مقایسه مدل های مختلف آن
آخرین بروزرسانی : 4 سال پیش بازدید : 236709
معرفی ، آزمایش ، نقد و بررسی جک J5 + مشخصات فنی و امکانات
آخرین بروزرسانی : 10 سال پیش بازدید : 232431
شرح عملکرد کاربراتور
آخرین بروزرسانی : 5 سال پیش بازدید : 229777
روش تغییر کیلومتر کارکرد خودرو از روی IC صفحه کیلومتر
آخرین بروزرسانی : 7 سال پیش بازدید : 228295
آموزش بازکردن ، عیب یابی ، کنترل ابعادی و بستن موتور B3 پراید و رنو P.K
آخرین بروزرسانی : 7 سال پیش بازدید : 228143
آموزش بازکردن داشبورد و ملحقات پژو 405 و پارس
آخرین بروزرسانی : 7 سال پیش بازدید : 227288
استفاده از آب بجای بنزین و روشن کردن خودرو پژو ۴۰۵ بوسیله آب
آخرین بروزرسانی : 6 سال پیش بازدید : 224947
معرفی ، موارد و راهنمای مصرف اسپری WD-40
آخرین بروزرسانی : 7 سال پیش بازدید : 221003
ترمیم سپر و قطعات فایبرگلاس خودرو با جوش پلاستیک
آخرین بروزرسانی : 7 سال پیش بازدید : 217248
فیلم کامل آموزش تعویض تسمه تایم و واترپمپ موتور TU5
آخرین بروزرسانی : 7 سال پیش بازدید : 215142
آشنایی با یاتاقان ، بلبرینگ و رولبرینگ
آخرین بروزرسانی : 5 سال پیش بازدید : 206979
معرفی و تشریح اجزاء و نحوه عملکرد گیربکس اتوماتیک/تیپ ترونیک AL4
آخرین بروزرسانی : 6 سال پیش بازدید : 202407
راهنمای تعریف ریموت انواع خودرو
آخرین بروزرسانی : 5 سال پیش بازدید : 197952
آموزش رفع عیب گیرنده ریموت سازه پویش روی سمند ، پژو پارس و 405
آخرین بروزرسانی : 7 سال پیش بازدید : 196593
نحوه صحیح چیدمان دهانه رینگ ها در هنگام جا زدن پیستون
آخرین بروزرسانی : 7 سال پیش بازدید : 196380
معرفی بخش های مختلف داخل کاپوت جلو پژو 206
آخرین بروزرسانی : 7 سال پیش بازدید : 194681
نقد و بررسی و مشخصات فنی و امکانات هایما اس 7 (Haima S7)
آخرین بروزرسانی : 7 سال پیش بازدید : 191684
آموزش تعویض روغن و فیلتر روغن خودرو
آخرین بروزرسانی : 7 سال پیش بازدید : 180593
جزوه دوره آموزشی تعمیرات ECU
آخرین بروزرسانی : 9 سال پیش بازدید : 180311
سمند سورن توربوشارژ
آخرین بروزرسانی : 7 سال پیش بازدید : 177988
عیب یابی بالا بودن دور موتور حالت آرام در خودروهای انژکتوری
آخرین بروزرسانی : 9 سال پیش بازدید : 164873
نقد و بررسی ایران خودرو دنا
آخرین بروزرسانی : 6 سال پیش بازدید : 160266
معرفی، نقد و بررسی لیفان 820
آخرین بروزرسانی : 6 سال پیش بازدید : 150468
انواع چراغ های خودرو و مقایسه چراغ های زنون ، هالوژن و LED
آخرین بروزرسانی : 6 سال پیش بازدید : 150060
جزوه آموزشی تعمیرات ECU
آخرین بروزرسانی : 8 سال پیش بازدید : 149407
راهنمای نقشه خوانی مدارات الکتریکی خودرو
آخرین بروزرسانی : 9 سال پیش بازدید : 145847
آموزش تعویض تسمه تایم موتور K4M رنو (تندر90،مگان،داستر،ساندرو)
آخرین بروزرسانی : 7 سال پیش بازدید : 145202
مزایا و معایب استفاده از نیتروژن برای باد تایر خودرو
آخرین بروزرسانی : 10 سال پیش بازدید : 143157
راهنمای استفاده از پایه های رله در برق خودرو
آخرین بروزرسانی : 5 سال پیش بازدید : 136410
فیلم آموزشی بازکردن و وتعمیر اکسل عقب پژو 206
آخرین بروزرسانی : 6 سال پیش بازدید : 134948
ترتیب احتراق انواع موتور
آخرین بروزرسانی : 8 سال پیش بازدید : 133978
معرفی ، نقد و بررسی بسترن آسا B50F بهمراه فیلم های تست و بررسی در ایران + مشخصات فنی
آخرین بروزرسانی : 10 سال پیش بازدید : 132795
بازکردن کاپوت خودرو و مکانیزم آن
آخرین بروزرسانی : 7 سال پیش بازدید : 130993
معرفی انواع سیستم های چهارچرخ متحرک (4WD و AWD) و تفاوت های آن ها
آخرین بروزرسانی : 7 سال پیش بازدید : 130021
کاهش سرعت بوسیله ریتاردر (Retarder)
آخرین بروزرسانی : 7 سال پیش بازدید : 129788
آموزش نصب برچسب دودی شیشه خودرو
آخرین بروزرسانی : 7 سال پیش بازدید : 128004
آیا توربوشارژر(سوپرشارژر)های الکتریکی واقعاً اثر دارند؟+نمونه نصب و ساخت نمونه
آخرین بروزرسانی : 7 سال پیش بازدید : 126333
آشنایی با علائم الکتریکی و طریقه نقشه خوانی در برق خودرو
آخرین بروزرسانی : 9 سال پیش بازدید : 122908
تاریخچه و مدل های پیکان در ایران به همراه فیلم مستند خط تولید در دهه 50
آخرین بروزرسانی : 6 سال پیش بازدید : 118468
نقد و بررسی و معرفی کامل MG GS شاسی بلند توربوشارژ + مشخصات فنی و امکانات
آخرین بروزرسانی : 7 سال پیش بازدید : 117946
آشنایی و شرح عملکرد موتور دیزل
آخرین بروزرسانی : 6 سال پیش بازدید : 117249
معرفی توربوشارژ و سوپر شارژ و تفاوت آن ها
آخرین بروزرسانی : 6 سال پیش بازدید : 115633
معرفی و بررسی چانگان CS35 به همراه تجربه رانندگی با چانگان CS35 (محصول جدید سایپا) در ایران ، ویدئوهای تست و تیزرهای تبلیغاتی
آخرین بروزرسانی : 9 سال پیش بازدید : 115434
جدول مقایسه فنی و امکانات تیپ های مختلف پژو 206
آخرین بروزرسانی : 7 سال پیش بازدید : 114199
آموزش تعمیرات سیستم ترمز اتومبیل پراید از سایپایدک
آخرین بروزرسانی : 7 سال پیش بازدید : 112725
آموزش بازکردن مجموعه داشبورد و تجهیزات داخلی پژو 206
آخرین بروزرسانی : 7 سال پیش بازدید : 112501
کوئیک شیفتر برای تعویض دنده سریعتر و مزایای آن برای گیربکس
آخرین بروزرسانی : 8 سال پیش بازدید : 111959
آموزش تنظیم زوایای چرخ های خودرو
آخرین بروزرسانی : 7 سال پیش بازدید : 111472
معرفی ، نقد و بررسی دانگ فنگ H30 Cross
آخرین بروزرسانی : 6 سال پیش بازدید : 110912
روش عیب یابی کویل ساژم با استفاده از اهم متر
آخرین بروزرسانی : 10 سال پیش بازدید : 109732
معرفی ، امکانات و مشخصات فنی ، نقد و بررسی تخصصی مزدا3 جدید (New) در ایران
آخرین بروزرسانی : 7 سال پیش بازدید : 107505
آموزش برق خودرو : مبحث کامل فن خنک کننده موتور
آخرین بروزرسانی : 7 سال پیش بازدید : 107448
همه چیز درباره دسته موتور و دسته گیربکس
آخرین بروزرسانی : 5 سال پیش بازدید : 107429
سیستم تعلیق خودرو و اجزاء و انواع آن
آخرین بروزرسانی : 6 سال پیش بازدید : 106414
معرفی ،تست و بررسی فنی و امکانات رنو کپچر و مقایسه آن با رقبا بازار
آخرین بروزرسانی : 10 سال پیش بازدید : 102245
روش های متداول تقویت موتور پراید
آخرین بروزرسانی : 6 سال پیش بازدید : 100352
آموزش تعمیر گیربکس و دیفرانسیل اتومبیل پراید
آخرین بروزرسانی : 6 سال پیش بازدید : 99947
آسیب های توربوشارژر و عیب یابی آن ها
آخرین بروزرسانی : 8 سال پیش بازدید : 98769
نکات و آموزش تعویض آب و هواگیری رادیاتور خودرو
آخرین بروزرسانی : 6 سال پیش بازدید : 98239
آموزش تصویری نصب چراغ و میکروسوئیچ داشبورد 206
آخرین بروزرسانی : 2026 سال پیش بازدید : 97272
همه چیز درباره واردات خودرو در ایران
آخرین بروزرسانی : 4 سال پیش بازدید : 95023
تقویت سیستم تخلیه با هدرز
آخرین بروزرسانی : 7 سال پیش بازدید : 94873
روشن کردن مستقیم دستگاه پخش خودرو
آخرین بروزرسانی : 7 سال پیش بازدید : 94093
جزوه آموزشی کلاس دزدگیر اتومبیل
آخرین بروزرسانی : 6 سال پیش بازدید : 92813
آشنایی با موتور XU10 پژو-سیتروئن
آخرین بروزرسانی : 6 سال پیش بازدید : 88135
پورت و پولیش کردن سرسیلندر و سوپاپ ها چیست؟
آخرین بروزرسانی : 11 سال پیش بازدید : 87888
فیلم آموزشی بازدید سیستم تعلیق ، تنظیم ارتفاع و شارژ كردن گوی ها سیتروئن زانتیا
آخرین بروزرسانی : 7 سال پیش بازدید : 87566
پرونده کامل لیفان X50 + امکانات و مشخصات فنی و تست های رانندگی
آخرین بروزرسانی : 8 سال پیش بازدید : 85561
آموزش پاک کردن بخار و آب‌بندی چراغ خودرو
آخرین بروزرسانی : 7 سال پیش بازدید : 83328
آموزش تعویض روغن LHM و تستهای رگولاتور ، گوی آكومولاتور و شیر اطمینان سیتروئن زانتیا
آخرین بروزرسانی : 7 سال پیش بازدید : 81135
جدول عیب یابی CNG
آخرین بروزرسانی : 6 سال پیش بازدید : 80878
جزوه دوره آموزشی مکانیک عمومی خودرو
آخرین بروزرسانی : 8 سال پیش بازدید : 80240
فیلم آموزشی باز کردن و بستن تجهیزات داخلی و خارجی پژو 206
آخرین بروزرسانی : 7 سال پیش بازدید : 79891
بررسی سیستم های واحد کنترل الکترونیکی خودرو پژو 206
آخرین بروزرسانی : 10 سال پیش بازدید : 79760
آموزش مکانیک خودرو : بستن موتور
آخرین بروزرسانی : 7 سال پیش بازدید : 79053
نصب فنر اسپرت لول و کاهش ارتفاع خودرو
آخرین بروزرسانی : 6 سال پیش بازدید : 77643
نکات و ترفندهای رله در برق و الکترونیک خودرو
آخرین بروزرسانی : 6 سال پیش بازدید : 77553
فیلم آموزشی تعمیرات پلوس پژو (۴۰۵ - پارس - سمند)
آخرین بروزرسانی : 7 سال پیش بازدید : 77416
نگاهی به خودروی رئیس جمهور حسن روحانی
آخرین بروزرسانی : 9 سال پیش بازدید : 75721
مزایای روغن موتور سنتتیک در مقابل روغن های پایه معدنی مرسوم
آخرین بروزرسانی : 7 سال پیش بازدید : 75204
معرفی و آموزش کار با میکرومتر + فیلم آموزشی
آخرین بروزرسانی : 7 سال پیش بازدید : 72471
راهنمای تصویری نصب توربوشارژر و اینترکولر
آخرین بروزرسانی : 9 سال پیش بازدید : 71674
آموزش تعویض و سرویس لنت و دیسک ترمز جلو پژو 206 و 207
آخرین بروزرسانی : 7 سال پیش بازدید : 71309
راهنمای باز و بست داشبورد زانتیا
آخرین بروزرسانی : 9 سال پیش بازدید : 69983
نقد و بررسی تخصصی تویوتا اف جی کروزر (Toyota FJ Cruiser) در ایران به همراه ویدئوهای تست آفرود و تست تصادف
آخرین بروزرسانی : 2026 سال پیش بازدید : 69817
راهنمای صداگیری ستون و قاب فرمان سمند
آخرین بروزرسانی : 8 سال پیش بازدید : 68532
آموزش نصب کیت زنون چراغ جلو خودرو
آخرین بروزرسانی : 7 سال پیش بازدید : 67834
کیسه هوا (AirBag) چیست و چگونه کار می کند؟
آخرین بروزرسانی : 6 سال پیش بازدید : 67715
نقد و بررسی تخصصی رنو فلوئنس در ایران
آخرین بروزرسانی : 6 سال پیش بازدید : 66538
تغذیه موتور خودرو با نیتروس اکساید + راهنمای نصب
آخرین بروزرسانی : 7 سال پیش بازدید : 65594
راهنمای سریع عیب یابی و تعمیر BM34
آخرین بروزرسانی : 10 سال پیش بازدید : 65446
آموزش تنظیم (رگلاژ) عقربه‌های پشت آمپر پژو ۲۰۶
آخرین بروزرسانی : 6 سال پیش بازدید : 63861
معرفی، نقد و بررسی و تجربه رانندگی سایپا تیبا
آخرین بروزرسانی : 6 سال پیش بازدید : 63591
جدول شتاب ، بیشینه سرعت و مصرف سوخت پژو 405 ،پارس ، سمند و سورن
آخرین بروزرسانی : 6 سال پیش بازدید : 62087
فیلم کامل آموزش باز کردن و تعویض واشر سرسیلندر موتور TU۳(پژو۲۰۶ تیپ ۲و۳)
آخرین بروزرسانی : 7 سال پیش بازدید : 62060
فیلم آموزشی تعویض چراغ های جلو پژو 206
آخرین بروزرسانی : 6 سال پیش بازدید : 61870
چیپ تیونینگ و سوپر چیپ ، تقویت و بهینه سازی مغز خودرو
آخرین بروزرسانی : 11 سال پیش بازدید : 61030
نمایش و توضیح عملکرد گیربکس روی گیربکس بازشده پراید
آخرین بروزرسانی : 7 سال پیش بازدید : 61027
فیلم آموزشی تعویض فیلتر هوای اتاق سمند ، پژو 405 ، پژو پارس
آخرین بروزرسانی : 6 سال پیش بازدید : 60969
معرفی ، نقد و بررسی تیگو 5 (Chery Tiggo 5)
آخرین بروزرسانی : 9 سال پیش بازدید : 60870
فیلم آموزشی باز کردن موتور TU3 (موتور 206 تیپ 2)
آخرین بروزرسانی : 7 سال پیش بازدید : 59407
معرفی ، نقد و بررسی میتسوبیشی لنسر در ایران + تجربه رانندگی و مشخصات فنی
آخرین بروزرسانی : 10 سال پیش بازدید : 59228
آموزش باز و بست صندلی پژو 206
آخرین بروزرسانی : 9 سال پیش بازدید : 59187
آموزش نصب صندوق پران بدون نیاز به نصب دزدگیر روی سوییچ فابریک خودرو
آخرین بروزرسانی : 10 سال پیش بازدید : 59129
راهنمای تغییرات سیم کشی پس از بی کد کردن ECU
آخرین بروزرسانی : 8 سال پیش بازدید : 58892
کارکرد دیفیوزر ، اسپویلر و اسپلیتر در خودرو
آخرین بروزرسانی : 6 سال پیش بازدید : 58737
پمپ تزریق ثانویه هوا / اسماگ پمپ
آخرین بروزرسانی : 6 سال پیش بازدید : 58380
آموزش تعویض بوق سمند
آخرین بروزرسانی : 6 سال پیش بازدید : 56738
آموزش تعویض تسمه تایم پژو 206 تیپ 2و3 موتور 1400 TU3
آخرین بروزرسانی : 7 سال پیش بازدید : 56577
نکاتی درباره گردگیر پلوس تندر90 و ساندرو
آخرین بروزرسانی : 7 سال پیش بازدید : 56451
جزوه راهنمای تعمیرات ECU زیمنس
آخرین بروزرسانی : 9 سال پیش بازدید : 56312
آموزش باز و بست تجهیزات داخلی و خارجی پژو 206
آخرین بروزرسانی : 7 سال پیش بازدید : 55857
فیلم واقعی داخل سیلندر موتور چهارزمانه در حال کار
آخرین بروزرسانی : 6 سال پیش بازدید : 55226
روش محاسبه مصرف بنزین خودرو
آخرین بروزرسانی : 9 سال پیش بازدید : 55217
راهنمای شستشوی استکان تایپیت های موتور TU5
آخرین بروزرسانی : 8 سال پیش بازدید : 55168
معرفی ، نقد و بررسی هیوندای ولستر (Hyundai Veloster)
آخرین بروزرسانی : 10 سال پیش بازدید : 54919
بررسی لنت ترمز و انواع آن و معرفی اجمالی سیستم ترمز خودرو
آخرین بروزرسانی : 6 سال پیش بازدید : 54174
راهنمای دانلود ECU خودروهای داخلی با دستگاه دیاگ
آخرین بروزرسانی : 9 سال پیش بازدید : 54171
فیلم آموزشی بازبینی ، بازکردن ، تعویض و تایمینگ تسمه تایم کیا ریو
آخرین بروزرسانی : 7 سال پیش بازدید : 53090
اندازه گیری رینگ های پیستون در هنگام بستن موتور
آخرین بروزرسانی : 7 سال پیش بازدید : 53046
راهنمای تعمیرات ECUهای ساژم ،زیمنس و بوش
آخرین بروزرسانی : 9 سال پیش بازدید : 52725
آموزش تعمیر لیفترها و اسبک های هیدرولیکی سرسیلندر تیبا
آخرین بروزرسانی : 7 سال پیش بازدید : 52393
دلایل افزایش مصرف سوخت
آخرین بروزرسانی : 6 سال پیش بازدید : 52225
تست ، بررسی و معرفی هیوندای سانتافه جدید و تجربه رانندگی در ایران + مشخصات فنی
آخرین بروزرسانی : 10 سال پیش بازدید : 52196
مقایسه ارزش خودرو کارکرده : پژو پارس معمولی و کیا ریو
آخرین بروزرسانی : 9 سال پیش بازدید : 52125
فیلم آموزشی بستن (مونتاژ) موتور EF7 و کنترل ابعادی مجموعه سیلندر از ایساکو
آخرین بروزرسانی : 7 سال پیش بازدید : 51387
دوره آموزشی سیستم های سوخت رسانی و جرقه انژکتوری خودرو
آخرین بروزرسانی : 7 سال پیش بازدید : 50790
بهبود عملکرد و افزایش ایمنی پراید در پروژه X100 سایپا به همراه فیلم تست تصادف
آخرین بروزرسانی : 7 سال پیش بازدید : 50651
آموزش تعویض فوم صندلی پژو 206
آخرین بروزرسانی : 8 سال پیش بازدید : 50406
آموزش نصب سقف پاناروما فابریک پژو 206
آخرین بروزرسانی : 8 سال پیش بازدید : 50339
معرفی، شرح عملکرد و نکاتی درباره جک هیدرولیک روغنی
آخرین بروزرسانی : 7 سال پیش بازدید : 49822
راهنمای چراغ های صفحه داشبورد خودرو
آخرین بروزرسانی : 6 سال پیش بازدید : 49552
موتور دورانی وانکل
آخرین بروزرسانی : 6 سال پیش بازدید : 49237
فیلم آموزشی تعویض چراغ و لامپ پژو 206
آخرین بروزرسانی : 9 سال پیش بازدید : 49176
مبحث شاسی یا فریم در خودرو
آخرین بروزرسانی : 7 سال پیش بازدید : 48869
آموزش تعمیر BSI پژو 206
آخرین بروزرسانی : 6 سال پیش بازدید : 47366
جزوه آموزشی سیستم سوخت رسانی و جرقه انژکتوری خودرو
آخرین بروزرسانی : 9 سال پیش بازدید : 47353
نقد و بررسی امکانات و مشخصات فنی MVM315 در ایران
آخرین بروزرسانی : 10 سال پیش بازدید : 46974
مشخصات و قیمت قطعی جیلی GC6 اتوماتیک و دستی
آخرین بروزرسانی : 8 سال پیش بازدید : 46796
نقد و بررسی چری آریزو5
آخرین بروزرسانی : 9 سال پیش بازدید : 45401
مقایسه بسترن B50f و جک J5 از اسب بخار
آخرین بروزرسانی : 7 سال پیش بازدید : 45161
نمایش و توضیح عملکرد دیسک و صفحه کلاچ
آخرین بروزرسانی : 7 سال پیش بازدید : 45019
آشنایی با سفیر ، خودرو تاکتیکی صنایع دفاعی ایران
آخرین بروزرسانی : 7 سال پیش بازدید : 44648
انواع مدل های متداول در گیربکس خودرو
آخرین بروزرسانی : 7 سال پیش بازدید : 44177
آشنایی با سنسور سرعت خودرو
آخرین بروزرسانی : 9 سال پیش بازدید : 43689
آشنایی با سیستم هیدروپنوماتیک سیتروئن زانتیا
آخرین بروزرسانی : 7 سال پیش بازدید : 42194
تعمیر اساسی شیر هیدرولیکی کنترل پینیون فرمان زانتیا
آخرین بروزرسانی : 7 سال پیش بازدید : 42097
مقایسه عملکرد گیربکس اتوماتیک در برابر گیربکس CVT در رانندگی توسط نیسان
آخرین بروزرسانی : 6 سال پیش بازدید : 41955
اصول ترمزگیری حرفه ای
آخرین بروزرسانی : 9 سال پیش بازدید : 41261
آموزش تعویض آینه بغل پژو 206
آخرین بروزرسانی : 10 سال پیش بازدید : 40731
نکاتی راجع به رینگهای 3تکه روغن و نحوه قرار گیری رینگهای فنری فولادی
آخرین بروزرسانی : 8 سال پیش بازدید : 40278
تست و مقایسه مزدا3 و کیا سراتو + تست درگ و هندلینگ
آخرین بروزرسانی : 6 سال پیش بازدید : 39887
معرفی لوله های هیدرولیک زانتیا
آخرین بروزرسانی : 7 سال پیش بازدید : 39728
اصلاح کیلومتر پراید SPCO با TNM از پشت آمپر
آخرین بروزرسانی : 9 سال پیش بازدید : 39504
راهنمای تعمیرات COM2000
آخرین بروزرسانی : 5 سال پیش بازدید : 39096
فرآیند ساخت موتور خودرو و قطعات آن
آخرین بروزرسانی : 10 سال پیش بازدید : 38622
آموزش نصب پاور ویندو و پاور سانروف جک J5
آخرین بروزرسانی : 6 سال پیش بازدید : 38565
انواع سوکت ها و کانکتورهای برق و الکترونیک پژو-سیتروئن
آخرین بروزرسانی : 7 سال پیش بازدید : 38484
آموزش استفاده از هیتر و هویه و لحیم کاری در تعمیرات ECU
آخرین بروزرسانی : 6 سال پیش بازدید : 38431
37 تفاوت سمند سورن و دنا
آخرین بروزرسانی : 11 سال پیش بازدید : 38330
آموزش صافکاری خودرو با حرارت
آخرین بروزرسانی : 6 سال پیش بازدید : 38286
آشنایی با سیستم کولر خودرو و نحوه استفاده و نگه داری
آخرین بروزرسانی : 7 سال پیش بازدید : 38074
آشنایی با سیستم برق خودرو پژو 206 مالتی پلکس
آخرین بروزرسانی : 9 سال پیش بازدید : 37883
چگونه یک خودرو را برقی کنیم؟
آخرین بروزرسانی : 7 سال پیش بازدید : 37789
منیفولد هوای ورودی متغییر
آخرین بروزرسانی : 6 سال پیش بازدید : 37764
معرفی و نحوه کار توربوشارژر
آخرین بروزرسانی : 6 سال پیش بازدید : 37531
معرفی اجزاء و تعمیرات و سرویس ریل انژکتور گاز CNG
آخرین بروزرسانی : 6 سال پیش بازدید : 37465
آموزش تعمیر BM34 پژو 206
آخرین بروزرسانی : 6 سال پیش بازدید : 37444
آموزش تعویض مایع خنک کننده موتور (آب رادیاتور) مزدا۳
آخرین بروزرسانی : 2026 سال پیش بازدید : 37264
فیلم آموزشی تعویض منبع اگزوز پژو 206
آخرین بروزرسانی : 7 سال پیش بازدید : 37036
نقد و بررسی تخصصی و مقایسه تندر 90 و لیفان 520
آخرین بروزرسانی : 10 سال پیش بازدید : 37023
فیلم آموزشی مونتاژ (بستن) موتور TU3 (موتور 206 تیپ 2)
آخرین بروزرسانی : 7 سال پیش بازدید : 36920
راهنمای تست قطعات مدار الکترونیکی با اهم متر
آخرین بروزرسانی : 9 سال پیش بازدید : 36724
شماره IC کیلومتر انواع خودرو سبک و سنگین
آخرین بروزرسانی : 9 سال پیش بازدید : 36667
معرفی دانشکده مهندسی خودرو و رشته مهندسی خودرو دانشگاه علم و صنعت ایران
آخرین بروزرسانی : 6 سال پیش بازدید : 36470
جزوه کلاس تعمیرات ECU
آخرین بروزرسانی : 9 سال پیش بازدید : 36353
آموزش هواگیری سیستم ترمز سیتروئن زانتیا
آخرین بروزرسانی : 7 سال پیش بازدید : 36136
معرفی و آشنایی با پلتفرم سمند
آخرین بروزرسانی : 6 سال پیش بازدید : 36005
فیلم و دفترچه راهنمای آموزشی مشتری هایما S5
آخرین بروزرسانی : 6 سال پیش بازدید : 35750
آموزش نصب نصب پشه پران خودرو
آخرین بروزرسانی : 2026 سال پیش بازدید : 35708
نقد و بررسی ایسوزو دی-مکس
آخرین بروزرسانی : 7 سال پیش بازدید : 35471
آموزش نصب سیم بندی سیستم قفل مرکزی زانتیا
آخرین بروزرسانی : 2026 سال پیش بازدید : 35366
فیلم و دفترچه راهنمای آموزشی مشتری دنا پلاس
آخرین بروزرسانی : 6 سال پیش بازدید : 35328
43000 کیلومتر تجربه رانندگی با لیفان 620 تلنت (1800cc) + فیلم های بررسی ، تست شتاب و تست تصادف
آخرین بروزرسانی : 10 سال پیش بازدید : 35133
آموزش دشارژ و شارژ سیستم کولر خودرو
آخرین بروزرسانی : 7 سال پیش بازدید : 34981
مقدمه ای بر تیونینگ خودرو
آخرین بروزرسانی : 6 سال پیش بازدید : 34631
سیستم دفیا (Dephia) در سیستم جرقه پژو 206
آخرین بروزرسانی : 9 سال پیش بازدید : 34171
فهم عملکرد و مزایا و معایب گیربکس CVT
آخرین بروزرسانی : 7 سال پیش بازدید : 34131
نحوه تبدیل اعداد هگز به دسیمال بدون ماشین حساب
آخرین بروزرسانی : 7 سال پیش بازدید : 33966
نقد و بررسی فنی رنو مگان 2000
آخرین بروزرسانی : 6 سال پیش بازدید : 33756
آموزش روغنکاری بکس بادی (Air Impact Wrench)
آخرین بروزرسانی : 7 سال پیش بازدید : 33536
معرفی تخصصی دریچه گاز برقی
آخرین بروزرسانی : 7 سال پیش بازدید : 33219
معرفی امکانات و نقد و بررسی پورشه پانامرا 4S در ایران
آخرین بروزرسانی : 6 سال پیش بازدید : 33169
نقد و بررسی تخصصی کیا سراتو 2000 در ایران
آخرین بروزرسانی : 10 سال پیش بازدید : 33083
آشنایی با فرمان هیدرولیک خودرو
آخرین بروزرسانی : 6 سال پیش بازدید : 33015
آموزش تخصصی عیب یابی خودرو برمبنای استاندارد OBD-II
آخرین بروزرسانی : 7 سال پیش بازدید : 32970
آیا چیپ تیونینگ ها واقعیت دارند؟
آخرین بروزرسانی : 7 سال پیش بازدید : 32938
نقد و بررسی تخصصی لیفان X60 در ایران ، روسیه و شیلی + مشخصات فنی
آخرین بروزرسانی : 10 سال پیش بازدید : 32872
آموزش سری و موازی کردن باطری ها برای بدست آوردن ولتاژ و آمپراژ مختلف
آخرین بروزرسانی : 6 سال پیش بازدید : 32865
تشریح نحوه کارکرد موتورهای 4زمانه احتراق داخلی متداول
آخرین بروزرسانی : 7 سال پیش بازدید : 32705
آموزش نصب صندوق پران تندر 90
آخرین بروزرسانی : 8 سال پیش بازدید : 32565
آموزش تعویض فیلتر هوای موتور پژو 206 (CNG)
آخرین بروزرسانی : 9 سال پیش بازدید : 32298
معرفی و نحوه استفاده از دستگاه آنالیز گازهای خروجی اگزوز (چهارگاز و پنج گاز)
آخرین بروزرسانی : 5 سال پیش بازدید : 32254
آموزش بازکردن بلوک هیدرولیک و جعبه ساعتی گیربکس اتوماتیک AL4
آخرین بروزرسانی : 7 سال پیش بازدید : 32057
تعویض تیغه های برف پاک کن پژو 206
آخرین بروزرسانی : 9 سال پیش بازدید : 31959
تست تصادف از روبرو و جانبی پژو 206 و پژو 207
آخرین بروزرسانی : 6 سال پیش بازدید : 31954
راهنمای تغییر کیلومتر کارکرد خودرو
آخرین بروزرسانی : 9 سال پیش بازدید : 31746
تاثیر تغییر در اندازه فاق لاستیک بر حالت رانندگی
آخرین بروزرسانی : 7 سال پیش بازدید : 31694
معرفی قطعات الکترونیک
آخرین بروزرسانی : 9 سال پیش بازدید : 31181
فیلم مستند (5 دقیقه) از نحوه ساخت میل لنگ و میل سوپاپ خودرو از Discovery
آخرین بروزرسانی : 10 سال پیش بازدید : 30827
بررسی تاثیر 0.5اینچ قطر اگزوز و منبع اگزوز در قدرت موتور
آخرین بروزرسانی : 6 سال پیش بازدید : 30599
معرفی هنسی ونوم جی‌تی (Hennessey Venom GT) سریع ترین سوپراسپرت روز دنیا
آخرین بروزرسانی : 6 سال پیش بازدید : 30483
آموزش سرویس کامل ترمز کاسه ای عقب پژو 206
آخرین بروزرسانی : 7 سال پیش بازدید : 30387
معرفی سیستم Activa در تعلیق زانتیا
آخرین بروزرسانی : 7 سال پیش بازدید : 30197
آموزش مکانیک خودرو : تفکیک و بازکردن متعلقات موتور
آخرین بروزرسانی : 7 سال پیش بازدید : 30168
آشنایی با موتور الکتریکی
آخرین بروزرسانی : 6 سال پیش بازدید : 29895
آموزش کددهی به ریموت های بلوتوثی
آخرین بروزرسانی : 5 سال پیش بازدید : 29792
آشنایی با سیستم انژکتوری و سنسورها و عملگرهای آن
آخرین بروزرسانی : 9 سال پیش بازدید : 29753
آموزش مکانیک خودرو : تفکیک و بررسی قطعات موتور
آخرین بروزرسانی : 7 سال پیش بازدید : 29471
عملکرد موتور 4 زمانه احتراق داخلی سوپاپ با چرخه اتو
آخرین بروزرسانی : 7 سال پیش بازدید : 29203
شرح دیفرانسیل و عملکرد انواع آن
آخرین بروزرسانی : 6 سال پیش بازدید : 29130
موتور احتراقی بدون پیستون و میل لنگ تویوتا برای تولید انرژی الکتریکی
آخرین بروزرسانی : 7 سال پیش بازدید : 29006
نحوه برداشتن موم برای تعمیرات ECU
آخرین بروزرسانی : 6 سال پیش بازدید : 28989
معرفی و آموزش عیب یابی و تعمیرات سیستم فرمان پراید
آخرین بروزرسانی : 7 سال پیش بازدید : 28935
آشنایی با نفربر زرهی رخش
آخرین بروزرسانی : 7 سال پیش بازدید : 28639
جزوه آموزشی درس موتورهای احتراق داخلی
آخرین بروزرسانی : 9 سال پیش بازدید : 28602
هیدرولیک و عملکرد آن در سیستم ترمز خودرو
آخرین بروزرسانی : 6 سال پیش بازدید : 28516
آموزش مکانیک خودرو : مقدمات و آشنایی با ابزارها و وسائل کار در اتومکانیک
آخرین بروزرسانی : 7 سال پیش بازدید : 28410
فیلم آموزشی تعمیر تاکومتر (دورسنج موتور) پژو 206 + معرفی و آشنایی با تاکومتر
آخرین بروزرسانی : 7 سال پیش بازدید : 28271
معرفی ، نقد و بررسی چانگان ایدو
آخرین بروزرسانی : 10 سال پیش بازدید : 27826
انواع قفل دیفرانسیل
آخرین بروزرسانی : 6 سال پیش بازدید : 27701
آموزش نصب روکش روی خودرو
آخرین بروزرسانی : 7 سال پیش بازدید : 27681
آموزش شستشو و سرویس دریچه گاز مزدا 3
آخرین بروزرسانی : 10 سال پیش بازدید : 27550
مبانی الکترونیک در خودرو
آخرین بروزرسانی : 6 سال پیش بازدید : 27485
آسیب پذیری ریموت ها و سیستم Keyless Entry و سرقت خودروهای مدل بالا
آخرین بروزرسانی : 7 سال پیش بازدید : 27294
نقد و بررسی امکانات و مشخصات فنی نیسان تیانا - Nissan Teana در ایران
آخرین بروزرسانی : 10 سال پیش بازدید : 27202
آموزش بازکردن، سرویس و عیب یابی، بستن و تنظیم موتور zm مزدا ۳۲۳
آخرین بروزرسانی : 6 سال پیش بازدید : 26983
آموزش عیب یابی لقی و دمونتاژ و مونتاژ بلبرینگ اکسل جلو پراید
آخرین بروزرسانی : 7 سال پیش بازدید : 26964
آشنایی با فلایویل دوجرمه
آخرین بروزرسانی : 7 سال پیش بازدید : 26751
تست هیدرواستاتیک مخازن CNG
آخرین بروزرسانی : 8 سال پیش بازدید : 26730
تست مرگ تویوتا هایلوکس توسط جرمی کلارکسون
آخرین بروزرسانی : 7 سال پیش بازدید : 26695
نکاتی درباره تعمیرات ECU خودروهای ایرانی
آخرین بروزرسانی : 9 سال پیش بازدید : 26471
جزوه تکنیک های آموزش عملی رانندگی
آخرین بروزرسانی : 6 سال پیش بازدید : 26391
آشنایی با دریچه گاز در خودرو
آخرین بروزرسانی : 9 سال پیش بازدید : 26183
آموزش استفاده از Self Test دیاگ داخلی مزدا3 جدید
آخرین بروزرسانی : 7 سال پیش بازدید : 26161
آموزش نصب IC فلش روی ایسیو SSAT
آخرین بروزرسانی : 7 سال پیش بازدید : 26148
معرفی نحوه عملکرد سیستم ترمز زانتیا
آخرین بروزرسانی : 7 سال پیش بازدید : 26102
مونتاژ موتور 4 زمانه احتراق داخلی 4 سیلندر
آخرین بروزرسانی : 7 سال پیش بازدید : 26074
اندازه گیری لقی طولی میل لنگ با ساعت اندیکاتور
آخرین بروزرسانی : 6 سال پیش بازدید : 26025
مقایسه هیوندای سانتافه - رنو کولئوس - میتسوبیشی اوتلندر - بی ام و X1 - تویوتا فورچونر
آخرین بروزرسانی : 10 سال پیش بازدید : 25800
کم فرمانی (Understeer) و بیش فرمانی (Oversteer)
آخرین بروزرسانی : 5 سال پیش بازدید : 25746
تشریح نحوه عملکرد سیستم تعلیق زانتیا
آخرین بروزرسانی : 7 سال پیش بازدید : 25488
سیستم جرقه زنی الکتریکی خودرو
آخرین بروزرسانی : 9 سال پیش بازدید : 25312
آموزش تشخیص عیب و تعویض باتری
آخرین بروزرسانی : 7 سال پیش بازدید : 25259
مدار، اجزاء و سیستم خنک کننده موتور خودرو
آخرین بروزرسانی : 6 سال پیش بازدید : 25012
آموزش مکانیک خودرو : سیستم روغن کاری
آخرین بروزرسانی : 7 سال پیش بازدید : 24946
معرفی و آموزش سیستم CLC پراید و رنوPK
آخرین بروزرسانی : 7 سال پیش بازدید : 24921
تشریح تعاریف و عملکرد چرخ ، رینگ و لاستیک
آخرین بروزرسانی : 6 سال پیش بازدید : 24905
آشنایی با سنسور دور موتور
آخرین بروزرسانی : 9 سال پیش بازدید : 24870
اصطلاحات رانندگی حرفه ای در مسابقات رانندگی
آخرین بروزرسانی : 10 سال پیش بازدید : 24807
معرفی و آزمایش فنی مرسدس بنز E250 + مقایسه با BMW 528
آخرین بروزرسانی : 7 سال پیش بازدید : 24733
فیلم آموزشی مونتاژ موتورسیکلت هوندا CG125
آخرین بروزرسانی : 6 سال پیش بازدید : 24680
نکاتی درباره سیستم خنک کننده ، رادیاتور و جوش آوردن خودرو
آخرین بروزرسانی : 7 سال پیش بازدید : 24560
آموزش بازکردن و سرویس گیربکس 4 دنده اتوماتیک FN4A-EL شرکت Mazda/Ford(مزدا3 اتوماتیک)
آخرین بروزرسانی : 10 سال پیش بازدید : 24458
توضیحی بر پیستون ، شاتون و رینگ پیستون در موتور
آخرین بروزرسانی : 7 سال پیش بازدید : 24446
مقدمه ای بر تعمیرات نرم افزاری و برنامه ریزی ECU
آخرین بروزرسانی : 6 سال پیش بازدید : 24278
بستن موتور 8 سیلندر 850 اسب بخاری V شکل Ford Windsor
آخرین بروزرسانی : 7 سال پیش بازدید : 24198
نقد و بررسی تخصصی هیوندای آزرا 2014 (Hyundai Grandeur) + تجربه رانندگی در ایران
آخرین بروزرسانی : 7 سال پیش بازدید : 24146
آموزش تعویض تیغه برف پاک کن عقب سایپا ۱۱۱
آخرین بروزرسانی : 2026 سال پیش بازدید : 24130
نقد و بررسی امکانات و مشخصات فنی تویوتا کرولا Toyota Corolla - 2014 در ایران
آخرین بروزرسانی : 10 سال پیش بازدید : 24119
شناخت سیستم ترمز ABS
آخرین بروزرسانی : 9 سال پیش بازدید : 23943
نقش انژکتورها در تقویت موتور
آخرین بروزرسانی : 10 سال پیش بازدید : 23900
درز گیری فیلتر هوای خودرو Jac J۵ اتوماتیک برای کاهش صدا و افزایش شتاب
آخرین بروزرسانی : 9 سال پیش بازدید : 23864
بررسی و عیب یابی قسمت های الکتریکی گیربکس اتوماتیک
آخرین بروزرسانی : 7 سال پیش بازدید : 23861
انتخاب شمع سوزنی مناسب برای پژو 206
آخرین بروزرسانی : 5 سال پیش بازدید : 23683
آموزش تعویض کابل ترمز دستی پژو 206
آخرین بروزرسانی : 7 سال پیش بازدید : 23485
آموزش سوار کردن رینگ های پیستون و استفاده از رینگ بازکن
آخرین بروزرسانی : 9 سال پیش بازدید : 23397
عیب یابی صدا ، لرزش و تکان در خودرو
آخرین بروزرسانی : 6 سال پیش بازدید : 23367
آموزش تعویض روغن موتور و فیلتر روغن از Castrol
آخرین بروزرسانی : 9 سال پیش بازدید : 23276
نقد و بررسی امکانات و مشخصات فنی هوندا سیویک 2013 و تجربه رانندگی در ایران
آخرین بروزرسانی : 10 سال پیش بازدید : 23205
مقایسه قدرت موتور با سرسیلندر آلومینیومی غیرفابریک تراش CNC و سرسیلندر معمولی
آخرین بروزرسانی : 9 سال پیش بازدید : 23192
زتروس ، چهره خشن مرسدس بنز
آخرین بروزرسانی : 7 سال پیش بازدید : 23162
آموزش تعویض فنر و کمک فنر جلو مزدا۳
آخرین بروزرسانی : 2026 سال پیش بازدید : 23150
آموزش پنچرگیری لاستیک خودرو
آخرین بروزرسانی : 6 سال پیش بازدید : 23085
معرفی انواع جک های تعمیرگاهی و نحوه و نکات کار با آن ها
آخرین بروزرسانی : 6 سال پیش بازدید : 22904
فیلم آموزشی باز کردن موتور TU3 (موتور 206 تیپ 2)
آخرین بروزرسانی : 7 سال پیش بازدید : 22881
معرفی Hyundai Theta engine ، موتور استفاده شده کیا و هیوندای در توسان ، اسپوتیج ، اپتیما ، سوناتا و ...
آخرین بروزرسانی : 7 سال پیش بازدید : 22805
معرفی و آشنایی گیربکس اتوماتیک(مزدا یدک)
آخرین بروزرسانی : 9 سال پیش بازدید : 22764
آموزش تعویض چراغ عقب سوزوکی گرند ویتارا
آخرین بروزرسانی : 9 سال پیش بازدید : 22681
معرفی نقد و بررسی تویوتا آریون (TOYOTA Aurion)
آخرین بروزرسانی : 7 سال پیش بازدید : 22494
تعمیرات ایسیو زیمنس بایفیول
آخرین بروزرسانی : 7 سال پیش بازدید : 22461
آموزش نصب کروز کنترل جک S5
آخرین بروزرسانی : 9 سال پیش بازدید : 22449
تقویت کاربراتور در مقابل سیستم تزریق الکترونیکی
آخرین بروزرسانی : 6 سال پیش بازدید : 22305
آموزش سرویس و عیب یابی برق تویوتا/لکسوس
آخرین بروزرسانی : 7 سال پیش بازدید : 22269
مروری برعملکرد ECU ، سنسورها و عملگرها ، استاندارد OBD-II و ریمپ ایسیو
آخرین بروزرسانی : 7 سال پیش بازدید : 22150
آموزش بازدید و تعویض دیسک و لنت ترمز تویوتا کمری (2006 تا 2015)
آخرین بروزرسانی : 6 سال پیش بازدید : 22129
معرفی اجزاء و انواع عملگرها در سیستم انژکتوری خودرو
آخرین بروزرسانی : 9 سال پیش بازدید : 22090
کوروش منصوری،مهاجری از چالوس ، سلطان دنیای تیونینگ خودرو
آخرین بروزرسانی : 7 سال پیش بازدید : 22076
آموزش تعویض لامپ های چراغ جلو مزدا۳
آخرین بروزرسانی : 10 سال پیش بازدید : 22031
شرح دیود و آلترناتور در سیستم های الکتریکی خودرو
آخرین بروزرسانی : 9 سال پیش بازدید : 21983
فرهنگ لغات فارسی اصطلاحات خودرو
آخرین بروزرسانی : 9 سال پیش بازدید : 21813
آموزش سرویس ، تعویض و تنظیم تورشن بار رونیز
آخرین بروزرسانی : 7 سال پیش بازدید : 21747
سیستم کنترل فشار باد تایر و انواع آن
آخرین بروزرسانی : 8 سال پیش بازدید : 21739
آموزش تعویض فیلتر هوای موتور مزدا3
آخرین بروزرسانی : 10 سال پیش بازدید : 21620
تزریق آب به محفظه احتراق موتور (water injection or anti-detonant injection (ADI
آخرین بروزرسانی : 7 سال پیش بازدید : 21584
آموزش سرویس دریچه گاز و استپر ریو
آخرین بروزرسانی : 5 سال پیش بازدید : 21398
آموزش تعویض کمک فنر جلو نیسان رونیز
آخرین بروزرسانی : 7 سال پیش بازدید : 21394
مقایسه 8 سدان متوسط 4 سیلندر کلاس D (سدان متوسط خانوادگی) تویوتا کمری ، مزدا 6 ، هوندا آکورد ، هیوندای سونوتا ، سوبارو لگاسی ، کیا اپتیما ، نیسان آلتیما ، فولکس واگن پاسات از Auto Guide
آخرین بروزرسانی : 10 سال پیش بازدید : 21276
اهمیت سیستم تصفیه هواکش موتور خودرو در روغن سوزی موتور
آخرین بروزرسانی : 7 سال پیش بازدید : 21150
آموزش نحوه نصب باربند بر روی خودروی مزدا۳
آخرین بروزرسانی : 2026 سال پیش بازدید : 21064
آیرودینامیک در خودرو
آخرین بروزرسانی : 7 سال پیش بازدید : 21058
نمایش تفاوت عملکرد 206rc با استفاده از سیستم ESP/ASR و بدون آن
آخرین بروزرسانی : 6 سال پیش بازدید : 21034
نقد ، بررسی و مقایسه رانا و تندر 90 در ایران
آخرین بروزرسانی : 10 سال پیش بازدید : 20973
از بنز آقای هاشمی تا پژو آقای جنتی
آخرین بروزرسانی : 8 سال پیش بازدید : 20906
مروری بر مشخصات فنی موتور پژو 2008
آخرین بروزرسانی : 8 سال پیش بازدید : 20846
معرفی و آموزش تعویض میکروکنترلر ECU خودرو
آخرین بروزرسانی : 6 سال پیش بازدید : 20814
آموزش مکانیک خودرو : آشنایی با اصول کارکرد موتورهای احتراق داخلی و اجزاء آن
آخرین بروزرسانی : 7 سال پیش بازدید : 20773
نقد و بررسی رنو سفران
آخرین بروزرسانی : 9 سال پیش بازدید : 20626
آموزش سوپرویژن Jac J5 برای روشن ماندن نور پشت آمپر هنگام روشن بودن خودرو
آخرین بروزرسانی : 2026 سال پیش بازدید : 20612
آموزش بازدید مجموعه کمک فنر و تعلیق خودرو
آخرین بروزرسانی : 7 سال پیش بازدید : 20479
آموزش مکانیک خودرو : اندازه گیری با ابزار دقیق (کولیس و میکرومتر)
آخرین بروزرسانی : 7 سال پیش بازدید : 20382
راهنمای الکتریک H30 Cross امدادخودرو
آخرین بروزرسانی : 8 سال پیش بازدید : 20377
موارد مهم برای کم شدن مصرف سوخت خودرو
آخرین بروزرسانی : 6 سال پیش بازدید : 20319
فیلم آموزشی عیب یابی ، تعمیرات و باز و بست گیربکس پیکان
آخرین بروزرسانی : 6 سال پیش بازدید : 20290
معرفی مشخصات و امکانات و تست BMW i8 به همراه فیلم های نقد و بررسی
آخرین بروزرسانی : 10 سال پیش بازدید : 20258
آموزش مکانیک خودرو : سیستم جرقه زنی
آخرین بروزرسانی : 6 سال پیش بازدید : 20113
تایرهای بدون باد آینده + فیلم تست و مقایسه و نحوه تولید
آخرین بروزرسانی : 6 سال پیش بازدید : 20079
نقد و بررسی تخصصی کیا اپتیما جدید در ایران
آخرین بروزرسانی : 7 سال پیش بازدید : 20038
مقایسه تویوتا یاریس و سایپا تیبا
آخرین بروزرسانی : 7 سال پیش بازدید : 19796
آموزش دمونتاژ و مونتاژ IC خرچنگی از برد ECU
آخرین بروزرسانی : 6 سال پیش بازدید : 19748
آموزش نصب فیلتر هوای کابین سوزوکی گرند ویتارا
آخرین بروزرسانی : 10 سال پیش بازدید : 19702
شرح عملکرد سیستم تهویه مطبوع خودرو
آخرین بروزرسانی : 7 سال پیش بازدید : 19679
آشنایی با سیستم های سوخت رسانی کاربراتوری و انژکتوری
آخرین بروزرسانی : 6 سال پیش بازدید : 19383
آموزش تعویض کمپرسور کولر مزدا3
آخرین بروزرسانی : 9 سال پیش بازدید : 19315
فیلم آموزش بازکردن ، عیب یابی و بستن گیربکس F۲۵MR مزدا۳۲۳ + مستندات اورهال
آخرین بروزرسانی : 7 سال پیش بازدید : 19257
تعمیر اساسی موتور 4A-F تویوتا
آخرین بروزرسانی : 7 سال پیش بازدید : 19120
راه حل هیبرید استفاده شده در هیوندای سوناتا هیبریدی
آخرین بروزرسانی : 7 سال پیش بازدید : 18877
سیستم تعلیق خودرو چگونه کار می کند؟
آخرین بروزرسانی : 2026 سال پیش بازدید : 18654
تعمیرات و مشخصات IC مولتی در ECU ساژم S2000
آخرین بروزرسانی : 7 سال پیش بازدید : 18650
معرفی و بررسی لامبورگینی آوانتادور (Lamborghini Aventador) بهمراه تست TopGear
آخرین بروزرسانی : 10 سال پیش بازدید : 18625
پاسخ به شایعات و اشتباهات درباره تویوتا هیبریدی
آخرین بروزرسانی : 7 سال پیش بازدید : 18587
انواع مکانیزم های سیستم تعلیق
آخرین بروزرسانی : 9 سال پیش بازدید : 18564
آموزش تعویض شمع های موتور مزدا۳
آخرین بروزرسانی : 10 سال پیش بازدید : 18477
مقایسه آنرود و آفرود هیوندای ix35 و سوزوکی گرندویتارا
آخرین بروزرسانی : 7 سال پیش بازدید : 18455
معرفی و شرح برخی سیستم های خودرو سنگین دیزل کراز
آخرین بروزرسانی : 6 سال پیش بازدید : 18420
نبردهای گربه های نر ایرانی - F-14 تامکت
آخرین بروزرسانی : 7 سال پیش بازدید : 18368
آموزش هواگیری سیستم ترمز
آخرین بروزرسانی : 6 سال پیش بازدید : 17997
تفاوت فیلترهای روغن اصلی با تقلبی
آخرین بروزرسانی : 10 سال پیش بازدید : 17893
بستن موتور فورد موستانگ شلبی GT500 مدل 2013
آخرین بروزرسانی : 10 سال پیش بازدید : 17867
نگه داری و سرویس صحیح گیربکس اتوماتیک لیفتراک
آخرین بروزرسانی : 7 سال پیش بازدید : 17864
معرفی سوخت E85 پایه اتانول بعنوان سوخت خودرو
آخرین بروزرسانی : 6 سال پیش بازدید : 17666
نقد و بررسی تخصصی و تست فنی پژو 407 در ایران به همراه فیلم های معرفی و ویدئوهای تبلیغاتی Peugeot 407
آخرین بروزرسانی : 10 سال پیش بازدید : 17631
نمونه ای از طراحی اولیه یک خودرو
آخرین بروزرسانی : 6 سال پیش بازدید : 17624
معرفی ابزار دستی و قدرت مورد استفاده در اتومکانیک
آخرین بروزرسانی : 7 سال پیش بازدید : 17535
آموزش بازدید و سرویس ترمز دیسکی جلو نیسان رونیز
آخرین بروزرسانی : 7 سال پیش بازدید : 17459
ویدئو معرفی موتور TCe 120 استفاده شده در رنو کپچر و رنو کلیو
آخرین بروزرسانی : 7 سال پیش بازدید : 17430
معرفی سیستم فرمان هیدرولیک زانتیا
آخرین بروزرسانی : 7 سال پیش بازدید : 17367
نکات جازدن بوش سیلندر موتور بلدوزر
آخرین بروزرسانی : 7 سال پیش بازدید : 17346
آموزش نصب ICفلش 29F400 در ECU بوش 7.4.4 پژو 206
آخرین بروزرسانی : 8 سال پیش بازدید : 17334
نحوه کارکرد سیستم انتقال نیرو به چرخ ها در سیستم 4MATIC مرسدس بنز
آخرین بروزرسانی : 6 سال پیش بازدید : 17326
آموزش نصب دوربین دنده عقب و آنتن GPS
آخرین بروزرسانی : 6 سال پیش بازدید : 17154
فیلم آموزش سرویس و تعویض لنت ترمز جلو مزدا3
آخرین بروزرسانی : 10 سال پیش بازدید : 17084
انتقال قدرت هیدرواستاتیکی و مزایای آن
آخرین بروزرسانی : 7 سال پیش بازدید : 16960
تشریح فناوری های موتور دیزل با فیلم ها و انیمیشن های کوتاه
آخرین بروزرسانی : 7 سال پیش بازدید : 16925
چرخ های شن و برف رو برای خودرو
آخرین بروزرسانی : 7 سال پیش بازدید : 16898
نگاهی به موشک سوخت مایع و پیشرانه آن
آخرین بروزرسانی : 7 سال پیش بازدید : 16865
طراحی چراغ جلو خودرو
آخرین بروزرسانی : 10 سال پیش بازدید : 16778
نقد و بررسی تخصصی میتسوبیشی ASX 2012 در ایران
آخرین بروزرسانی : 10 سال پیش بازدید : 16653
چرخه اتکینسون (Atkinson cycle)
آخرین بروزرسانی : 7 سال پیش بازدید : 16629
لئوپارد ، نسخه مهندسی آلمانی زرهی های سنگین میدان نبرد
آخرین بروزرسانی : 6 سال پیش بازدید : 16607
مبانی سیستم های انتقال قدرت در خودروهای سواری
آخرین بروزرسانی : 9 سال پیش بازدید : 16568
آموزش تست نشتی سیلندر
آخرین بروزرسانی : 6 سال پیش بازدید : 16523
معرفی و تست کاوازاکی نینجا ZX-10R
آخرین بروزرسانی : 7 سال پیش بازدید : 16470
تحلیل و مقایسه پراید با 5 خودروی ارزان هندی + معرفی و مشخصات فنی
آخرین بروزرسانی : 10 سال پیش بازدید : 16456
گزارش راهنمای کارگاه عیب یابی خودرو
آخرین بروزرسانی : 8 سال پیش بازدید : 16334
توضیح مکانیزم عملکرد گیربکس دستی دیفرانسیل عقب
آخرین بروزرسانی : 7 سال پیش بازدید : 16262
پاسخ به 20 سئوال متداول درباره شمع خودرو
آخرین بروزرسانی : 6 سال پیش بازدید : 16139
آشنایی با مبانی پلتفرم خودرو
آخرین بروزرسانی : 8 سال پیش بازدید : 16108
بازسازی موتور 80ساله 8سیلندر وانت فورد
آخرین بروزرسانی : 6 سال پیش بازدید : 15988
نکات آموزشی تایر و لاستیک خودرو
آخرین بروزرسانی : 4 سال پیش بازدید : 15885
جزوه بخش تامین و حفظ فشار سیستم تعلیق و هیدرولیک زانتیا
آخرین بروزرسانی : 9 سال پیش بازدید : 15869
اصول رانندگی حرفه ای و نگهداری از خودرو به زبان ساده
آخرین بروزرسانی : 9 سال پیش بازدید : 15866
کدام اسب بخار؟اسب بخار روی فلایویل در مقابل اسب بخار روی چرخ
آخرین بروزرسانی : 6 سال پیش بازدید : 15710
نقد و بررسی هیوندایی الانترا (Hyundai Elantra) در ایران
آخرین بروزرسانی : 10 سال پیش بازدید : 15704
راهنمای نحوه کار با مولتی متر
آخرین بروزرسانی : 9 سال پیش بازدید : 15650
معرفی فنی سیستم های پیشرفته خودرو توسط مزدا یدک
آخرین بروزرسانی : 7 سال پیش بازدید : 15588
ابزارها و مبانی اندازه گیری در مکانیک خودرو
آخرین بروزرسانی : 7 سال پیش بازدید : 15523
آموزش تعویض فیلتر هوای موتور سوزوکی گرند ویتارا
آخرین بروزرسانی : 10 سال پیش بازدید : 15510
نکات فنی مفید برای مصرف کننده خودرو درباره جانرفتن دنده ها و باطری خودرو
آخرین بروزرسانی : 8 سال پیش بازدید : 15270
مقدمه ای بر کنترل الکترونیکی سوپاپ ها - سیستم زمانبندی سوپاپ متغیر الکترومکانیکی
آخرین بروزرسانی : 5 سال پیش بازدید : 15250
ایمنی تندر90
آخرین بروزرسانی : 6 سال پیش بازدید : 15237
معرفی موتور هیبریدی فرمول 1 مرسدس بنز AMG
آخرین بروزرسانی : 7 سال پیش بازدید : 15225
شتاب میتسوبیشی لنسر 2000 اسب بخاری در دور موتور 12هزار
آخرین بروزرسانی : 10 سال پیش بازدید : 15205
همه چیز راجع به روغن موتور و روانکار موتوری
آخرین بروزرسانی : 9 سال پیش بازدید : 15199
مروری بر تفاوت موتورهای دیزل و بنزینی
آخرین بروزرسانی : 9 سال پیش بازدید : 15155
نرم افزار چندرسانه ای آموزش مبانی برق خودرو سایپایدک
آخرین بروزرسانی : 6 سال پیش بازدید : 15083
سیستم های انژکتوری دیزل بوش
آخرین بروزرسانی : 9 سال پیش بازدید : 15021
معرفی ، نقد و بررسی فوتون ساوانا
آخرین بروزرسانی : 8 سال پیش بازدید : 14823
معرفی ،دلایل و نحوه TakeOff - WheelSpin - BurnOut - PowerSlide - Drift
آخرین بروزرسانی : 10 سال پیش بازدید : 14549
مهم ترین نرم افزارها و کاربرد آن ها درمهندسی مکانیک
آخرین بروزرسانی : 9 سال پیش بازدید : 14509
10 خودروی گران قیمت محافظتی برتر در جهان
آخرین بروزرسانی : 7 سال پیش بازدید : 14503
قدرت میدان مغناطیسی موتور الکتریکی تویوتا پریوس
آخرین بروزرسانی : 7 سال پیش بازدید : 14480
چاپ طرح و لوگو دلخواه روی سطوح فلزی
آخرین بروزرسانی : 7 سال پیش بازدید : 14425
20 دانستنی از آمار و احتمال حوادث رانندگی
آخرین بروزرسانی : 2026 سال پیش بازدید : 14419
معرفی و نمایش عملکرد و نکات توربوشارژر
آخرین بروزرسانی : 6 سال پیش بازدید : 14413
مبانی عملکرد گیربکس اتوماتیک
آخرین بروزرسانی : 7 سال پیش بازدید : 14353
فیلم و دفترچه راهنمای آموزشی مشتری H30 Cross
آخرین بروزرسانی : 6 سال پیش بازدید : 14328
توصیه های تویوتا برای آفرود
آخرین بروزرسانی : 7 سال پیش بازدید : 14319
معرفی و تست هیوندای جنسیس 2015 3.8 و 5 لیتری از autobytel و ONCARS
آخرین بروزرسانی : 2026 سال پیش بازدید : 14287
نقد ، بررسی و مقایسه کیا اپتیما و هیوندایی سوناتا نسل قدیم و جدید از اسب بخار
آخرین بروزرسانی : 7 سال پیش بازدید : 14259
نقد و بررسی 3 نسل اخیر تویوتا کمری در ایران
آخرین بروزرسانی : 6 سال پیش بازدید : 14187
مبانی آداب تعمیرکار خودرو و نحوه خدمات دهی مطلوب به مشتری
آخرین بروزرسانی : 6 سال پیش بازدید : 14055
آموزش دریفت
آخرین بروزرسانی : 6 سال پیش بازدید : 14007
نصب و آزمایش NOS
آخرین بروزرسانی : 7 سال پیش بازدید : 13801
فناوری موتور های ضریب متغیر تراکم اینفینیتی
آخرین بروزرسانی : 7 سال پیش بازدید : 13792
تشریح انتقال قدرت eCVT تویوتا هیبرید
آخرین بروزرسانی : 6 سال پیش بازدید : 13727
نقد و بررسی تخصصی کیا سورنتو جدید در ایران + مراسم رونمایی و معرفی مدل 2015
آخرین بروزرسانی : 10 سال پیش بازدید : 13701
تاریخچه نیسان GT-R
آخرین بروزرسانی : 7 سال پیش بازدید : 13699
پروژه ایجاد و طراحی صنایع کوچک ، طرح توجیهی تولید سیستم کنترل الکتریکی خودرو
آخرین بروزرسانی : 9 سال پیش بازدید : 13631
آشنایی با ترمزهای هوشمند ESP و EBD
آخرین بروزرسانی : 6 سال پیش بازدید : 13617
معرفی سیستم مدار تامین و حفظ فشار در سیتروئن زانتیا
آخرین بروزرسانی : 7 سال پیش بازدید : 13613
معرفی لکسوس LFA و تست درگ آن به نیسان GT-R
آخرین بروزرسانی : 2026 سال پیش بازدید : 13594
نصب تزریق خشک نیتروس اکساید روی موتورسیکلت 4 سیلندر Suzuki GSXR-1000
آخرین بروزرسانی : 6 سال پیش بازدید : 13587
مروری بر فناوری های تویوتا برای افزایش راندمان پیشرانه خودرو
آخرین بروزرسانی : 9 سال پیش بازدید : 13526
معرفی و نقد و بررسی لکسوس GS250 F-Sport
آخرین بروزرسانی : 6 سال پیش بازدید : 13509
آشنایی با نقاط کور رانندگی در خودرو
آخرین بروزرسانی : 10 سال پیش بازدید : 13466
شرح سیستم فرمان پرقدرت
آخرین بروزرسانی : 7 سال پیش بازدید : 13445
پیشرانه هسته ای
آخرین بروزرسانی : 7 سال پیش بازدید : 13384
فیلم مستند لامبورگینی آونتادور از National Geographic
آخرین بروزرسانی : 7 سال پیش بازدید : 13177
طراحی و ساخت موتورهای NASCAR
آخرین بروزرسانی : 2026 سال پیش بازدید : 13159
تست تصادف و مشخصات ایمنی جک J3
آخرین بروزرسانی : 11 سال پیش بازدید : 13141
انواع نقش آج تایر خودرو
آخرین بروزرسانی : 7 سال پیش بازدید : 13135
فیلم سیاه و سفید و قدیمی آشنایی با دیفرانسیل از شورولت موتورز
آخرین بروزرسانی : 6 سال پیش بازدید : 13082
آزمایش میزان تاثیر کم کردن وزن در شتاب خودرو
آخرین بروزرسانی : 9 سال پیش بازدید : 13037
مروری بر گیربکس و انواع آن در خودرو
آخرین بروزرسانی : 9 سال پیش بازدید : 12944
معرفی و نکاتی درباره پولیفت یا جرثقیل زنجیری (Lever Hoist)
آخرین بروزرسانی : 7 سال پیش بازدید : 12840
عوامل موثر بر صدای لنت اتومبیل و راههای حذف صدا
آخرین بروزرسانی : 9 سال پیش بازدید : 12832
آشنایی با عملکرد گیربکس دابل کلاچ 6 سرعته BYD
آخرین بروزرسانی : 6 سال پیش بازدید : 12802
Peugeot 504 pick-up 4x4
آخرین بروزرسانی : 7 سال پیش بازدید : 12792
آموزش معرفی و تعمیر سیستم ترمز ABS
آخرین بروزرسانی : 6 سال پیش بازدید : 12788
تکنولوژی جدید توقف خودرو برای ایست های بازرسی ((Vehicle Lightweight Arresting Device (VLAD)
آخرین بروزرسانی : 7 سال پیش بازدید : 12779
توربوشارژرهای الکتریکی
آخرین بروزرسانی : 9 سال پیش بازدید : 12617
معرفی ، نقد و بررسی تویوتا RAV4 و هیوندای Santafe در اسب بخار + جدول کامل مقایسه
آخرین بروزرسانی : 2026 سال پیش بازدید : 12603
بوگاتی ویرون را بشناسید
آخرین بروزرسانی : 7 سال پیش بازدید : 12318
معرفی کوتاه انواع مبردها و معرفی مبرد R134a
آخرین بروزرسانی : 9 سال پیش بازدید : 12288
40% کاهش فاصله توقف با ترمزهای خلائی Torricelli
آخرین بروزرسانی : 6 سال پیش بازدید : 12251
خودروی پیل سوختی چگونه کار می‌کند؟
آخرین بروزرسانی : 8 سال پیش بازدید : 12209
تکنولوژی کاپوت شفاف لندروور (Transparent Hood)
آخرین بروزرسانی : 7 سال پیش بازدید : 12198
آموزش استفاده از اسیلوسکوپ در تعمیرات برق خودرو
آخرین بروزرسانی : 5 سال پیش بازدید : 12131
مقایسه شتاب لکسوس LFA و لامبورگینی آوانتادور و مک لارن mp4-12c و بوگاتی ویرون
آخرین بروزرسانی : 2026 سال پیش بازدید : 12092
نگاهی به اویل پمپ دوطبقه در موتور بلدوزر155کوماتسو
آخرین بروزرسانی : 7 سال پیش بازدید : 12069
انواع و عملکرد چند نمونه متداول از پمپ های هیدرولیک
آخرین بروزرسانی : 7 سال پیش بازدید : 12039
آزمایش رانندگی با سمند توسط نشریه بریتانیایی کار مگزین
آخرین بروزرسانی : 7 سال پیش بازدید : 12025
دیزل از بدو تولید تا فناوری های نوین
آخرین بروزرسانی : 10 سال پیش بازدید : 11985
تفاوت تایرهای مخصوص مسابقه و تایرهای خیابانی
آخرین بروزرسانی : 6 سال پیش بازدید : 11893
نقد و بررسی و مشخصات فنی مازراتی گرن توریسمو
آخرین بروزرسانی : 7 سال پیش بازدید : 11862
درگ بین مرسدس بنز E250 و BMW 528
آخرین بروزرسانی : 9 سال پیش بازدید : 11557
آموزش محیط کار و طراحی قطعات با CATIA v5
آخرین بروزرسانی : 6 سال پیش بازدید : 11535
نمایش مراحل و چگونگی طراحی کانسپت LF-SA از زبان طراح لکسوس
آخرین بروزرسانی : 10 سال پیش بازدید : 11499
معرفی و بررسی Mercedes-Benz CLS63 AMG S 4MATIC توسط Drag Times
آخرین بروزرسانی : 2026 سال پیش بازدید : 11407
تست کامل و مقایسه Head2Head شورولت کامارو Z28 2014 در مقابل نیسان 2014 GTR
آخرین بروزرسانی : 2026 سال پیش بازدید : 11398
چرا باید از CNG به جای LPG استفاده کنیم؟
آخرین بروزرسانی : 5 سال پیش بازدید : 11393
همه چیزهایی که باید درباره BMW سری 1 جدید (2015) بدانید
آخرین بروزرسانی : 2026 سال پیش بازدید : 11312
Golf Mk2 AWD با قدرت 1150 hp و 100 تا 200 سه و نیم ثانیه ای
آخرین بروزرسانی : 9 سال پیش بازدید : 11224
راه حل های هیبرید استفاده شده توسط تویوتا، سوزوکی ، نیسان ، هوندا و هیوندای
آخرین بروزرسانی : 6 سال پیش بازدید : 11186
روش بی کد کردن ایسیوهای چینی
آخرین بروزرسانی : 5 سال پیش بازدید : 11169
تست رانندگی و نقد و بررسی کامل BMW X1 توسط Car and Driver
آخرین بروزرسانی : 10 سال پیش بازدید : 11153
تفاوت عملکرد توقف و شتابگیری خودرو با لاستیک زمستانی و تابستانی
آخرین بروزرسانی : 6 سال پیش بازدید : 11152
معرفی ، نقد و بررسی آئودی Q5
آخرین بروزرسانی : 6 سال پیش بازدید : 11093
RacingLine سریعترین روش گذر از پیچ در مسابقات
آخرین بروزرسانی : 10 سال پیش بازدید : 11082
ترمزگیری صحیح در مسابقات رانندگی
آخرین بروزرسانی : 7 سال پیش بازدید : 11071
معرفی BMW M4 GTS
آخرین بروزرسانی : 7 سال پیش بازدید : 11049
کاتالوگ رسمی پژو 508 ایکاپ
آخرین بروزرسانی : 8 سال پیش بازدید : 10979
انواع سنسورها
آخرین بروزرسانی : 5 سال پیش بازدید : 10768
رقابت HUMMER H1 و تانک لئوپارد
آخرین بروزرسانی : 6 سال پیش بازدید : 10751
تسلا موتورز ، پیشتاز خودروهای الکتریکی امروز
آخرین بروزرسانی : 7 سال پیش بازدید : 10665
آشنایی با سیستم ترمز EBD
آخرین بروزرسانی : 8 سال پیش بازدید : 10639
طرح ملی سامانه های هوشمند عبور و مرور جاده ای و ثبت تخلفات ITS
آخرین بروزرسانی : 8 سال پیش بازدید : 10595
کاربرد شبکه در خودرو
آخرین بروزرسانی : 5 سال پیش بازدید : 10554
مقایسه پورشه 911 و نیسان GT-R
آخرین بروزرسانی : 10 سال پیش بازدید : 10535
سنسور باران چیست و چگونه کار می‌کند؟
آخرین بروزرسانی : 7 سال پیش بازدید : 10528
نقد و بررسی و مقایسه Head2Head فورد موستانگ شلبی GT350R و شورولت کامارو Z28
آخرین بروزرسانی : 10 سال پیش بازدید : 10433
معرفی و آموزش کار با ابزار مخصوص پمپ های پیستونی لینده آلمان برای درآوردن بیرینگ سر شافت اصلی پمپ هیدرولیک
آخرین بروزرسانی : 7 سال پیش بازدید : 10423
مقدمه ای بر آیرودینامیک خودرو
آخرین بروزرسانی : 9 سال پیش بازدید : 10420
معرفی موتور فرمول 1 رنو
آخرین بروزرسانی : 7 سال پیش بازدید : 10336
مجموعه ویدیوها و مستندات آموزشی گیربکس اتوماتیک AL4
آخرین بروزرسانی : 5 سال پیش بازدید : 10303
تست سرعت بوگاتی ویرون و مک لارن F1 در Top Gear
آخرین بروزرسانی : 2026 سال پیش بازدید : 10284
کنترل خشم در رانندگی
آخرین بروزرسانی : 9 سال پیش بازدید : 10272
فیلم و دفترچه راهنمای آموزشی مشتری هایما S7
آخرین بروزرسانی : 6 سال پیش بازدید : 10216
آموزش تعویض روغن و فلیتر روغن مزدا3
آخرین بروزرسانی : 9 سال پیش بازدید : 10125
معرفی و بررسی فنی نیسان GT-R از Top Gear
آخرین بروزرسانی : 10 سال پیش بازدید : 9966
راهنمای آموزشی آشنایی با الکتریسیته و الکترونیک آسان موتور
آخرین بروزرسانی : 7 سال پیش بازدید : 9857
آموزش پروژه طراحی خودرو کارتینگ در CATIA v5
آخرین بروزرسانی : 6 سال پیش بازدید : 9849
آشنایی با سیستم های ایمنی فعال و سیستم های کمکی ترمز
آخرین بروزرسانی : 9 سال پیش بازدید : 9843
معرفی و تست سیستم راننده خودکار تسلا
آخرین بروزرسانی : 7 سال پیش بازدید : 9705
عیب یابی خودرو از روی صدا بوسیله گوشی صوت سنج
آخرین بروزرسانی : 6 سال پیش بازدید : 9588
سریع ترین سدان 4در دیفرانسیل عقب 2015
آخرین بروزرسانی : 10 سال پیش بازدید : 9469
عیوب شمع و دلایل آن ها
آخرین بروزرسانی : 6 سال پیش بازدید : 9458
آشنایی با سیستم HAC و DAC
آخرین بروزرسانی : 8 سال پیش بازدید : 9407
بازسازی و تقویت دایهاتسو سیریون
آخرین بروزرسانی : 6 سال پیش بازدید : 9343
مدلسازی BMW i8 در AutoDesk Maya 2013
آخرین بروزرسانی : 6 سال پیش بازدید : 9342
معرفی و مشخصات پژو 508 ایکاپ
آخرین بروزرسانی : 8 سال پیش بازدید : 9339
معرفی خودروهای پرنده موجود
آخرین بروزرسانی : 9 سال پیش بازدید : 9338
معرفی عملکرد و تعمیر پمپ هیدرولیک ترمز
آخرین بروزرسانی : 5 سال پیش بازدید : 9274
مقایسه Mercedes C63 AMG و BMW M3
آخرین بروزرسانی : 7 سال پیش بازدید : 9261
بهبود ضریب درگ (آیرودینامیک) مزدا3 هاچ بک
آخرین بروزرسانی : 7 سال پیش بازدید : 9181
تقابل BMW M4 در مقابل لکسوس RC-F در Fifth Gear
آخرین بروزرسانی : 10 سال پیش بازدید : 9121
آشنایی با سیستم OBD و نحوه عملکرد آن
آخرین بروزرسانی : 5 سال پیش بازدید : 9017
معرفی و بررسی خودروهای لوکس ، گرانقیمت و سریع دنیای امروز
آخرین بروزرسانی : 2026 سال پیش بازدید : 8943
توزیع و انتقال وزن در خودرو
آخرین بروزرسانی : 6 سال پیش بازدید : 8905
آموزش مدلسازی و طراحی قطعات با Autodesk Inventor 2018
آخرین بروزرسانی : 6 سال پیش بازدید : 8850
معرفی و تست Ferrari F12berlinetta
آخرین بروزرسانی : 7 سال پیش بازدید : 8831
فیلم و دفترچه راهنمای آموزشی مشتری رانا
آخرین بروزرسانی : 6 سال پیش بازدید : 8809
بررسی و مقایسه تسلا S و مرسدس بنز S550
آخرین بروزرسانی : 7 سال پیش بازدید : 8790
فیلم و کتاب کارگاه انتقال قدرت، تعمیر جعبه دنده و دیفرانسیل فنی و حرفه ای + توضیح سیستم ترمز دستی و تعلیق پژو ۲۰۶
آخرین بروزرسانی : 6 سال پیش بازدید : 8708
معرفی و آزمایش BMW M2 ، میراث اسطوره بی.ام.دبلیو
آخرین بروزرسانی : 7 سال پیش بازدید : 8687
آموزش SOLIDWORKS 2018
آخرین بروزرسانی : 6 سال پیش بازدید : 8601
ارتباطات هوشمند خودرویی
آخرین بروزرسانی : 8 سال پیش بازدید : 8598
مفاهیم و تعاریف خودروهای برقی
آخرین بروزرسانی : 5 سال پیش بازدید : 8592
نقد ، بررسی و مقایسه Mitsubishi EVO FQ 400 و Nissan GTR از دنده 5
آخرین بروزرسانی : 2026 سال پیش بازدید : 8539
مقایسه موستانگ قدیم و جدید در TopGear جدید
آخرین بروزرسانی : 9 سال پیش بازدید : 8406
کامپیوترهای مکانیکی کنترل آتش
آخرین بروزرسانی : 7 سال پیش بازدید : 8329
آموزش گام به گام طراحی 3بعدی خودرو در Blender
آخرین بروزرسانی : 6 سال پیش بازدید : 8033
آموزش سریع و کاربردی Autodesk Inventor 2018
آخرین بروزرسانی : 6 سال پیش بازدید : 7988
مراحل طراحی و ساخت خودرو
آخرین بروزرسانی : 6 سال پیش بازدید : 7951
سیستم سوخت رسانی GDI
آخرین بروزرسانی : 5 سال پیش بازدید : 7904
آموزش یادگیری عمیق ، شبکه های عصبی و پردازش تصویر برای خودروهای خودران
آخرین بروزرسانی : 6 سال پیش بازدید : 7727
آموزش طراحی خودرو در فتوشاپ
آخرین بروزرسانی : 6 سال پیش بازدید : 7657
فیلم آموزشی و کتاب تکنولوژی انتقال قدرت
آخرین بروزرسانی : 6 سال پیش بازدید : 7494
آموزش طراحی دوبعدی و سه بعدی در SolidWorks
آخرین بروزرسانی : 6 سال پیش بازدید : 7464
آموزش کاربردی طراحی قطعات الکترو-مکانیکال با SOLIDWORKS - طراحی کوادکوپتر
آخرین بروزرسانی : 6 سال پیش بازدید : 7214
آموزش ترمیم صندلی چرمی خودرو
آخرین بروزرسانی : 6 سال پیش بازدید : 7077
معرفی و نحوه استفاده از رفرکتومتر برای سنجس مایعات خودرو
آخرین بروزرسانی : 6 سال پیش بازدید : 7055
فیلم آموزشی دمونتاژ و مونتاژ گیربکس پژو RD طرح نیرو محرکه
آخرین بروزرسانی : 6 سال پیش بازدید : 6800
آموزش مقدمات مدل‌ سازی و تحلیل با ANSYS
آخرین بروزرسانی : 6 سال پیش بازدید : 6781
سومین نسل تویوتا سنچری در نمایشگاه توکیو
آخرین بروزرسانی : 8 سال پیش بازدید : 6646
معرفی و آموزش کار با دستگاه ساکشن روغن
آخرین بروزرسانی : 6 سال پیش بازدید : 6601
سیستم ARP در خودروها به چه معناست؟
آخرین بروزرسانی : 8 سال پیش بازدید : 6568
اندازه گیری و مقایسه پارامترهای آلایندگی دود اگزوز و عملکرد در خودرو پراید مجهز به هدرز و بدون آن
آخرین بروزرسانی : 7 سال پیش بازدید : 6061
راهنمای درجه بندی روغن موتور
آخرین بروزرسانی : 6 سال پیش بازدید : 6061
آموزش گام به گام Autodesk Inventor 2017
آخرین بروزرسانی : 6 سال پیش بازدید : 5949
دوره آموزشی خودروهای خودران
آخرین بروزرسانی : 6 سال پیش بازدید : 5910
آموزش تکنیک های حرفه ای طراحی در SOLIDWORKS
آخرین بروزرسانی : 6 سال پیش بازدید : 5701
2019 Toyota New Engine and CVT Transmission for 2.0-liter Class Based on TNGA
آخرین بروزرسانی : 7 سال پیش بازدید : 5292
آموزش مهندسی خودروهای خودران
آخرین بروزرسانی : 6 سال پیش بازدید : 5054
Toyota Builds Open-Source Car-Hacking Tool : PASTA (Portable Automotive Security Testbed)
آخرین بروزرسانی : 7 سال پیش بازدید : 4946
چاپ 3بعدی قطعات فلزی با تکنولوژی direct metal laser sintering (DMLS)
آخرین بروزرسانی : 7 سال پیش بازدید : 4689
آشنایی با کیسه هوا خودرو (Airbag)
آخرین بروزرسانی : 6 سال پیش بازدید : 4542
خودروهای خودران در 2018 و چشم انداز در 2019
آخرین بروزرسانی : 6 سال پیش بازدید : 4033
محمود خیامی که بود؟
آخرین بروزرسانی : 4 سال پیش بازدید : 3788

مستندات فنی

عنوان مطالب ، مرتب شده براساس جدیدترین
سنسور های خودرو
1 ماه پیش 2.63 مگابایت نوع : pdf بازدید : 393 منتشرکننده : فردین گردی
جانمایی فیوزها و رله های خودرو ری را
6 ماه پیش 0.53 مگابایت نوع : pdf بازدید : 1343 منتشرکننده : رستگاری
نقشه ایسیو سقا (SAGHA) دنا EF7
6 ماه پیش 1.6 مگابایت نوع : pdf بازدید : 1558 منتشرکننده : رستگاری
راهنمای باز و بست و جانمایی دسته سیمهای خودرو تارا
7 ماه پیش 1.8 مگابایت نوع : pdf بازدید : 1004 منتشرکننده : رضا
نکات کلیدی گیربکس اتوماتیک تارا
7 ماه پیش 2.82 مگابایت نوع : pdf بازدید : 1005 منتشرکننده : رضا
راهنمای باز و بست گیربکس اتوماتیک تارا
7 ماه پیش 3.35 مگابایت نوع : pdf بازدید : 1129 منتشرکننده : رضا
جزوه روشن نشدن خودرو از سایت دکتر مکانیک
9 ماه پیش 11.79 مگابایت نوع : pdf بازدید : 1751 منتشرکننده : yhxyhxc
دوره دزگیر فن اموزان
9 ماه پیش 1.19 مگابایت نوع : pdf بازدید : 1537 منتشرکننده : yhxyhxc
دوره سیستم صوتی فن اموزان
9 ماه پیش 2.62 مگابایت نوع : pdf بازدید : 1446 منتشرکننده : yhxyhxc
جزوه دوره سیم کشی دکتر مکانیک
9 ماه پیش 11.79 مگابایت نوع : pdf بازدید : 2768 منتشرکننده : [email protected]
دستورالعمل عیب یابی دریچه گاز و پدال گاز الکترونیکی
10 ماه پیش 0.53 مگابایت نوع : pdf بازدید : 2244 منتشرکننده : رستگاری
دستورالعمل عیب یابی خطای multiplicative mixture دنا و سورن
10 ماه پیش 0.49 مگابایت نوع : pdf بازدید : 1125 منتشرکننده : رستگاری
جزوه ایمنی تعمیرات در خودروهای برقی مدیران خودرو
10 ماه پیش 2.81 مگابایت نوع : pdf بازدید : 1039 منتشرکننده : رستگاری
استفاده از کامپوزیت در خودرو ها
10 ماه پیش 0.47 مگابایت نوع : pdf بازدید : 1000 منتشرکننده : حارث
تعویض ledهای ۲۰۶
10 ماه پیش 4.22 مگابایت نوع : pdf بازدید : 1141 منتشرکننده : [email protected]
جزوه کاراموزی موتور سایپا
10 ماه پیش 0.36 مگابایت نوع : pdf بازدید : 1576 منتشرکننده : [email protected]
جعبه فیوز های ایرانخودرو و سایپا
10 ماه پیش 2.07 مگابایت نوع : pdf بازدید : 3859 منتشرکننده : [email protected]
مالتی پلکس سمند و سورن
10 ماه پیش 1.25 مگابایت نوع : pdf بازدید : 1414 منتشرکننده : [email protected]
دور موتور در دور آرام بالاست
10 ماه پیش 0.59 مگابایت نوع : pdf بازدید : 1413 منتشرکننده : [email protected]
معرفی موتور پراید b3
10 ماه پیش 2.97 مگابایت نوع : pdf بازدید : 1609 منتشرکننده : [email protected]
دلایل داغ شدن موتور
10 ماه پیش 1.1 مگابایت نوع : pdf بازدید : 1382 منتشرکننده : [email protected]
اصلاحات فنی موتور
10 ماه پیش 0.65 مگابایت نوع : pdf بازدید : 1353 منتشرکننده : [email protected]
عیب یابی با دود اگزوز
10 ماه پیش 0.56 مگابایت نوع : pdf بازدید : 1465 منتشرکننده : [email protected]
دیکشنری اصلاحات خودرو
10 ماه پیش 0.51 مگابایت نوع : pdf بازدید : 1364 منتشرکننده : [email protected]
سیستم ترمز ESP 2
10 ماه پیش 9.23 مگابایت نوع : pdf بازدید : 1272 منتشرکننده : [email protected]
معرفی ترمز های هوشمندesp
10 ماه پیش 0.99 مگابایت نوع : pdf بازدید : 984 منتشرکننده : [email protected]
کتاب راهنمای تعمیرات و سرویس ترمز absایرانخودرو
10 ماه پیش 8.99 مگابایت نوع : pdf بازدید : 1214 منتشرکننده : [email protected]
جدول روغن گیربکس های هیوندایی
10 ماه پیش 0.08 مگابایت نوع : pdf بازدید : 1097 منتشرکننده : [email protected]
انواع سیستم ترمز پیشرفته الکترونیکی امداد خودرو
10 ماه پیش 1.46 مگابایت نوع : pdf بازدید : 856 منتشرکننده : [email protected]
تفاوت سوپر شارژ و توربوشارژر
10 ماه پیش 1.84 مگابایت نوع : pdf بازدید : 1016 منتشرکننده : [email protected]
جدول عیب یابی ترمز abs
10 ماه پیش 0.88 مگابایت نوع : pdf بازدید : 1679 منتشرکننده : [email protected]
سرویس عیب یابی ترمز پراید
10 ماه پیش 0.51 مگابایت نوع : pdf بازدید : 1272 منتشرکننده : [email protected]
جزوه آشنایی با توری فرمان‌های پرقدرت هیدرولیکی و برقی
10 ماه پیش 2.13 مگابایت نوع : pdf بازدید : 1005 منتشرکننده : [email protected]
جزوه دوره تعمیرات ایسیو فرشاد حسین پور
10 ماه پیش 5.01 مگابایت نوع : pdf بازدید : 1450 منتشرکننده : [email protected]
دانستنی های تعویض روغن موتور خودرو
10 ماه پیش 2.09 مگابایت نوع : pdf بازدید : 1238 منتشرکننده : [email protected]
کنترل الکترونیکی سوپاپها
10 ماه پیش 1.01 مگابایت نوع : pdf بازدید : 955 منتشرکننده : [email protected]
پین اوت ایسیو چادگان ایدو
10 ماه پیش 1.27 مگابایت نوع : pdf بازدید : 751 منتشرکننده : [email protected]
تعریف کلید تمامی خودرو های هیوندا کیا
10 ماه پیش 2.25 مگابایت نوع : pdf بازدید : 1144 منتشرکننده : [email protected]
اصلاح کیلومتر از طریق پروتوکل mbus
10 ماه پیش 5.09 مگابایت نوع : pdf بازدید : 1092 منتشرکننده : [email protected]
پین اوت bsiدر خودروc5
10 ماه پیش 3.99 مگابایت نوع : pdf بازدید : 954 منتشرکننده : [email protected]
نقشه فارسی سیستم کنترل پایداری esp
10 ماه پیش 1.09 مگابایت نوع : pdf بازدید : 1646 منتشرکننده : [email protected]
جزوه دوره تخصصی برق و انژکتور مگان
10 ماه پیش 10.73 مگابایت نوع : pdf بازدید : 1018 منتشرکننده : [email protected]
پین اوت ایسیو دلفی
10 ماه پیش 1.14 مگابایت نوع : pdf بازدید : 2015 منتشرکننده : [email protected]
نقشه کیلس تارا
10 ماه پیش 2.44 مگابایت نوع : pdf بازدید : 1401 منتشرکننده : [email protected]
ریست کردن دستی چراغ چک انواع خودرو۲
10 ماه پیش 2.47 مگابایت نوع : pdf بازدید : 1272 منتشرکننده : [email protected]
کتاب سنسور ها در خودرو های سواری
10 ماه پیش 10.52 مگابایت نوع : pdf بازدید : 2224 منتشرکننده : [email protected]
تست سلامت قطعات الکترونیکی
10 ماه پیش 0.22 مگابایت نوع : pdf بازدید : 1245 منتشرکننده : [email protected]
بررسی و آنالیز پارامترهاي ارائه شده توسط دستگاه پنج گاز و معاینه فنی
10 ماه پیش 0.87 مگابایت نوع : pdf بازدید : 1047 منتشرکننده : [email protected]
راهنمای کار با وینولز
10 ماه پیش 1.35 مگابایت نوع : pdf بازدید : 1472 منتشرکننده : [email protected]
ریست کردن دستی چراغ چک انواع خودرو
10 ماه پیش 2.3 مگابایت نوع : pdf بازدید : 1384 منتشرکننده : [email protected]
پین اوت ایسیو بوش ۷.۹.۷
10 ماه پیش 1.02 مگابایت نوع : pdf بازدید : 2225 منتشرکننده : [email protected]
راهنمای تعمیرات و عیب یابی بدنه پژو 405 ، پارس پژو RD و روآ
10 ماه پیش 27.21 مگابایت نوع : pdf بازدید : 1245 منتشرکننده : امیررضا فرجی
ریمپ ایسیو با دیاگ
10 ماه پیش 8.56 مگابایت نوع : pdf بازدید : 1234 منتشرکننده : [email protected]
اتصالات مختلف در ایسیو های ساژم و زیمنس
10 ماه پیش 0.43 مگابایت نوع : pdf بازدید : 1166 منتشرکننده : [email protected]
جدول دانلود ایسیوها
10 ماه پیش 0.03 مگابایت نوع : pdf بازدید : 968 منتشرکننده : [email protected]
راهنمای دانلود ایسیوها
10 ماه پیش 0.73 مگابایت نوع : pdf بازدید : 933 منتشرکننده : [email protected]
کتاب سنسور های حرارتی
10 ماه پیش 0.96 مگابایت نوع : pdf بازدید : 813 منتشرکننده : [email protected]
اموزش تنطیم چراغ های جلو
10 ماه پیش 5.26 مگابایت نوع : pdf بازدید : 843 منتشرکننده : [email protected]
عیب یابی تخصصی خودروی دوگانه سوز فابریک با ایسیو ساکس ۵۰۰
10 ماه پیش 3.6 مگابایت نوع : pdf بازدید : 842 منتشرکننده : [email protected]
برق انژکتور مالتی پلکس هیوندا کیا
10 ماه پیش 16.98 مگابایت نوع : pdf بازدید : 913 منتشرکننده : [email protected]
تعمیر موتور هیوندا کیا
10 ماه پیش 5.4 مگابایت نوع : pdf بازدید : 735 منتشرکننده : [email protected]
گیربکس اتوماتیک ۴ و۵ سرعته hiviceهیوندا کیا
10 ماه پیش 6.13 مگابایت نوع : pdf بازدید : 1082 منتشرکننده : [email protected]
گیربکس ۶ سرعته هیوندا کیا
10 ماه پیش 7.84 مگابایت نوع : pdf بازدید : 818 منتشرکننده : [email protected]
بالا آمدن ایسیو و عیب یابی ان
10 ماه پیش 23.78 مگابایت نوع : pdf بازدید : 798 منتشرکننده : [email protected]
سیستم های تنظیم ارتفاع هیوندا کیا
10 ماه پیش 5.14 مگابایت نوع : pdf بازدید : 733 منتشرکننده : [email protected]
سیستم اسمارت کی هیوندا کیا
10 ماه پیش 3.67 مگابایت نوع : pdf بازدید : 752 منتشرکننده : [email protected]
ایسیو هایی که باید دامپ مشابه بزنیم
10 ماه پیش 1.52 مگابایت نوع : pdf بازدید : 790 منتشرکننده : [email protected]
چک لیست عیب یابی سیستم انژکتور fai
10 ماه پیش 0.13 مگابایت نوع : pdf بازدید : 879 منتشرکننده : [email protected]
نوسان دور موتور آرام پراید
10 ماه پیش 1.08 مگابایت نوع : pdf بازدید : 753 منتشرکننده : [email protected]
بی کد کردن انواع ایسیو
10 ماه پیش 0.51 مگابایت نوع : pdf بازدید : 885 منتشرکننده : [email protected]
جزوه شناخت سیستم سوخت رسانی سی ان جی cng
10 ماه پیش 16.84 مگابایت نوع : pdf بازدید : 1005 منتشرکننده : [email protected]
اموزش کار با ایسیو کیت
10 ماه پیش 1.16 مگابایت نوع : pdf بازدید : 790 منتشرکننده : [email protected]
جزوه ریمپ کارپلاس
10 ماه پیش 20.48 مگابایت نوع : pdf بازدید : 1519 منتشرکننده : [email protected]
کتاب تعمیر ایسیو جدید
10 ماه پیش 23.35 مگابایت نوع : pdf بازدید : 1364 منتشرکننده : [email protected]
جزوه ریمپ j35
10 ماه پیش 1.07 مگابایت نوع : pdf بازدید : 877 منتشرکننده : [email protected]
جزوه تعمیر ایسیوj34
10 ماه پیش 3.02 مگابایت نوع : pdf بازدید : 888 منتشرکننده : [email protected]
جزوه تعمیر ایسیو والئوvaleo
10 ماه پیش 3.17 مگابایت نوع : pdf بازدید : 918 منتشرکننده : [email protected]
جزوه تعمیر ایسیو دیجی خودرو
10 ماه پیش 24.82 مگابایت نوع : pdf بازدید : 824 منتشرکننده : [email protected]
جداول ایسیو ها
10 ماه پیش 3.71 مگابایت نوع : pdf بازدید : 1197 منتشرکننده : [email protected]
کتاب جامع تعمیر ایسیو
10 ماه پیش 66.85 مگابایت نوع : pdf بازدید : 1177 منتشرکننده : [email protected]
کتاب طراحی اسانسور
10 ماه پیش 10.2 مگابایت نوع : pdf بازدید : 811 منتشرکننده : Najvavgg
محل ذخیره کیلومتر در انواع خودرو
10 ماه پیش 0.25 مگابایت نوع : pdf بازدید : 1003 منتشرکننده : [email protected]
کلیات شبکه مالتی پلکس
10 ماه پیش 6.86 مگابایت نوع : pdf بازدید : 1131 منتشرکننده : [email protected]
تعمیرات جامع پکیج شوفاژگازی علی اکبر نوروزی
10 ماه پیش 32.02 مگابایت نوع : pdf بازدید : 1964 منتشرکننده : [email protected]
اموزش جامع سیستم مالتی پلکس
10 ماه پیش 9.11 مگابایت نوع : pdf بازدید : 1400 منتشرکننده : Davr
ایکس۲۲
10 ماه پیش 5.46 مگابایت نوع : pdf بازدید : 845 منتشرکننده : اشکان
کارگاه ماشین ابزار
10 ماه پیش 13.84 مگابایت نوع : pdf بازدید : 748 منتشرکننده : فنی حرفه ای
جزوه ابزار شناسی
10 ماه پیش 26.38 مگابایت نوع : pdf بازدید : 1436 منتشرکننده : فنی حرفه ای
کتاب اموزش کاربردی میکرو کنترلر های avrخلج منفرد
10 ماه پیش 37.83 مگابایت نوع : pdf بازدید : 1023 منتشرکننده : فنی حرفه ای
تبرید و اصول و روش ها
10 ماه پیش 18.31 مگابایت نوع : pdf بازدید : 781 منتشرکننده : فنی حرفه ای
راهنمای جامع نقشه برق خودرو نگار خودرو
10 ماه پیش 36.05 مگابایت نوع : pdf بازدید : 1518 منتشرکننده : فنی حرفه ای
اموزش تخصص گیربکس al4صمد فلاح گنجه
10 ماه پیش 66.68 مگابایت نوع : pdf بازدید : 895 منتشرکننده : فنی حرفه ای
جزوه یادگیری سریع سیستم سوخت رسانی cng
10 ماه پیش 15.21 مگابایت نوع : pdf بازدید : 1171 منتشرکننده : فنی حرفه ای
جزوه تنظیم موتور تکمیل
10 ماه پیش 1.07 مگابایت نوع : pdf بازدید : 2072 منتشرکننده : فنی حرفه ای
جزوه تنظیم موتور موتور ازما
10 ماه پیش 81.56 مگابایت نوع : pdf بازدید : 1177 منتشرکننده : فنی حرفه ای
جزوه اتومکانیک خودروهای بنزینی درجه ۲ مومنی
10 ماه پیش 2.06 مگابایت نوع : pdf بازدید : 925 منتشرکننده : فنی حرفه ای
کتاب قدم صفر هیدرولیک
10 ماه پیش 32.94 مگابایت نوع : pdf بازدید : 901 منتشرکننده : فنی حرفه ای
جزوه دوره مربی گری بین المللی جوش
10 ماه پیش 12.27 مگابایت نوع : pdf بازدید : 675 منتشرکننده : فنی حرفه ای
جوشکاری قوس الکتریکی فنی حرفه ای
10 ماه پیش 9.23 مگابایت نوع : pdf بازدید : 808 منتشرکننده : فنی حرفه ای
جزوه کارگاه جوشکاری فنی حرفه ای
10 ماه پیش 2.41 مگابایت نوع : pdf بازدید : 1431 منتشرکننده : فنی حرفه ای
کتاب کارگاه جوشکاری کاری و ورق کاری مسعود فکوری
10 ماه پیش 3.51 مگابایت نوع : pdf بازدید : 825 منتشرکننده : فنی حرفه ای
نقشه پایه های رله دوبل سمندef7 موتور ملی دوگانه بدون مالتی بلکس بوش معمولی
11 ماه پیش 11.7 مگابایت نوع : pdf بازدید : 3007 منتشرکننده : امیر حقگو
جزوه کلاسی برق خودرو درجه ۲
11 ماه پیش 7.13 مگابایت نوع : pdf بازدید : 1244 منتشرکننده : فنی حرفه ای
سوالات تعمیر خودرو های بنزینی درجه ۲ فنی حرفه ای
11 ماه پیش 0.77 مگابایت نوع : pdf بازدید : 828 منتشرکننده : فنی حرفه ای
نمونه سوالات آزمون آنلاین تعمیر خودرو بنزینی درجه ۲ فنی حرفه ای
11 ماه پیش 1.83 مگابایت نوع : pdf بازدید : 794 منتشرکننده : فنی حرفه ای
جزوه اموزشی ایساکو سیستم تهویه مطبوع
11 ماه پیش 11.31 مگابایت نوع : pdf بازدید : 1236 منتشرکننده : محمد امین عرب
راهنمای سوخت رسانی و جرقه آریسان 1
11 ماه پیش 1.58 مگابایت نوع : pdf بازدید : 1333 منتشرکننده : محمد امین عرب
آشنایی با موتور چهار زمانه و سیستم های خودرو
11 ماه پیش 10.21 مگابایت نوع : pdf بازدید : 915 منتشرکننده : فنی حرفه ای
منبع اموزش دوره تعمیرکار برق خودرو درجه ۲
11 ماه پیش 31.9 مگابایت نوع : pdf بازدید : 1177 منتشرکننده : فنی حرفه ای
ایرادات شایع خودرو جک
11 ماه پیش 2.78 مگابایت نوع : pdf بازدید : 999 منتشرکننده : اشکان
جزوه سیمولینک سامانی
11 ماه پیش 1.76 مگابایت نوع : pdf بازدید : 848 منتشرکننده : فنی حرفه ای
سوالات برق خودرو درجه ۲ با جواب(قبولی تضمینی )
11 ماه پیش 0.5 مگابایت نوع : pdf بازدید : 1129 منتشرکننده : فنی حرفه ای
سوالات آزمون مکانیک خودرو بنزینی فنی حرفه ای با جواب(قبولی تضمینی )
11 ماه پیش 3.75 مگابایت نوع : pdf بازدید : 1350 منتشرکننده : فنی حرفه ای
جزوه سوخت رسانی گازی بهزاد سامانی
11 ماه پیش 4.39 مگابایت نوع : pdf بازدید : 831 منتشرکننده : فنی حرفه ای
جزوه سیستم های هواپیما
11 ماه پیش 3.4 مگابایت نوع : pdf بازدید : 1251 منتشرکننده : فنی حرفه ای
جزوه مکانیک خودرو درجه 2 تعمیر کار خودرو های بنزینی
11 ماه پیش 25.45 مگابایت نوع : pdf بازدید : 1203 منتشرکننده : فنی حرفه ای
جزوه کاربرد تکنلوژی پیشرفته در خودرو بهزاد سامانی
11 ماه پیش 3.16 مگابایت نوع : pdf بازدید : 925 منتشرکننده : فنی حرفه ای
جزوه راهنمای فنی موتور و گیربکس خودرو تارا دستی (TU5پلاس و BE4-تارا)
11 ماه پیش 6.51 مگابایت نوع : pdf بازدید : 2511 منتشرکننده : رستگاری
ریمپ ایسیو والئو با tnmوwinols
1 سال پیش 3.17 مگابایت نوع : pdf بازدید : 1741 منتشرکننده : اشکان
جزوه عیب یابی نگارخودرو
1 سال پیش 0.24 مگابایت نوع : pdf بازدید : 1968 منتشرکننده : رستگاری
پایداری خودرو
1 سال پیش 3.77 مگابایت نوع : pdf بازدید : 1327 منتشرکننده : حارث
سنسور مپ
1 سال پیش 1.64 مگابایت نوع : pdf بازدید : 1931 منتشرکننده : حارث
پین اوت سوکت ایسیو ساژم و والیو s2000
1 سال پیش 0.07 مگابایت نوع : pdf بازدید : 20051 منتشرکننده : یحیی منصورزاده
راهنمای تعمیرات موتور جدید xu7p پارس و سورن
1 سال پیش 7.66 مگابایت نوع : pdf بازدید : 11997 منتشرکننده : وحید
پین اوت سوکت ایسیو و سنسورهای وانت پیکاپ ژاپنی
1 سال پیش 0.4 مگابایت نوع : pdf بازدید : 3015 منتشرکننده : یحیی منصورزاده
پین اوت BM34 پژو 206 فرانسوی
1 سال پیش 0.12 مگابایت نوع : pdf بازدید : 8559 منتشرکننده : یحیی منصورزاده
Spark plug repair information
1 سال پیش 3.35 مگابایت نوع : pdf بازدید : 1434 منتشرکننده : SImon
پین اوت CEC پژو پارس
1 سال پیش 0.31 مگابایت نوع : pdf بازدید : 6306 منتشرکننده : یحیی منصورزاده
نقشه سیم کشی هوندا 125
1 سال پیش 6.76 مگابایت نوع : pdf بازدید : 32922 منتشرکننده : ناصر خاک زاد
پین اوت کیلومتر پراید بدون شبکه
1 سال پیش 0.12 مگابایت نوع : pdf بازدید : 17698 منتشرکننده : یحیی منصورزاده
آموزش تعویض فلت دسته چراغ 206 فرانسوی
1 سال پیش 0.69 مگابایت نوع : pdf بازدید : 6162 منتشرکننده : یحیی منصورزاده
آشنایی با قطعات و سیستم مدیریت موتور BOSCH ME17.9.71_TU5
1 سال پیش 2.72 مگابایت نوع : pdf بازدید : 2915 منتشرکننده : صابر قپانوری
پین اوت سوکتهای bcm برند کروز نصب شده روی خودردهای ایرانخودرو
2 سال پیش 0.29 مگابایت نوع : pdf بازدید : 13836 منتشرکننده : یحیی منصورزاده
پین اوت فارسی ایسیو و سنسورهای دوو ریسر ،اسپیرو وسیلو
2 سال پیش 0.36 مگابایت نوع : pdf بازدید : 3412 منتشرکننده : یحیی منصورزاده
پین اوت صفحه کیلومتر L90
2 سال پیش 0.31 مگابایت نوع : pdf بازدید : 5705 منتشرکننده : یحیی منصورزاده
ترجمه لیست پیوست قطعات،تجهیزات و دسته سیم های 206 مالتی پلکس فول ماکس فرانسه
2 سال پیش 2.12 مگابایت نوع : pdf بازدید : 2856 منتشرکننده : یاسین داداش پور
ترجمه لیست پیوست قطعات،تجهیزات و کانکتور های رنو ال نود(L90)
2 سال پیش 0.35 مگابایت نوع : pdf بازدید : 2382 منتشرکننده : یاسین داداش پور
ترجمه لیست پیوست قطعات،تجهیزات و کانکتور های رنو ال نود(L90)
2 سال پیش 0.24 مگابایت نوع : pdf بازدید : 2959 منتشرکننده : یاسین داداش پور
جزوه آموزشي سيستم تعليقات خودروي كپچر
2 سال پیش 2.88 مگابایت نوع : pdf بازدید : 2041 منتشرکننده : صابر قپانوری
راهنماي آموزش كپچر سطح B
2 سال پیش 1.71 مگابایت نوع : pdf بازدید : 2121 منتشرکننده : صابر قپانوری
راهنمای توربو شارژ خودرو کپچر
2 سال پیش 0.64 مگابایت نوع : pdf بازدید : 2068 منتشرکننده : صابر قپانوری
آماده سازی و محدوده رنگ سنسور پارک عقب
2 سال پیش 0.24 مگابایت نوع : pdf بازدید : 1892 منتشرکننده : صابر قپانوری
مشخصات روغن گیربکس اتوماتیک رنو کپچر
2 سال پیش 0.19 مگابایت نوع : pdf بازدید : 1944 منتشرکننده : صابر قپانوری
هواگیری سیستم خنک کننده کپچر
2 سال پیش 0.36 مگابایت نوع : pdf بازدید : 3282 منتشرکننده : صابر قپانوری
پین اوت صفحه کیلومتر کروز دو فیش نصب شده روی پژو 405و پیکان
2 سال پیش 0.45 مگابایت نوع : pdf بازدید : 26194 منتشرکننده : یحیی منصورزاده
راهنمای تعویض فلت lcd ساعت 206
2 سال پیش 1.43 مگابایت نوع : pdf بازدید : 8880 منتشرکننده : یحیی منصورزاده
کیلومترهای مورد استفاده در پراید ازآغاز تا کنون
2 سال پیش 2.26 مگابایت نوع : pdf بازدید : 5659 منتشرکننده : یحیی منصورزاده
راهنمای فیوزها و رله های تارا اتوماتیک
2 سال پیش 0.54 مگابایت نوع : pdf بازدید : 9155 منتشرکننده : ابولفضل رضایی
راهنمای مدارهای الکتریکی ساینا S
2 سال پیش 24.84 مگابایت نوع : pdf بازدید : 33337 منتشرکننده : ابولفضل رضایی
راهنمای تعمیرات و سرویس مدارهای الکتریکی سایپا شاهین
2 سال پیش 20.44 مگابایت نوع : pdf بازدید : 14913 منتشرکننده : ابولفضل رضایی
نقشه و دیاگرام برق / الکتریکال جیلی امگرند ، دنده / cvt
2 سال پیش 9.71 مگابایت نوع : pdf بازدید : 7127 منتشرکننده : سیدحسین سیدی
تکنولوژی رانندگی با سیم (x_by_wire)
2 سال پیش 0.78 مگابایت نوع : pdf بازدید : 2697 منتشرکننده : احمد تقی بیگی
نقشه های الکتریکی خودروی تارا
2 سال پیش 18.19 مگابایت نوع : pdf بازدید : 20372 منتشرکننده : نادر رهام
مشخصات خودروی لئو ام‌ایکس۸ (LEO MX8)
2 سال پیش 0.88 مگابایت نوع : pdf بازدید : 2412 منتشرکننده : علی حسین‌زاده
دفترچه راهنمای خودروی لاماری ایما (Lamari Eama Manual Book)
2 سال پیش 37.42 مگابایت نوع : pdf بازدید : 42483 منتشرکننده : علی حسین‌زاده
کاتالوگ خودروی دایون وای ۵ (Dayun Y5)
2 سال پیش 45.84 مگابایت نوع : pdf بازدید : 3492 منتشرکننده : علی حسین‌زاده
دفترچه راهنمای خودروی دایون وای ۵ (Dayun Y5)
2 سال پیش 30.32 مگابایت نوع : pdf بازدید : 8340 منتشرکننده : علی حسین‌زاده
کاتالوگ خودروی لاماری ایما (LAMARI EAMA)
2 سال پیش 5.84 مگابایت نوع : pdf بازدید : 10648 منتشرکننده : علی حسین‌زاده
پین اوت ایسیو و سنسورهای وانت مزدا ژاپنی
2 سال پیش 0.13 مگابایت نوع : pdf بازدید : 18728 منتشرکننده : یحیی منصورزاده
جزوه تیگو8پرو
3 سال پیش 11.52 مگابایت نوع : pdf بازدید : 3580 منتشرکننده : مجتبی یگانه خراسانی
کاتالوگ smd
3 سال پیش 1.93 مگابایت نوع : pdf بازدید : 3350 منتشرکننده : عنایت قرایی
بوق ۲۰۶
3 سال پیش 0.47 مگابایت نوع : pdf بازدید : 3588 منتشرکننده : عنایت قرایی
عیوب شایع x33
3 سال پیش 0.28 مگابایت نوع : pdf بازدید : 3843 منتشرکننده : عنایت قرایی
بازکردن موتور ۲۰۶ تیپ ۳
3 سال پیش 36.85 مگابایت نوع : pdf بازدید : 3406 منتشرکننده : 09352145514
موتور + hp پراید
3 سال پیش 0.31 مگابایت نوع : pdf بازدید : 9445 منتشرکننده : Ali m
مولتی پلکس
3 سال پیش 8.89 مگابایت نوع : pdf بازدید : 6251 منتشرکننده : عنایت قرایی
کاتالوگ رسمی جک S5 جدید (نیوفیس)
3 سال پیش 0.54 مگابایت نوع : pdf بازدید : 20011 منتشرکننده : علی حسین‌زاده
سنسور دمای آب موتور در اچ سی کراس
3 سال پیش 0.3 مگابایت نوع : pdf بازدید : 4014 منتشرکننده : چراغ چک
دفترچه راهنمای رنو فلوئنس
3 سال پیش 7.23 مگابایت نوع : pdf بازدید : 11058 منتشرکننده : علی حسین‌زاده
دفترچه راهنمای رنو داستر
3 سال پیش 21.83 مگابایت نوع : pdf بازدید : 13861 منتشرکننده : علی حسین‌زاده
کاتالوگ رنو داستر
3 سال پیش 0.33 مگابایت نوع : pdf بازدید : 4120 منتشرکننده : علی حسین‌زاده
دفترچه راهنما و گارانتی خودروی KMC K7 کرمان موتور
3 سال پیش 10.78 مگابایت نوع : pdf بازدید : 17620 منتشرکننده : علی حسین‌زاده
کاتالوگ خودروی KMC K7 کرمان موتور
3 سال پیش 3.47 مگابایت نوع : pdf بازدید : 7881 منتشرکننده : علی حسین‌زاده
دفترچه راهنمای تعمیرگاهی رنو داستر
3 سال پیش 26.17 مگابایت نوع : pdf بازدید : 4779 منتشرکننده : علی حسین‌زاده
کتاب جامع تعمیر موتور هیوندا و کیا
3 سال پیش 5.4 مگابایت نوع : pdf بازدید : 19690 منتشرکننده : بهنام یلمه
یکسره کردن رله دوبل
4 سال پیش 0.05 مگابایت نوع : pdf بازدید : 24910 منتشرکننده : نرم افزار iMAP
معرفی ترانسپوندر محصولات پارس خودرو
4 سال پیش 0.06 مگابایت نوع : pdf بازدید : 4397 منتشرکننده : نرم افزار iMAP
آموزش تبدیل پمپ بنزین بیرون باکی به پمپ بنزین داخل باکی
4 سال پیش 0.78 مگابایت نوع : pdf بازدید : 26676 منتشرکننده : کارگیک
راهنمای برق و الکترونیک آریزو۵
4 سال پیش 7.39 مگابایت نوع : pdf بازدید : 12306 منتشرکننده : کارگیک
راهنمای برق و الکترونیک MVM 550
4 سال پیش 6.47 مگابایت نوع : pdf بازدید : 23994 منتشرکننده : کارگیک
راهنمای برق و الکترونیک MVM 530
4 سال پیش 6.61 مگابایت نوع : pdf بازدید : 6028 منتشرکننده : کارگیک
راهنمای تعمیرات سیستم فرمان خودرو دنا
4 سال پیش 5.11 مگابایت نوع : pdf بازدید : 5487 منتشرکننده : کارگیک
راهنمای تعمیرات موتور سوزوکی کیزاشی
4 سال پیش 12.53 مگابایت نوع : pdf بازدید : 3886 منتشرکننده : کارگیک
Delivering Advanced Unmanned Autonomous Systems and Artificial Intelligence for Naval Superiority
4 سال پیش 4.66 مگابایت نوع : pdf بازدید : 3214 منتشرکننده : کارگیک
A Security Analysis of Garage Door Remotes and the Danger of DOR Attacks
4 سال پیش 3.24 مگابایت نوع : pdf بازدید : 2915 منتشرکننده : کارگیک
طراحی سامانه های پیرانش موشکی سوخت جامد
4 سال پیش 6.46 مگابایت نوع : pdf بازدید : 3593 منتشرکننده : کارگیک
آشنایی با موتورهای هواپیما (پیستونی، جت و ملخ)
4 سال پیش 53.17 مگابایت نوع : pdf بازدید : 5349 منتشرکننده : کارگیک
جزوه آموزشی موتور دیزل
4 سال پیش 11.42 مگابایت نوع : pdf بازدید : 20329 منتشرکننده : کارگیک
آشنایی با هواپیماهای مدل
4 سال پیش 5.84 مگابایت نوع : pdf بازدید : 3481 منتشرکننده : کارگیک
ISO/SAE 21434 : Setting the Standard for Connected Cars’ Cybersecurity
4 سال پیش 4.33 مگابایت نوع : pdf بازدید : 2935 منتشرکننده : کارگیک
Driving Security Into Connected Cars: Threat Model and Recommendations
4 سال پیش 2.01 مگابایت نوع : pdf بازدید : 3023 منتشرکننده : کارگیک
راهنمای تعمیرات و عیب یابی بدنه و تزیینات هایما
4 سال پیش 9.85 مگابایت نوع : pdf بازدید : 3669 منتشرکننده : کارگیک
راهنمای پارامترهای فنی خودرو هایما S7 توربوشارژ
4 سال پیش 1.64 مگابایت نوع : pdf بازدید : 4449 منتشرکننده : کارگیک
جزوه آموزشی و نقشه های برق MVM110s
4 سال پیش 6.95 مگابایت نوع : pdf بازدید : 12453 منتشرکننده : کارگیک
اصول و مفاهیم و رویکردهای یادگیری عمیق
4 سال پیش 9.3 مگابایت نوع : pdf بازدید : 3833 منتشرکننده : کارگیک
Industrial Cybersecurity
4 سال پیش 45.83 مگابایت نوع : pdf بازدید : 2965 منتشرکننده : کارگیک
آشنایی با کاربرد و مشخصات روانکارها (هپکو)
4 سال پیش 3.72 مگابایت نوع : pdf بازدید : 3552 منتشرکننده : کارگیک
راهنمای انتخاب و مصرف سیالات خنک کننده (ضدیخ ، ضدجوش و ضدزنگ) خودرو
4 سال پیش 1.13 مگابایت نوع : pdf بازدید : 3770 منتشرکننده : کارگیک
تشریح مدارها و راهنمای کاربردی غلتک HC100C هپکو
4 سال پیش 2.4 مگابایت نوع : pdf بازدید : 7354 منتشرکننده : کارگیک
نقشه مدار ACU سمند
4 سال پیش 1.51 مگابایت نوع : pdf بازدید : 9137 منتشرکننده : کارگیک
کتاب 1800 Mechanical Movements: Devices and Appliances
4 سال پیش 92.22 مگابایت نوع : pdf بازدید : 3855 منتشرکننده : کارگیک
دفترچه راهنمای تویوتا CH-R هیبرید
4 سال پیش 17.91 مگابایت نوع : pdf بازدید : 5416 منتشرکننده : کارگیک
جزوه آموزشی سیستم برق چری تیگو۷
4 سال پیش 7.37 مگابایت نوع : pdf بازدید : 6984 منتشرکننده : کارگیک
راهنمای عیب یابی و تنظیم سیستم هیدرولیک لودر کاترپیلار CAT988b
4 سال پیش 7.6 مگابایت نوع : pdf بازدید : 6172 منتشرکننده : کارگیک
راهنمای دانلود ایسیو
4 سال پیش 1.4 مگابایت نوع : pdf بازدید : 5939 منتشرکننده : کارگیک
کتاب تکنولوژی پهپادها (unmanned aircraft system (UAS))
4 سال پیش 7.19 مگابایت نوع : pdf بازدید : 3923 منتشرکننده : کارگیک
راهنمای آموزشی سیستم سوخت رسانی جیلی GC6
4 سال پیش 5.09 مگابایت نوع : pdf بازدید : 4669 منتشرکننده : کارگیک
جزوه آموزشی سیستم مدیریت موتور هاوال
4 سال پیش 4.81 مگابایت نوع : pdf بازدید : 3139 منتشرکننده : کارگیک
راهنمای سیستم های الکتریکی MVM X33
4 سال پیش 9.61 مگابایت نوع : pdf بازدید : 24054 منتشرکننده : کارگیک
جزوه آموزشی سیستم های MVM X22
4 سال پیش 8.27 مگابایت نوع : pdf بازدید : 49331 منتشرکننده : کارگیک
راهنمای تعمیرات بدنه خودرو دنا
4 سال پیش 30.51 مگابایت نوع : pdf بازدید : 4270 منتشرکننده : کارگیک
راهنمای پوشش داخلی و تودوزی تندر۹۰
4 سال پیش 5.15 مگابایت نوع : pdf بازدید : 3983 منتشرکننده : کارگیک
نکات آزمون شهری و آیین نامه رانندگی (۲از۲)
4 سال پیش 0.53 مگابایت نوع : pdf بازدید : 4104 منتشرکننده : کارگیک
نکات آزمون شهری و آیین نامه رانندگی (۱از۲)
4 سال پیش 0.4 مگابایت نوع : pdf بازدید : 4085 منتشرکننده : کارگیک
نمونه سئوالات تشریحی آزمون آیین نامه رانندگی
4 سال پیش 0.57 مگابایت نوع : pdf بازدید : 3436 منتشرکننده : کارگیک
نمونه سئوالات جامع آزمون آیین نامه رانندگی (۶۶۳سئوال)
4 سال پیش 5.31 مگابایت نوع : pdf بازدید : 4099 منتشرکننده : کارگیک
نمونه سئوالات آزمون آیین نامه رانندگی (240سئوال)
4 سال پیش 2.25 مگابایت نوع : pdf بازدید : 3852 منتشرکننده : کارگیک
نمونه سئوالات آزمون آیین نامه رانندگی (۲۹از29)
4 سال پیش 0.82 مگابایت نوع : pdf بازدید : 3643 منتشرکننده : کارگیک
نمونه سئوالات آزمون آیین نامه رانندگی (۲۸از29)
4 سال پیش 0.8 مگابایت نوع : pdf بازدید : 3033 منتشرکننده : کارگیک
نمونه سئوالات آزمون آیین نامه رانندگی (۲۷از29)
4 سال پیش 1.04 مگابایت نوع : pdf بازدید : 3189 منتشرکننده : کارگیک
نمونه سئوالات آزمون آیین نامه رانندگی (۲۶از29)
4 سال پیش 0.86 مگابایت نوع : pdf بازدید : 3132 منتشرکننده : کارگیک
نمونه سئوالات آزمون آیین نامه رانندگی (۲۵از29)
4 سال پیش 0.54 مگابایت نوع : pdf بازدید : 2956 منتشرکننده : کارگیک
نمونه سئوالات آزمون آیین نامه رانندگی (۲۴از29)
4 سال پیش 0.75 مگابایت نوع : pdf بازدید : 3414 منتشرکننده : کارگیک
نمونه سئوالات آزمون آیین نامه رانندگی (۲۳از29)
4 سال پیش 0.96 مگابایت نوع : pdf بازدید : 3037 منتشرکننده : کارگیک
نمونه سئوالات آزمون آیین نامه رانندگی (22از29)
4 سال پیش 0.85 مگابایت نوع : pdf بازدید : 2936 منتشرکننده : کارگیک
نمونه سئوالات آزمون آیین نامه رانندگی (۲۱از29)
4 سال پیش 0.76 مگابایت نوع : pdf بازدید : 3174 منتشرکننده : کارگیک
نمونه سئوالات آزمون آیین نامه رانندگی (۲۰از29)
4 سال پیش 1.1 مگابایت نوع : pdf بازدید : 3316 منتشرکننده : کارگیک
نمونه سئوالات آزمون آیین نامه رانندگی (۱۹از29)
4 سال پیش 1.11 مگابایت نوع : pdf بازدید : 2778 منتشرکننده : کارگیک
نمونه سئوالات آزمون آیین نامه رانندگی (۱۸از29)
4 سال پیش 1.17 مگابایت نوع : pdf بازدید : 3189 منتشرکننده : کارگیک
نمونه سئوالات آزمون آیین نامه رانندگی (۱۷از29)
4 سال پیش 0.96 مگابایت نوع : pdf بازدید : 3153 منتشرکننده : کارگیک
نمونه سئوالات آزمون آیین نامه رانندگی (۱۶از29)
4 سال پیش 0.92 مگابایت نوع : pdf بازدید : 3170 منتشرکننده : کارگیک
نمونه سئوالات آزمون آیین نامه رانندگی (۱۵از29)
4 سال پیش 1.08 مگابایت نوع : pdf بازدید : 3227 منتشرکننده : کارگیک
نمونه سئوالات آزمون آیین نامه رانندگی (۱۴از29)
4 سال پیش 1.2 مگابایت نوع : pdf بازدید : 3331 منتشرکننده : کارگیک
نمونه سئوالات آزمون آیین نامه رانندگی (۱۳از29)
4 سال پیش 1.14 مگابایت نوع : pdf بازدید : 3109 منتشرکننده : کارگیک
نمونه سئوالات آزمون آیین نامه رانندگی (12از29)
4 سال پیش 1.06 مگابایت نوع : pdf بازدید : 3035 منتشرکننده : کارگیک
نمونه سئوالات آزمون آیین نامه رانندگی (۱۱از29)
4 سال پیش 0.94 مگابایت نوع : pdf بازدید : 3636 منتشرکننده : کارگیک
نمونه سئوالات آزمون آیین نامه رانندگی (۱۰از29)
4 سال پیش 0.3 مگابایت نوع : pdf بازدید : 3153 منتشرکننده : کارگیک
نمونه سئوالات آزمون آیین نامه رانندگی (۹از29)
4 سال پیش 0.49 مگابایت نوع : pdf بازدید : 3378 منتشرکننده : کارگیک
نمونه سئوالات آزمون آیین نامه رانندگی (۸از29)
4 سال پیش 0.43 مگابایت نوع : pdf بازدید : 3236 منتشرکننده : کارگیک
نمونه سئوالات آزمون آیین نامه رانندگی (۷از29)
4 سال پیش 0.35 مگابایت نوع : pdf بازدید : 3278 منتشرکننده : کارگیک
نمونه سئوالات آزمون آیین نامه رانندگی (۶از29)
4 سال پیش 0.35 مگابایت نوع : pdf بازدید : 3092 منتشرکننده : کارگیک
نمونه سئوالات آزمون آیین نامه رانندگی (5از29)
4 سال پیش 0.36 مگابایت نوع : pdf بازدید : 3144 منتشرکننده : کارگیک
نمونه سئوالات آزمون آیین نامه رانندگی (۴از29)
4 سال پیش 0.35 مگابایت نوع : pdf بازدید : 3079 منتشرکننده : کارگیک
نمونه سئوالات آزمون آیین نامه رانندگی (۳از29)
4 سال پیش 0.44 مگابایت نوع : pdf بازدید : 3178 منتشرکننده : کارگیک
نمونه سئوالات آزمون آیین نامه رانندگی (۲از29)
4 سال پیش 0.47 مگابایت نوع : pdf بازدید : 3372 منتشرکننده : کارگیک
نمونه سئوالات آزمون آیین نامه رانندگی (1از29)
4 سال پیش 0.41 مگابایت نوع : pdf بازدید : 3312 منتشرکننده : کارگیک
نقشه ایسیو بوش ۷.۴.۹ موتور EF7
4 سال پیش 1.19 مگابایت نوع : pdf بازدید : 13725 منتشرکننده : amir-gorji
دفترچه راهنمای سیستم صوتی رنو کپچر
4 سال پیش 4.02 مگابایت نوع : pdf بازدید : 3555 منتشرکننده : کارگیک
نقشه ها و راهنمای برقی کیا پراید کاربراتور کره ای قدیم
4 سال پیش 10 مگابایت نوع : pdf بازدید : 20572 منتشرکننده : کارگیک
L90ایسیو
4 سال پیش 0.17 مگابایت نوع : pdf بازدید : 3225 منتشرکننده : حسین حیدری
کروز کنترل
4 سال پیش 0.37 مگابایت نوع : pdf بازدید : 3473 منتشرکننده : حسین حیدری
مشخصات فنی گیربکس اتوماتیک DP2 رنو
4 سال پیش 0.71 مگابایت نوع : pdf بازدید : 4325 منتشرکننده : علی حسین‌زاده
مشخصات فنی گیربکس دستی JHQ رنو
4 سال پیش 0.65 مگابایت نوع : pdf بازدید : 8247 منتشرکننده : علی حسین‌زاده
راهنمای بروزرسانی نرم‌افزار پخش‌های کنوود
4 سال پیش 0.03 مگابایت نوع : pdf بازدید : 5076 منتشرکننده : علی حسین‌زاده
دفترچه راهنمای فارسی رنو ساندرو و استپ‌وی
4 سال پیش 1.67 مگابایت نوع : pdf بازدید : 38111 منتشرکننده : علی حسین‌زاده
کتاب مجموعه نقشه های خودروهای انژکتوری موتورآزماثمین
4 سال پیش 65.3 مگابایت نوع : pdf بازدید : 50910 منتشرکننده : کارگیک
نمونه سئوالات آزمون کارشناس فنی ایساکو سال 97 + پاسخنامه
4 سال پیش 1.84 مگابایت نوع : pdf بازدید : 4095 منتشرکننده : کارگیک
نمونه سئوالات آزمون کارشناس فنی ایساکو سال 96 + پاسخنامه
4 سال پیش 2.87 مگابایت نوع : pdf بازدید : 3123 منتشرکننده : کارگیک
نمونه سئوالات آزمون کارشناس فنی ایساکو سال 95 + پاسخنامه (دفترچه 2)
4 سال پیش 1.17 مگابایت نوع : pdf بازدید : 2877 منتشرکننده : کارگیک
نمونه سئوالات آزمون کارشناس فنی ایساکو سال 95 + پاسخنامه (دفترچه 1)
4 سال پیش 1.4 مگابایت نوع : pdf بازدید : 3383 منتشرکننده : کارگیک
نمونه سئوالات آزمون کارشناس فنی ایساکو سال 94 + پاسخنامه
4 سال پیش 5.36 مگابایت نوع : pdf بازدید : 2995 منتشرکننده : کارگیک
نمونه سئوالات آزمون کارشناس فنی ایساکو سال 93 + پاسخنامه
4 سال پیش 4.79 مگابایت نوع : pdf بازدید : 3119 منتشرکننده : کارگیک
نمونه سئوالات آزمون کارشناس فنی (برق و مکانیک) ایساکو + پاسخ صحیح
4 سال پیش 0.47 مگابایت نوع : pdf بازدید : 3344 منتشرکننده : کارگیک
نمونه سئوالات آزمون کارشناس فنی ایساکو
4 سال پیش 0.42 مگابایت نوع : pdf بازدید : 3977 منتشرکننده : کارگیک
نمونه سئوالات آزمون کارشناس فنی ایساکو سال 89 + پاسخنامه
4 سال پیش 2.46 مگابایت نوع : pdf بازدید : 4381 منتشرکننده : کارگیک
نمونه سئوالات آزمون مهارتی شغل مکانیک ایساکو سال 97 + پاسخنامه
4 سال پیش 1.6 مگابایت نوع : pdf بازدید : 3352 منتشرکننده : کارگیک
نمونه سئوالات آزمون مهارتی شغل مکانیک ایساکو سال 96 + پاسخنامه
4 سال پیش 2.34 مگابایت نوع : pdf بازدید : 2989 منتشرکننده : کارگیک
نمونه سئوالات آزمون مهارتی شغل مکانیک ایساکو سال 95 + پاسخنامه
4 سال پیش 1.07 مگابایت نوع : pdf بازدید : 2837 منتشرکننده : کارگیک
نمونه سئوالات آزمون مهارتی شغل مکانیک ایساکو سال 94 + پاسخنامه
4 سال پیش 4.87 مگابایت نوع : pdf بازدید : 2911 منتشرکننده : کارگیک
نمونه سئوالات آزمون مهارتی شغل مکانیک ایساکو سال 93 + پاسخنامه
4 سال پیش 1 مگابایت نوع : pdf بازدید : 2878 منتشرکننده : کارگیک
نمونه سئوالات آزمون سرپرست مکانیک ایساکو سال 92 + پاسخنامه
4 سال پیش 0.2 مگابایت نوع : pdf بازدید : 2617 منتشرکننده : کارگیک
نمونه سئوالات آزمون سرپرست مکانیک ایساکو
4 سال پیش 0.34 مگابایت نوع : pdf بازدید : 2819 منتشرکننده : کارگیک
نمونه سئوالات آزمون سرپرست مکانیک ایساکو سال 89 + پاسخنامه
4 سال پیش 2.35 مگابایت نوع : pdf بازدید : 2734 منتشرکننده : کارگیک
نمونه سئوالات آزمون مهارتی گازسوز کار ایساکو سال 97 + پاسخنامه
4 سال پیش 1.34 مگابایت نوع : pdf بازدید : 2923 منتشرکننده : کارگیک
نمونه سئوالات آزمون مهارتی گازسوز کار ایساکو سال 96 + پاسخنامه
4 سال پیش 2.33 مگابایت نوع : pdf بازدید : 2995 منتشرکننده : کارگیک
نمونه سئوالات آزمون مهارتی گازسوز کار ایساکو سال 95 + پاسخنامه
4 سال پیش 0.85 مگابایت نوع : pdf بازدید : 2872 منتشرکننده : کارگیک
نمونه سئوالات آزمون مهارتی گازسوز کار ایساکو سال 94 + پاسخنامه
4 سال پیش 4.93 مگابایت نوع : pdf بازدید : 2666 منتشرکننده : کارگیک
نمونه سئوالات آزمون مهارتی گازسوز کار ایساکو سال 93 + پاسخنامه
4 سال پیش 0.88 مگابایت نوع : pdf بازدید : 2833 منتشرکننده : کارگیک
نمونه سئوالات آزمون مهارت سیستم CNG ایساکو + پاسخ صحیح
4 سال پیش 0.12 مگابایت نوع : pdf بازدید : 2979 منتشرکننده : کارگیک
نمونه سئوالات آزمون مهارت سیستم تعلیقات ایساکو + پاسخ صحیح
4 سال پیش 0.22 مگابایت نوع : pdf بازدید : 2827 منتشرکننده : کارگیک
نمونه سئوالات آزمون مهارتی جلوبندی کار ایساکو سال 97 + پاسخنامه
4 سال پیش 2.24 مگابایت نوع : pdf بازدید : 2704 منتشرکننده : کارگیک
نمونه سئوالات آزمون مهارتی سرپرست جلوبندی ایساکو سال 96 + پاسخنامه
4 سال پیش 2.24 مگابایت نوع : pdf بازدید : 2758 منتشرکننده : کارگیک
نمونه سئوالات آزمون مهارتی جلوبندی کار ایساکو سال 95 + پاسخنامه
4 سال پیش 0.94 مگابایت نوع : pdf بازدید : 3187 منتشرکننده : کارگیک
نمونه سئوالات آزمون مهارتی شغل تعلیق کار ایساکو سال 94 + پاسخنامه
4 سال پیش 4.9 مگابایت نوع : pdf بازدید : 2611 منتشرکننده : کارگیک
نمونه سئوالات آزمون مهارتی شغل تعلیق کار ایساکو سال 93
4 سال پیش 0.98 مگابایت نوع : pdf بازدید : 2856 منتشرکننده : کارگیک
نمونه سئوالات آزمون سراسری تعلیق ، ترمز و فرمان ایساکو
4 سال پیش 0.42 مگابایت نوع : pdf بازدید : 3012 منتشرکننده : کارگیک
نمونه سئوالات آزمون مهارتی شغل سرپرست جلوبندی کار ایساکو سال 89
4 سال پیش 1.1 مگابایت نوع : pdf بازدید : 2683 منتشرکننده : کارگیک
نمونه سئوالات آزمون مهارتی شغل تعلیق کار ایساکو
4 سال پیش 0.6 مگابایت نوع : pdf بازدید : 2814 منتشرکننده : کارگیک
نمونه سئوالات آزمون مهارتی شغل تعلیق کار ایساکو سال 96
4 سال پیش 0.16 مگابایت نوع : pdf بازدید : 3201 منتشرکننده : کارگیک
نمونه سئوالات آزمون شغل مکانیک ایساکو سال 96
4 سال پیش 0.19 مگابایت نوع : pdf بازدید : 3186 منتشرکننده : کارگیک
نمونه سئوالات آزمون برقکار ایساکو سال 97
4 سال پیش 1.35 مگابایت نوع : pdf بازدید : 3417 منتشرکننده : کارگیک
نمونه سئوالات آزمون برقکار ایساکو سال 96
4 سال پیش 2.33 مگابایت نوع : pdf بازدید : 3000 منتشرکننده : کارگیک
نمونه سئوالات آزمون برقکار ایساکو سال 95
4 سال پیش 0.92 مگابایت نوع : pdf بازدید : 2762 منتشرکننده : کارگیک
نمونه سئوالات آزمون برقکار ایساکو سال 94
4 سال پیش 5.09 مگابایت نوع : pdf بازدید : 2952 منتشرکننده : کارگیک
نمونه سئوالات آزمون مهارتی شغل برقکار ایساکو سال 93
4 سال پیش 1.06 مگابایت نوع : pdf بازدید : 3008 منتشرکننده : کارگیک
نمونه سئوالات آزمون سراسری سرپرست برق نمایندگی های ایران خودرو (ایساکو) سال 92
4 سال پیش 0.23 مگابایت نوع : pdf بازدید : 3383 منتشرکننده : کارگیک
نمونه سئوالات آزمون برقکار ایساکو سال 90
4 سال پیش 0.19 مگابایت نوع : pdf بازدید : 2945 منتشرکننده : کارگیک
نمونه سئوالات آزمون سرپرست برق ایساکو سال 89
4 سال پیش 1.1 مگابایت نوع : pdf بازدید : 2908 منتشرکننده : کارگیک
نمونه سئوالات آزمون برق ایساکو
4 سال پیش 0.6 مگابایت نوع : pdf بازدید : 3078 منتشرکننده : کارگیک
نمونه سئوالات آزمون مهارتی شغل برقکار ایساکو سال 96
4 سال پیش 0.2 مگابایت نوع : pdf بازدید : 3255 منتشرکننده : کارگیک
10 دوره آزمون های پایانی اتومکانیک درجه دو سازمان فنی و حرفه ای
4 سال پیش 0.81 مگابایت نوع : pdf بازدید : 3343 منتشرکننده : کارگیک
نمونه سئوالات آزمون عملی تعمیرکار درجه دو اتومبیل های سواری بنزینی
4 سال پیش 0.14 مگابایت نوع : pdf بازدید : 10355 منتشرکننده : کارگیک
نمونه سئوالات آزمون اتومکانیک درجه 2 سازمان فنی و حرفه ای (سری 17 از 17)
4 سال پیش 0.32 مگابایت نوع : pdf بازدید : 3393 منتشرکننده : کارگیک
نمونه سئوالات آزمون اتومکانیک درجه 2 سازمان فنی و حرفه ای (سری 16 از 17)
4 سال پیش 0.34 مگابایت نوع : pdf بازدید : 2949 منتشرکننده : کارگیک
نمونه سئوالات آزمون اتومکانیک درجه 2 سازمان فنی و حرفه ای (سری 15 از 17)
4 سال پیش 0.36 مگابایت نوع : pdf بازدید : 2776 منتشرکننده : کارگیک
نمونه سئوالات آزمون اتومکانیک درجه 2 سازمان فنی و حرفه ای (سری 14 از 17)
4 سال پیش 0.13 مگابایت نوع : pdf بازدید : 2782 منتشرکننده : کارگیک
نمونه سئوالات آزمون اتومکانیک درجه 2 سازمان فنی و حرفه ای (سری 13 از 17)
4 سال پیش 0.4 مگابایت نوع : pdf بازدید : 2527 منتشرکننده : کارگیک
نمونه سئوالات آزمون اتومکانیک درجه 2 سازمان فنی و حرفه ای (سری 12 از 17)
4 سال پیش 0.35 مگابایت نوع : pdf بازدید : 2557 منتشرکننده : کارگیک
نمونه سئوالات آزمون اتومکانیک درجه 2 سازمان فنی و حرفه ای (سری 11 از 17)
4 سال پیش 0.19 مگابایت نوع : pdf بازدید : 2648 منتشرکننده : کارگیک
نمونه سئوالات آزمون اتومکانیک درجه 2 سازمان فنی و حرفه ای (سری 10 از 17)
4 سال پیش 0.19 مگابایت نوع : pdf بازدید : 2938 منتشرکننده : کارگیک
نمونه سئوالات آزمون اتومکانیک درجه 2 سازمان فنی و حرفه ای (سری 9 از 17)
4 سال پیش 0.18 مگابایت نوع : pdf بازدید : 3237 منتشرکننده : کارگیک
نمونه سئوالات آزمون اتومکانیک درجه 2 سازمان فنی و حرفه ای (سری 8 از 17)
4 سال پیش 0.14 مگابایت نوع : pdf بازدید : 2904 منتشرکننده : کارگیک
نمونه سئوالات آزمون اتومکانیک درجه 2 سازمان فنی و حرفه ای (سری 7 از 17)
4 سال پیش 0.15 مگابایت نوع : pdf بازدید : 2812 منتشرکننده : کارگیک
نمونه سئوالات آزمون اتومکانیک درجه 2 سازمان فنی و حرفه ای (سری 6 از 17)
4 سال پیش 0.15 مگابایت نوع : pdf بازدید : 2945 منتشرکننده : کارگیک
نمونه سئوالات آزمون اتومکانیک درجه 2 سازمان فنی و حرفه ای (سری 5 از 17)
4 سال پیش 0.26 مگابایت نوع : pdf بازدید : 3045 منتشرکننده : کارگیک
نمونه سئوالات آزمون اتومکانیک درجه 2 سازمان فنی و حرفه ای (سری 4 از 17)
4 سال پیش 0.15 مگابایت نوع : pdf بازدید : 2873 منتشرکننده : کارگیک
نمونه سئوالات آزمون اتومکانیک درجه 2 سازمان فنی و حرفه ای (سری 3 از 17)
4 سال پیش 0.17 مگابایت نوع : pdf بازدید : 2856 منتشرکننده : کارگیک
نمونه سئوالات آزمون اتومکانیک درجه 2 سازمان فنی و حرفه ای (سری 2 از 17)
4 سال پیش 0.18 مگابایت نوع : pdf بازدید : 2860 منتشرکننده : کارگیک
نمونه سئوالات آزمون اتومکانیک درجه 2 سازمان فنی و حرفه ای (سری 1 از 17)
4 سال پیش 0.15 مگابایت نوع : pdf بازدید : 2866 منتشرکننده : کارگیک
نمونه سئوالات آزمون تعمیر موتورسیکلت (سری 9 از 9)
4 سال پیش 0.2 مگابایت نوع : pdf بازدید : 3046 منتشرکننده : کارگیک
نمونه سئوالات آزمون تعمیر موتورسیکلت (سری 8 از 9)
4 سال پیش 0.19 مگابایت نوع : pdf بازدید : 3013 منتشرکننده : کارگیک
نمونه سئوالات آزمون تعمیر موتورسیکلت (سری 7 از 9)
4 سال پیش 0.68 مگابایت نوع : pdf بازدید : 2651 منتشرکننده : کارگیک
نمونه سئوالات آزمون تعمیر موتورسیکلت (سری 6 از 9)
4 سال پیش 0.26 مگابایت نوع : pdf بازدید : 3311 منتشرکننده : کارگیک
نمونه سئوالات آزمون تعمیر موتورسیکلت (سری 5 از 9)
4 سال پیش 0.25 مگابایت نوع : pdf بازدید : 2742 منتشرکننده : کارگیک
نمونه سئوالات آزمون تعمیر موتورسیکلت (سری 4 از 9)
4 سال پیش 0.25 مگابایت نوع : pdf بازدید : 2756 منتشرکننده : کارگیک
نمونه سئوالات آزمون تعمیر موتورسیکلت (سری 3 از 9)
4 سال پیش 0.25 مگابایت نوع : pdf بازدید : 3199 منتشرکننده : کارگیک
نمونه سئوالات آزمون تعمیر موتورسیکلت (سری 2 از 9)
4 سال پیش 0.25 مگابایت نوع : pdf بازدید : 2932 منتشرکننده : کارگیک
نمونه سئوالات آزمون تعمیر موتورسیکلت (سری 1 از 9)
4 سال پیش 0.14 مگابایت نوع : pdf بازدید : 3057 منتشرکننده : کارگیک
نمونه سئوالات آزمون سیستم تعلیق خودرو (سری3از3)
4 سال پیش 0.41 مگابایت نوع : pdf بازدید : 3167 منتشرکننده : کارگیک
نمونه سئوالات آزمون سیستم تعلیق خودرو (سری2از3)
4 سال پیش 0.4 مگابایت نوع : pdf بازدید : 2684 منتشرکننده : کارگیک
نمونه سئوالات آزمون سیستم تعلیق خودرو (سری1از3)
4 سال پیش 0.4 مگابایت نوع : pdf بازدید : 3252 منتشرکننده : کارگیک
نمونه سئوالات آزمون سیستم انژکتور خودرو (سری6از6)
4 سال پیش 0.32 مگابایت نوع : pdf بازدید : 3574 منتشرکننده : کارگیک
نمونه سئوالات آزمون سیستم انژکتور خودرو (سری5از6)
4 سال پیش 0.33 مگابایت نوع : pdf بازدید : 3344 منتشرکننده : کارگیک
نمونه سئوالات آزمون سیستم انژکتور خودرو (سری4از6)
4 سال پیش 0.33 مگابایت نوع : pdf بازدید : 3363 منتشرکننده : کارگیک
نمونه سئوالات آزمون سیستم انژکتور خودرو (سری3از6)
4 سال پیش 0.32 مگابایت نوع : pdf بازدید : 3326 منتشرکننده : کارگیک
نمونه سئوالات آزمون سیستم انژکتور خودرو (سری2از6)
4 سال پیش 0.1 مگابایت نوع : pdf بازدید : 3273 منتشرکننده : کارگیک
نمونه سئوالات آزمون سیستم انژکتور خودرو (سری1از6)
4 سال پیش 0.13 مگابایت نوع : pdf بازدید : 3630 منتشرکننده : کارگیک
نمونه سئوالات آزمون سرویس و نگه داری خودرو (سری8از8)
4 سال پیش 0.27 مگابایت نوع : pdf بازدید : 2672 منتشرکننده : کارگیک
نمونه سئوالات آزمون سرویس و نگه داری خودرو (سری7از8)
4 سال پیش 0.28 مگابایت نوع : pdf بازدید : 2689 منتشرکننده : کارگیک
نمونه سئوالات آزمون سرویس و نگه داری خودرو (سری6از8)
4 سال پیش 0.3 مگابایت نوع : pdf بازدید : 2652 منتشرکننده : کارگیک
نمونه سئوالات آزمون سرویس و نگه داری خودرو (سری5از8)
4 سال پیش 0.24 مگابایت نوع : pdf بازدید : 3028 منتشرکننده : کارگیک
نمونه سئوالات آزمون سرویس و نگه داری خودرو (سری4از8)
4 سال پیش 0.77 مگابایت نوع : pdf بازدید : 2686 منتشرکننده : کارگیک
نمونه سئوالات آزمون سرویس و نگه داری خودرو (سری3از8)
4 سال پیش 0.24 مگابایت نوع : pdf بازدید : 2645 منتشرکننده : کارگیک
نمونه سئوالات آزمون سرویس و نگه داری خودرو (سری2از8)
4 سال پیش 0.24 مگابایت نوع : pdf بازدید : 2794 منتشرکننده : کارگیک
نمونه سئوالات آزمون سرویس و نگه داری خودرو (سری1از8)
4 سال پیش 0.24 مگابایت نوع : pdf بازدید : 2697 منتشرکننده : کارگیک
نمونه سئوالات آزمون تون آپ خودرو (سری5از5)
4 سال پیش 0.23 مگابایت نوع : pdf بازدید : 5699 منتشرکننده : کارگیک
نمونه سئوالات آزمون تون آپ خودرو (سری4از5)
4 سال پیش 0.19 مگابایت نوع : pdf بازدید : 3029 منتشرکننده : کارگیک
نمونه سئوالات آزمون تون آپ خودرو (سری3از5)
4 سال پیش 0.25 مگابایت نوع : pdf بازدید : 3846 منتشرکننده : کارگیک
نمونه سئوالات آزمون تون آپ خودرو (سری2از5)
4 سال پیش 0.73 مگابایت نوع : pdf بازدید : 2825 منتشرکننده : کارگیک
نمونه سئوالات آزمون تون آپ خودرو (سری1از5)
4 سال پیش 0.26 مگابایت نوع : pdf بازدید : 3416 منتشرکننده : کارگیک
نمونه سئوالات سیستم ترمز هیدروپنوماتیک
4 سال پیش 0.56 مگابایت نوع : pdf بازدید : 2745 منتشرکننده : کارگیک
نمونه سئوالات قطعه شناسی اتومکانیک خودرو
4 سال پیش 0.22 مگابایت نوع : pdf بازدید : 3366 منتشرکننده : کارگیک
نمونه سئوالات سیستم سوخت رسانی دیزل (سری5از5)
4 سال پیش 0.39 مگابایت نوع : pdf بازدید : 2753 منتشرکننده : کارگیک
نمونه سئوالات سیستم سوخت رسانی دیزل (سری4از5)
4 سال پیش 0.3 مگابایت نوع : pdf بازدید : 3070 منتشرکننده : کارگیک
نمونه سئوالات سیستم سوخت رسانی دیزل (سری3از5)
4 سال پیش 0.29 مگابایت نوع : pdf بازدید : 2938 منتشرکننده : کارگیک
نمونه سئوالات سیستم سوخت رسانی دیزل (سری2از5)
4 سال پیش 0.29 مگابایت نوع : pdf بازدید : 3198 منتشرکننده : کارگیک
نمونه سئوالات سیستم سوخت رسانی دیزل (سری1از5)
4 سال پیش 0.31 مگابایت نوع : pdf بازدید : 3159 منتشرکننده : کارگیک
نمونه سئوالات دیاگ مکانیک خودرو
4 سال پیش 0.16 مگابایت نوع : pdf بازدید : 3805 منتشرکننده : کارگیک
نمونه سئوالات CNG و اتومبیل های گازسوز مکانیک خودرو
4 سال پیش 0.75 مگابایت نوع : pdf بازدید : 2943 منتشرکننده : کارگیک
نمونه سئوالات کاربراتور مکانیک خودرو
4 سال پیش 0.44 مگابایت نوع : pdf بازدید : 3151 منتشرکننده : کارگیک
نمونه سئوالات شناسایی ایرادات مولد قدرت اتومکانیک خودرو درجه یک
4 سال پیش 0.17 مگابایت نوع : pdf بازدید : 2590 منتشرکننده : کارگیک
نمونه سئوالات نقشه کشی صنعتی اتوخودرو درجه یک
4 سال پیش 0.58 مگابایت نوع : pdf بازدید : 2628 منتشرکننده : کارگیک
نمونه سئوالات جلوبندی و جعبه فرمان مکانیک خودرو درجه یک
4 سال پیش 0.32 مگابایت نوع : pdf بازدید : 2899 منتشرکننده : کارگیک
نمونه سئوالات سیستم ترمز معمولی و ABS مکانیک خودرو درجه یک
4 سال پیش 0.6 مگابایت نوع : pdf بازدید : 2961 منتشرکننده : کارگیک
نمونه سئوالات انتقال قدرت مکانیک خودرو درجه یک
4 سال پیش 0.92 مگابایت نوع : pdf بازدید : 7566 منتشرکننده : کارگیک
نمونه سئوالات برق و الکترونیک و سیستم جرقه مکانیک خودرو درجه یک
4 سال پیش 0.76 مگابایت نوع : pdf بازدید : 3063 منتشرکننده : کارگیک
نمونه سئوالات سوخت رسانی مکانیک خودرو درجه یک
4 سال پیش 1.03 مگابایت نوع : pdf بازدید : 2898 منتشرکننده : کارگیک
نمونه سئوالات مولد قدرت مکانیک خودرو درجه یک
4 سال پیش 0.88 مگابایت نوع : pdf بازدید : 2990 منتشرکننده : کارگیک
نمونه سئوالات ابزارشناسی مکانیک خودرو درجه یک
4 سال پیش 0.3 مگابایت نوع : pdf بازدید : 2504 منتشرکننده : کارگیک
سئوالات تئوری ﺗﻌﻤﻴﺮ ﻣﻮﺗﻮر و ﺑﺮق ﺧﻮدرو ﻫﺸﺘﻤﻴﻦ دوره ﻣﺴﺎﺑﻘﺎت علمی کاربردی ﻣﺮﺣﻠﻪ استانیﻣﻜﺎﻧﻴﻚ ﺧﻮدرو
4 سال پیش 0.12 مگابایت نوع : pdf بازدید : 2995 منتشرکننده : کارگیک
راهنمای ضدیخ ضدجوش برای خودروهای سواری
4 سال پیش 1.71 مگابایت نوع : pdf بازدید : 5031 منتشرکننده : mkrm
آموزش تنظیم موتور،بازکردن،تعمیر و تنظیم کاربراتور ودلکو 28:28
4 سال پیش 1.8 مگابایت نوع : pdf بازدید : 11226 منتشرکننده : Aminmogadas
اموزش برق بیل کوماتسو ۴۰۰ خط ۷
4 سال پیش 0.06 مگابایت نوع : pdf بازدید : 6798 منتشرکننده : alireza barani
Bosch 7.4.5 برد خام ECU
4 سال پیش 2.73 مگابایت نوع : pdf بازدید : 7733 منتشرکننده : afi1001
Hacking Connected Cars Tactics, Techniques, and Procedures
4 سال پیش 16.86 مگابایت نوع : pdf بازدید : 4076 منتشرکننده : کارگیک
The Car Hacker's Handbook
4 سال پیش 24.61 مگابایت نوع : pdf بازدید : 4125 منتشرکننده : کارگیک
Cybersecurity in Robotics: Challenges, Quantitative Modeling, and Practice
4 سال پیش 5.71 مگابایت نوع : pdf بازدید : 4052 منتشرکننده : کارگیک
نقشه کولر زانتیا
4 سال پیش 0.15 مگابایت نوع : pdf بازدید : 18141 منتشرکننده : hoceinrazavi
نقشه سیمکشی یونیت فن سمند
4 سال پیش 0.15 مگابایت نوع : pdf بازدید : 23883 منتشرکننده : hoceinrazavi
mbus tnm فایل امباس tnm
4 سال پیش 3.21 مگابایت نوع : pdf بازدید : 6003 منتشرکننده : سعید
نقشه سیمکشی دنا پلاس توربو اکوماکس
5 سال پیش 0.73 مگابایت نوع : pdf بازدید : 23581 منتشرکننده : hoceinrazavi
کتاب سیستم سوخت رسانی شرکت بوش
5 سال پیش 10.56 مگابایت نوع : pdf بازدید : 13571 منتشرکننده : Foad
ایسیو مگنتی مارلی
5 سال پیش 0.21 مگابایت نوع : pdf بازدید : 9495 منتشرکننده : hoceinrazavi
j34 pinout
5 سال پیش 0.11 مگابایت نوع : pdf بازدید : 25629 منتشرکننده : hoceinrazavi
تکنولوژی های جدید در موتور خودرو
5 سال پیش 1.57 مگابایت نوع : pdf بازدید : 10631 منتشرکننده : Ali m
راهنمای استفاده از رادیوپخش خودرو پژو 206 مدل CU2006BT
5 سال پیش 13.59 مگابایت نوع : pdf بازدید : 47866 منتشرکننده : shabgard
تعمیر و نگهداری نیسان پیکاپ
5 سال پیش 1.16 مگابایت نوع : pdf بازدید : 8789 منتشرکننده : reza,mk
کنترل موتور نیسان پیکاپ
5 سال پیش 2.11 مگابایت نوع : pdf بازدید : 6666 منتشرکننده : reza,mk
کلاچ نیسان پیکاپ
5 سال پیش 0.58 مگابایت نوع : pdf بازدید : 7429 منتشرکننده : reza,mk
عیب یابی نیسان پیکاپ
5 سال پیش 3.18 مگابایت نوع : pdf بازدید : 5817 منتشرکننده : reza,mk
راهنمای عمومی نیسان پیکاپ
5 سال پیش 1.68 مگابایت نوع : pdf بازدید : 11389 منتشرکننده : reza,mk
سوخت و اگزوز نیسان پیکاپ
5 سال پیش 0.23 مگابایت نوع : pdf بازدید : 6169 منتشرکننده : reza,mk
روغن و خنک کننده نیسان پیکاپ
5 سال پیش 0.98 مگابایت نوع : pdf بازدید : 7131 منتشرکننده : reza,mk
ترمز نیسان پیکاپ
5 سال پیش 1.33 مگابایت نوع : pdf بازدید : 6602 منتشرکننده : reza,mk
ابعاد سوپاپ کلیه موتورهای نیسان nissan
5 سال پیش 5.48 مگابایت نوع : pdf بازدید : 8400 منتشرکننده : حامد بیگی
راهنمای تعمیرات هایلوکس ۲۰۰۲
5 سال پیش 39.24 مگابایت نوع : pdf بازدید : 22848 منتشرکننده : حامد بیگی
لیست کدهای خطا در دیاگ به زبان فارسی
5 سال پیش 2.17 مگابایت نوع : pdf بازدید : 184831 منتشرکننده : Behzad_roohi
دفترچه راهنمای یوزرمنوال انگلیسی موسو (SsangYong Musso)
5 سال پیش 4.02 مگابایت نوع : pdf بازدید : 4512 منتشرکننده : eng_omidvar
مکمل کتابچه سرویس منوال موسو (SsangYong Musso)
5 سال پیش 21.37 مگابایت نوع : pdf بازدید : 5436 منتشرکننده : eng_omidvar
دفترچه سرویس منوال انگلیسی موسو (SsangYong Musso)
5 سال پیش 21.1 مگابایت نوع : pdf بازدید : 4998 منتشرکننده : eng_omidvar
دفترچه راهنمای یوزرمنوال فارسی موسو (SsangYong Musso)
5 سال پیش 11.44 مگابایت نوع : pdf بازدید : 12416 منتشرکننده : eng_omidvar
سیم کشی و ترمینالهای موسو (SsangYong Musso)
5 سال پیش 14.75 مگابایت نوع : pdf بازدید : 13034 منتشرکننده : eng_omidvar
راهنما موتور ba48c بنزینی هوا خنک کمپرسور mc-2 شرکت ویسکانزین امریکا
5 سال پیش 1.33 مگابایت نوع : pdf بازدید : 4379 منتشرکننده : A.rahmani
مجله آموزشی چراغ چک - شماره سوم
5 سال پیش 19.4 مگابایت نوع : pdf بازدید : 9740 منتشرکننده : چراغ چک
مجله آموزشی چراغ چک - شماره دوم
5 سال پیش 20.95 مگابایت نوع : pdf بازدید : 7833 منتشرکننده : چراغ چک
مجله آموزشی چراغ چک - شماره اول
5 سال پیش 20.59 مگابایت نوع : pdf بازدید : 10308 منتشرکننده : چراغ چک
جانمایی قطعات در ایسیو ریو
5 سال پیش 0.2 مگابایت نوع : pdf بازدید : 8957 منتشرکننده : چراغ چک
پين اوت و راهنماي کيلومتر ريو
5 سال پیش 2.29 مگابایت نوع : pdf بازدید : 8424 منتشرکننده : چراغ چک
جانمایی رله و فیوزها در خودروی تیگو 7
5 سال پیش 0.91 مگابایت نوع : pdf بازدید : 19680 منتشرکننده : چراغ چک
نقشه سیم کشی سیستم تهویه مطبوع LIFAN 820
5 سال پیش 2.75 مگابایت نوع : pdf بازدید : 6118 منتشرکننده : چراغ چک
جانمایی قطعات بر روی نود FN سمند ماکس
5 سال پیش 0.2 مگابایت نوع : pdf بازدید : 14932 منتشرکننده : چراغ چک
پين اوت ايسيو گيربکس اتوماتيک پارس با موتور TU5
5 سال پیش 0.17 مگابایت نوع : pdf بازدید : 7274 منتشرکننده : چراغ چک
جعبه فیوز و رله داخل اتاق لیفان 820
5 سال پیش 0.19 مگابایت نوع : pdf بازدید : 12480 منتشرکننده : چراغ چک
جعبه فیوز داخل اتاق Arrizo 5
5 سال پیش 0.12 مگابایت نوع : pdf بازدید : 18870 منتشرکننده : چراغ چک
فیوز و رله های محفظه موتور دنا پلاس
5 سال پیش 3.33 مگابایت نوع : pdf بازدید : 7414 منتشرکننده : چراغ چک
فیوز و رله های داخل اتاق دنا پلاس
5 سال پیش 3.53 مگابایت نوع : pdf بازدید : 15195 منتشرکننده : چراغ چک
پین اوت نود BCM خودروهای برلیانس H230 و H330
5 سال پیش 8.5 مگابایت نوع : pdf بازدید : 10261 منتشرکننده : چراغ چک
جعبه فیوز و رله محفظه موتور خودروی کوراندو
5 سال پیش 0.13 مگابایت نوع : pdf بازدید : 6645 منتشرکننده : چراغ چک
جعبه فيوز موتور خودروی زوتی S300
5 سال پیش 2.51 مگابایت نوع : pdf بازدید : 22694 منتشرکننده : چراغ چک
جعبه فيوز و رله محفظه موتور مزدا 3
5 سال پیش 1.86 مگابایت نوع : pdf بازدید : 28065 منتشرکننده : چراغ چک
نقشه شیشه بالابرهای برقی مزدا 3
5 سال پیش 3.36 مگابایت نوع : pdf بازدید : 7875 منتشرکننده : چراغ چک
فن زانتیا
5 سال پیش 1.29 مگابایت نوع : pdf بازدید : 28316 منتشرکننده : چراغ چک
جعبه فیوز محفظه موتور زانتیا
5 سال پیش 1.95 مگابایت نوع : pdf بازدید : 51597 منتشرکننده : چراغ چک
پین اوت ایسیو خودرو لیفان X70
5 سال پیش 1.14 مگابایت نوع : pdf بازدید : 6167 منتشرکننده : چراغ چک
پين اوت کانکتور OBD لیفان X70
5 سال پیش 0.72 مگابایت نوع : pdf بازدید : 5002 منتشرکننده : چراغ چک
پين اوت پنل پشت کیلومتر لیفان X70
5 سال پیش 0.86 مگابایت نوع : pdf بازدید : 4693 منتشرکننده : چراغ چک
فیوز و رله ها و پین اوت های سوکت جعبه فیوز داخل اتاق خودروی H30 Cross
5 سال پیش 2.73 مگابایت نوع : pdf بازدید : 8590 منتشرکننده : چراغ چک
پین اوت یونیت UCH خودرو L90
5 سال پیش 0.13 مگابایت نوع : pdf بازدید : 16618 منتشرکننده : چراغ چک
پین اوت و راهنمای کیلومتر برلیانس H320 H330
5 سال پیش 0.18 مگابایت نوع : pdf بازدید : 15299 منتشرکننده : چراغ چک
شیشه بالابر جلو SMS
5 سال پیش 0.16 مگابایت نوع : pdf بازدید : 10915 منتشرکننده : چراغ چک
شیشه بالابر جلو سمند ماکس
5 سال پیش 0.12 مگابایت نوع : pdf بازدید : 11961 منتشرکننده : چراغ چک
برف پاکن جلو مالتی پلکس فرانسه
5 سال پیش 0.11 مگابایت نوع : pdf بازدید : 10281 منتشرکننده : چراغ چک
نقشه سيستم کنترل دربها لیفان 820
5 سال پیش 0.14 مگابایت نوع : pdf بازدید : 7433 منتشرکننده : چراغ چک
سیستم سوخت رسانی و جرقه لیفان X60 ایسیو MT22.1
5 سال پیش 0.15 مگابایت نوع : pdf بازدید : 12200 منتشرکننده : چراغ چک
جعبه فیوز محفظه موتور برلیانس V5
5 سال پیش 1.07 مگابایت نوع : pdf بازدید : 5336 منتشرکننده : چراغ چک
جعبه فیوز و رله محفظه موتور برلیانس H220 & H230
5 سال پیش 0.15 مگابایت نوع : pdf بازدید : 41078 منتشرکننده : چراغ چک
پین اوت ایسیو چانگان ایدو Changan EADO
5 سال پیش 1.27 مگابایت نوع : pdf بازدید : 6269 منتشرکننده : چراغ چک
جعبه رله و فیوز محفظه موتور لیفان 620
5 سال پیش 0.11 مگابایت نوع : pdf بازدید : 42893 منتشرکننده : چراغ چک
پشت کیلومتر MVM550
5 سال پیش 0.12 مگابایت نوع : pdf بازدید : 16296 منتشرکننده : چراغ چک
جعبه فیوز و رله داخل اتاق خودروی کپچر
5 سال پیش 2.07 مگابایت نوع : pdf بازدید : 7549 منتشرکننده : فرشاد حسین پور
مدار فن تک موتوره(پراید،تندر ۹۰،پژو۲۰۶
5 سال پیش 0.99 مگابایت نوع : pdf بازدید : 21099 منتشرکننده : yasinsolgi
مایع ادبلو
5 سال پیش 1.26 مگابایت نوع : pdf بازدید : 7191 منتشرکننده : مهدی وظیفه
راهنما موتور mg550 زبان اصلی
5 سال پیش 1.12 مگابایت نوع : pdf بازدید : 11624 منتشرکننده : A.rahmani
راهنمای بدنه MVM 110
5 سال پیش 3.59 مگابایت نوع : pdf بازدید : 10108 منتشرکننده : عمار رضوی
کتاب درسی مولد قدرت خودروهای سواری جلد دوم
5 سال پیش 19.76 مگابایت نوع : pdf بازدید : 11568 منتشرکننده : کارگیک
کتاب درسی نقشه کشی و نقشه خوانی برای تعمیرکاران
5 سال پیش 4.9 مگابایت نوع : pdf بازدید : 16000 منتشرکننده : کارگیک
کتاب درسی مولد قدرت خودروهای سواری جلد اول
5 سال پیش 13.51 مگابایت نوع : pdf بازدید : 11502 منتشرکننده : کارگیک
کتاب درسی مبانی برق و الکترونیک در خودرو
5 سال پیش 16.22 مگابایت نوع : pdf بازدید : 19279 منتشرکننده : کارگیک
کتاب درسی مدارهای پایه در الکترونیک
5 سال پیش 29.8 مگابایت نوع : pdf بازدید : 6601 منتشرکننده : کارگیک
کتاب درسی مدارهای الکتریکی خودرو
5 سال پیش 27.11 مگابایت نوع : pdf بازدید : 14189 منتشرکننده : کارگیک
کتاب درسی مبانی الکتریسیته
5 سال پیش 36.44 مگابایت نوع : pdf بازدید : 5273 منتشرکننده : کارگیک
کتاب درسی کاربرد فناوری های نوین
5 سال پیش 6.9 مگابایت نوع : pdf بازدید : 4477 منتشرکننده : کارگیک
کتاب درسی فلزکاری عمومی درکشاورزی ۱
5 سال پیش 5.74 مگابایت نوع : pdf بازدید : 3877 منتشرکننده : کارگیک
کتاب درسی فلزکاری عمومی درکشاورزی ۲
5 سال پیش 2.93 مگابایت نوع : pdf بازدید : 4120 منتشرکننده : کارگیک
کتاب درسی فلزکاری جلد اول
5 سال پیش 10.97 مگابایت نوع : pdf بازدید : 4950 منتشرکننده : کارگیک
کتاب درسی فلزکاری جلد دوم
5 سال پیش 19.87 مگابایت نوع : pdf بازدید : 4338 منتشرکننده : کارگیک
کتاب درسی سیم پیچی الکتروموتورهای سه فاز
5 سال پیش 11.84 مگابایت نوع : pdf بازدید : 4525 منتشرکننده : کارگیک
کتاب درسی سیستم هدایت و کنترل خودرو
5 سال پیش 12.27 مگابایت نوع : pdf بازدید : 10019 منتشرکننده : کارگیک
کتاب درسی سیم پیچی الکترو موتورهای تکفاز
5 سال پیش 8.93 مگابایت نوع : pdf بازدید : 8360 منتشرکننده : کارگیک
کتاب درسی سیستم های روشنایی و ضد سرقت خودرو
5 سال پیش 17.65 مگابایت نوع : pdf بازدید : 10223 منتشرکننده : کارگیک
کتاب درسی سیستم های الکتریکی خودرو
5 سال پیش 23.47 مگابایت نوع : pdf بازدید : 11926 منتشرکننده : کارگیک
کتاب درسی سیستم سوخت رسانی و جرقه خودروهای سواری
5 سال پیش 12.49 مگابایت نوع : pdf بازدید : 13755 منتشرکننده : کارگیک
کتاب درسی رسم فنی ۱
5 سال پیش 9.68 مگابایت نوع : pdf بازدید : 4281 منتشرکننده : کارگیک
کتاب درسی رسم فنی ۲
5 سال پیش 5.69 مگابایت نوع : pdf بازدید : 5512 منتشرکننده : کارگیک
کتاب درسی رانندگی تراکتور و تیلر
5 سال پیش 14.27 مگابایت نوع : pdf بازدید : 7046 منتشرکننده : کارگیک
کتاب درسی تعمیر موتور دیزل
5 سال پیش 22.51 مگابایت نوع : pdf بازدید : 9075 منتشرکننده : کارگیک
کتاب درسی تراشکاری جلد دوم
5 سال پیش 17.35 مگابایت نوع : pdf بازدید : 4778 منتشرکننده : کارگیک
کتاب درسی تراشکاری جلد اول
5 سال پیش 18.6 مگابایت نوع : pdf بازدید : 4730 منتشرکننده : کارگیک
کتاب درسی برنامه نویسی CNC
5 سال پیش 2.57 مگابایت نوع : pdf بازدید : 5171 منتشرکننده : کارگیک
کتاب درسی انتقال قدرت خودروهای سواری
5 سال پیش 14.49 مگابایت نوع : pdf بازدید : 9196 منتشرکننده : کارگیک
کتاب درسی باز پیچی الکتروموتورها
5 سال پیش 10.2 مگابایت نوع : pdf بازدید : 4664 منتشرکننده : کارگیک
کتاب درسی الکترونیک پایه
5 سال پیش 19.12 مگابایت نوع : pdf بازدید : 6489 منتشرکننده : کارگیک
کتاب درسی اتصال ماشین های یدک کش
5 سال پیش 1.76 مگابایت نوع : pdf بازدید : 4545 منتشرکننده : کارگیک
کتاب درسی تعمیرات سیستم سوخت و جرقه
5 سال پیش 12.91 مگابایت نوع : pdf بازدید : 8267 منتشرکننده : کارگیک
کتاب درسی تعمیرات سیستم های برقی خودرو
5 سال پیش 12.35 مگابایت نوع : pdf بازدید : 13885 منتشرکننده : کارگیک
کتاب درسی تعمیرات سیستم تعلیق، فرمان و ترمز خودرو
5 سال پیش 7.14 مگابایت نوع : pdf بازدید : 9558 منتشرکننده : کارگیک
کتاب درسی تعمیرات جعبه دنده و دیفرانسیل
5 سال پیش 6.37 مگابایت نوع : pdf بازدید : 6675 منتشرکننده : کارگیک
کتاب درسی تعمیر موتور و سیستم های مکانیکی تراکتور
5 سال پیش 8.59 مگابایت نوع : pdf بازدید : 6442 منتشرکننده : کارگیک
کتاب درسی تعمیرات مکانیکی موتور
5 سال پیش 13.44 مگابایت نوع : pdf بازدید : 10601 منتشرکننده : کارگیک
کتاب درسی تعمیر و تنظیم ماشین های زراعی و باغی
5 سال پیش 10.34 مگابایت نوع : pdf بازدید : 4267 منتشرکننده : کارگیک
کتاب درسی تعمیر و مونتاژ تجهیزات کشاورزی
5 سال پیش 10.08 مگابایت نوع : pdf بازدید : 4004 منتشرکننده : کارگیک
کتاب درسی تعمیر و نگهداری سامانه رانشی کشتی
5 سال پیش 7.66 مگابایت نوع : pdf بازدید : 4797 منتشرکننده : کارگیک
کتاب درسی تعمیر و نگهداری ماشین آلات کشتی
5 سال پیش 12.48 مگابایت نوع : pdf بازدید : 4088 منتشرکننده : کارگیک
کتاب درسی تولید قطعات به روش تراشکاری (فرزکاری و سنگ زنی)
5 سال پیش 9.76 مگابایت نوع : pdf بازدید : 4611 منتشرکننده : کارگیک
کتاب درسی دانش فنی پایه - الکترونیک
5 سال پیش 18.89 مگابایت نوع : pdf بازدید : 5011 منتشرکننده : کارگیک
کتاب درسی تولید قطعات به روش تراشکاری و CNC
5 سال پیش 6.67 مگابایت نوع : pdf بازدید : 5987 منتشرکننده : کارگیک
کتاب درسی تولید به روش مونتاژکاری
5 سال پیش 8.96 مگابایت نوع : pdf بازدید : 4235 منتشرکننده : کارگیک
کتاب درسی تولید قطعات به روش تراشکاری
5 سال پیش 9.22 مگابایت نوع : pdf بازدید : 4227 منتشرکننده : کارگیک
کتاب درسی دانش فنی پایه - حمل و نقل
5 سال پیش 7.31 مگابایت نوع : pdf بازدید : 3766 منتشرکننده : کارگیک
کتاب درسی دانش فنی پایه مکاترونیک
5 سال پیش 15.76 مگابایت نوع : pdf بازدید : 3927 منتشرکننده : کارگیک
کتاب درسی دانش فنی پایه - ماشین ابزار
5 سال پیش 5.91 مگابایت نوع : pdf بازدید : 4090 منتشرکننده : کارگیک
کتاب درسی دانش فنی پایه - ماشین های کشاورزی
5 سال پیش 4.06 مگابایت نوع : pdf بازدید : 3602 منتشرکننده : کارگیک
کتاب درسی دانش فنی پایه - مکانیک خودرو
5 سال پیش 3.89 مگابایت نوع : pdf بازدید : 5541 منتشرکننده : کارگیک
کتاب درسی دانش فنی تخصصی - الکترونیک
5 سال پیش 7.18 مگابایت نوع : pdf بازدید : 5041 منتشرکننده : کارگیک
کتاب درسی دانش فنی تخصصی - حمل و نقل
5 سال پیش 6.05 مگابایت نوع : pdf بازدید : 3907 منتشرکننده : کارگیک
کتاب درسی دانش فنی تخصصی - ماشین های کشاورزی
5 سال پیش 12.29 مگابایت نوع : pdf بازدید : 3716 منتشرکننده : کارگیک
کتاب درسی دانش فنی تخصصی - ماشین ابزار
5 سال پیش 8.05 مگابایت نوع : pdf بازدید : 4259 منتشرکننده : کارگیک
کتاب درسی دانش فنی تخصصی - مکاترونیک
5 سال پیش 7.74 مگابایت نوع : pdf بازدید : 4623 منتشرکننده : کارگیک
کتاب درسی دانش فنی تخصصی - مکانیک خودرو
5 سال پیش 5.96 مگابایت نوع : pdf بازدید : 5347 منتشرکننده : کارگیک
کتاب درسی دانش فنی تخصصی - مکانیک موتورهای دریایی
5 سال پیش 8.95 مگابایت نوع : pdf بازدید : 4427 منتشرکننده : کارگیک
کتاب درسی ساخت تجهیزات مکاترونیکی
5 سال پیش 8.65 مگابایت نوع : pdf بازدید : 4509 منتشرکننده : کارگیک
کتاب درسی سرویس و نگهداری خودروهای سواری
5 سال پیش 6.01 مگابایت نوع : pdf بازدید : 7446 منتشرکننده : کارگیک
کتاب درسی عملیات ایمنی و امدادرسانی
5 سال پیش 11.79 مگابایت نوع : pdf بازدید : 4005 منتشرکننده : کارگیک
کتاب درسی کاربرد و سرویس ماشین های برداشت و پس از برداشت
5 سال پیش 13.41 مگابایت نوع : pdf بازدید : 4873 منتشرکننده : کارگیک
کتاب درسی عملیات راهداری و نگهداری راه
5 سال پیش 14.54 مگابایت نوع : pdf بازدید : 3694 منتشرکننده : کارگیک
کتاب درسی عملیات روی کشتی
5 سال پیش 8.46 مگابایت نوع : pdf بازدید : 4275 منتشرکننده : کارگیک
کتاب درسی کاربرد و سرویس ماشینهای کاشت و داشت
5 سال پیش 13.02 مگابایت نوع : pdf بازدید : 3624 منتشرکننده : کارگیک
کتاب درسی مونتاژ و دمونتاژ قطعات اس ام دی و مستندسازی
5 سال پیش 5.99 مگابایت نوع : pdf بازدید : 4705 منتشرکننده : کارگیک
کتاب درسی نصب و راه اندازی مصنوعات مکاترونیکی
5 سال پیش 17.46 مگابایت نوع : pdf بازدید : 3989 منتشرکننده : کارگیک
کتاب درسی نصب و راه ندازی سیستم های کنترلی مکاترونیک
5 سال پیش 17.46 مگابایت نوع : pdf بازدید : 5113 منتشرکننده : کارگیک
کتاب درسی نقشه کشی فنی رایانه ای - گروه مکانیک
5 سال پیش 10.14 مگابایت نوع : pdf بازدید : 4505 منتشرکننده : کارگیک
کتاب درسی نگهداری و تعمیر سیستم های هیدرولیک و پنوماتیک
5 سال پیش 10.72 مگابایت نوع : pdf بازدید : 7000 منتشرکننده : کارگیک
کتاب درسی نگهداری و کاربرد ماشین های کشاورزی
5 سال پیش 10.18 مگابایت نوع : pdf بازدید : 3938 منتشرکننده : کارگیک
کتاب درسی همراه هنرجو - الکترونیک
5 سال پیش 18.43 مگابایت نوع : pdf بازدید : 5238 منتشرکننده : کارگیک
کتاب درسی همراه هنرجو - ماشین ابزار
5 سال پیش 22.12 مگابایت نوع : pdf بازدید : 3975 منتشرکننده : کارگیک
کتاب درسی هدایت کشتی
5 سال پیش 6.16 مگابایت نوع : pdf بازدید : 3965 منتشرکننده : کارگیک
کتاب درسی همراه هنرجو - ماشین های کشاورزی
5 سال پیش 10.98 مگابایت نوع : pdf بازدید : 3805 منتشرکننده : کارگیک
کتاب درسی همراه هنرجو - مکانیک خودرو
5 سال پیش 11.73 مگابایت نوع : pdf بازدید : 6448 منتشرکننده : کارگیک
کتاب درسی همراه هنرجو - مکانیک موتورهای دریایی
5 سال پیش 9.9 مگابایت نوع : pdf بازدید : 5179 منتشرکننده : کارگیک
نقشه FN پژو 206 P6L
5 سال پیش 0.1 مگابایت نوع : pdf بازدید : 8625 منتشرکننده : کارگیک
نقشه FCM رانا و 206 صندوقدار P6L ECO MUX
5 سال پیش 0.07 مگابایت نوع : pdf بازدید : 5302 منتشرکننده : کارگیک
نقشه FCM رانا و 206 P6L SP MUX
5 سال پیش 0.13 مگابایت نوع : pdf بازدید : 13613 منتشرکننده : کارگیک
نقشه FCM پژو 206 هاچ بک P6L ECO MUX
5 سال پیش 0.07 مگابایت نوع : pdf بازدید : 5127 منتشرکننده : کارگیک
نقشه CCN پژو 206 P6L
5 سال پیش 0.17 مگابایت نوع : pdf بازدید : 5345 منتشرکننده : کارگیک
نقشه BCM پژو 206 صندوقدار P6L ECO MUX
5 سال پیش 0.26 مگابایت نوع : pdf بازدید : 11768 منتشرکننده : کارگیک
نقشه BCM رانا و پژو 206 P6L SP MUX
5 سال پیش 0.2 مگابایت نوع : pdf بازدید : 5268 منتشرکننده : کارگیک
نقشه BCM پژو 206 هاچ بک P6L ECO MUX
5 سال پیش 0.27 مگابایت نوع : pdf بازدید : 7138 منتشرکننده : کارگیک
نقشه Interior Relay Box پژو 206 صندوقدار P6L ECO MUX
5 سال پیش 0.1 مگابایت نوع : pdf بازدید : 3553 منتشرکننده : کارگیک
نقشه Interior Relay Box پژو 206 P6L SP MUX
5 سال پیش 0.1 مگابایت نوع : pdf بازدید : 3249 منتشرکننده : کارگیک
نقشه Interior Relay Box پژو 206 هاچ بک P6L ECO MUX
5 سال پیش 0.1 مگابایت نوع : pdf بازدید : 3806 منتشرکننده : کارگیک
نقشه FUSE BOX (INTERIOR) پژو 206 P6L SP MUX
5 سال پیش 0.06 مگابایت نوع : pdf بازدید : 5726 منتشرکننده : کارگیک
نقشه Fuse Box (Interior) پژو 206 P6L ECO MUX
5 سال پیش 0.09 مگابایت نوع : pdf بازدید : 3588 منتشرکننده : کارگیک
نقشه Fuse Box (Front Bracket) رانا و پژو 206 P6L ECO MUX
5 سال پیش 0.13 مگابایت نوع : pdf بازدید : 3792 منتشرکننده : کارگیک
نقشه FUSE BOX (FRONT BRACKET) پژو 206 P6L SP MUX
5 سال پیش 0.06 مگابایت نوع : pdf بازدید : 3735 منتشرکننده : کارگیک
نقشه FN Fuse Box پژو 206 P6L
5 سال پیش 0.06 مگابایت نوع : pdf بازدید : 4167 منتشرکننده : کارگیک
نقشه Engine Relay Box رانا و پژو 206 P6L ECO MUX
5 سال پیش 0.17 مگابایت نوع : pdf بازدید : 3685 منتشرکننده : کارگیک
نقشه Engine Relay Box پژو 206 P6L SP MUX
5 سال پیش 0.09 مگابایت نوع : pdf بازدید : 3362 منتشرکننده : کارگیک
نقشه Engine Relay Box (FN) پژو 206 P6L
5 سال پیش 0.08 مگابایت نوع : pdf بازدید : 4180 منتشرکننده : کارگیک
نقشه CCN Fuse Box پژو 206 P6L
5 سال پیش 0.06 مگابایت نوع : pdf بازدید : 3812 منتشرکننده : کارگیک
نقشه شیشه بالابر عقب پژو 206 P6L ECO
5 سال پیش 0.2 مگابایت نوع : pdf بازدید : 6204 منتشرکننده : کارگیک
نقشه شیشه بالابر عقب پژو 206 P6L SP MUX
5 سال پیش 0.12 مگابایت نوع : pdf بازدید : 3805 منتشرکننده : کارگیک
نقشه شیشه بالابر عقب پژو 206 P6L
5 سال پیش 0.14 مگابایت نوع : pdf بازدید : 10048 منتشرکننده : کارگیک
نقشه شیشه بالابر و آینه های پژو 206 P6L ECO
5 سال پیش 0.2 مگابایت نوع : pdf بازدید : 4425 منتشرکننده : کارگیک
نقشه شیشه بالابر و آینه های پژو 206 P6L SP MUX
5 سال پیش 0.12 مگابایت نوع : pdf بازدید : 4012 منتشرکننده : کارگیک
نقشه شیشه بالابر و آینه های پژو 206 P6L
5 سال پیش 0.16 مگابایت نوع : pdf بازدید : 19809 منتشرکننده : کارگیک
نقشه چراغ ترمز و استپ پژو 206 صندوقدار P6L ECO
5 سال پیش 0.16 مگابایت نوع : pdf بازدید : 9851 منتشرکننده : کارگیک
نقشه چراغ ترمز و استپ پژو 206 صندوقدار P6L
5 سال پیش 0.14 مگابایت نوع : pdf بازدید : 5758 منتشرکننده : کارگیک
نقشه چراغ ترمز و استپ پژو 206 P6L SP MUX
5 سال پیش 0.12 مگابایت نوع : pdf بازدید : 4171 منتشرکننده : کارگیک
نقشه چراغ ترمز و استپ پژو 206 هاچ بک P6L ECO
5 سال پیش 0.14 مگابایت نوع : pdf بازدید : 3744 منتشرکننده : کارگیک
نقشه چراغ ترمز و استپ پژو 206 هاچ بک P6L
5 سال پیش 0.14 مگابایت نوع : pdf بازدید : 6225 منتشرکننده : کارگیک
نقشه چراغ جانبی پژو 206 صندوقدار P6L ECO MUX
5 سال پیش 0.15 مگابایت نوع : pdf بازدید : 3544 منتشرکننده : کارگیک
نقشه چراغ جانبی پژو 206 صندوقدار P6L
5 سال پیش 0.14 مگابایت نوع : pdf بازدید : 3572 منتشرکننده : کارگیک
نقشه چراغ جانبی پژو 206 هاچ بک P6L ECO MUX
5 سال پیش 0.15 مگابایت نوع : pdf بازدید : 2925 منتشرکننده : کارگیک
نقشه چراغ جانبی پژو 206 هاچ بک P6L
5 سال پیش 0.15 مگابایت نوع : pdf بازدید : 3553 منتشرکننده : کارگیک
نقشه چراغ جانبی پژو 206 P6L SP MUX
5 سال پیش 0.12 مگابایت نوع : pdf بازدید : 3182 منتشرکننده : کارگیک
نقشه چراغ سقفی و کلید لادری پژو 206 P6L ECO MUX
5 سال پیش 0.18 مگابایت نوع : pdf بازدید : 10190 منتشرکننده : کارگیک
نقشه چراغ سقفی و کلید لادری پژو 206 P6L
5 سال پیش 0.16 مگابایت نوع : pdf بازدید : 4762 منتشرکننده : کارگیک
نقشه چراغ سقفی و کلید لادری پژو 206 P6L SP MUX
5 سال پیش 0.14 مگابایت نوع : pdf بازدید : 14506 منتشرکننده : کارگیک
نقشه چراغ دنده عقب پژو 206 صندوقدار P6L ECO MUX
5 سال پیش 0.13 مگابایت نوع : pdf بازدید : 5631 منتشرکننده : کارگیک
نقشه چراغ دنده عقب پژو 206 P6L SP MUX
5 سال پیش 0.13 مگابایت نوع : pdf بازدید : 3489 منتشرکننده : کارگیک
نقشه چراغ دنده عقب پژو 206 P6L
5 سال پیش 0.11 مگابایت نوع : pdf بازدید : 10641 منتشرکننده : کارگیک
نقشه چراغ دنده عقب پژو 206 هاچ بک P6L ECO MUX
5 سال پیش 0.13 مگابایت نوع : pdf بازدید : 4884 منتشرکننده : کارگیک
نقشه چراغ جلو پژو 206 P6L ECO MUX
5 سال پیش 0.17 مگابایت نوع : pdf بازدید : 5038 منتشرکننده : کارگیک
نقشه چراغ جلو پژو 206 P6L
5 سال پیش 0.16 مگابایت نوع : pdf بازدید : 16205 منتشرکننده : کارگیک
نقشه فلاشر پژو 206 صندوقدار P6L ECO MUX
5 سال پیش 0.18 مگابایت نوع : pdf بازدید : 3781 منتشرکننده : کارگیک
نقشه فلاشر پژو 206 هاچ بک P6L ECO MUX
5 سال پیش 0.18 مگابایت نوع : pdf بازدید : 3508 منتشرکننده : کارگیک
نقشه فلاشر پژو 206 P6L
5 سال پیش 0.17 مگابایت نوع : pdf بازدید : 5837 منتشرکننده : کارگیک
نقشه فلاشر پژو 206 P6L SP MUX
5 سال پیش 0.12 مگابایت نوع : pdf بازدید : 3755 منتشرکننده : کارگیک
نقشه مه شکن جلو و عقب پژو 206 P6L ECO MUX
5 سال پیش 0.14 مگابایت نوع : pdf بازدید : 4096 منتشرکننده : کارگیک
نقشه مه شکن جلو و عقب پژو 206 P6L
5 سال پیش 0.12 مگابایت نوع : pdf بازدید : 3489 منتشرکننده : کارگیک
نقشه مه شکن جلو و عقب پژو 206 P6L SP MUX
5 سال پیش 0.11 مگابایت نوع : pdf بازدید : 11365 منتشرکننده : کارگیک
نقشه چراغ جلو پژو 206 P6L SP
5 سال پیش 0.13 مگابایت نوع : pdf بازدید : 4090 منتشرکننده : کارگیک
نقشه سیمکشی 206 غرب استیل MAW
5 سال پیش 1.16 مگابایت نوع : pdf بازدید : 25569 منتشرکننده : HOCRIN_RAZAVI
نقشه نمایشگر چندمنظوره پژو 206 P6L SPMUX
5 سال پیش 0.18 مگابایت نوع : pdf بازدید : 3186 منتشرکننده : کارگیک
نقشه نمایشگر چندمنظوره پژو 206 P6L ECO MUX
5 سال پیش 0.14 مگابایت نوع : pdf بازدید : 5462 منتشرکننده : کارگیک
نقشه نمایشگر چندمنظوره پژو 206 P6L
5 سال پیش 0.13 مگابایت نوع : pdf بازدید : 3118 منتشرکننده : کارگیک
نقشه صفحه نمایشگر داشبورد جلوآمپر پژو 206 P6L SP MUX
5 سال پیش 0.14 مگابایت نوع : pdf بازدید : 5064 منتشرکننده : کارگیک
نقشه صفحه نمایشگر داشبورد جلوآمپر پژو 206 P6L
5 سال پیش 0.12 مگابایت نوع : pdf بازدید : 3847 منتشرکننده : کارگیک
نقشه صفحه نمایشگر داشبورد جلوآمپر پژو 206 P6L ECO MUX
5 سال پیش 0.16 مگابایت نوع : pdf بازدید : 4026 منتشرکننده : کارگیک
نقشه نشانگر سطح بنزین پژو 206 P6L SP MUX Bosch ME17
5 سال پیش 0.11 مگابایت نوع : pdf بازدید : 3298 منتشرکننده : کارگیک
نقشه نشانگر سطح بنزین پژو 206 ایزی یو P6L ECO MUX TU5 SIEMENS(Easy U)
5 سال پیش 0.12 مگابایت نوع : pdf بازدید : 4139 منتشرکننده : کارگیک
نقشه نشانگر سطح بنزین پژو 206 غرب استیل P6L ECO MUX GHARB STEEL
5 سال پیش 0.13 مگابایت نوع : pdf بازدید : 3145 منتشرکننده : کارگیک
نقشه نشانگر سطح بنزین پژو 206 غرب استیل P6L SP MUX Gharb Steel
5 سال پیش 0.12 مگابایت نوع : pdf بازدید : 3508 منتشرکننده : کارگیک
نقشه نشانگر سطح بنزین پژو 206 P6L SP MUX SSAT
5 سال پیش 0.11 مگابایت نوع : pdf بازدید : 3555 منتشرکننده : کارگیک
نقشه نشانگر سطح بنزین پژو 206 کروز P6L ECO MUX CRUOSE
5 سال پیش 0.13 مگابایت نوع : pdf بازدید : 3286 منتشرکننده : کارگیک
نقشه نشانگر سطح بنزین پژو 206 P6L
5 سال پیش 0.13 مگابایت نوع : pdf بازدید : 7478 منتشرکننده : کارگیک
نقشه نشانگر فشار روغن موتور پژو 206 P6L ECO MUX
5 سال پیش 0.12 مگابایت نوع : pdf بازدید : 5066 منتشرکننده : کارگیک
نقشه نشانگر فشار روغن موتور پژو 206 P6L
5 سال پیش 0.1 مگابایت نوع : pdf بازدید : 14047 منتشرکننده : کارگیک
نقشه نشانگر فشار روغن موتور پژو 206 P6L SPMUX
5 سال پیش 0.11 مگابایت نوع : pdf بازدید : 3692 منتشرکننده : کارگیک
نقشه نشانگر دمای آب پژو 206 P6L SP MUX Bosch ME17
5 سال پیش 0.09 مگابایت نوع : pdf بازدید : 4333 منتشرکننده : کارگیک
نقشه نشانگر دمای آب پژو 206 زیمنس ایزی یو P6L ECO MUX TU5 SIEMENS(Easy U)
5 سال پیش 0.11 مگابایت نوع : pdf بازدید : 4144 منتشرکننده : کارگیک
نقشه نشانگر دمای آب پژو 206 غرب استیل P6L ECO MUX GHARB STEEL
5 سال پیش 0.12 مگابایت نوع : pdf بازدید : 3415 منتشرکننده : کارگیک
نقشه نشانگر دمای آب پژو 206 کروز P6L ECO MUX CRUOSE
5 سال پیش 0.12 مگابایت نوع : pdf بازدید : 3217 منتشرکننده : کارگیک
نقشه نشانگر دمای آب پژو 206 P6L
5 سال پیش 0.12 مگابایت نوع : pdf بازدید : 8620 منتشرکننده : کارگیک
نقشه نشانگر دمای آب پژو 206 P6L SP MUX SSAT
5 سال پیش 0.11 مگابایت نوع : pdf بازدید : 3850 منتشرکننده : کارگیک
نقشه نشانگر دمای آب پژو 206 P6L SP MUX TU3
5 سال پیش 0.13 مگابایت نوع : pdf بازدید : 3457 منتشرکننده : کارگیک
نقشه نشانگر سطح روغن ترمز و لامپ اخطار ترمز پژو 206 P6L ECO MUX
5 سال پیش 0.14 مگابایت نوع : pdf بازدید : 4938 منتشرکننده : کارگیک
نقشه نشانگر سطح روغن ترمز و لامپ اخطار ترمز پژو 206 P6L
5 سال پیش 0.12 مگابایت نوع : pdf بازدید : 3530 منتشرکننده : کارگیک
نقشه نشانگر سطح روغن ترمز و لامپ اخطار ترمز پژو 206 P6L SP MUX
5 سال پیش 0.11 مگابایت نوع : pdf بازدید : 7116 منتشرکننده : کارگیک
نقشه سیستم سوخت رسانی پژو 206 غرب استیل P6L SP MUX Gharb Steel
5 سال پیش 0.26 مگابایت نوع : pdf بازدید : 7484 منتشرکننده : کارگیک
نقشه سیستم سوخت رسانی پژو 206 P6L SP Mux Bosch ME17
5 سال پیش 0.13 مگابایت نوع : pdf بازدید : 10283 منتشرکننده : کارگیک
نقشه سیستم سوخت رسانی پژو 206 P6L ECO MUX TU3
5 سال پیش 0.25 مگابایت نوع : pdf بازدید : 3879 منتشرکننده : کارگیک
نقشه سیستم سوخت رسانی پژو 206 غرب استیل P6L ECO MUX GHARB STEEL
5 سال پیش 0.28 مگابایت نوع : pdf بازدید : 3637 منتشرکننده : کارگیک
نقشه سیستم سوخت رسانی پژو 206 P6L SP MUX SSAT
5 سال پیش 0.15 مگابایت نوع : pdf بازدید : 8440 منتشرکننده : کارگیک
نقشه سیستم سوخت رسانی پژو 206 زیمنس ایزی یو P6L - ECO MUX TU5 SIEMENS (Easy U)
5 سال پیش 0.21 مگابایت نوع : pdf بازدید : 15814 منتشرکننده : کارگیک
نقشه سیستم سوخت رسانی پژو 206 کروز P6L MUX TU5 CROUSE
5 سال پیش 0.26 مگابایت نوع : pdf بازدید : 6716 منتشرکننده : کارگیک
نقشه سیستم سوخت رسانی پژو 206 P6L
5 سال پیش 0.24 مگابایت نوع : pdf بازدید : 4033 منتشرکننده : کارگیک
نقشه سیستم سوخت رسانی پژو 206 ECU VALEO J34P TU3A
5 سال پیش 0.69 مگابایت نوع : pdf بازدید : 11283 منتشرکننده : کارگیک
نقشه سیستم سوخت رسانی پژو 206 TU3A J34P
5 سال پیش 0.56 مگابایت نوع : pdf بازدید : 3977 منتشرکننده : کارگیک
نقشه سیمکشی ME17.9.71
5 سال پیش 0.47 مگابایت نوع : pdf بازدید : 30061 منتشرکننده : HOCRIN_RAZAVI
نقشه فن خنک کننده موتور پژو 206 P6L SP MUX SSAT
5 سال پیش 0.11 مگابایت نوع : pdf بازدید : 4946 منتشرکننده : کارگیک
نقشه فن خنک کننده موتور پژو 206 غرب استیل P6L ECO MUX GHARB STEEL
5 سال پیش 0.12 مگابایت نوع : pdf بازدید : 3374 منتشرکننده : کارگیک
نقشه فن خنک کننده موتور پژو 206 غرب استیل P6L SP MUX Gharb Steel
5 سال پیش 0.13 مگابایت نوع : pdf بازدید : 3337 منتشرکننده : کارگیک
نقشه فن خنک کننده موتور پژو 206 P6L
5 سال پیش 0.14 مگابایت نوع : pdf بازدید : 20800 منتشرکننده : کارگیک
نقشه فن خنک کننده موتور پژو 206 کروز P6L ECO MUX CROUSE
5 سال پیش 0.16 مگابایت نوع : pdf بازدید : 5602 منتشرکننده : کارگیک
نقشه فن خنک کننده موتور پژو 206 زیمنس ایزی یو P6L ECO MUX TU5 SIEMENS (Easy U)
5 سال پیش 0.12 مگابایت نوع : pdf بازدید : 6074 منتشرکننده : کارگیک
نقشه فن خنک کننده موتور پژو 206 P6L SP MUX Bosch ME17
5 سال پیش 0.09 مگابایت نوع : pdf بازدید : 4340 منتشرکننده : کارگیک
نقشه دزدگیر پژو 206 P6L SPMUX
5 سال پیش 0.16 مگابایت نوع : pdf بازدید : 3761 منتشرکننده : کارگیک
نقشه دزدگیر پژو 206 P6L ECO
5 سال پیش 0.15 مگابایت نوع : pdf بازدید : 5202 منتشرکننده : کارگیک
نقشه سنسور دنده عقب پژو 206 P6L SP MUX
5 سال پیش 0.17 مگابایت نوع : pdf بازدید : 5315 منتشرکننده : کارگیک
نقشه سنسور دنده عقب پژو 206 P6L ECO MUX
5 سال پیش 0.14 مگابایت نوع : pdf بازدید : 15861 منتشرکننده : کارگیک
نقشه سیستم ضد سرقت ایموبیلایزر پژو 206 P6L ECO MUX غرب استیل
5 سال پیش 0.1 مگابایت نوع : pdf بازدید : 5693 منتشرکننده : کارگیک
نقشه سیستم ضد سرقت ایموبیلایزر پژو 206 زیمنس ایزی یو ECO MUX TU5 SIEMENS (Easy U)
5 سال پیش 0.11 مگابایت نوع : pdf بازدید : 4952 منتشرکننده : کارگیک
نقشه سیستم ضد سرقت ایموبیلایزر پژو 206 P6L SP MUX TU3 غرب استیل
5 سال پیش 0.11 مگابایت نوع : pdf بازدید : 3397 منتشرکننده : کارگیک
نقشه سیستم ضد سرقت ایموبیلایزر پژو 206 P6L SP MUX SSAT
5 سال پیش 0.11 مگابایت نوع : pdf بازدید : 4275 منتشرکننده : کارگیک
نقشه سیستم ضد سرقت ایموبیلایزر پژو 206 P6L
5 سال پیش 0.12 مگابایت نوع : pdf بازدید : 3626 منتشرکننده : کارگیک
نقشه سیستم ضد سرقت ایموبیلایزر پژو 206 P6L SP MUX Bosch ME17
5 سال پیش 0.1 مگابایت نوع : pdf بازدید : 3873 منتشرکننده : کارگیک
نقشه سیستم ضد سرقت ایموبیلایزر پژو 206 P6L ECO MUX CROUSE
5 سال پیش 0.16 مگابایت نوع : pdf بازدید : 4052 منتشرکننده : کارگیک
نقشه بوق پژو 206 P6L SP MUX
5 سال پیش 0.11 مگابایت نوع : pdf بازدید : 3549 منتشرکننده : کارگیک
نقشه بوق پژو 206 P6L
5 سال پیش 0.1 مگابایت نوع : pdf بازدید : 17121 منتشرکننده : کارگیک
نقشه بوق پژو 206 P6L ECO MUX
5 سال پیش 0.1 مگابایت نوع : pdf بازدید : 6180 منتشرکننده : کارگیک
نقشه قفل مرکزی پژو 206 P6L SP MUX
5 سال پیش 0.15 مگابایت نوع : pdf بازدید : 4527 منتشرکننده : کارگیک
نقشه قفل مرکزی پژو 206 صندوقدار P6L
5 سال پیش 0.17 مگابایت نوع : pdf بازدید : 5626 منتشرکننده : کارگیک
نقشه قفل مرکزی پژو 206 صندوقدار P6L ECO MUX
5 سال پیش 0.18 مگابایت نوع : pdf بازدید : 3624 منتشرکننده : کارگیک
نقشه قفل مرکزی پژو 206 P6L
5 سال پیش 0.17 مگابایت نوع : pdf بازدید : 3912 منتشرکننده : کارگیک
نقشه قفل مرکزی پژو 206 P6L ECO MUX
5 سال پیش 0.18 مگابایت نوع : pdf بازدید : 15480 منتشرکننده : کارگیک
نقشه ایربگ پژو 206 P6L دو ایربگ
5 سال پیش 0.16 مگابایت نوع : pdf بازدید : 7350 منتشرکننده : کارگیک
نقشه ایربگ پژو 206 P6L تک ایربگ
5 سال پیش 0.17 مگابایت نوع : pdf بازدید : 3561 منتشرکننده : کارگیک
نقشه ایربگ پژو 206 P6L ECO MUX دو ایربگ
5 سال پیش 0.16 مگابایت نوع : pdf بازدید : 3356 منتشرکننده : کارگیک
نقشه ایربگ پژو 206 P6L ECO MUX تک ایربگ
5 سال پیش 0.17 مگابایت نوع : pdf بازدید : 3987 منتشرکننده : کارگیک
نقشه ایربگ پژو 206 P6L SP MUX
5 سال پیش 0.12 مگابایت نوع : pdf بازدید : 3353 منتشرکننده : کارگیک
نقشه ترمز ABS پژو 206 P6L
5 سال پیش 0.14 مگابایت نوع : pdf بازدید : 3469 منتشرکننده : کارگیک
نقشه ترمز ABS Mando mg60 پژو 206 P6L ECO MUX
5 سال پیش 0.16 مگابایت نوع : pdf بازدید : 6322 منتشرکننده : کارگیک
نقشه ترمز ABS Mando MG80 پژو 206 P6L ECO MUX
5 سال پیش 0.17 مگابایت نوع : pdf بازدید : 8032 منتشرکننده : کارگیک
نقشه ترمز ABS پژو 206 MOBIS - P6L ECO MUX
5 سال پیش 0.16 مگابایت نوع : pdf بازدید : 9221 منتشرکننده : کارگیک
نقشه ترمز ABS پژو 206 MOBIS - P6L SP MUX
5 سال پیش 0.13 مگابایت نوع : pdf بازدید : 3340 منتشرکننده : کارگیک
نقشه آینه برقی پژو 206 P6L
5 سال پیش 0.15 مگابایت نوع : pdf بازدید : 3487 منتشرکننده : کارگیک
نقشه فندک پژو 206 P6L
5 سال پیش 0.12 مگابایت نوع : pdf بازدید : 3925 منتشرکننده : کارگیک
نقشه گرم کننده آینه و شیشه عقب پژو 206 P6L
5 سال پیش 0.14 مگابایت نوع : pdf بازدید : 7545 منتشرکننده : کارگیک
نقشه رادیو و پخش CD پژو 206 P6L
5 سال پیش 0.13 مگابایت نوع : pdf بازدید : 17107 منتشرکننده : کارگیک
نقشه سیستم تهویه پژو 206 P6L
5 سال پیش 0.26 مگابایت نوع : pdf بازدید : 5571 منتشرکننده : کارگیک
نقشه رادیو و پخش CD پژو 206 P6L ECO MUX کروز
5 سال پیش 0.14 مگابایت نوع : pdf بازدید : 4251 منتشرکننده : کارگیک
نقشه گرم کننده آینه و شیشه عقب پژو 206 ECO MUX Mannual HVAC
5 سال پیش 0.15 مگابایت نوع : pdf بازدید : 3422 منتشرکننده : کارگیک
نقشه سیستم تهویه دستی پژو 206 P6L ECO MUX
5 سال پیش 0.11 مگابایت نوع : pdf بازدید : 9046 منتشرکننده : کارگیک
نقشه سیستم تهویه پژو 206 P6L ECO MUX کروز
5 سال پیش 0.33 مگابایت نوع : pdf بازدید : 16553 منتشرکننده : کارگیک
نقشه سیستم تهویه پژو 206 P6L SP MUX SSAT
5 سال پیش 0.15 مگابایت نوع : pdf بازدید : 9034 منتشرکننده : کارگیک
نقشه آینه برقی پژو 206 P6L SP MUX
5 سال پیش 0.12 مگابایت نوع : pdf بازدید : 3572 منتشرکننده : کارگیک
نقشه گرم کننده آینه و شیشه عقب پژو 206 P6L SP MUX
5 سال پیش 0.13 مگابایت نوع : pdf بازدید : 3397 منتشرکننده : کارگیک
نقشه فندک پژو 206 P6L SP MUX
5 سال پیش 0.12 مگابایت نوع : pdf بازدید : 9443 منتشرکننده : کارگیک
نقشه رادیو و پخش CD پژو 206 P6L SP MUX
5 سال پیش 0.12 مگابایت نوع : pdf بازدید : 5684 منتشرکننده : کارگیک
نقشه سیستم تهویه پژو 206 P6L ECO MUX TU5 غرب استیل
5 سال پیش 0.24 مگابایت نوع : pdf بازدید : 7687 منتشرکننده : کارگیک
نقشه سیستم تهویه پژو 206 ECO MUX TU5 زیمنس ایزی یو
5 سال پیش 0.2 مگابایت نوع : pdf بازدید : 4564 منتشرکننده : کارگیک
نقشه سیستم تهویه پژو 206 P6L SP MUX Bosch ME17
5 سال پیش 0.21 مگابایت نوع : pdf بازدید : 5254 منتشرکننده : کارگیک
نقشه سیستم تهویه پژو 206 P6L SP MUX TU3 غرب استیل
5 سال پیش 0.19 مگابایت نوع : pdf بازدید : 3678 منتشرکننده : کارگیک
نقشه گرم کننده آینه و شیشه عقب پژو 206 P6L SP MUX TU3
5 سال پیش 0.18 مگابایت نوع : pdf بازدید : 3525 منتشرکننده : کارگیک
نقشه سیستم تهویه پژو 206 P6L ECO MUX
5 سال پیش 0.33 مگابایت نوع : pdf بازدید : 3262 منتشرکننده : کارگیک
نقشه آینه برقی پژو 206 P6L ECO MUX
5 سال پیش 0.2 مگابایت نوع : pdf بازدید : 9865 منتشرکننده : کارگیک
نقشه گرم کننده آینه و شیشه عقب پژو 206 ECO MUX
5 سال پیش 0.24 مگابایت نوع : pdf بازدید : 3362 منتشرکننده : کارگیک
نقشه رادیو و پخش CD پژو 206 P6L ECO MUX
5 سال پیش 0.13 مگابایت نوع : pdf بازدید : 3296 منتشرکننده : کارگیک
نقشه فندک پژو 206 P6L ECO MUX
5 سال پیش 0.12 مگابایت نوع : pdf بازدید : 3042 منتشرکننده : کارگیک
جدول اینترکانکتورهای پژو 206 P6L
5 سال پیش 0.15 مگابایت نوع : pdf بازدید : 3765 منتشرکننده : کارگیک
جدول اینترکانکتورهای پژو 206 P6L SP MUX
5 سال پیش 0.13 مگابایت نوع : pdf بازدید : 3513 منتشرکننده : کارگیک
جدول اینترکانکتورهای پژو 206 SP MUX TU3
5 سال پیش 0.08 مگابایت نوع : pdf بازدید : 4238 منتشرکننده : کارگیک
جدول اینترکانکتورهای پژو 206 P6L ECO MUX
5 سال پیش 0.16 مگابایت نوع : pdf بازدید : 7530 منتشرکننده : کارگیک
جدول اینترکانکتورهای پژو 206 زیمنس ایزی یو P6L ECO MUX TU5 SIEMENS ETC(Easy U)
5 سال پیش 0.12 مگابایت نوع : pdf بازدید : 4164 منتشرکننده : کارگیک
نقشه برف پاک کن و شیشه شوی پژو 206 هاچ بک P6L SP MUX
5 سال پیش 0.12 مگابایت نوع : pdf بازدید : 4478 منتشرکننده : کارگیک
نقشه برف پاک کن و شیشه شوی پژو 206 صندوقدار P6L
5 سال پیش 0.11 مگابایت نوع : pdf بازدید : 3151 منتشرکننده : کارگیک
نقشه برف پاک کن و شیشه شوی پژو 206 صندوقدار P6L SP MUX
5 سال پیش 0.15 مگابایت نوع : pdf بازدید : 3264 منتشرکننده : کارگیک
نقشه برف پاک کن و شیشه شوی پژو 206 صندوقدار P6L ECO MUX
5 سال پیش 0.15 مگابایت نوع : pdf بازدید : 8191 منتشرکننده : کارگیک
نقشه برف پاک کن و شیشه شوی پژو 206 هاچ بک P6L
5 سال پیش 0.12 مگابایت نوع : pdf بازدید : 27624 منتشرکننده : کارگیک
نقشه برف پاک کن و شیشه شوی پژو 206 هاچ بک P6L ECO MUX
5 سال پیش 0.17 مگابایت نوع : pdf بازدید : 6016 منتشرکننده : کارگیک
نقشه آلترناتور و استارت پژو 206 P6L SP MUX
5 سال پیش 0.15 مگابایت نوع : pdf بازدید : 3654 منتشرکننده : کارگیک
نقشه آلترناتور و استارت پژو 206 P6L
5 سال پیش 0.12 مگابایت نوع : pdf بازدید : 11660 منتشرکننده : کارگیک
نقشه آلترناتور و استارت پژو 206 P6L ECO MUX
5 سال پیش 0.12 مگابایت نوع : pdf بازدید : 4008 منتشرکننده : کارگیک
جزوه آموزشی موتور پژو 405 XU7 JP L3 و XU7 JP L4 ایساکو
5 سال پیش 6.21 مگابایت نوع : pdf بازدید : 18257 منتشرکننده : Mohammad_Karaj
راهنمای آموزشی تعمیرات ماشین آلات سنگین کوماتسو
5 سال پیش 493.2 مگابایت نوع : pdf بازدید : 8770 منتشرکننده : CarGeek
دستورالعمل عیب یابی و تعویض کمپرسور کولر تیبا
5 سال پیش 0.89 مگابایت نوع : pdf بازدید : 13007 منتشرکننده : CarGeek
جزوه آموزشی دیفرانسیل آریسان
5 سال پیش 1.04 مگابایت نوع : pdf بازدید : 7012 منتشرکننده : CarGeek
راهنمای تعمیرات تزئینات و تجهیزات آریسان
5 سال پیش 2.91 مگابایت نوع : pdf بازدید : 6541 منتشرکننده : CarGeek
مقاله طراحی و ساخت یک مدل خودرانش جهت ارزیابی مانور شناورها در آبهای آزاد
5 سال پیش 0.65 مگابایت نوع : pdf بازدید : 2672 منتشرکننده : CarGeek
مقاله تاثیر بکارگیری کشتی های خودران بر حمل و نقل دریایی
5 سال پیش 0.2 مگابایت نوع : pdf بازدید : 3401 منتشرکننده : CarGeek
راهنمای کدهای خطای سیستم ABS لیفان 620
5 سال پیش 0.27 مگابایت نوع : pdf بازدید : 8648 منتشرکننده : CarGeek
جزوه آموزشی مبانی هیدرولیک
5 سال پیش 3.29 مگابایت نوع : pdf بازدید : 8969 منتشرکننده : CarGeek
کتاب راهنمای کارگاهی موتورهای دیزلی کوماتسو (سری102)
5 سال پیش 185.07 مگابایت نوع : pdf بازدید : 5527 منتشرکننده : CarGeek
دستورالعمل عیب یابی قطعات لاستیکی جلوبندی
5 سال پیش 1.92 مگابایت نوع : pdf بازدید : 7594 منتشرکننده : CarGeek
لیست و شرح کدهای خطای MVM 110
5 سال پیش 0.53 مگابایت نوع : pdf بازدید : 21567 منتشرکننده : CarGeek
لیست و شرح کدهای خطای MVM 530
5 سال پیش 0.27 مگابایت نوع : pdf بازدید : 25455 منتشرکننده : CarGeek
روش رفع خطای (Automatic transmission internal pressure (DF226 مگان
5 سال پیش 0.43 مگابایت نوع : pdf بازدید : 5736 منتشرکننده : CarGeek
اجزاء و مشخصات فنی مخزن سوخت (باک) خودرو- فایل 2
5 سال پیش 9.8 مگابایت نوع : pdf بازدید : 4036 منتشرکننده : CarGeek
اجزاء و مشخصات فنی مخزن سوخت (باک) خودرو
5 سال پیش 2.54 مگابایت نوع : pdf بازدید : 13424 منتشرکننده : CarGeek
بررسی عملکرد ECU ، سنسورها و عملگرهای خودرو
5 سال پیش 2.61 مگابایت نوع : pdf بازدید : 9306 منتشرکننده : CarGeek
دستورالعمل عیب یابی کویل پراید
5 سال پیش 0.66 مگابایت نوع : pdf بازدید : 39805 منتشرکننده : CarGeek
ارائه یک پروتکل جدید مسیریابی امن مبتنی بر موقعیت گره با استفاد ه از رمزنگاری داده ها در شبکه های موردی بین خودرویی
5 سال پیش 1.69 مگابایت نوع : pdf بازدید : 3415 منتشرکننده : CarGeek
توسعه استفاده از سیستم متغییر ترمز (EBD) جهت افزایش ایمنی خودروها
5 سال پیش 0.32 مگابایت نوع : pdf بازدید : 3257 منتشرکننده : CarGeek
کتاب Remarkable Engineers: From Riquet to Shannon
5 سال پیش 2.56 مگابایت نوع : pdf بازدید : 3535 منتشرکننده : CarGeek
راهنمای آموزشی برق بیل مکانیکی کوماتسو PC220-7
5 سال پیش 13.33 مگابایت نوع : pdf بازدید : 24960 منتشرکننده : CarGeek
راهنمای آموزشی Hyundai Genesis SRS System
5 سال پیش 0.93 مگابایت نوع : pdf بازدید : 7559 منتشرکننده : CarGeek
راهنمای آموزشی Hyundai ESP MGH-40
5 سال پیش 0.92 مگابایت نوع : pdf بازدید : 4289 منتشرکننده : CarGeek
راهنمای آموزشی Hyundai Electronically Controlled On-Demand 4WD System
5 سال پیش 1.36 مگابایت نوع : pdf بازدید : 4209 منتشرکننده : CarGeek
مقاله پروتکل مسیریابی ترکیبی انتشار داده های چندرسانه ای در محیط شبکه های بین خودرویی
5 سال پیش 0.71 مگابایت نوع : pdf بازدید : 3478 منتشرکننده : CarGeek
مقاله مرور چالش های خودروهای خودران مجهز به حسگر دید
5 سال پیش 0.73 مگابایت نوع : pdf بازدید : 3314 منتشرکننده : CarGeek
مقاله بررسی و ارزیابی عملکرد خودروهای خودران و نقش آن ها در سیستم حمل و نقل هوشمند
5 سال پیش 1.14 مگابایت نوع : pdf بازدید : 4929 منتشرکننده : CarGeek
مقاله مروری بر توانایی ها، ملزومات و امکانات مورد نیاز در خودروهای خودران
5 سال پیش 1.28 مگابایت نوع : pdf بازدید : 3216 منتشرکننده : CarGeek
مقاله تاثیر خودروهای خودران در کاهش مصرف سوخت و انتشار گازهای گلخانه ای
5 سال پیش 1.24 مگابایت نوع : pdf بازدید : 3326 منتشرکننده : CarGeek
مقاله تحلیل و بررسی عملکرد سیستم های خودروهای خودران
5 سال پیش 0.49 مگابایت نوع : pdf بازدید : 4573 منتشرکننده : CarGeek
مقاله کاربرد اینترنت اشیا در توسعه شهرهای هوشمند با تاکید بر سیستم حمل و نقل هوشمند
5 سال پیش 0.75 مگابایت نوع : pdf بازدید : 3615 منتشرکننده : CarGeek
مقاله بررسی نیازمندیهای سخت افزاری و نرم افزاری در تولید خودروهای خودران
5 سال پیش 0.47 مگابایت نوع : pdf بازدید : 3377 منتشرکننده : CarGeek
مقاله طراحی خودروهای هوشمند جهت افزایش ایمنی خودرو و پیش گیری از حوادث
5 سال پیش 0.16 مگابایت نوع : pdf بازدید : 3925 منتشرکننده : CarGeek
مقاله استفاده از خودروهای خودران در خودرهای اشتراکی
5 سال پیش 0.15 مگابایت نوع : pdf بازدید : 3093 منتشرکننده : CarGeek
میزان فشار باد تایرها در محصولات ایران خودرو
5 سال پیش 0.47 مگابایت نوع : pdf بازدید : 24562 منتشرکننده : CarGeek
راهنمای سرویس و اپراتوری گریدر HG180D1 هپکو
5 سال پیش 24.84 مگابایت نوع : pdf بازدید : 14122 منتشرکننده : CarGeek
راهنمای کامل تعمیرات بلدوزر کوماتسو D155A-2
5 سال پیش 13.5 مگابایت نوع : pdf بازدید : 20637 منتشرکننده : CarGeek
آشنایی با یاتاقان ها
5 سال پیش 8.14 مگابایت نوع : pdf بازدید : 4386 منتشرکننده : CarGeek
سیستم سوخت رسانی GDI- فایل 3
5 سال پیش 2.67 مگابایت نوع : pdf بازدید : 4201 منتشرکننده : CarGeek
سیستم سوخت رسانی GDI- فایل 2
5 سال پیش 0.21 مگابایت نوع : pdf بازدید : 3692 منتشرکننده : CarGeek
سیستم سوخت رسانی GDI
5 سال پیش 1.75 مگابایت نوع : pdf بازدید : 4783 منتشرکننده : CarGeek
Bearing Failure: Causes & Cures
5 سال پیش 2.59 مگابایت نوع : pdf بازدید : 3474 منتشرکننده : CarGeek
راهنمای آسیب دیدگی های یاتاقان های تخت
5 سال پیش 5.94 مگابایت نوع : pdf بازدید : 4224 منتشرکننده : CarGeek
راهنمای نصب سیستم esp روی ترمز پژو 206
5 سال پیش 1.73 مگابایت نوع : pdf بازدید : 16125 منتشرکننده : CarGeek
دستورالعمل رفع مشکل قطع نشدن کمپرسور کولر پژو 405
5 سال پیش 0.5 مگابایت نوع : pdf بازدید : 12849 منتشرکننده : CarGeek
راهنمای تعمیرات دامپ تراک معدنی بلاز 7513
5 سال پیش 8.63 مگابایت نوع : pdf بازدید : 11240 منتشرکننده : CarGeek
دایره المعارف قطعات الکترونیک- فایل 3
5 سال پیش 68.6 مگابایت نوع : pdf بازدید : 4044 منتشرکننده : CarGeek
دایره المعارف قطعات الکترونیک- فایل 2
5 سال پیش 73.18 مگابایت نوع : pdf بازدید : 4799 منتشرکننده : CarGeek
دایره المعارف قطعات الکترونیک
5 سال پیش 28.28 مگابایت نوع : pdf بازدید : 9360 منتشرکننده : CarGeek
راهنمای آموزشی تایر خودرو
5 سال پیش 6.19 مگابایت نوع : pdf بازدید : 4477 منتشرکننده : CarGeek
راهنمای آموزشی برق بدنه چری تیگو5
5 سال پیش 6.72 مگابایت نوع : pdf بازدید : 4860 منتشرکننده : CarGeek
راهنمای جامع یاتاقان ، بلبرینگ و رولبرینگ
5 سال پیش 19.35 مگابایت نوع : pdf بازدید : 7604 منتشرکننده : CarGeek
کتاب Aerospace Engineering Desk Reference
5 سال پیش 28.25 مگابایت نوع : pdf بازدید : 3256 منتشرکننده : CarGeek
راهنمای آموزشی موتور برقی و باتری ولتاژ بالای هیوندای سوناتا هیبرید- فایل 2
5 سال پیش 4.46 مگابایت نوع : pdf بازدید : 5912 منتشرکننده : CarGeek
راهنمای آموزشی موتور برقی و باتری ولتاژ بالای هیوندای سوناتا هیبرید
5 سال پیش 2.31 مگابایت نوع : pdf بازدید : 7692 منتشرکننده : CarGeek
راهنمای سریع سرویس بلدوزر کوماتسو D155A-2
5 سال پیش 3.3 مگابایت نوع : pdf بازدید : 5943 منتشرکننده : CarGeek
راهنمای تعمیرات موتور Volvo D7D
5 سال پیش 20.51 مگابایت نوع : pdf بازدید : 6988 منتشرکننده : CarGeek
راهنمای تعمیرات موتور DEUTZ 1012 1013 2012
5 سال پیش 9.35 مگابایت نوع : pdf بازدید : 10923 منتشرکننده : CarGeek
کتاب Automotive Paint from Prep to Final Coat
5 سال پیش 31.96 مگابایت نوع : pdf بازدید : 3588 منتشرکننده : CarGeek
راهنمای آموزشی موتور هیوندای Hyundai Theta GDI
5 سال پیش 2.67 مگابایت نوع : pdf بازدید : 6485 منتشرکننده : CarGeek
راهنمای آموزشی موتور تتا2 هیوندای Hyundai Theta-II Tucsun IX35
5 سال پیش 1.17 مگابایت نوع : pdf بازدید : 7640 منتشرکننده : CarGeek
راهنمای آموزشی موتور لامبدا هیوندای Hyundai Lambda
5 سال پیش 0.98 مگابایت نوع : pdf بازدید : 6173 منتشرکننده : CarGeek
راهنمای آموزشی موتور هیوندای Hyundai Lambda Centennial Equus
5 سال پیش 1.18 مگابایت نوع : pdf بازدید : 5098 منتشرکننده : CarGeek
راهنمای آموزشی هیوندای Hyundai i20 Kappa
5 سال پیش 1.43 مگابایت نوع : pdf بازدید : 12798 منتشرکننده : CarGeek
راهنمای آموزشی موتور سری PA هیوندای Hyundai Epsilon and Common Rail U
5 سال پیش 2.63 مگابایت نوع : pdf بازدید : 3690 منتشرکننده : CarGeek
راهنمای آموزشی موتور سری FD هیوندای Hyundai Gamma and Beta and U and D
5 سال پیش 2.78 مگابایت نوع : pdf بازدید : 4181 منتشرکننده : CarGeek
راهنمای آموزشی موتور سری TQ هیوندای Hyundai C/Rail A and D4BH TCI 2.5 and Theta 2.4
5 سال پیش 2.57 مگابایت نوع : pdf بازدید : 3760 منتشرکننده : CarGeek
راهنمای آموزشی موتور Tau هیوندای Hyundai Tau Engine Centennial Equus
5 سال پیش 2.42 مگابایت نوع : pdf بازدید : 4144 منتشرکننده : CarGeek
راهنمای آموزشی موتور U-II هیوندای Hyundai i-20 U-II
5 سال پیش 1.55 مگابایت نوع : pdf بازدید : 3993 منتشرکننده : CarGeek
راهنمای آموزشی موتور سری EN هیوندای Hyundai S v-6 3.0 CRDi and Lambda v6 3.8 MPI
5 سال پیش 7.36 مگابایت نوع : pdf بازدید : 4018 منتشرکننده : CarGeek
راهنمای باز کردن داشبورد پراید
5 سال پیش 2.75 مگابایت نوع : pdf بازدید : 102782 منتشرکننده : CarGeek
راهنمای آموزشی برق خودرو سابرینا
5 سال پیش 19.5 مگابایت نوع : pdf بازدید : 5810 منتشرکننده : CarGeek
راهنمای آموزشی سیستم برق گیربکس i-shift VI2412B ولوو
5 سال پیش 1.38 مگابایت نوع : pdf بازدید : 8321 منتشرکننده : CarGeek
Volvo Gearbox VT2412B I-shift Design and Function
5 سال پیش 6.95 مگابایت نوع : pdf بازدید : 4215 منتشرکننده : CarGeek
راهنمای سوخت رسانی MVM 110 اتوماتیک چهارسیلندر
5 سال پیش 4.99 مگابایت نوع : pdf بازدید : 5733 منتشرکننده : CarGeek
شبیه سازی عدد اسپری و احتراق و بررسی شکل گیری مخلوط لایه ای هوا و سوخت در موتور پاشش مستقیم بنزینی
5 سال پیش 2.14 مگابایت نوع : pdf بازدید : 3508 منتشرکننده : CarGeek
شبیه سازی 3بعدی عملکرد و آلایندگی احتراق هیدروژن-دیزل در موتور دیزل سنگین درحالت بار کامل
5 سال پیش 1.32 مگابایت نوع : pdf بازدید : 3556 منتشرکننده : CarGeek
بررسی تجربی مشخصه های عملکردی و آلایندگی موتور تک سیلندر پژوهشی CT300 ترکیب سوز استوکیومتری با نسبت جرمی سوخت 75%بنزین 25% گاز طبیعی
5 سال پیش 0.47 مگابایت نوع : pdf بازدید : 3182 منتشرکننده : CarGeek
راهنمای دانلود ECU Valeo J34
5 سال پیش 0.33 مگابایت نوع : pdf بازدید : 9532 منتشرکننده : CarGeek
راهنمای ECU Valeo J35
5 سال پیش 0.62 مگابایت نوع : pdf بازدید : 12759 منتشرکننده : CarGeek
راهنمای فنی گیربکس اتوماتیک DAEA6F5 ایران خودرو دنا توربو
5 سال پیش 8.29 مگابایت نوع : pdf بازدید : 33953 منتشرکننده : CarGeek
مدارها و کدهای خطای عیب یابی فن خنک کننده دو دور رادیاتور موتور پراید
5 سال پیش 1 مگابایت نوع : pdf بازدید : 18554 منتشرکننده : CarGeek
انواع سنسورها
5 سال پیش 0.97 مگابایت نوع : pdf بازدید : 5161 منتشرکننده : CarGeek
آشنایی با سیستم OBD و نحوه عملکرد آن
5 سال پیش 0.35 مگابایت نوع : pdf بازدید : 6343 منتشرکننده : CarGeek
راهنمای تعمیراتی جیپ آهو و شهباز قدیمی- فایل 2
5 سال پیش 23.77 مگابایت نوع : pdf بازدید : 5707 منتشرکننده : CarGeek
راهنمای تعمیراتی جیپ آهو و شهباز قدیمی
5 سال پیش 43.11 مگابایت نوع : pdf بازدید : 15949 منتشرکننده : CarGeek
کاربرد شبکه در خودرو
5 سال پیش 9.77 مگابایت نوع : pdf بازدید : 4339 منتشرکننده : CarGeek
راهنمای تعمیر و عیب یابی گیربکس اتوماتیک 4F16 برلیانس
5 سال پیش 2.42 مگابایت نوع : pdf بازدید : 5472 منتشرکننده : CarGeek
بررسی لنت و ضخامت دیسک ترمز هیوندای آزرا و سوناتا
5 سال پیش 0.1 مگابایت نوع : pdf بازدید : 4495 منتشرکننده : CarGeek
رفع ایراد لرزش موتور TU5 پژو 206 در زمان سرد بودن
5 سال پیش 0.38 مگابایت نوع : pdf بازدید : 12319 منتشرکننده : CarGeek
جزوه کلاس آموزشی برق و مالتی پلکس ایرانی
5 سال پیش 8.07 مگابایت نوع : pdf بازدید : 22766 منتشرکننده : CarGeek
نقشه الکتریکی سیستم سوخت رسانی و جرقه Bosch M7.4.4 پژو405 و پارس
5 سال پیش 0.87 مگابایت نوع : pdf بازدید : 30561 منتشرکننده : CarGeek
راهنمای باز و بست و تعیرات پمپ تغذیه هوا پژو پارس ELX
5 سال پیش 0.27 مگابایت نوع : pdf بازدید : 21325 منتشرکننده : CarGeek
جدول حجم و نوع روغن موتور و گیربکس انواع خودروهای سایپا
5 سال پیش 1.41 مگابایت نوع : pdf بازدید : 78692 منتشرکننده : CarGeek
نکات فنی امدادخودرو پژو 405 و پارس و سمند
5 سال پیش 0.55 مگابایت نوع : pdf بازدید : 7174 منتشرکننده : CarGeek
راهنمای فنی ECU Bosch M7.9.7 سایپا X100
5 سال پیش 0.47 مگابایت نوع : pdf بازدید : 7790 منتشرکننده : CarGeek
دستورالعمل اصلاح گردگیر (کپ) لاستیکی و ترمینال فلزی شیربرقی کولر تیبا2
5 سال پیش 1.52 مگابایت نوع : pdf بازدید : 3788 منتشرکننده : CarGeek
راهنمای تعمیرات کمربندایمنی و صندلی لیفان 820
5 سال پیش 1.07 مگابایت نوع : pdf بازدید : 10863 منتشرکننده : CarGeek
راهنمای تعمیرات و عیب یابی کلاچ لیفان 820
5 سال پیش 2.48 مگابایت نوع : pdf بازدید : 3786 منتشرکننده : CarGeek
عیب یابی و تعویض رینگ چرخ و تست صحت کالیبراسیون دستگاه بالانس رینگ
5 سال پیش 0.19 مگابایت نوع : pdf بازدید : 6896 منتشرکننده : CarGeek
راهنمای تعمیرات و عیب یابی گیربکس اتوماتیک لیفان 820- فایل 2
5 سال پیش 1.02 مگابایت نوع : pdf بازدید : 5091 منتشرکننده : CarGeek
راهنمای تعمیرات و عیب یابی گیربکس اتوماتیک لیفان 820
5 سال پیش 2.29 مگابایت نوع : pdf بازدید : 11256 منتشرکننده : CarGeek
بررسی و شبیه سازی پدیده آیرودینامیک خودرو در هنگام عبور از خودرو دیگر (مانور سبقت)
5 سال پیش 1.08 مگابایت نوع : pdf بازدید : 3242 منتشرکننده : CarGeek
راهنمای تعمیرات نشانگرها، اطلاعات راننده و بوق سوزوکی کیزاشی
5 سال پیش 3.04 مگابایت نوع : pdf بازدید : 3324 منتشرکننده : CarGeek
دستورالعمل عیب یابی و تعویض نوار دور درب پراید
5 سال پیش 1.41 مگابایت نوع : pdf بازدید : 32518 منتشرکننده : CarGeek
راهنمای تعمیرات سوخت رسانی و جرقه و سیستم الکتریکی موتور سوزکی کیزاشی
5 سال پیش 6.64 مگابایت نوع : pdf بازدید : 3391 منتشرکننده : CarGeek
راهنمای فنی یونیت فن کنترل دما پژو 405
5 سال پیش 2.43 مگابایت نوع : pdf بازدید : 69829 منتشرکننده : CarGeek
روش بازدید، تخلیه و شارژ روغن گیربکس اتوماتیک
5 سال پیش 1.98 مگابایت نوع : pdf بازدید : 14911 منتشرکننده : CarGeek
نمونه سئوالات آزمون قطعه شناسی خودرو
5 سال پیش 0.22 مگابایت نوع : pdf بازدید : 7923 منتشرکننده : CarGeek
نمونه سئوالات آزمون تعمیرکار موتورسیکلت درجه 1
5 سال پیش 0.14 مگابایت نوع : pdf بازدید : 4733 منتشرکننده : CarGeek
نمونه سئوالات آزمون تعمیرکار موتورسیکلت درجه 2
5 سال پیش 0.68 مگابایت نوع : pdf بازدید : 5302 منتشرکننده : CarGeek
نمونه سئوالات ترمزهای پنوماتیکی
5 سال پیش 0.56 مگابایت نوع : pdf بازدید : 96894 منتشرکننده : CarGeek
نمونه سئوالات آزمون سیستم تعلیق خودرو (جلوبندی سازی)- فایل 3
5 سال پیش 0.41 مگابایت نوع : pdf بازدید : 7571 منتشرکننده : CarGeek
نمونه سئوالات آزمون سیستم تعلیق خودرو (جلوبندی سازی)- فایل 2
5 سال پیش 0.4 مگابایت نوع : pdf بازدید : 4067 منتشرکننده : CarGeek
نمونه سئوالات آزمون سیستم تعلیق خودرو (جلوبندی سازی)
5 سال پیش 0.4 مگابایت نوع : pdf بازدید : 6895 منتشرکننده : CarGeek
راهنمای راننده کامیون Axor 1843
5 سال پیش 7.22 مگابایت نوع : pdf بازدید : 32521 منتشرکننده : CarGeek
دفترچه راهنمای کامیون کشنده البرز T375
5 سال پیش 4.62 مگابایت نوع : pdf بازدید : 42936 منتشرکننده : CarGeek
راهنمای کامل تعمیرات فوتون تونلند
5 سال پیش 83.44 مگابایت نوع : pdf بازدید : 43122 منتشرکننده : CarGeek
نمونه سئوالات تئوری و عملی مسابقات علمی-کاربردی تعمیر موتور و برق خودرو
5 سال پیش 0.12 مگابایت نوع : pdf بازدید : 5046 منتشرکننده : CarGeek
نمونه سئوالات آزمون برق خودرو درجه 1
5 سال پیش 0.42 مگابایت نوع : pdf بازدید : 14501 منتشرکننده : CarGeek
نمونه سئوالات آزمون دوگانه سوز- فایل 4
5 سال پیش 0.12 مگابایت نوع : pdf بازدید : 3448 منتشرکننده : CarGeek
نمونه سئوالات آزمون دوگانه سوز- فایل 3
5 سال پیش 0.35 مگابایت نوع : pdf بازدید : 3448 منتشرکننده : CarGeek
نمونه سئوالات آزمون دوگانه سوز- فایل 2
5 سال پیش 0.34 مگابایت نوع : pdf بازدید : 3625 منتشرکننده : CarGeek
نمونه سئوالات آزمون دوگانه سوز
5 سال پیش 0.35 مگابایت نوع : pdf بازدید : 11509 منتشرکننده : CarGeek
آموزش استفاده از اسیلوسکوپ در تعمیرات برق خودرو
5 سال پیش 1.89 مگابایت نوع : pdf بازدید : 5293 منتشرکننده : CarGeek
جزوه تکنیک های آموزش عملی رانندگی
5 سال پیش 2.06 مگابایت نوع : pdf بازدید : 4805 منتشرکننده : CarGeek
دستورالعمل نظارت بر چگونگی فعالیت تاکسی‌های اینترنتی
5 سال پیش 0.76 مگابایت نوع : pdf بازدید : 3113 منتشرکننده : CarGeek
راهنمای تعمیرات قفل مرکزی و ایموبلایزر لیفان 820
5 سال پیش 0.67 مگابایت نوع : pdf بازدید : 7817 منتشرکننده : CarGeek
راهنمای تعمیرات سیستم اطلاعات راننده (پشت آمپر و نمایشگر چندمنظوره) لیفان 820
5 سال پیش 1.66 مگابایت نوع : pdf بازدید : 6219 منتشرکننده : CarGeek
راهنمای تعمیرات سیستم صوتی و سرگرمی لیفان 820
5 سال پیش 1.03 مگابایت نوع : pdf بازدید : 5109 منتشرکننده : CarGeek
راهنمای کامل تعمیرات آریزو5
5 سال پیش 161.38 مگابایت نوع : pdf بازدید : 35954 منتشرکننده : CarGeek
فیلم و دفترچه راهنمای آموزشی مشتری هایما S7
5 سال پیش 0 مگابایت نوع : pdf بازدید : 3692 منتشرکننده : CarGeek
فیلم و دفترچه راهنمای آموزشی مشتری هایما S5
5 سال پیش 0 مگابایت نوع : pdf بازدید : 4259 منتشرکننده : CarGeek
فیلم و دفترچه راهنمای آموزشی مشتری رانا
5 سال پیش 0 مگابایت نوع : pdf بازدید : 3627 منتشرکننده : CarGeek
فیلم و دفترچه راهنمای آموزشی مشتری دنا پلاس
5 سال پیش 0 مگابایت نوع : pdf بازدید : 4374 منتشرکننده : CarGeek
فیلم و دفترچه راهنمای آموزشی مشتری H30 Cross
5 سال پیش 3.28 مگابایت نوع : pdf بازدید : 4458 منتشرکننده : CarGeek
دستورالعمل رفع ایراد عدم انطباق کانکتور کیلومتر شمار تیبا2 و روشن شدن چراغ EBD بجای ABS
5 سال پیش 2.2 مگابایت نوع : pdf بازدید : 8751 منتشرکننده : CarGeek
دستورالعمل رفع ایراد نفوذ آب به داخل CCN سمند مالتی پلکس
5 سال پیش 0.69 مگابایت نوع : pdf بازدید : 8940 منتشرکننده : CarGeek
راهنمای کنترل و اصلاح پیکربندی سمند مالتی پلکس SMS
5 سال پیش 0.34 مگابایت نوع : pdf بازدید : 5239 منتشرکننده : CarGeek
معرفی نودهای سیستم مالتی پلکس SMS سمند و سورن
5 سال پیش 0.42 مگابایت نوع : pdf بازدید : 7499 منتشرکننده : CarGeek
راهنمای پیکربندی نوع ECU در خودرو Dena SMS MUX Bosch ME17
5 سال پیش 0.3 مگابایت نوع : pdf بازدید : 5200 منتشرکننده : CarGeek
اصول عملکرد سیستم کروزکنترل ایران خودرو
5 سال پیش 2.09 مگابایت نوع : pdf بازدید : 6787 منتشرکننده : CarGeek
راهنمای تعریف کلید خودرو H30 Cross
5 سال پیش 0.76 مگابایت نوع : pdf بازدید : 6450 منتشرکننده : CarGeek
بررسی سیستم های VVT و VIS در خودرو
5 سال پیش 4.88 مگابایت نوع : pdf بازدید : 9257 منتشرکننده : CarGeek
راهنمای تعمیرات ECU زیمنس ریو
5 سال پیش 1.93 مگابایت نوع : pdf بازدید : 17356 منتشرکننده : CarGeek
معرفی سیستم ترمز ABS با مدل Bosch ABS8 و مدل TEVES MK70 پراید
5 سال پیش 0.24 مگابایت نوع : pdf بازدید : 9662 منتشرکننده : CarGeek
معرفی قطعات EMS جدید SSAT سازه پویش سایپا X100 (پراید)
5 سال پیش 1.47 مگابایت نوع : pdf بازدید : 6984 منتشرکننده : CarGeek
دستورالعمل شستشوی ریل سوخت وانت نیسان دوگانه سوز
5 سال پیش 1.21 مگابایت نوع : pdf بازدید : 12832 منتشرکننده : CarGeek
اطلاعیه جابجایی سوکت های انژکتور در دسته سیم انژکتور جهت رفع ایراد MisFiring
5 سال پیش 0.56 مگابایت نوع : pdf بازدید : 38849 منتشرکننده : CarGeek
راهنمای تعمیرات سیستم خنک کاری موتور لیفان 820
5 سال پیش 1.56 مگابایت نوع : pdf بازدید : 7720 منتشرکننده : CarGeek
راهنمای تعمیرات سیستم روغنکاری لیفان 820
5 سال پیش 0.9 مگابایت نوع : pdf بازدید : 3189 منتشرکننده : CarGeek
راهنمای تعمیرات مکانیکی موتور لیفان 820
5 سال پیش 6.03 مگابایت نوع : pdf بازدید : 7384 منتشرکننده : CarGeek
اطلاعات عمومی تعمیرات لیفان 820
5 سال پیش 1.01 مگابایت نوع : pdf بازدید : 3575 منتشرکننده : CarGeek
راهنمای تنظیمات خودرو پژو 206 مالتی پلکس
5 سال پیش 0.25 مگابایت نوع : pdf بازدید : 14946 منتشرکننده : CarGeek
Lithium-Ion Batteries A Machine-Generated Summary of Current Research
5 سال پیش 4.99 مگابایت نوع : pdf بازدید : 3051 منتشرکننده : CarGeek
پاسخ به 20 سئوال متداول درباره شمع خودرو
5 سال پیش 7.02 مگابایت نوع : pdf بازدید : 4824 منتشرکننده : CarGeek
نحوه نصب ایکودیاگ در ویندوز7
5 سال پیش 1.7 مگابایت نوع : pdf بازدید : 10760 منتشرکننده : CarGeek
چک لیست روزانه کامیون- فایل 2
5 سال پیش 0.3 مگابایت نوع : pdf بازدید : 4064 منتشرکننده : CarGeek
چک لیست روزانه کامیون
5 سال پیش 0.1 مگابایت نوع : pdf بازدید : 8529 منتشرکننده : CarGeek
مشخصات فنی و دفرچه راهنمای کامیونت های الوند 6.5 و 8.5 تن (فوتون)
5 سال پیش 2.56 مگابایت نوع : pdf بازدید : 40581 منتشرکننده : CarGeek
مشخصات فنی و دفترچه راهنمای راننده کامیون کمپرسی KD420 و کشنده KT420 کاوه- فایل 2
5 سال پیش 3.83 مگابایت نوع : pdf بازدید : 12987 منتشرکننده : CarGeek
مشخصات فنی و دفترچه راهنمای راننده کامیون کمپرسی KD420 و کشنده KT420 کاوه
5 سال پیش 3.62 مگابایت نوع : pdf بازدید : 13412 منتشرکننده : CarGeek
راهنمای تعمیرات و عیب یابی سیستم ترمز ABS آریسان
5 سال پیش 0.99 مگابایت نوع : pdf بازدید : 10656 منتشرکننده : CarGeek
راهنمای تعمیرات سیستم کویل و جرقه لیفان 820
5 سال پیش 0.57 مگابایت نوع : pdf بازدید : 4416 منتشرکننده : CarGeek
راهنمای تعمیرات مسیر سوخت رسانی (باک،پمپ بنزین،فیلتر،لوله ها،کنیستر) لیفان 820
5 سال پیش 1.76 مگابایت نوع : pdf بازدید : 7108 منتشرکننده : CarGeek
راهنمای تعمیرات سیستم کنترل آلایندگی لیفان 820
5 سال پیش 1.71 مگابایت نوع : pdf بازدید : 4814 منتشرکننده : CarGeek
راهنمای تعمیرات سیستم کنترل موتور لیفان 820
5 سال پیش 2.82 مگابایت نوع : pdf بازدید : 5788 منتشرکننده : CarGeek
راهنمای تعمیرات سیستم سوخت رسانی لیفان 820
5 سال پیش 1.35 مگابایت نوع : pdf بازدید : 4023 منتشرکننده : CarGeek
راهنمای آموزشی موتور XU7 هشت و 16سوپاپ پژو 405 و سمند و پارس
5 سال پیش 2.55 مگابایت نوع : pdf بازدید : 28061 منتشرکننده : CarGeek
آموزش نحوه استفاده از ابزار مخصوص در تعمیرات گیربکس اتوماتیک خودروهای کوییک و ساینا
5 سال پیش 4.59 مگابایت نوع : pdf بازدید : 8358 منتشرکننده : CarGeek
TIBA Injection repair manual
5 سال پیش 4.91 مگابایت نوع : pdf بازدید : 3645 منتشرکننده : CarGeek
لیست، تصویر و شماره فنی قطعات تیبا
5 سال پیش 8.07 مگابایت نوع : pdf بازدید : 25397 منتشرکننده : CarGeek
جدول زوایای فرمان و نوع سیستم تعلیق خودروهای سایپا
5 سال پیش 1.08 مگابایت نوع : pdf بازدید : 6076 منتشرکننده : CarGeek
دفترچه راهنمای تویوتا C-HR هیبرید
5 سال پیش 14.56 مگابایت نوع : pdf بازدید : 7272 منتشرکننده : CarGeek
دستورالعمل بازدید و تعویض رولبرینگ عقب تیبا
5 سال پیش 0.49 مگابایت نوع : pdf بازدید : 3885 منتشرکننده : CarGeek
دستورالعمل عیب یابی و تعویض ریموت و رسیور سایپا 132 و تیبا و تیبا2
5 سال پیش 2.11 مگابایت نوع : pdf بازدید : 16904 منتشرکننده : CarGeek
راهنمای آموزشی سیستم های الکترونیکی ترمز رنو
5 سال پیش 21.3 مگابایت نوع : pdf بازدید : 4900 منتشرکننده : CarGeek
معرفی سیستم سوخت رسانی بوش بنزینی و بوش پایه گازسوز پراید
5 سال پیش 0.54 مگابایت نوع : pdf بازدید : 9359 منتشرکننده : CarGeek
راهنمای سیستم مدیریت موتور UAES خودرو MVM315
5 سال پیش 24.66 مگابایت نوع : pdf بازدید : 11640 منتشرکننده : CarGeek
راهنمای سیستم سوخت رسانی و انژکتور H30 Cross
5 سال پیش 2.31 مگابایت نوع : pdf بازدید : 7593 منتشرکننده : CarGeek
آشنایی با قطعات و سیستم مدیریت موتور BOSCH ME 17.9.71 موتور TU5 پژو 206 و پژو207 و پژو405 و پژو پارس
5 سال پیش 2.74 مگابایت نوع : pdf بازدید : 9913 منتشرکننده : CarGeek
معرفی و نحوه استفاده از دستگاه آنالیز گازهای خروجی اگزوز (چهارگاز و پنج گاز)
5 سال پیش 0.36 مگابایت نوع : pdf بازدید : 4405 منتشرکننده : CarGeek
معرفی سیستم MGH-60 ترمز ABS پراید
5 سال پیش 0.2 مگابایت نوع : pdf بازدید : 9254 منتشرکننده : CarGeek
دستورالعمل استفاده از واشر صداگیر پلوس برای رفع ایراد صدای تقه در شروع حرکت
5 سال پیش 0.89 مگابایت نوع : pdf بازدید : 17248 منتشرکننده : CarGeek
راهنمای تعویض پیچ براکت اکسل عقب تیبا و ساینا
5 سال پیش 1.64 مگابایت نوع : pdf بازدید : 12347 منتشرکننده : CarGeek
راهنمای درجه بندی روغن موتور
5 سال پیش 1.25 مگابایت نوع : pdf بازدید : 3991 منتشرکننده : CarGeek
جزئیات تغییرات گیربکس های جدید (طرح دوبل برنجی ND1) در تیبا ، ساینا و کوییک (X200)
5 سال پیش 0.64 مگابایت نوع : pdf بازدید : 6277 منتشرکننده : CarGeek
راهنمای عیب یابی و تعویض تایر برلیانس
5 سال پیش 0.64 مگابایت نوع : pdf بازدید : 8339 منتشرکننده : CarGeek
راهنمای تعویض مجموعه صندلی برلیانس
5 سال پیش 1.06 مگابایت نوع : pdf بازدید : 8721 منتشرکننده : CarGeek
راهنمای سیستم سوخت رسانی بوش پایه گازسوز پراید
5 سال پیش 7.26 مگابایت نوع : pdf بازدید : 8938 منتشرکننده : CarGeek
رفع ایراد جوش آوردن خودرو با اصلاح دسته سیم باتری کوییک و ساینا اتوماتیک
5 سال پیش 2.59 مگابایت نوع : pdf بازدید : 6663 منتشرکننده : CarGeek
شناسایی و رفع ایراد اخلال در عملکرد ساعت (نمایشگر چندمنظوره) ساخت کروز ساینا
5 سال پیش 2.74 مگابایت نوع : pdf بازدید : 36711 منتشرکننده : CarGeek
Securing Self Driving Cars
5 سال پیش 1.78 مگابایت نوع : pdf بازدید : 3253 منتشرکننده : CarGeek
OCTANE: An Extensible Open Source Car Security Testbed
5 سال پیش 0.47 مگابایت نوع : pdf بازدید : 3556 منتشرکننده : CarGeek
راهنمای مدارات الکتریکی سمند معمولی
5 سال پیش 23.54 مگابایت نوع : pdf بازدید : 51714 منتشرکننده : CarGeek
عیب یابی و رگلاژ سوئیچ پدال ترمز ساینا و کوییک اتوماتیک (چراغ چک با کدخطا P0504)
5 سال پیش 0.84 مگابایت نوع : pdf بازدید : 15251 منتشرکننده : CarGeek
روش بروزرسانی دستگاه عیب یابی سیار سایپا
5 سال پیش 0.21 مگابایت نوع : pdf بازدید : 5362 منتشرکننده : CarGeek
راهنمای مدارات الکتریکی پراید
5 سال پیش 20.14 مگابایت نوع : pdf بازدید : 31734 منتشرکننده : CarGeek
راهنمای میل فرمان عمودی پراید
5 سال پیش 0.24 مگابایت نوع : pdf بازدید : 8274 منتشرکننده : CarGeek
راهنمای سیلندر ترمز (کالیپر) پراید
5 سال پیش 0.62 مگابایت نوع : pdf بازدید : 24385 منتشرکننده : CarGeek
راهنمای بوستر و پمپ ترمز پراید
5 سال پیش 1.09 مگابایت نوع : pdf بازدید : 23801 منتشرکننده : CarGeek
راهنمای مدارات الکتریکی فن خنک کننده دو دور و تک دور پراید
5 سال پیش 1.22 مگابایت نوع : pdf بازدید : 54918 منتشرکننده : CarGeek
راهنمای عیب یابی و تعویض شیشه بالابر برقی پراید
5 سال پیش 0.68 مگابایت نوع : pdf بازدید : 58537 منتشرکننده : CarGeek
راهنمای عیب یابی و تعویض رادیاتور پراید
5 سال پیش 0.61 مگابایت نوع : pdf بازدید : 12830 منتشرکننده : CarGeek
دستورالعمل عیب یابی و تعویض کمک فنر عقب (تک جداره گازی) پراید
5 سال پیش 0.72 مگابایت نوع : pdf بازدید : 7071 منتشرکننده : CarGeek
راهنمای کولر پراید
5 سال پیش 0.56 مگابایت نوع : pdf بازدید : 14850 منتشرکننده : CarGeek
راهنمای تجهیزات تعمیرگاهی و روش اجرایی نگه داری و تعمیرات
5 سال پیش 11.05 مگابایت نوع : pdf بازدید : 4855 منتشرکننده : CarGeek
دستورالعمل تطبیق کلاچ های گیربکس CVT کوییک و ساینا اتوماتیک
5 سال پیش 0.52 مگابایت نوع : pdf بازدید : 9472 منتشرکننده : CarGeek
دستورالعمل تعویض ترموستات و رفع یخ زدگی هسته اواپراتور کولر ساینا
5 سال پیش 1.21 مگابایت نوع : pdf بازدید : 41194 منتشرکننده : CarGeek
معرفی تغییرات و بهبود عملکرد سیستم گیربکس دوبل برنجی (ND1) و گیربکس بهبودیافته (ND2)
5 سال پیش 6.77 مگابایت نوع : pdf بازدید : 6455 منتشرکننده : CarGeek
کتاب راهنمای آتش نشان داوطلب
5 سال پیش 2.5 مگابایت نوع : pdf بازدید : 6189 منتشرکننده : CarGeek
آشنایی با کیسه هوا خودرو (Airbag)
5 سال پیش 0.56 مگابایت نوع : pdf بازدید : 3576 منتشرکننده : CarGeek
راهنمای تصویری لیست و شماره فنی قطعات نیسان سرانزا
5 سال پیش 24.85 مگابایت نوع : pdf بازدید : 7971 منتشرکننده : CarGeek
طریقه تست قطعات الکترونیکی
5 سال پیش 0.44 مگابایت نوع : pdf بازدید : 6657 منتشرکننده : CarGeek
آشنایی با تغییرات گیربکس جدید (طرح بهبود کلاچ ND2) در خودروهای گروه X200 (تیبا،ساینا،کوییک)
5 سال پیش 1.17 مگابایت نوع : pdf بازدید : 24843 منتشرکننده : CarGeek
کتاب درسی تعمیر سیستم ترمز، تعلیق و فرمان
5 سال پیش 5.9 مگابایت نوع : pdf بازدید : 8874 منتشرکننده : CarGeek
راهنمای آموزشی مدیریت موتور، سوخت رسانی، جرقه و کنترل آلایندگی رنو
5 سال پیش 19.89 مگابایت نوع : pdf بازدید : 4868 منتشرکننده : CarGeek
راهنمای کدهای خطا ECU غرب استیل
5 سال پیش 0.78 مگابایت نوع : pdf بازدید : 19587 منتشرکننده : CarGeek
عیب یابی صحیح سنسور اکسیژن پراید و تیبا و ساینا و کوییک و زامیاد
5 سال پیش 0.59 مگابایت نوع : pdf بازدید : 23681 منتشرکننده : CarGeek
فیلم آموزشی و کتاب تکنولوژی انتقال قدرت
5 سال پیش 4.25 مگابایت نوع : pdf بازدید : 3983 منتشرکننده : CarGeek
جزوه آموزشی سیستم CNG پراید
5 سال پیش 3.22 مگابایت نوع : pdf بازدید : 12941 منتشرکننده : CarGeek
راهنمای تعمیرات و عیب یابی ترمز ABS MANDO پژو405، پارس، سمند، دنا و دنا پلاس
5 سال پیش 11.26 مگابایت نوع : pdf بازدید : 13101 منتشرکننده : CarGeek
راهنمای ارتباط با صفحه کیلومتر از طریق پروتکل MBUS با TNM
5 سال پیش 3.21 مگابایت نوع : pdf بازدید : 12588 منتشرکننده : CarGeek
راهنمای تعمیرات بدنه و تزئینات ساینا اتوماتیک
5 سال پیش 20.99 مگابایت نوع : pdf بازدید : 12655 منتشرکننده : CarGeek
دستورالعمل تنظیم و رگلاژ کابل کلاچ پراید، تیبا، ساینا، کوییک
5 سال پیش 3.29 مگابایت نوع : pdf بازدید : 47776 منتشرکننده : CarGeek
لیست قطعات اواپراتور و بخاری سایپا پراید ، تیبا ، ساینا ، کوییک
5 سال پیش 0.29 مگابایت نوع : pdf بازدید : 15883 منتشرکننده : CarGeek
راهنمای آموزشی انبارگردانی، کنترل موجودی و سفارشات
5 سال پیش 0.76 مگابایت نوع : pdf بازدید : 5461 منتشرکننده : CarGeek
عیوب شمع و دلایل آن ها
5 سال پیش 3.84 مگابایت نوع : pdf بازدید : 4617 منتشرکننده : CarGeek
Design of Automotive Engines (Kolchin-Demidov)
5 سال پیش 18.3 مگابایت نوع : pdf بازدید : 3680 منتشرکننده : CarGeek
راهنمای آموزشی بازرسی مراحل پیش و پس از تبدیل CNG
5 سال پیش 1.04 مگابایت نوع : pdf بازدید : 3605 منتشرکننده : CarGeek
راهنمای آموزشی بازرسی مخازن CNG
5 سال پیش 1.92 مگابایت نوع : pdf بازدید : 5240 منتشرکننده : CarGeek
راهنمای کامل پایه های BSI و BM34 پژو 206- فایل 2
5 سال پیش 0.36 مگابایت نوع : pdf بازدید : 70695 منتشرکننده : CarGeek
راهنمای کامل پایه های BSI و BM34 پژو 206
5 سال پیش 0.56 مگابایت نوع : pdf بازدید : 7682 منتشرکننده : CarGeek
راهنمای آموزشی سیستم عیب یاب Borneo3 و CLIP رنو
5 سال پیش 6.79 مگابایت نوع : pdf بازدید : 4639 منتشرکننده : CarGeek
راهنمای اطلاعات عمومی تعمیرات سراتو
5 سال پیش 1.93 مگابایت نوع : pdf بازدید : 4629 منتشرکننده : CarGeek
راهنمای تعمیرات و سرویس سیستم SRS و پیش کشنده سراتو
5 سال پیش 3.88 مگابایت نوع : pdf بازدید : 3558 منتشرکننده : CarGeek
راهنمای نگه داری پیکاپ ریچ
5 سال پیش 13.2 مگابایت نوع : pdf بازدید : 5089 منتشرکننده : CarGeek
راهنمای تعمیرات و سرویس فرمان الکتریکی چانگان CS35
5 سال پیش 2.03 مگابایت نوع : pdf بازدید : 8283 منتشرکننده : CarGeek
راهنمای تکمیلی تعمیرات موتور خودرو چانگان CS35 و EADO
5 سال پیش 7.08 مگابایت نوع : pdf بازدید : 11012 منتشرکننده : CarGeek
نحوه بررسی دقیق و اصلاح علت خطای Miss Fire
5 سال پیش 2.62 مگابایت نوع : pdf بازدید : 15097 منتشرکننده : CarGeek
معرفی سیستم انتقال قدرت دابل کلاچ
5 سال پیش 0.46 مگابایت نوع : pdf بازدید : 6019 منتشرکننده : CarGeek
راهنمای عیب یابی و تعویض فنرلول و کمک فنر عقب برلیانس H200/H300/Cross- فایل 2
5 سال پیش 0.15 مگابایت نوع : pdf بازدید : 3622 منتشرکننده : CarGeek
راهنمای عیب یابی و تعویض فنرلول و کمک فنر عقب برلیانس H200/H300/Cross
5 سال پیش 0.22 مگابایت نوع : pdf بازدید : 7424 منتشرکننده : CarGeek
دیکشنری لغات و اصطلاحات پرکاربرد انگلیسی/فارسی مکانیک
5 سال پیش 0.55 مگابایت نوع : pdf بازدید : 11610 منتشرکننده : CarGeek
راهنمای عیب یابی و پیکربندی سیستم مالتی پلکس SMS سمند با ایکودیاگ
5 سال پیش 2.63 مگابایت نوع : pdf بازدید : 6255 منتشرکننده : CarGeek
راهنمای تعمیرات و کدهای خطای سیستم های الکتریکی مزدا3- فایل 2
5 سال پیش 12.89 مگابایت نوع : pdf بازدید : 9448 منتشرکننده : CarGeek
راهنمای تعمیرات و کدهای خطای سیستم های الکتریکی مزدا3
5 سال پیش 7.29 مگابایت نوع : pdf بازدید : 13651 منتشرکننده : CarGeek
جزوه دوره آموزش گارانتی ایساکو- فایل 2
5 سال پیش 0.71 مگابایت نوع : pdf بازدید : 3098 منتشرکننده : CarGeek
جزوه دوره آموزش گارانتی ایساکو
5 سال پیش 0.73 مگابایت نوع : pdf بازدید : 6071 منتشرکننده : CarGeek
راهنمای تعمیرات موتور دوو سیلو
5 سال پیش 8.59 مگابایت نوع : pdf بازدید : 46540 منتشرکننده : CarGeek
دستورالعمل عیب یابی و تعویض قطعات کولر برلیانس
5 سال پیش 0.99 مگابایت نوع : pdf بازدید : 11205 منتشرکننده : CarGeek
دستورالعمل عیب یابی و تعویض دینام آلترناتور برلیانس
5 سال پیش 0.6 مگابایت نوع : pdf بازدید : 6252 منتشرکننده : CarGeek
دستورالعمل عیب یابی و تعویض استارتر برلیانس
5 سال پیش 0.73 مگابایت نوع : pdf بازدید : 4850 منتشرکننده : CarGeek
مقدمه ای بر سیستم انتقال قدرت دستی اتوماتیک شده (AMT)
5 سال پیش 0.32 مگابایت نوع : pdf بازدید : 6766 منتشرکننده : CarGeek
جزوه آموزشی سیستم صفحه نمایش Head Up Display پژو 508
5 سال پیش 1.22 مگابایت نوع : pdf بازدید : 4019 منتشرکننده : CarGeek
راهنمای تعمیرات و عیب یابی موتور TU5-JP4 پژو405، پارس و سمند
5 سال پیش 9.37 مگابایت نوع : pdf بازدید : 14209 منتشرکننده : CarGeek
کتاب درسی کاربرد و سرویس تراکتور
5 سال پیش 4.05 مگابایت نوع : pdf بازدید : 4062 منتشرکننده : CarGeek
راهنمای تعمیرات و عیب یابی تهویه مطبوع H30 Cross
5 سال پیش 2.56 مگابایت نوع : pdf بازدید : 14608 منتشرکننده : CarGeek
چک لیست عیب یابی کلاچ و گیربکس دستی
5 سال پیش 0.19 مگابایت نوع : pdf بازدید : 5358 منتشرکننده : CarGeek
کتاب تعمیر موتور و سیستم های مکانیکی تراکتور
5 سال پیش 13.08 مگابایت نوع : pdf بازدید : 18201 منتشرکننده : CarGeek
کتاب راهنمای تراکتورهای New Holland
5 سال پیش 34.38 مگابایت نوع : pdf بازدید : 18050 منتشرکننده : CarGeek
دفترچه راهنمای ون گلدن دراگون نارون
5 سال پیش 1.75 مگابایت نوع : pdf بازدید : 19689 منتشرکننده : CarGeek
معرفی اجزاء و سیستم جذب بخارات بنزین (کنیستر) روآ OHV
5 سال پیش 1.05 مگابایت نوع : pdf بازدید : 20664 منتشرکننده : CarGeek
راهنمای تعمیرات سیستم بخاری و کولر خودروی چیرمن
5 سال پیش 12.72 مگابایت نوع : pdf بازدید : 5091 منتشرکننده : CarGeek
راهنمای تعمیرات ترمز هیدرولیکی و ضدقفل خودروی چیرمن
5 سال پیش 15.6 مگابایت نوع : pdf بازدید : 3955 منتشرکننده : CarGeek
راهنمای تعمیرات فرمان هیدرولیک خودروی چیرمن
5 سال پیش 11.55 مگابایت نوع : pdf بازدید : 3848 منتشرکننده : CarGeek
راهنمای تعمیرات تعلیق، جلوبندی رینگ و لاستیک خودروی چیرمن
5 سال پیش 26.42 مگابایت نوع : pdf بازدید : 5715 منتشرکننده : CarGeek
راهنمای تعمیرات اکسل عقب و میل گاردان خودروی چیرمن
5 سال پیش 2.7 مگابایت نوع : pdf بازدید : 4228 منتشرکننده : CarGeek
راهنمای تعمیرات کمربند ایمنی و کیسه هوای خودرو چیرمن
5 سال پیش 16.52 مگابایت نوع : pdf بازدید : 8274 منتشرکننده : CarGeek
راهنمای تعمیرات گاردان کاروان
5 سال پیش 0.38 مگابایت نوع : pdf بازدید : 4263 منتشرکننده : CarGeek
راهنمای تعمیرات سیستم سوخت رسانی کاروان
5 سال پیش 1.33 مگابایت نوع : pdf بازدید : 7005 منتشرکننده : CarGeek
راهنمای تعمیرات سیستم فرمان کاروان
5 سال پیش 0.77 مگابایت نوع : pdf بازدید : 4920 منتشرکننده : CarGeek
راهنمای تعمیرات موتور کاروان
5 سال پیش 2.71 مگابایت نوع : pdf بازدید : 9205 منتشرکننده : CarGeek
راهنمای تعمیرات دیفرانسیل کاروان
5 سال پیش 1.22 مگابایت نوع : pdf بازدید : 5572 منتشرکننده : CarGeek
راهنمای تعمیرات کلاچ و گیربکس کاروان
5 سال پیش 1.93 مگابایت نوع : pdf بازدید : 4587 منتشرکننده : CarGeek
راهنمای تعمیرات سیستم خنک کاری، روغن کاری و اگزوز کاروان
5 سال پیش 1.08 مگابایت نوع : pdf بازدید : 4648 منتشرکننده : CarGeek
راهنمای تعمیرات سیستم تهویه مطبوع کاروان
5 سال پیش 2.75 مگابایت نوع : pdf بازدید : 6717 منتشرکننده : CarGeek
راهنمای تعمیرات ترمز کاروان
5 سال پیش 1.87 مگابایت نوع : pdf بازدید : 5504 منتشرکننده : CarGeek
راهنمای تعمیرات بخاری دوم (درجا) کاروان
5 سال پیش 0.63 مگابایت نوع : pdf بازدید : 9105 منتشرکننده : CarGeek
راهنمای تعمیرات بدنه کاروان
5 سال پیش 4.83 مگابایت نوع : pdf بازدید : 3505 منتشرکننده : CarGeek
راهنمای تعمیرات تزئینات داخلی کاروان
5 سال پیش 1.85 مگابایت نوع : pdf بازدید : 5754 منتشرکننده : CarGeek
راهنمای تعمیرات تعلیق جلو و عقب کاروان
5 سال پیش 2.17 مگابایت نوع : pdf بازدید : 8451 منتشرکننده : CarGeek
جزوه آموزشی مشتری مداری و مهارت های ارتباطی
5 سال پیش 0.9 مگابایت نوع : pdf بازدید : 5993 منتشرکننده : CarGeek
جزوه آموزشی ISO 9001 - 2015
5 سال پیش 12.56 مگابایت نوع : pdf بازدید : 10757 منتشرکننده : CarGeek
جزوه آموزشی اصول و فنون مذاکره
5 سال پیش 2.17 مگابایت نوع : pdf بازدید : 6598 منتشرکننده : CarGeek
دستورالعمل عیب یابی و تعویض سیبک بیرونی فرمان سایپا X100وX200
5 سال پیش 1.16 مگابایت نوع : pdf بازدید : 6955 منتشرکننده : CarGeek
راهنمای آموزشی نظام آراستگی تعمیرگاه
5 سال پیش 1.11 مگابایت نوع : pdf بازدید : 4174 منتشرکننده : CarGeek
دفترچه راهنمای راننده کامیون های ولوو
5 سال پیش 5.64 مگابایت نوع : pdf بازدید : 15689 منتشرکننده : CarGeek
راهنمای آموزشی سیستم ترمزگیری ضدقفل ABS
5 سال پیش 10.58 مگابایت نوع : pdf بازدید : 9374 منتشرکننده : CarGeek
معرفی سیستم های ایمنی غیرفعال گروه پراید X100
5 سال پیش 0.57 مگابایت نوع : pdf بازدید : 4044 منتشرکننده : CarGeek
راهنمای تعمیرات و وسرویس کیسه هوا (ایربگ) پراید X100
5 سال پیش 8.69 مگابایت نوع : pdf بازدید : 6442 منتشرکننده : CarGeek
فلوچارت عیب یابی گیرکردن کلید داخل مغزی سوئیچ
5 سال پیش 0.55 مگابایت نوع : pdf بازدید : 9996 منتشرکننده : CarGeek
جزوه آموزشی سوزوکی گرندویتارا فیس لیفت
5 سال پیش 1.43 مگابایت نوع : pdf بازدید : 3169 منتشرکننده : CarGeek
Turbocharger Matching Methodology for Improved Exhaust Energy Recovery
5 سال پیش 0.51 مگابایت نوع : pdf بازدید : 3161 منتشرکننده : CarGeek
راهنمای آموزشی ایمنی و بهداشت محیط کار
5 سال پیش 0.88 مگابایت نوع : pdf بازدید : 4107 منتشرکننده : CarGeek
فلوچارت عیب یابی ترک شیشه جلو خودرو
5 سال پیش 0.52 مگابایت نوع : pdf بازدید : 7634 منتشرکننده : CarGeek
فلوچارت عیب یابی زوزه فن بخاری
5 سال پیش 0.43 مگابایت نوع : pdf بازدید : 11089 منتشرکننده : CarGeek
راهنمای تعمیرات و سرویس تجهیزات الکتریکی سایپا 132
5 سال پیش 3.05 مگابایت نوع : pdf بازدید : 5015 منتشرکننده : CarGeek
راهنمای تعمیرات تجهیزات الکتریکی پراید 141
5 سال پیش 3.08 مگابایت نوع : pdf بازدید : 6328 منتشرکننده : CarGeek
راهنمای تعمیرات مدارهای الکتریکی پراید 141
5 سال پیش 6.38 مگابایت نوع : pdf بازدید : 16719 منتشرکننده : CarGeek
راهنمای گیربکس اتوماتیک AL4 پژو 206
5 سال پیش 2.1 مگابایت نوع : pdf بازدید : 10696 منتشرکننده : CarGeek
فلوچارت عیب یابی برف پاک کن خودرو خوب عمل نمی کند
5 سال پیش 0.68 مگابایت نوع : pdf بازدید : 10266 منتشرکننده : CarGeek
جزوه معرفی انواع پمپ
5 سال پیش 2.94 مگابایت نوع : pdf بازدید : 6233 منتشرکننده : CarGeek
لغت نامه انگلیسی اصطلاحات صنعت خودرو
5 سال پیش 0.52 مگابایت نوع : pdf بازدید : 8444 منتشرکننده : CarGeek
جزوه درسی سوخت و احتراق
5 سال پیش 2.78 مگابایت نوع : pdf بازدید : 10380 منتشرکننده : CarGeek
جزوه آموزشی برق چری تیگو5
5 سال پیش 7.28 مگابایت نوع : pdf بازدید : 19748 منتشرکننده : CarGeek
جزوه آموزشی برق 405 ، پارس ، RD ، سمند و سورن ، CEC ، آریسان
5 سال پیش 36.52 مگابایت نوع : pdf بازدید : 25018 منتشرکننده : CarGeek
روش نصب سنسور دنده عقب سراتو
5 سال پیش 2.45 مگابایت نوع : pdf بازدید : 5700 منتشرکننده : CarGeek
راهنمای فن خنک کننده و فلپ های کنترلی رنو کپچر
5 سال پیش 0.85 مگابایت نوع : pdf بازدید : 6653 منتشرکننده : CarGeek
نحوه رگلاژ ترمزدستی خودروهای برلیانس H300
5 سال پیش 0.71 مگابایت نوع : pdf بازدید : 10118 منتشرکننده : CarGeek
روش رفع ایراد کپ کردن موتور در خودروهای با EMS SSAT
5 سال پیش 0.57 مگابایت نوع : pdf بازدید : 8473 منتشرکننده : CarGeek
راهنمای تعمیرات اکسل جلو تندر90
5 سال پیش 2.54 مگابایت نوع : pdf بازدید : 5104 منتشرکننده : CarGeek
راهنمای تعمیرات موتور 4G6 میتسوبیشی گالانت و لنسر
5 سال پیش 4.75 مگابایت نوع : pdf بازدید : 21501 منتشرکننده : CarGeek
تحقیق گازسوز کردن خودرو
5 سال پیش 1.45 مگابایت نوع : pdf بازدید : 4628 منتشرکننده : CarGeek
جزوه سیستم سوخت رسانی و برق و انژکتور خودرو
5 سال پیش 4.08 مگابایت نوع : pdf بازدید : 17735 منتشرکننده : CarGeek
جزوه راهنمای سیستم سوخت رسانی بنزینی کاربراتوری
5 سال پیش 6.23 مگابایت نوع : pdf بازدید : 9050 منتشرکننده : CarGeek
ساختار ایستگاه های سوخت رسانی CNG
5 سال پیش 1.14 مگابایت نوع : pdf بازدید : 4211 منتشرکننده : CarGeek
تشریح ریمپ ECU و شرح Remap ایسیو ساژم S2000
5 سال پیش 5.74 مگابایت نوع : pdf بازدید : 18442 منتشرکننده : CarGeek
دستورالعمل بازدید دستکاری صفحه کیلومتر در خودروهای X100 و X200
5 سال پیش 0.47 مگابایت نوع : pdf بازدید : 4135 منتشرکننده : CarGeek
دستورالعمل عیب یابی و تعویض مجموعه کویل ، وایر و شمع انواع پراید
5 سال پیش 2.39 مگابایت نوع : pdf بازدید : 51955 منتشرکننده : CarGeek
Classroom Manual for Automotive Electricity And Electronics
5 سال پیش 53.56 مگابایت نوع : pdf بازدید : 3317 منتشرکننده : CarGeek
تحلیل سیستم های تعلیق خودرو سمند
5 سال پیش 2.43 مگابایت نوع : pdf بازدید : 7518 منتشرکننده : CarGeek
راهنمای ایراد شتاب گیری و گاز خوردن ضعیف موتور و گاهاً خاموش شدن آن
5 سال پیش 4.1 مگابایت نوع : pdf بازدید : 8300 منتشرکننده : CarGeek
راهنمای تعمیرات گیربکس اتوماتیک تندر90
5 سال پیش 3.88 مگابایت نوع : pdf بازدید : 5186 منتشرکننده : CarGeek
راهنمای تعمیرات گیربکس پادرا
5 سال پیش 4.58 مگابایت نوع : pdf بازدید : 4304 منتشرکننده : CarGeek
راهنمای تعمیرات و سرویس سیستم تعلیق سراتو
5 سال پیش 8.15 مگابایت نوع : pdf بازدید : 5571 منتشرکننده : CarGeek
A Security Analysis of Radio Remote Controllers
5 سال پیش 5.2 مگابایت نوع : pdf بازدید : 3302 منتشرکننده : CarGeek
دستورالعمل عیب یابی و رفع ایراد دیسک و صفحه کلاچ زامیاد
5 سال پیش 2.82 مگابایت نوع : pdf بازدید : 7438 منتشرکننده : CarGeek
راهنمای تعمیرات اساسی گیربکس تندر90
5 سال پیش 5.5 مگابایت نوع : pdf بازدید : 9557 منتشرکننده : CarGeek
کتاب تعمیرکار برق خودرو براساس استاندارد درجه2 فنی و حرفه ای (باتری سازی)
5 سال پیش 9.31 مگابایت نوع : pdf بازدید : 74888 منتشرکننده : CarGeek
راهنمای تعمیرات اکسل جلو رنو ساندرو
5 سال پیش 3.08 مگابایت نوع : pdf بازدید : 4097 منتشرکننده : CarGeek
راهنمای سیستم انتقال قدرت و پلوس ساندرو
5 سال پیش 2.73 مگابایت نوع : pdf بازدید : 3270 منتشرکننده : CarGeek
جزوه امداد خودروهای مدیران خودرو
5 سال پیش 4.75 مگابایت نوع : pdf بازدید : 6129 منتشرکننده : CarGeek
راهنمای کامل تعمیرات جیلی امرگرند EC7
5 سال پیش 50.02 مگابایت نوع : pdf بازدید : 39313 منتشرکننده : CarGeek
دستورالعمل عیب یابی مجموعه جلو آمپر X100 و X200 (بجز کوئیک و ساینا AT)
5 سال پیش 0.47 مگابایت نوع : pdf بازدید : 7192 منتشرکننده : CarGeek
جزوه آموزشی سیستم برق خودروی Arizzo5
5 سال پیش 6.57 مگابایت نوع : pdf بازدید : 8283 منتشرکننده : CarGeek
جزوه برق تیگو 7 موتور 1.5TC و گیربکس DCT
5 سال پیش 19.64 مگابایت نوع : pdf بازدید : 14580 منتشرکننده : CarGeek
راهنمای تعویض دیسک چرخ عقب برلیانس H300
5 سال پیش 3.06 مگابایت نوع : pdf بازدید : 6980 منتشرکننده : CarGeek
راهنمای تعویض سنسور نقطه مرگ بالای خودرو وانت زامیاد
5 سال پیش 2.84 مگابایت نوع : pdf بازدید : 23195 منتشرکننده : CarGeek
راهنمای تعویض موتور پله ای (استپ موتور) دریچه گاز خودرو زامیاد
5 سال پیش 2.74 مگابایت نوع : pdf بازدید : 10282 منتشرکننده : CarGeek
راهنمای آموزشی دلکو و کویل- فایل 2
5 سال پیش 1.69 مگابایت نوع : pdf بازدید : 10730 منتشرکننده : CarGeek
راهنمای آموزشی دلکو و کویل
5 سال پیش 2.19 مگابایت نوع : pdf بازدید : 71254 منتشرکننده : CarGeek
راهنمای تعمیرات و عیب یابی ایربگ راننده و کمربند پیش کشنده خانواده خودرو سورن
5 سال پیش 1.99 مگابایت نوع : pdf بازدید : 8124 منتشرکننده : CarGeek
راهنمای تعمیرات ، عیب یابی و نقشه های ایربگ سرنشین سمند
5 سال پیش 1.43 مگابایت نوع : pdf بازدید : 7015 منتشرکننده : CarGeek
کتاب Gasoline Engine Management Systems and Components
5 سال پیش 10.56 مگابایت نوع : pdf بازدید : 4105 منتشرکننده : CarGeek
راهنمای تعمیرات سیستم تعلیق جلو تیبا
5 سال پیش 5.15 مگابایت نوع : pdf بازدید : 7642 منتشرکننده : CarGeek
فراخوان عیب یابی ، تعویض و تنظیم سوئیچ پدال ترمز در خودروهای کوئیک و ساینا اتوماتیک (کدخطای P0504)
5 سال پیش 0.82 مگابایت نوع : pdf بازدید : 16901 منتشرکننده : CarGeek
نحوه رفع ایراد عدم عملکرد فن بخاری بعلت خرابی رزیستور در خودروهای خانواده X200
5 سال پیش 0.33 مگابایت نوع : pdf بازدید : 21431 منتشرکننده : CarGeek
راهنمای تعمیرات مکانیکی موتور TU5 پژو 206
5 سال پیش 6.9 مگابایت نوع : pdf بازدید : 10252 منتشرکننده : CarGeek
راهنمای تعمیرات داشبورد دو ایربگ پژو 405 و پارس
5 سال پیش 2.24 مگابایت نوع : pdf بازدید : 14642 منتشرکننده : CarGeek
راهنمای تعمیرات و عیب یابی ایربگ و کمربند ایمنی خودرو رانا
5 سال پیش 1.61 مگابایت نوع : pdf بازدید : 9257 منتشرکننده : CarGeek
راهنمای سیستم ایموبیلایزر ضدسرقت رنو کپچر
5 سال پیش 3.25 مگابایت نوع : pdf بازدید : 4189 منتشرکننده : CarGeek
راهنمای تعمیرات سیستم کلاچ نیسان پاترول
5 سال پیش 0.84 مگابایت نوع : pdf بازدید : 19906 منتشرکننده : CarGeek
راهنمای تعمیرات سیستم فرمان نیسان پاترول
5 سال پیش 1.33 مگابایت نوع : pdf بازدید : 19529 منتشرکننده : CarGeek
راهنمای تعمیرات ترمز نیسان پاترول
5 سال پیش 1.18 مگابایت نوع : pdf بازدید : 17592 منتشرکننده : CarGeek
نقشه ها و تصاویر قطعات یدکی پراید صبا
5 سال پیش 42.12 مگابایت نوع : pdf بازدید : 63315 منتشرکننده : CarGeek
نقشه های الکتریکی کیا سراتو (2009–2007)
5 سال پیش 12.57 مگابایت نوع : pdf بازدید : 10986 منتشرکننده : CarGeek
راهنمای سیستم شبکه LAN نیسان مورانو
5 سال پیش 2.13 مگابایت نوع : pdf بازدید : 5329 منتشرکننده : CarGeek
راهنمای تعمیرات مکانیکی موتور نیسان مورانو
5 سال پیش 2 مگابایت نوع : pdf بازدید : 6232 منتشرکننده : CarGeek
راهنمای کامل تعمیرات چری تیگو5
5 سال پیش 144.04 مگابایت نوع : pdf بازدید : 32844 منتشرکننده : CarGeek
راهنمای تعمیرات بخاری و کولر نیسان پاترول
5 سال پیش 1.74 مگابایت نوع : pdf بازدید : 24339 منتشرکننده : CarGeek
راهنمای تعمیرات شاسی و بدنه نیسان پاترول
5 سال پیش 1.6 مگابایت نوع : pdf بازدید : 12134 منتشرکننده : CarGeek
راهنمای کامل تعمیرات MVM315
5 سال پیش 167.62 مگابایت نوع : pdf بازدید : 58799 منتشرکننده : CarGeek
معرفی و راهنمای تعمیرات ایربگ سمند، سورن، پژو405 و پارس
5 سال پیش 6.46 مگابایت نوع : pdf بازدید : 14717 منتشرکننده : CarGeek
اندازه گیری و مقایسه پارامترهای آلایندگی دود اگزوز و عملکرد در خودرو پراید مجهز به هدرز و بدون آن
5 سال پیش 0.42 مگابایت نوع : pdf بازدید : 3353 منتشرکننده : CarGeek
راهنمای تعمیرات ایربگ آریسان
5 سال پیش 5.56 مگابایت نوع : pdf بازدید : 5058 منتشرکننده : CarGeek
دستورالعمل عیب یابی صدای غیرعادی تسمه ها و پولی ها
5 سال پیش 1.49 مگابایت نوع : pdf بازدید : 24698 منتشرکننده : CarGeek
راهنمای دوره سوخت رسانی CNG سایپا
5 سال پیش 10.47 مگابایت نوع : pdf بازدید : 10612 منتشرکننده : CarGeek
دستورالعمل نصب مه شکن جلو برای خانواده پژو 405 RDوROA
5 سال پیش 3.01 مگابایت نوع : pdf بازدید : 64618 منتشرکننده : CarGeek
کتابچه راهنمای نقشه های الکتریکی 206 فرانسوی
5 سال پیش 19.89 مگابایت نوع : pdf بازدید : 29886 منتشرکننده : CarGeek
مجموعه سئوالات نظری و عملی ارزشیابی مهارت تعمیرکار برق خودرو درجه2
5 سال پیش 26.51 مگابایت نوع : pdf بازدید : 7276 منتشرکننده : CarGeek
راهنمای تعمیرات COM2000
5 سال پیش 1.27 مگابایت نوع : pdf بازدید : 6880 منتشرکننده : CarGeek
نمونه سئوالات آزمون سیستم سوخت رسانی و جرقه انژکتوری- فایل 5
5 سال پیش 0.32 مگابایت نوع : pdf بازدید : 5074 منتشرکننده : CarGeek
نمونه سئوالات آزمون سیستم سوخت رسانی و جرقه انژکتوری- فایل 4
5 سال پیش 0.33 مگابایت نوع : pdf بازدید : 3892 منتشرکننده : CarGeek
نمونه سئوالات آزمون سیستم سوخت رسانی و جرقه انژکتوری- فایل 3
5 سال پیش 0.33 مگابایت نوع : pdf بازدید : 4046 منتشرکننده : CarGeek
نمونه سئوالات آزمون سیستم سوخت رسانی و جرقه انژکتوری- فایل 2
5 سال پیش 0.32 مگابایت نوع : pdf بازدید : 4333 منتشرکننده : CarGeek
نمونه سئوالات آزمون سیستم سوخت رسانی و جرقه انژکتوری
5 سال پیش 0.1 مگابایت نوع : pdf بازدید : 12389 منتشرکننده : CarGeek
نمونه سئوالات آزمون کار با دستگاه عیب یاب (دیاگ)
5 سال پیش 0.16 مگابایت نوع : pdf بازدید : 7721 منتشرکننده : CarGeek
نمونه سئوالات آزمون کتبی مهارت کاربراتور
5 سال پیش 0.44 مگابایت نوع : pdf بازدید : 4731 منتشرکننده : CarGeek
نمونه سئوالات پرتکرار برق خودرو درجه2 فنی و حرفه ای- فایل 6
5 سال پیش 0.21 مگابایت نوع : pdf بازدید : 4416 منتشرکننده : CarGeek
نمونه سئوالات پرتکرار برق خودرو درجه2 فنی و حرفه ای- فایل 5
5 سال پیش 0.13 مگابایت نوع : pdf بازدید : 4375 منتشرکننده : CarGeek
نمونه سئوالات پرتکرار برق خودرو درجه2 فنی و حرفه ای- فایل 4
5 سال پیش 1.1 مگابایت نوع : pdf بازدید : 4483 منتشرکننده : CarGeek
نمونه سئوالات پرتکرار برق خودرو درجه2 فنی و حرفه ای- فایل 3
5 سال پیش 0.38 مگابایت نوع : pdf بازدید : 4113 منتشرکننده : CarGeek
نمونه سئوالات پرتکرار برق خودرو درجه2 فنی و حرفه ای- فایل 2
5 سال پیش 0.38 مگابایت نوع : pdf بازدید : 4646 منتشرکننده : CarGeek
نمونه سئوالات پرتکرار برق خودرو درجه2 فنی و حرفه ای
5 سال پیش 0.73 مگابایت نوع : pdf بازدید : 23864 منتشرکننده : CarGeek
مقدار گاز کولر سایپا X100 و X200 (خانواده پراید و تیبا)
5 سال پیش 0.91 مگابایت نوع : pdf بازدید : 43833 منتشرکننده : CarGeek
راهنمای تعمیرات موتور 1MZ-FE تویوتا (کمری 6سیلندر)
5 سال پیش 27.81 مگابایت نوع : pdf بازدید : 11892 منتشرکننده : CarGeek
راهنمای عیب یابی و تعویض سوئیچ و شیشه بالابر برقی پراید و تیبا
5 سال پیش 3.11 مگابایت نوع : pdf بازدید : 23272 منتشرکننده : CarGeek
تشخیص ایراد از روی دود اگزوز در وانت زامیاد دیزل
5 سال پیش 0.13 مگابایت نوع : pdf بازدید : 4470 منتشرکننده : CarGeek
نمونه سئوالات آزمون اتومکانیک درجه2
5 سال پیش 0.81 مگابایت نوع : pdf بازدید : 16245 منتشرکننده : CarGeek
راهنمای تعمیرات موتور چری
5 سال پیش 27.83 مگابایت نوع : pdf بازدید : 9611 منتشرکننده : CarGeek
دستورالعمل عیب یابی و تعویض تایر خودرو
5 سال پیش 2.44 مگابایت نوع : pdf بازدید : 4090 منتشرکننده : CarGeek
مشخصات روانکارهای خودروهای سایپا
5 سال پیش 1.85 مگابایت نوع : pdf بازدید : 3421 منتشرکننده : CarGeek
دستورالعمل عیب یابی و تعویض کیت کامل کلاچ
5 سال پیش 3.75 مگابایت نوع : pdf بازدید : 8039 منتشرکننده : CarGeek
جزوه سیستم سوخت رسانی انژکتوری سایپا
5 سال پیش 5.31 مگابایت نوع : pdf بازدید : 8579 منتشرکننده : CarGeek
کتاب موتور جت ، اصول تئوری ، طراحی و عملکرد
5 سال پیش 16.29 مگابایت نوع : pdf بازدید : 7735 منتشرکننده : CarGeek
راهنمای هیدرولیک فرمان در پژو RD
5 سال پیش 1.06 مگابایت نوع : pdf بازدید : 31405 منتشرکننده : CarGeek
راهنمای مدارات الکتریکی سمند با موتور TU5
5 سال پیش 46.43 مگابایت نوع : pdf بازدید : 6653 منتشرکننده : CarGeek
لیست سرویس های ادواری سایپا کوییک
5 سال پیش 1.26 مگابایت نوع : pdf بازدید : 55597 منتشرکننده : CarGeek
جزوه بازرسی و ایمنی لیفتراک
5 سال پیش 4.34 مگابایت نوع : pdf بازدید : 10633 منتشرکننده : CarGeek
راهنمای تعقیب و مراقبت خودرو CIA
5 سال پیش 1.56 مگابایت نوع : pdf بازدید : 6127 منتشرکننده : CarGeek
کاتالوگ قطعات پژو پارس ELX موتور زانتیا
5 سال پیش 27.39 مگابایت نوع : pdf بازدید : 22702 منتشرکننده : CarGeek
اطلاعات مربوط به دمونتاژ اسکانیا سری S, R, G وP
5 سال پیش 8.93 مگابایت نوع : pdf بازدید : 15551 منتشرکننده : CarGeek
راهنمای کامل تعمیرات MG GS
5 سال پیش 82.43 مگابایت نوع : pdf بازدید : 15077 منتشرکننده : CarGeek
معرفی و راهنمای تعمیرات الکتریکال سیستم ECO-MUX سورن ELX
5 سال پیش 2.71 مگابایت نوع : pdf بازدید : 3827 منتشرکننده : CarGeek
راهنمای باز و بست و عیب یابی گاردان 2تکه روآ سال
5 سال پیش 0.32 مگابایت نوع : pdf بازدید : 31031 منتشرکننده : CarGeek
کتاب Gears and Gear Drives
5 سال پیش 11.7 مگابایت نوع : pdf بازدید : 3485 منتشرکننده : CarGeek
راهنمای تعمیرات بدنه و تزئینات آریو S300
5 سال پیش 8.57 مگابایت نوع : pdf بازدید : 8654 منتشرکننده : CarGeek
راهنمای دسته سیم های و نقشه های الکتریکی هایما S7 توربوشارژ
5 سال پیش 19.42 مگابایت نوع : pdf بازدید : 6667 منتشرکننده : CarGeek
راهنمای دسته سیم های و نقشه های الکتریکی هایما S5 توربوشارژ
5 سال پیش 22.87 مگابایت نوع : pdf بازدید : 9763 منتشرکننده : CarGeek
دستورالعمل عیب یابی و تعویض مدولاتور ABS پراید و تیبا و ساینا و کوییک
5 سال پیش 2.43 مگابایت نوع : pdf بازدید : 20215 منتشرکننده : CarGeek
دستورالعمل تعویض مجموعه درب سوپاپ و واشر موتور تیبا
5 سال پیش 1.3 مگابایت نوع : pdf بازدید : 30981 منتشرکننده : CarGeek
جزوه آموزشی تعمیر موتور XU7 پژو پارس ، 405 و سمند
5 سال پیش 6.21 مگابایت نوع : pdf بازدید : 38122 منتشرکننده : CarGeek
تحقیق بررسی خودروهای هیبریدی
5 سال پیش 3.56 مگابایت نوع : pdf بازدید : 4772 منتشرکننده : CarGeek
راهنمای تعمیرات داشبورد و تزئینات دنا و دناپلاس
5 سال پیش 5.36 مگابایت نوع : pdf بازدید : 32930 منتشرکننده : CarGeek
لیست سرویس های دوره ای وانت پادرا
5 سال پیش 0.79 مگابایت نوع : pdf بازدید : 4724 منتشرکننده : CarGeek
جزوه آموزشی سیستم گیربکس دستی سوزوکی گرندویتارا
5 سال پیش 2.04 مگابایت نوع : pdf بازدید : 5636 منتشرکننده : CarGeek
راهنمای تعمیرات سیستم ایربگ ساندرو
5 سال پیش 1.52 مگابایت نوع : pdf بازدید : 4913 منتشرکننده : CarGeek
دستورالعمل عیب یابی و تعویض مجموعه گیربکس بهبودیافته دوبل برنجی خودروهای X100 و X200 سایپا (ND1-ND2)
5 سال پیش 5.72 مگابایت نوع : pdf بازدید : 9571 منتشرکننده : CarGeek
مقدمه ای بر خودروهای هیبرید و پلاگین
5 سال پیش 4.06 مگابایت نوع : pdf بازدید : 6139 منتشرکننده : CarGeek
آشنایی با سیستم ایمنی فعال ایربگ
5 سال پیش 7.44 مگابایت نوع : pdf بازدید : 3970 منتشرکننده : CarGeek
راهنمای تعمیرات و سرویس مدارهای الکتریکی کوییک
5 سال پیش 48.03 مگابایت نوع : pdf بازدید : 8721 منتشرکننده : CarGeek
راهنمای پارامترها و عیب یابی تندر90
5 سال پیش 0.39 مگابایت نوع : pdf بازدید : 19073 منتشرکننده : CarGeek
روش های بیکد و خام کردن ECUها
5 سال پیش 0.74 مگابایت نوع : pdf بازدید : 28724 منتشرکننده : CarGeek
لیست کدهای خطا کوییک و ساینا اتوماتیک و روش رفع آن ها- فایل 2
5 سال پیش 0.83 مگابایت نوع : pdf بازدید : 17197 منتشرکننده : CarGeek
لیست کدهای خطا کوییک و ساینا اتوماتیک و روش رفع آن ها
5 سال پیش 1.37 مگابایت نوع : pdf بازدید : 73219 منتشرکننده : CarGeek
راهنمای مشخصات و فرآیند تعمیرات و نرم افزار دیالوژیس رنو
5 سال پیش 22.53 مگابایت نوع : pdf بازدید : 3442 منتشرکننده : CarGeek
راهنمای تعمیرات موتور زوتی Z300 کد TNN4G15&16A
5 سال پیش 6.11 مگابایت نوع : pdf بازدید : 12876 منتشرکننده : CarGeek
راهنمای نقشه های الکتریکی ولوو FH و FM- فایل 2
5 سال پیش 14.58 مگابایت نوع : pdf بازدید : 8327 منتشرکننده : CarGeek
راهنمای نقشه های الکتریکی ولوو FH و FM
5 سال پیش 29.68 مگابایت نوع : pdf بازدید : 34793 منتشرکننده : CarGeek
راهنمای تعمیرات مجموعه موتور 1.65 برلیانس (BM16LB)
5 سال پیش 10.63 مگابایت نوع : pdf بازدید : 13197 منتشرکننده : CarGeek
راهنما و نقشه های مدارات الکتریکی سایپا کوییک
5 سال پیش 5.72 مگابایت نوع : pdf بازدید : 74482 منتشرکننده : CarGeek
معرفی و اطلاعات میتسوبیشی پاجرو تولید ایران
5 سال پیش 5.82 مگابایت نوع : pdf بازدید : 15497 منتشرکننده : CarGeek
راهنمای تعمیرات سیستم کلاچ جیپ صحرا
5 سال پیش 1.45 مگابایت نوع : pdf بازدید : 9247 منتشرکننده : CarGeek
راهنمای تعمیرات سیستم سوخت و اگزوز جیپ صحرا
5 سال پیش 1.53 مگابایت نوع : pdf بازدید : 6543 منتشرکننده : CarGeek
راهنمای اطلاعات عمومی تعمیرات جیپ صحرا
5 سال پیش 1.54 مگابایت نوع : pdf بازدید : 11751 منتشرکننده : CarGeek
راهنمای تعمیرات سیستم ترمز جیپ صحرا
5 سال پیش 2.13 مگابایت نوع : pdf بازدید : 11493 منتشرکننده : CarGeek
راهنمای تعمیرات سیستم فرمان جیپ صحرا
5 سال پیش 1.84 مگابایت نوع : pdf بازدید : 9531 منتشرکننده : CarGeek
راهنمای درها و درعقب(هاچ بک) مزدا3
5 سال پیش 1.27 مگابایت نوع : pdf بازدید : 3229 منتشرکننده : CarGeek
راهنمای باز و بست شیشه ها ، پنجره ها و آینه های مزدا3
5 سال پیش 6.84 مگابایت نوع : pdf بازدید : 7274 منتشرکننده : CarGeek
راهنمای باز و بست تجهیزات بدنه مزدا3
5 سال پیش 3.87 مگابایت نوع : pdf بازدید : 16450 منتشرکننده : CarGeek
راهنمای اطلاعات عمومی تعمیرات بدنه مزدا3
5 سال پیش 12.28 مگابایت نوع : pdf بازدید : 4279 منتشرکننده : CarGeek
راهنمای عیب یابی تهویه مطبوع اتوماتیک مزدا3
5 سال پیش 1.14 مگابایت نوع : pdf بازدید : 5824 منتشرکننده : CarGeek
راهنمای سیستم عیب یابی هوشمند جعبه دنده اتوماتیک مزدا3 جدید
5 سال پیش 7.99 مگابایت نوع : pdf بازدید : 5026 منتشرکننده : CarGeek
راهنمای تعمیرات سیستم تهویه مطبوع اتوماتیک مزدا3
5 سال پیش 2.38 مگابایت نوع : pdf بازدید : 8968 منتشرکننده : CarGeek
راهنمای نحوه نصب روکش صندلی برلیانس سری H300
5 سال پیش 2.05 مگابایت نوع : pdf بازدید : 5516 منتشرکننده : CarGeek
راهنمای عیب یابی الکتریکی و دودهای خروجی موتور 4HE1-TC کامیونت ایسوزو
5 سال پیش 2.86 مگابایت نوع : pdf بازدید : 4304 منتشرکننده : CarGeek
راهنمای تعمیرات سیستم کلاچ کامیونت ایسوزو
5 سال پیش 0.49 مگابایت نوع : pdf بازدید : 14372 منتشرکننده : CarGeek
چک لیست نمونه کارشناسی خودرو
5 سال پیش 0.18 مگابایت نوع : pdf بازدید : 14137 منتشرکننده : CarGeek
معرفی پژو 405 SLX
5 سال پیش 4.9 مگابایت نوع : pdf بازدید : 7206 منتشرکننده : CarGeek
راهنمای عیب یابی پشت آمپر مزدا3 جدید
5 سال پیش 0.27 مگابایت نوع : pdf بازدید : 21481 منتشرکننده : CarGeek
راهنمای عیب یابی صفحه نمایش چندمنظوره مزدا3 جدید
5 سال پیش 0.94 مگابایت نوع : pdf بازدید : 5063 منتشرکننده : CarGeek
راهنمای عیب یابی پخش و تعویض CD مزدا3 جدید
5 سال پیش 0.26 مگابایت نوع : pdf بازدید : 5331 منتشرکننده : CarGeek
راهنمای تعمیرات سیستم سوخت رسانی جیپ صحرا
5 سال پیش 1.91 مگابایت نوع : pdf بازدید : 10440 منتشرکننده : CarGeek
راهنمای تعمیرات گیربکس و کمک گیربکس جیپ صحرا
5 سال پیش 1.91 مگابایت نوع : pdf بازدید : 16107 منتشرکننده : CarGeek
راهنمای نگه داری و تعمیرات جیپ صحرا
5 سال پیش 1.75 مگابایت نوع : pdf بازدید : 12456 منتشرکننده : CarGeek
نکاتی درباره کارشناسی فنی ، رنگ و بدنه خودرو
5 سال پیش 0.84 مگابایت نوع : pdf بازدید : 5778 منتشرکننده : CarGeek
جزوه آموزش سیستم تهویه مطبوع ایساکو
5 سال پیش 10.29 مگابایت نوع : pdf بازدید : 12312 منتشرکننده : CarGeek
راهنمای نصب سیستم پاورویندوز تندر90 و ساندرو
5 سال پیش 2.67 مگابایت نوع : pdf بازدید : 3998 منتشرکننده : CarGeek
راهنمای تعریف کلید پژو 206 با ECU غرب استیل
5 سال پیش 1.26 مگابایت نوع : pdf بازدید : 8580 منتشرکننده : CarGeek
راهنمای تعمیرات سیستم فرمان برقی ،تعلیق و اکسل ها سایپا کوییک
5 سال پیش 3.1 مگابایت نوع : pdf بازدید : 10059 منتشرکننده : CarGeek
راهنمای تعمیرات و سرویس سیستم ترمز سایپا کوییک
5 سال پیش 7.3 مگابایت نوع : pdf بازدید : 8768 منتشرکننده : CarGeek
راهنمای نصب سنسور دنده عقب مگان-پراید-تندر-ریو-تیبا-X100
5 سال پیش 1.31 مگابایت نوع : pdf بازدید : 14212 منتشرکننده : CarGeek
نحوه رفع لرزش و یا صدای غیرعادی فرمان تندر90،پارس تندر و ساندرو
5 سال پیش 1.1 مگابایت نوع : pdf بازدید : 7629 منتشرکننده : CarGeek
راهنمای تعمیرات بدنه و تزئینات سایپا کوییک
5 سال پیش 17.3 مگابایت نوع : pdf بازدید : 7683 منتشرکننده : CarGeek
راهنمای تعمیرات Clock Spring (رابط هرزگرد یا سوئیچ چرخشی) پراید و تیبا
5 سال پیش 3.68 مگابایت نوع : pdf بازدید : 24043 منتشرکننده : CarGeek
راهنمای عیب یابی سیستم ترمز نیسان زامیاد
5 سال پیش 1.21 مگابایت نوع : pdf بازدید : 22246 منتشرکننده : CarGeek
راهنمای تعمیرات و سرویس الکتریکی موتور سراتو 2000
5 سال پیش 3.77 مگابایت نوع : pdf بازدید : 3858 منتشرکننده : CarGeek
راهنمای تعمیرات و سرویس الکتریکی موتور سراتو 1600
5 سال پیش 4.72 مگابایت نوع : pdf بازدید : 3431 منتشرکننده : CarGeek
راهنمای تعمیرات و سرویس تهویه مطبوع سایپا کوییک
5 سال پیش 1.6 مگابایت نوع : pdf بازدید : 26623 منتشرکننده : CarGeek
راهنمای تعمیرات و سرویس تجهیزات الکتریکی سایپا کوییک
5 سال پیش 3.28 مگابایت نوع : pdf بازدید : 11589 منتشرکننده : CarGeek
دستورالعمل عیب یابی و تعویض مجموعه دسته راهنما زامیاد یورو4
5 سال پیش 3.13 مگابایت نوع : pdf بازدید : 11409 منتشرکننده : CarGeek
راهنمای مصور تعمیرات و سرویس گیربکس 5سرعته نیسان وانت زامیاد دیزل و بنزینی
5 سال پیش 5.34 مگابایت نوع : pdf بازدید : 23729 منتشرکننده : CarGeek
راهنمای تعمیرات و سرویس گیربکس اتوماتیک CVT سایپا کوییک
5 سال پیش 9.79 مگابایت نوع : pdf بازدید : 12305 منتشرکننده : CarGeek
راهنمای تعمیرات و سرویس سیستم سوخت رسانی سایپا کوییک
5 سال پیش 2.22 مگابایت نوع : pdf بازدید : 26343 منتشرکننده : CarGeek
راهنمای تعمیرات و سرویس مجموعه موتور سایپا کوییک
5 سال پیش 4.66 مگابایت نوع : pdf بازدید : 18778 منتشرکننده : CarGeek
راهنمای تعمیرات تعلیق پیکاپ ریچ
5 سال پیش 2.62 مگابایت نوع : pdf بازدید : 7664 منتشرکننده : CarGeek
راهنمای تعمیرات فرمان پیکاپ ریچ
5 سال پیش 11.22 مگابایت نوع : pdf بازدید : 6894 منتشرکننده : CarGeek
راهنمای تعمیرات سیستم جعبه دنده و انتقال قدرت پیکاپ ریچ
5 سال پیش 16.15 مگابایت نوع : pdf بازدید : 7127 منتشرکننده : CarGeek
راهنمای تعمیرات تزئینات داخلی سورن ELX
5 سال پیش 0.8 مگابایت نوع : pdf بازدید : 20370 منتشرکننده : CarGeek
راهنمای تعمیرات و سرویس بدنه و متعلقات چانگان CS35
5 سال پیش 4.77 مگابایت نوع : pdf بازدید : 8800 منتشرکننده : CarGeek
راهنمای عیب یابی موتورهای کوماتسو
5 سال پیش 8.58 مگابایت نوع : pdf بازدید : 10648 منتشرکننده : CarGeek
دستورالعمل عیب یابی و رفع ایراد گیربکس دستی BE پژو 405، پارس ، سمند، سورن و دنا
5 سال پیش 1.26 مگابایت نوع : pdf بازدید : 8724 منتشرکننده : CarGeek
راهنمای تعمیرات موتور پیکاپ ریچ
5 سال پیش 5.99 مگابایت نوع : pdf بازدید : 19703 منتشرکننده : CarGeek
اطلاعیه فنی معرفی هایما S5
5 سال پیش 0.52 مگابایت نوع : pdf بازدید : 6181 منتشرکننده : CarGeek
راهنمای آموزشی سیستم فرمان الکتروهیدرولیکی هیوندای
5 سال پیش 1 مگابایت نوع : pdf بازدید : 6559 منتشرکننده : CarGeek
طرح پروژه طراحی و تولید محصول دنا (NX7)
5 سال پیش 7 مگابایت نوع : pdf بازدید : 3637 منتشرکننده : CarGeek
نحوه نصب سیستم صوتی/تصویری ، دوربین دنده عقب و رهیاب GPS برلیانس H320وH330
5 سال پیش 4.26 مگابایت نوع : pdf بازدید : 8734 منتشرکننده : CarGeek
راهنمای تعمیرات و سرویس سیستم ترمز ساینا اتوماتیک
5 سال پیش 7.34 مگابایت نوع : pdf بازدید : 7066 منتشرکننده : CarGeek
راهنمای تعمیرات و سرویس سیستم سوخت رسانی رنو کپچر
5 سال پیش 3.28 مگابایت نوع : pdf بازدید : 6941 منتشرکننده : CarGeek
راهنمای تعمیرات و سرویس توربوشارژر رنو کپچر
5 سال پیش 1.26 مگابایت نوع : pdf بازدید : 4701 منتشرکننده : CarGeek
دستورالعمل عیب یابی و تعویض قطعات زیرمجموعه صندلی تیبا2 و X100
5 سال پیش 3.36 مگابایت نوع : pdf بازدید : 105805 منتشرکننده : CarGeek
جزوه آموزش فنی خودرو سراتو
5 سال پیش 23.62 مگابایت نوع : pdf بازدید : 11378 منتشرکننده : CarGeek
راهنمای تعمیرات و سرویس تهویه مطبوع ساینا اتوماتیک
5 سال پیش 4.74 مگابایت نوع : pdf بازدید : 8535 منتشرکننده : CarGeek
راهنمای ساختار مولتی پلکس در خودروهای رنو (کپچر)
5 سال پیش 2.3 مگابایت نوع : pdf بازدید : 5051 منتشرکننده : CarGeek
کلیات و دانستنیهای کاتالیزور خودرو
5 سال پیش 0.5 مگابایت نوع : pdf بازدید : 3911 منتشرکننده : CarGeek
معرفی و آشنایی با سیستم شبکه های مالتی پلکس
5 سال پیش 3.03 مگابایت نوع : pdf بازدید : 9267 منتشرکننده : CarGeek
معرفی سیستم ایموبیلایزر و نحوه معرفی کدسوئیچ خودروها
5 سال پیش 0.77 مگابایت نوع : pdf بازدید : 6567 منتشرکننده : CarGeek
راهنمای تعمیرات و سرویس سیستم سوخت رسانی ساینا اتوماتیک
5 سال پیش 6.37 مگابایت نوع : pdf بازدید : 6426 منتشرکننده : CarGeek
دستورالعمل تست جعبه فرمان هیدرولیک پژو405 ، پارس ، سمند و دنا
5 سال پیش 1.18 مگابایت نوع : pdf بازدید : 11182 منتشرکننده : CarGeek
راهنمای عیب یابی و تعویض مجموعه بخاری و اواپراتور تیبا
5 سال پیش 2.5 مگابایت نوع : pdf بازدید : 35024 منتشرکننده : CarGeek
2018s Top 10 Tech Cars - IEEE Spectrum
5 سال پیش 14.9 مگابایت نوع : pdf بازدید : 3381 منتشرکننده : CarGeek
راهنمای نصب سیستم صوتی/تصویری سراتو
5 سال پیش 1.53 مگابایت نوع : pdf بازدید : 7488 منتشرکننده : CarGeek
راهنمای رله و فیوزهای دنا پلاس اکوماکس
5 سال پیش 0.43 مگابایت نوع : pdf بازدید : 17847 منتشرکننده : CarGeek
رفع مشکل گیرکردن اهرم تعویض دنده در وضعیت P خودروهای برلیانس سری 300
5 سال پیش 0.69 مگابایت نوع : pdf بازدید : 18644 منتشرکننده : CarGeek
راهنمای مدارهای الکتریکی چانگان ایدو (EADO)
5 سال پیش 8.72 مگابایت نوع : pdf بازدید : 8301 منتشرکننده : CarGeek
راهنمای تعمیرات و سرویس گیربکس CVT ساینا اتوماتیک
5 سال پیش 9.83 مگابایت نوع : pdf بازدید : 10081 منتشرکننده : CarGeek
راهنمای تعمیرات موتور ساینا
5 سال پیش 19.97 مگابایت نوع : pdf بازدید : 13878 منتشرکننده : CarGeek
راهنمای H30 Cross امدادخودرو
5 سال پیش 3.47 مگابایت نوع : pdf بازدید : 4867 منتشرکننده : CarGeek
راهنمای امدادخودرو در مورد سیستم توربوشارژر محصولات ایران خودرو
5 سال پیش 2.59 مگابایت نوع : pdf بازدید : 5170 منتشرکننده : CarGeek
دستورالعمل تعویض شیشه جلو و عقب پراید و تیبا و ساینا
5 سال پیش 2.2 مگابایت نوع : pdf بازدید : 30081 منتشرکننده : CarGeek
راهنمای مصور تعمیراتی گیربکس 5سرعته زامیاد دیزل و بنزین
5 سال پیش 15.98 مگابایت نوع : pdf بازدید : 4991 منتشرکننده : CarGeek
معرفی فنی و راهنمای امداد پژو 2008 ، 301 و 508
5 سال پیش 5.75 مگابایت نوع : pdf بازدید : 11801 منتشرکننده : CarGeek
راهنمای دوره آموزشی CNG پژو 206SD دوگانه سوز
5 سال پیش 18.65 مگابایت نوع : pdf بازدید : 9142 منتشرکننده : CarGeek
راهنمای تعمیرات مدیریت موتور بسترن B50
5 سال پیش 8.44 مگابایت نوع : pdf بازدید : 5905 منتشرکننده : CarGeek
راهنمای تعمیرات موتور بسترن B50
5 سال پیش 5.6 مگابایت نوع : pdf بازدید : 9511 منتشرکننده : CarGeek
جزوه تخصصی تعمیرات نرم افزاری ECU
5 سال پیش 6.44 مگابایت نوع : pdf بازدید : 10619 منتشرکننده : CarGeek
راهنمای تعمیرات سیستم سوخت رسانی ، اگزوز و سیستم های کنترلی مزدا323
5 سال پیش 103.19 مگابایت نوع : pdf بازدید : 4967 منتشرکننده : CarGeek
راهنمای جعبه فیوز داخل موتور بسترن B30
5 سال پیش 0.41 مگابایت نوع : pdf بازدید : 11781 منتشرکننده : CarGeek
Security Analysis of Ethernet in Cars
5 سال پیش 2.44 مگابایت نوع : pdf بازدید : 3558 منتشرکننده : CarGeek
Ethernet in Automotive Networks
5 سال پیش 1.34 مگابایت نوع : pdf بازدید : 3667 منتشرکننده : CarGeek
Automotive Ethernet
5 سال پیش 10.78 مگابایت نوع : pdf بازدید : 3449 منتشرکننده : CarGeek
Automotive Ethernet:An Overview
5 سال پیش 1.89 مگابایت نوع : pdf بازدید : 3855 منتشرکننده : CarGeek
کتابچه نقشه های خودروهای انژکتوری ایرانی
5 سال پیش 44.52 مگابایت نوع : pdf بازدید : 66010 منتشرکننده : CarGeek
کتاب The Science of Vehicle Dynamics
5 سال پیش 8.06 مگابایت نوع : pdf بازدید : 3229 منتشرکننده : CarGeek
راهنمای عیب یابی و نقشه های ترمز سراتو
5 سال پیش 10.18 مگابایت نوع : pdf بازدید : 8465 منتشرکننده : CarGeek
راهنمای تعمیرات و سرویس ترمز سراتو
5 سال پیش 9.96 مگابایت نوع : pdf بازدید : 6798 منتشرکننده : CarGeek
راهنمای تعمیرات کلاچ هیدرولیک سراتو
5 سال پیش 2.48 مگابایت نوع : pdf بازدید : 5259 منتشرکننده : CarGeek
راهنمای اورهال گیربکس دستی سراتو
5 سال پیش 2.3 مگابایت نوع : pdf بازدید : 3531 منتشرکننده : CarGeek
راهنمای استفاده از ایکودیاگ در عیب یابی خودروها
5 سال پیش 6.35 مگابایت نوع : pdf بازدید : 14246 منتشرکننده : CarGeek
راهنمای آموزشی سیستم ایمنی تکمیلی SRS هیوندای- فایل 2
5 سال پیش 2.56 مگابایت نوع : pdf بازدید : 3688 منتشرکننده : CarGeek
راهنمای آموزشی سیستم ایمنی تکمیلی SRS هیوندای
5 سال پیش 1.63 مگابایت نوع : pdf بازدید : 3948 منتشرکننده : CarGeek
دفترچه راهنمای رنو تالیسمان
5 سال پیش 26.71 مگابایت نوع : pdf بازدید : 18911 منتشرکننده : CarGeek
دستورالعمل عیب یابی و تعویض ریموت پراید132 و تیبا
5 سال پیش 2.11 مگابایت نوع : pdf بازدید : 21085 منتشرکننده : CarGeek
راهنمای تعمیرات و عیب یابی سیستم کروزکنترل پژو پارس و سمند
5 سال پیش 8.75 مگابایت نوع : pdf بازدید : 5711 منتشرکننده : CarGeek
راهنمای آموزشی آشنایی با الکتریسیته و الکترونیک آسان موتور- فایل 2
5 سال پیش 3.28 مگابایت نوع : pdf بازدید : 4456 منتشرکننده : CarGeek
راهنمای آموزشی آشنایی با الکتریسیته و الکترونیک آسان موتور
5 سال پیش 2.32 مگابایت نوع : pdf بازدید : 4716 منتشرکننده : CarGeek
راهنمای ایمنی و سرویس سیستم CNG
5 سال پیش 1.72 مگابایت نوع : pdf بازدید : 6074 منتشرکننده : CarGeek
راهنمای عیب یابی الکتریکی موتور سراتو 2000- فایل 2
5 سال پیش 15.67 مگابایت نوع : pdf بازدید : 3529 منتشرکننده : CarGeek
راهنمای عیب یابی الکتریکی موتور سراتو 2000
5 سال پیش 20.37 مگابایت نوع : pdf بازدید : 4894 منتشرکننده : CarGeek
راهنمای عیب یابی الکتریکی موتور سراتو 1600- فایل 2
5 سال پیش 18.05 مگابایت نوع : pdf بازدید : 3404 منتشرکننده : CarGeek
راهنمای عیب یابی الکتریکی موتور سراتو 1600
5 سال پیش 18.9 مگابایت نوع : pdf بازدید : 3758 منتشرکننده : CarGeek
راهنمای آموزشی سیستم مدیریت موتور هیوندای- فایل 2
5 سال پیش 2.22 مگابایت نوع : pdf بازدید : 4160 منتشرکننده : CarGeek
راهنمای آموزشی سیستم مدیریت موتور هیوندای
5 سال پیش 9.1 مگابایت نوع : pdf بازدید : 8487 منتشرکننده : CarGeek
راهنمای آموزشی سیستم تعلیق با کنترل الکترونیکی هیوندای
5 سال پیش 2.13 مگابایت نوع : pdf بازدید : 6044 منتشرکننده : CarGeek
راهنمای گیربکس اتوماتیک 6سرعته AISIN F21-450 هیوندای
5 سال پیش 3.3 مگابایت نوع : pdf بازدید : 9808 منتشرکننده : CarGeek
نقشه های الکتریکی خودرو H30 Cross
5 سال پیش 17.19 مگابایت نوع : pdf بازدید : 28188 منتشرکننده : CarGeek
راهنمای کامل مدارهای الکتریکی تیبا- فایل 2
5 سال پیش 17.13 مگابایت نوع : pdf بازدید : 6136 منتشرکننده : CarGeek
راهنمای کامل مدارهای الکتریکی تیبا
5 سال پیش 21.1 مگابایت نوع : pdf بازدید : 13021 منتشرکننده : CarGeek
جزوات آموزشی نقاشی خودرو- فایل 3
5 سال پیش 0.27 مگابایت نوع : pdf بازدید : 4080 منتشرکننده : CarGeek
جزوات آموزشی نقاشی خودرو- فایل 2
5 سال پیش 3.82 مگابایت نوع : pdf بازدید : 4236 منتشرکننده : CarGeek
جزوات آموزشی نقاشی خودرو
5 سال پیش 10.56 مگابایت نوع : pdf بازدید : 17700 منتشرکننده : CarGeek
راهنمای تعمیرات و سرویس سیستم الکتریکی ایربگ سراتو
5 سال پیش 9.7 مگابایت نوع : pdf بازدید : 4713 منتشرکننده : CarGeek
Accelerating C-V2X Commercialization
5 سال پیش 3.38 مگابایت نوع : pdf بازدید : 3471 منتشرکننده : CarGeek
Cellular Vehicle-to-everything (C-V2X) , enabling intelligent transport
5 سال پیش 8.85 مگابایت نوع : pdf بازدید : 3520 منتشرکننده : CarGeek
راهنمای آموزشی CNG تندر90
5 سال پیش 1.77 مگابایت نوع : pdf بازدید : 7841 منتشرکننده : CarGeek
راهنمای تعمیرات و سرویس سیستم خنک کننده موتور هایما
5 سال پیش 0.45 مگابایت نوع : pdf بازدید : 6171 منتشرکننده : CarGeek
جزوه دوره آموزش فنی کپچر
5 سال پیش 32.15 مگابایت نوع : pdf بازدید : 3546 منتشرکننده : CarGeek
راهنمای آموزشی ایموبلایزر (سیستم ضدسرقت) تندر90
5 سال پیش 10.46 مگابایت نوع : pdf بازدید : 9297 منتشرکننده : CarGeek
اطلاعیه معرفی خودرو ساینا اتوماتیک
5 سال پیش 1.78 مگابایت نوع : pdf بازدید : 3959 منتشرکننده : CarGeek
جزوه مونتاژ موتور EF7
5 سال پیش 10.67 مگابایت نوع : pdf بازدید : 24297 منتشرکننده : CarGeek
راهنمای عیب یابی و تعویض مجموعه کمک فنر پراید و تیبا و ساینا و کوییک
5 سال پیش 2.36 مگابایت نوع : pdf بازدید : 13477 منتشرکننده : CarGeek
راهنمای تعمیرات و سرویس سیستم ضدقفل ترمز ABS و پایداری ESP هایما
5 سال پیش 5.1 مگابایت نوع : pdf بازدید : 10964 منتشرکننده : CarGeek
راهنمای تعمیرات تزئینات داخل و داشبورد خودرو دنا- فایل 2
5 سال پیش 1.97 مگابایت نوع : pdf بازدید : 6745 منتشرکننده : CarGeek
راهنمای تعمیرات تزئینات داخل و داشبورد خودرو دنا
5 سال پیش 6.68 مگابایت نوع : pdf بازدید : 12238 منتشرکننده : CarGeek
راهنمای مدارات الکتریکی سوزوکی گرندویتارا 2000 و 2400- فایل 2
5 سال پیش 15.19 مگابایت نوع : pdf بازدید : 3013 منتشرکننده : CarGeek
راهنمای مدارات الکتریکی سوزوکی گرندویتارا 2000 و 2400
5 سال پیش 5.98 مگابایت نوع : pdf بازدید : 12322 منتشرکننده : CarGeek
راهنمای تعمیرات و سرویس مجموعه فرمان تیبا
5 سال پیش 2.77 مگابایت نوع : pdf بازدید : 9160 منتشرکننده : CarGeek
دفترچه راهنمای نصب پیستون ،رینگ و شاتون
5 سال پیش 1.38 مگابایت نوع : pdf بازدید : 52358 منتشرکننده : CarGeek
راهنمای تعمیرات تعلیق جلو و عقب تیبا- فایل 2
5 سال پیش 1.03 مگابایت نوع : pdf بازدید : 4196 منتشرکننده : CarGeek
راهنمای تعمیرات تعلیق جلو و عقب تیبا
5 سال پیش 2.8 مگابایت نوع : pdf بازدید : 9600 منتشرکننده : CarGeek
راهنمای مجموعه پمپ بنزین و درجه باک پراید و تیبا
5 سال پیش 1.33 مگابایت نوع : pdf بازدید : 47303 منتشرکننده : CarGeek
گزارش صنعت خودروسازی ترکیه
5 سال پیش 2.36 مگابایت نوع : pdf بازدید : 3588 منتشرکننده : CarGeek
راهنمای عیب یابی سیستم انتقال قدرت اتوماتیک مگان
5 سال پیش 1.71 مگابایت نوع : pdf بازدید : 4003 منتشرکننده : CarGeek
راهنمای سیستم های کنترل اجزاء مکانیکی مگان
5 سال پیش 2.85 مگابایت نوع : pdf بازدید : 4743 منتشرکننده : CarGeek
راهنمای تعمیرات جلو و بالای موتورهای مگان
5 سال پیش 4.81 مگابایت نوع : pdf بازدید : 4003 منتشرکننده : CarGeek
راهنمای تعمیرات اساسی جعبه دنده معمولی مگان
5 سال پیش 10.82 مگابایت نوع : pdf بازدید : 3863 منتشرکننده : CarGeek
راهنمای تعمیرات اساسی موتور سری K4 مگان
5 سال پیش 11.41 مگابایت نوع : pdf بازدید : 6877 منتشرکننده : CarGeek
راهنمای مخلوط سوخت و هوا موتور مگان
5 سال پیش 3.37 مگابایت نوع : pdf بازدید : 5838 منتشرکننده : CarGeek
شمای الکتریکی کلی مگان
5 سال پیش 1.46 مگابایت نوع : pdf بازدید : 14746 منتشرکننده : CarGeek
اطلاعات فنی عمومی موتورهای بنزینی مگان
5 سال پیش 1.08 مگابایت نوع : pdf بازدید : 6280 منتشرکننده : CarGeek
راهنمای عیب یابی جعبه دنده معمولی مگان
5 سال پیش 1.02 مگابایت نوع : pdf بازدید : 5514 منتشرکننده : CarGeek
جزوه آشنایی با سرویس و نگه داری خودرو ایساکو
5 سال پیش 4.6 مگابایت نوع : pdf بازدید : 5031 منتشرکننده : CarGeek
راهنمای تعمیرات مکانیزم ها و تجهیزات تندر90 و ساندرو
5 سال پیش 5.56 مگابایت نوع : pdf بازدید : 4380 منتشرکننده : CarGeek
راهنمای استفاده از ابزار انهدام ایربگ و پیش کشنده کمربند
5 سال پیش 0.41 مگابایت نوع : pdf بازدید : 3957 منتشرکننده : CarGeek
جدول سرویس های ادواری چانگان CS35 و ایدو
5 سال پیش 1.03 مگابایت نوع : pdf بازدید : 11422 منتشرکننده : CarGeek
راهنمای مدارات الکتریکی وانت زامیاد NI-NIB
5 سال پیش 3.61 مگابایت نوع : pdf بازدید : 48062 منتشرکننده : CarGeek
دستورالعمل بررسی و تعویض بوش و طبق پراید
5 سال پیش 1.21 مگابایت نوع : pdf بازدید : 19554 منتشرکننده : CarGeek
راهنمای عیب یابی و تعمیر کدهای خطای هایما S7 توربو
5 سال پیش 6.24 مگابایت نوع : pdf بازدید : 55164 منتشرکننده : CarGeek
راهنمای عیب یابی سیستم کنترل موتور نیسان پیکاپ و رونیز
5 سال پیش 7.52 مگابایت نوع : pdf بازدید : 18822 منتشرکننده : CarGeek
راهنمای تعمیرات اساسی گیربکس اتوماتیک تندر90 و ساندرو
5 سال پیش 11.68 مگابایت نوع : pdf بازدید : 5119 منتشرکننده : CarGeek
راهنمای کامل تعمیر و نگه داری لودر L120D ولوو
5 سال پیش 38.82 مگابایت نوع : pdf بازدید : 17432 منتشرکننده : CarGeek
راهنمای سیستم تهویه مطبوع و بخاری کوراندو
5 سال پیش 9.36 مگابایت نوع : pdf بازدید : 3786 منتشرکننده : CarGeek
راهنمای عیب یابی UCH مگان
5 سال پیش 5.32 مگابایت نوع : pdf بازدید : 7394 منتشرکننده : CarGeek
راهنمای سیستم کیسه هوا SRS نیسان قشقایی
5 سال پیش 0.71 مگابایت نوع : pdf بازدید : 3623 منتشرکننده : CarGeek
راهنمای سیستم امنیتی نیسان قشقایی
5 سال پیش 2.15 مگابایت نوع : pdf بازدید : 3201 منتشرکننده : CarGeek
راهنمای سیستم روغن کاری موتور نیسان قشقایی
5 سال پیش 1.02 مگابایت نوع : pdf بازدید : 4039 منتشرکننده : CarGeek
راهنمای سیستم گیربکس و دیفرانسیل نیسان قشقایی
5 سال پیش 5.44 مگابایت نوع : pdf بازدید : 5484 منتشرکننده : CarGeek
راهنمای سیستم خنک کننده موتور نیسان قشقایی
5 سال پیش 1.66 مگابایت نوع : pdf بازدید : 4926 منتشرکننده : CarGeek
راهنمای سیستم سوخت رسانی نیسان قشقایی
5 سال پیش 0.87 مگابایت نوع : pdf بازدید : 4776 منتشرکننده : CarGeek
راهنمای سیستم کنترل موتور نیسان قشقایی
5 سال پیش 8.45 مگابایت نوع : pdf بازدید : 3717 منتشرکننده : CarGeek
راهنمای سیستم انتقال قدرت نیسان قشقایی
5 سال پیش 3.05 مگابایت نوع : pdf بازدید : 3426 منتشرکننده : CarGeek
راهنمای مکانیک موتور نیسان قشقایی
5 سال پیش 11.25 مگابایت نوع : pdf بازدید : 4862 منتشرکننده : CarGeek
راهنمای برق و مدارهای نیسان قشقایی
5 سال پیش 1.74 مگابایت نوع : pdf بازدید : 6565 منتشرکننده : CarGeek
راهنمای الکتریک H30 Cross امدادخودرو
5 سال پیش 8.01 مگابایت نوع : pdf بازدید : 3775 منتشرکننده : CarGeek
راهنمای تعمیرات و سرویس تهویه مطبوع آریو
5 سال پیش 4.52 مگابایت نوع : pdf بازدید : 13102 منتشرکننده : CarGeek
راهنمای تعمیرات و سرویس تهویه مطبوع برلیانس H220 و H230
5 سال پیش 4.06 مگابایت نوع : pdf بازدید : 9928 منتشرکننده : CarGeek
راهنمای تعمیرات و سرویس تهویه مطبوع برلیانس H320 و H330
5 سال پیش 3.65 مگابایت نوع : pdf بازدید : 21552 منتشرکننده : CarGeek
قانون رسیدگی به تخلفات رانندگی + آئین نامه های مرتبط
5 سال پیش 1.13 مگابایت نوع : pdf بازدید : 3302 منتشرکننده : CarGeek
روش رفع صدای اضافی از سقف ساندرو
5 سال پیش 2.83 مگابایت نوع : pdf بازدید : 3962 منتشرکننده : CarGeek
روش رفع صدای اضافی از جلوبندی ساندرو
5 سال پیش 2.38 مگابایت نوع : pdf بازدید : 4910 منتشرکننده : CarGeek
راهنمای باز و بست اجزاء سیستم ترمز و کلاچ هیدرولیک تندر90
5 سال پیش 3.88 مگابایت نوع : pdf بازدید : 14489 منتشرکننده : CarGeek
راهنمای تعمیرات اکسل و پلوس سراتو
5 سال پیش 2.85 مگابایت نوع : pdf بازدید : 3994 منتشرکننده : CarGeek
راهنمای تعمیرات موتورهای سانگ یانگ کوراندو- فایل 2
5 سال پیش 10.63 مگابایت نوع : pdf بازدید : 4936 منتشرکننده : CarGeek
راهنمای تعمیرات موتورهای سانگ یانگ کوراندو
5 سال پیش 10.05 مگابایت نوع : pdf بازدید : 8216 منتشرکننده : CarGeek
راهنمای تجهیزات و تزئینات خارجی نیسان تیانا
5 سال پیش 4.15 مگابایت نوع : pdf بازدید : 5811 منتشرکننده : CarGeek
راهنمای تجهیزات و تزئینات داخلی نیسان تیانا
5 سال پیش 6.03 مگابایت نوع : pdf بازدید : 5521 منتشرکننده : CarGeek
راهنمای عملگرهای موتور دیزل زامیاد
5 سال پیش 0.38 مگابایت نوع : pdf بازدید : 6046 منتشرکننده : CarGeek
راهنمای اورهال گیربکس اتوماتیک سراتو
5 سال پیش 3.09 مگابایت نوع : pdf بازدید : 6321 منتشرکننده : CarGeek
راهنمای برق بدنه سراتو
5 سال پیش 20.38 مگابایت نوع : pdf بازدید : 12088 منتشرکننده : CarGeek
راهنمای عمومی نگه داری نیسان ماکسیما
5 سال پیش 0.94 مگابایت نوع : pdf بازدید : 11634 منتشرکننده : CarGeek
راهنمای عیب یابی سیستم تغییر فاز میل سوپاپ مگان
5 سال پیش 0.71 مگابایت نوع : pdf بازدید : 6289 منتشرکننده : CarGeek
راهنمای عیب یابی کلی مگان
5 سال پیش 0.61 مگابایت نوع : pdf بازدید : 20837 منتشرکننده : CarGeek
اطلاعیه ایراد قطعات دیسک و صفحه کلاچ 405،پارس،رانا و 206 با موتور TU5
5 سال پیش 0.41 مگابایت نوع : pdf بازدید : 5707 منتشرکننده : CarGeek
راهنمای تعمیرات میل گاردان و دیفرانسیل پادرا
5 سال پیش 4.77 مگابایت نوع : pdf بازدید : 8246 منتشرکننده : CarGeek
راهنمای تعمیرات شاسی و بدنه پادرا
5 سال پیش 1.54 مگابایت نوع : pdf بازدید : 3101 منتشرکننده : CarGeek
راهنمای تعویض قفل های سوئیچی سمند،پارس و 405
5 سال پیش 1.22 مگابایت نوع : pdf بازدید : 46073 منتشرکننده : CarGeek
راهنمای نصب روکش صندلی برلیانس سری H300
5 سال پیش 2.04 مگابایت نوع : pdf بازدید : 7172 منتشرکننده : CarGeek
راهنمای نصب سیستم اتولایت برلیانس سری H300
5 سال پیش 1.74 مگابایت نوع : pdf بازدید : 4487 منتشرکننده : CarGeek
آشنایی با سیستم ترمز EBD
5 سال پیش 0.25 مگابایت نوع : pdf بازدید : 3521 منتشرکننده : CarGeek
راهنمای نصب سیستم مالتی مدیا ، دوربین دنده عقب و GPS تندر90
5 سال پیش 3.14 مگابایت نوع : pdf بازدید : 10593 منتشرکننده : CarGeek
راهنمای تعمیرات پلوس و اکسل جلو H30 Cross
5 سال پیش 3.4 مگابایت نوع : pdf بازدید : 7002 منتشرکننده : CarGeek
راهنمای نصب کروزکنترل برلیانس سری H300
5 سال پیش 2.8 مگابایت نوع : pdf بازدید : 5917 منتشرکننده : CarGeek
فلوچارت عیب یابی بدکار کردن موتور در حالت گاز در زامیاد
5 سال پیش 1.32 مگابایت نوع : pdf بازدید : 5948 منتشرکننده : CarGeek
راهنمای نصب دزدگیر تصویری پراید ، تیبا ، ساینا- فایل 2
5 سال پیش 1.67 مگابایت نوع : pdf بازدید : 5087 منتشرکننده : CarGeek
راهنمای نصب دزدگیر تصویری پراید ، تیبا ، ساینا
5 سال پیش 4.09 مگابایت نوع : pdf بازدید : 20492 منتشرکننده : CarGeek
راهنمای نصب سیستم مالتی مدیا تیبا
5 سال پیش 5.51 مگابایت نوع : pdf بازدید : 9603 منتشرکننده : CarGeek
راهنمای کامل تعمیرات موتور H30 Cross و S30
5 سال پیش 40.23 مگابایت نوع : pdf بازدید : 8742 منتشرکننده : CarGeek
راهنمای تعمیر و نگه داری H30 Cross و S30
5 سال پیش 12.81 مگابایت نوع : pdf بازدید : 5358 منتشرکننده : CarGeek
راهنمای سیستم های الکتریکی اتاق و بدنه ریو
5 سال پیش 1.87 مگابایت نوع : pdf بازدید : 9917 منتشرکننده : CarGeek
راهنمای سیستم سوخت رسانی ریو
5 سال پیش 1.91 مگابایت نوع : pdf بازدید : 6977 منتشرکننده : CarGeek
راهنمای سیستم جرقه ، شارژ و استارت ریو
5 سال پیش 1.3 مگابایت نوع : pdf بازدید : 8078 منتشرکننده : CarGeek
فلوچارت عیب یابی روغن کم کردن موتور
5 سال پیش 0.8 مگابایت نوع : pdf بازدید : 6395 منتشرکننده : CarGeek
راهنمای تعمیرات سیستم سوخت رسانی بنزین تندر90 و ساندرو
5 سال پیش 4.63 مگابایت نوع : pdf بازدید : 7039 منتشرکننده : CarGeek
راهنمای تعمیرات و سرویس تجهیزات الکتریکی تندر90 و ساندرو
5 سال پیش 10.76 مگابایت نوع : pdf بازدید : 8927 منتشرکننده : CarGeek
رویه نصب دزدگیر ساده و تصویری آپکو پژو206 و رانا
5 سال پیش 1.83 مگابایت نوع : pdf بازدید : 11336 منتشرکننده : CarGeek
دستورالعمل تعویض حباب گیر بنزین پراید
5 سال پیش 0.53 مگابایت نوع : pdf بازدید : 48586 منتشرکننده : CarGeek
راهنمای کامل تعمیرات سوزوکی گرندویتارا
5 سال پیش 78.39 مگابایت نوع : pdf بازدید : 15992 منتشرکننده : CarGeek
نقشه های الکتریکی سمند مالتی پلکس
5 سال پیش 22.35 مگابایت نوع : pdf بازدید : 35179 منتشرکننده : CarGeek
راهنمای نصب پاورویندوز تندر90 و ساندرو
5 سال پیش 2.66 مگابایت نوع : pdf بازدید : 6971 منتشرکننده : CarGeek
راهنمای مکانیک H30 Cross امدادخودرو
5 سال پیش 5.24 مگابایت نوع : pdf بازدید : 4907 منتشرکننده : CarGeek
Shunt حالت Park Mode و Client Mode در پژو 2008 ، 301 ، 508
5 سال پیش 1.01 مگابایت نوع : pdf بازدید : 4143 منتشرکننده : CarGeek
راهنمای تعمیرات سیستم فرمان برلیانس H220وH230
5 سال پیش 5.2 مگابایت نوع : pdf بازدید : 13785 منتشرکننده : CarGeek
راهنمای تعمیرات اکسل جلو و عقب برلیانس H220وH230
5 سال پیش 5.29 مگابایت نوع : pdf بازدید : 5487 منتشرکننده : CarGeek
راهنمای تعمیرات و سرویس سیستم انتقال قدرت اتوماتیک چانگان CS35 و EADO
5 سال پیش 12 مگابایت نوع : pdf بازدید : 8323 منتشرکننده : CarGeek
راهنمای تعمیرات و سرویس کلاچ و گیربکس دستی H30 Cross
5 سال پیش 14.37 مگابایت نوع : pdf بازدید : 3985 منتشرکننده : CarGeek
راهنمای تعمیرات و سرویس گیربکس اتوماتیک H30 Cross
5 سال پیش 9.08 مگابایت نوع : pdf بازدید : 14905 منتشرکننده : CarGeek
راهنمای سیم کشی های الکتریکی جیلی امگرند X7
5 سال پیش 13.43 مگابایت نوع : pdf بازدید : 15775 منتشرکننده : CarGeek
راهنمای آموزشی ابزار و تجهیزات اندازه گیری و روش اجرایی کالیبراسیون ایساکو- فایل 2
5 سال پیش 6.85 مگابایت نوع : pdf بازدید : 3652 منتشرکننده : CarGeek
راهنمای آموزشی ابزار و تجهیزات اندازه گیری و روش اجرایی کالیبراسیون ایساکو
5 سال پیش 9.92 مگابایت نوع : pdf بازدید : 4107 منتشرکننده : CarGeek
راهنمای تعمیرات و عیب یابی سیستم هوای ورودی و سوخت رسانی هایما S7- فایل 2
5 سال پیش 2.5 مگابایت نوع : pdf بازدید : 4337 منتشرکننده : CarGeek
راهنمای تعمیرات و عیب یابی سیستم هوای ورودی و سوخت رسانی هایما S7
5 سال پیش 2.2 مگابایت نوع : pdf بازدید : 6522 منتشرکننده : CarGeek
راهنمای پیاده و سوار کردن کمک فنر ساندرو و تندر90
5 سال پیش 2.3 مگابایت نوع : pdf بازدید : 5717 منتشرکننده : CarGeek
راهنمای تعمیرات جعبه دنده دستی کامیونت ایسوزو
5 سال پیش 1.06 مگابایت نوع : pdf بازدید : 8125 منتشرکننده : CarGeek
راهنمای تنظیم جلوبندی و میزان فرمان کامیونت ایسوزو
5 سال پیش 0.29 مگابایت نوع : pdf بازدید : 10979 منتشرکننده : CarGeek
راهنمای تعمیرات مجموعه اکسل جلو کامیونت ایسوزو
5 سال پیش 0.5 مگابایت نوع : pdf بازدید : 9830 منتشرکننده : CarGeek
راهنمای تعمیرات میل گاردان کامیونت ایسوزو
5 سال پیش 0.26 مگابایت نوع : pdf بازدید : 5737 منتشرکننده : CarGeek
اطلاعات کلی تعمیرات میل گاردان و اکسل کامیونت ایسوزو
5 سال پیش 0.32 مگابایت نوع : pdf بازدید : 7442 منتشرکننده : CarGeek
لیست ایرادات نرم افزاری و رویه رفع آن ها در خانواده خودروی پژو206
5 سال پیش 0.35 مگابایت نوع : pdf بازدید : 6290 منتشرکننده : CarGeek
اطلاعیه نشتی گازهای خروجی سورن و دنا EF7 توربو
5 سال پیش 0.37 مگابایت نوع : pdf بازدید : 6417 منتشرکننده : CarGeek
راهنمای تعمیرات جعبه دنده دستی برلیانس سری H300
5 سال پیش 4.92 مگابایت نوع : pdf بازدید : 4224 منتشرکننده : CarGeek
راهنمای تعمیرات جعبه دنده دستی برلیانس سری H200
5 سال پیش 11.97 مگابایت نوع : pdf بازدید : 3900 منتشرکننده : CarGeek
راهنمای تعمیرات سیستم تعلیق برلیانس سری H200
5 سال پیش 11.64 مگابایت نوع : pdf بازدید : 4919 منتشرکننده : CarGeek
راهنمای بررسی و عیب یابی مگان تصادف کرده
5 سال پیش 1.08 مگابایت نوع : pdf بازدید : 4736 منتشرکننده : CarGeek
دستورالعمل عیب یابی و تعویض مجموعه کمک فنر تیبا
5 سال پیش 1.37 مگابایت نوع : pdf بازدید : 20023 منتشرکننده : CarGeek
راهنمای تعمیرات برق و الکتریک سپند
5 سال پیش 8.88 مگابایت نوع : pdf بازدید : 24319 منتشرکننده : CarGeek
راهنمای تعمیرات موتور سپند
5 سال پیش 21.88 مگابایت نوع : pdf بازدید : 9508 منتشرکننده : CarGeek
راهنمای تعمیرات انتقال قدرت سپند
5 سال پیش 11.77 مگابایت نوع : pdf بازدید : 6302 منتشرکننده : CarGeek
آشنایی با سیستم HAC و DAC
5 سال پیش 0.34 مگابایت نوع : pdf بازدید : 3859 منتشرکننده : CarGeek
دستورالعمل عیب یابی روغن سوزی موتور پراید و تیبا
5 سال پیش 1.43 مگابایت نوع : pdf بازدید : 12587 منتشرکننده : CarGeek
راهنمای عیب یابی و تعویض شیرانبساط پراید
5 سال پیش 1.59 مگابایت نوع : pdf بازدید : 31595 منتشرکننده : CarGeek
راهنمای تعمیرات سیستم فرمان سراتو
5 سال پیش 8.35 مگابایت نوع : pdf بازدید : 8063 منتشرکننده : CarGeek
دستورالعمل عیب یابی و تعویض جعبه فرمان هیدرولیک پراید و تیبا
5 سال پیش 3.38 مگابایت نوع : pdf بازدید : 18158 منتشرکننده : CarGeek
راهنمای مباحث عیب یابی گیربکس اتوماتیک نیسان ماکسیما
5 سال پیش 5.46 مگابایت نوع : pdf بازدید : 7814 منتشرکننده : CarGeek
راهنمای تعمیرات اکسل عقب کامیونت ایسوزو
5 سال پیش 0.69 مگابایت نوع : pdf بازدید : 8735 منتشرکننده : CarGeek
راهنمای تعمیرات الکتریک اتاق و شاسی کامیونت ایسوزو- فایل 2
5 سال پیش 1.41 مگابایت نوع : pdf بازدید : 4639 منتشرکننده : CarGeek
راهنمای تعمیرات الکتریک اتاق و شاسی کامیونت ایسوزو
5 سال پیش 2.9 مگابایت نوع : pdf بازدید : 11994 منتشرکننده : CarGeek
راهنمای تعمیرات عمومی موتور کامیونت ایسوزو
5 سال پیش 1.96 مگابایت نوع : pdf بازدید : 24142 منتشرکننده : CarGeek
راهنمای تعمیرات بدنه و تزئینات ساینا
5 سال پیش 20.54 مگابایت نوع : pdf بازدید : 9043 منتشرکننده : CarGeek
راهنمای تعمیرات اساسی گیربکس اتوماتیک چیرمن
5 سال پیش 15.17 مگابایت نوع : pdf بازدید : 5104 منتشرکننده : CarGeek
راهنمای تعمیرات اساسی موتور 6سیلندر چیرمن
5 سال پیش 4.47 مگابایت نوع : pdf بازدید : 6319 منتشرکننده : CarGeek
دستورالعمل رفع عیب نوسان دور موتور در دور آرام تندر90
5 سال پیش 0.41 مگابایت نوع : pdf بازدید : 9267 منتشرکننده : CarGeek
راهنمای کامل تعمیرات موتور EF7
5 سال پیش 8.65 مگابایت نوع : pdf بازدید : 34521 منتشرکننده : CarGeek
راهنمای عیب یابی تجهیزات و آپشن های سراتو
5 سال پیش 19.05 مگابایت نوع : pdf بازدید : 29352 منتشرکننده : CarGeek
فلوچارت عیب یابی صدای فرمان هنگام چرخش
5 سال پیش 0.72 مگابایت نوع : pdf بازدید : 6794 منتشرکننده : CarGeek
راهنمای نقشه خوانی مدارهای الکتریکی JAC
5 سال پیش 2.31 مگابایت نوع : pdf بازدید : 8557 منتشرکننده : CarGeek
راهنمای تعمیرات و عیب یابی سیستم انتقال قدرت دستی چانگان CS35 و EADO
5 سال پیش 11.26 مگابایت نوع : pdf بازدید : 4623 منتشرکننده : CarGeek
راهنمای تعمیرات و عیب یابی سیستم ترمز برلیانس H220 و H230
5 سال پیش 16.75 مگابایت نوع : pdf بازدید : 10024 منتشرکننده : CarGeek
دستورالعمل تعویض مفصل فرمان (سیبک درونی فرمان) پراید و تیبا
5 سال پیش 1.77 مگابایت نوع : pdf بازدید : 14784 منتشرکننده : CarGeek
راهنمای پایه های نگه دارنده موتور ساندرو
5 سال پیش 0.54 مگابایت نوع : pdf بازدید : 3434 منتشرکننده : CarGeek
راهنمای تعمیرات و سرویس سیستم استارتر و شارژ ساندرو
5 سال پیش 1.59 مگابایت نوع : pdf بازدید : 6686 منتشرکننده : CarGeek
راهنمای تعمیرات و سرویس کیسه هوا و پیش کشنده کمربند ایمنی ساندرو
5 سال پیش 1.52 مگابایت نوع : pdf بازدید : 4784 منتشرکننده : CarGeek
راهنمای تعمیرات و سرویس سیستم تهویه مطبوع (کولر و بخاری) ساندرو
5 سال پیش 4.36 مگابایت نوع : pdf بازدید : 10199 منتشرکننده : CarGeek
راهنمای تعمیرات و سرویس تزئینات خارجی برلیانس H320
5 سال پیش 2.24 مگابایت نوع : pdf بازدید : 3678 منتشرکننده : CarGeek
راهنمای تعمیرات و سرویس تزئینات داخلی و خارجی برلیانس H220
5 سال پیش 11.2 مگابایت نوع : pdf بازدید : 5902 منتشرکننده : CarGeek
راهنمای تعمیرات و سرویس تزئینات داخلی و خارجی برلیانس H230
5 سال پیش 11.92 مگابایت نوع : pdf بازدید : 4891 منتشرکننده : CarGeek
راهنمای تعمیرات و سرویس تزئینات داخلی برلیانس H320
5 سال پیش 8.22 مگابایت نوع : pdf بازدید : 7248 منتشرکننده : CarGeek
راهنمای تعمیرات و سرویس سیستم الکتریکی موتور چانگان EADO و CS35
5 سال پیش 18.29 مگابایت نوع : pdf بازدید : 5026 منتشرکننده : CarGeek
راهنمای مدارهای الکتریکی آریو S300
5 سال پیش 9.13 مگابایت نوع : pdf بازدید : 20051 منتشرکننده : CarGeek
راهنمای تعمیرات سیستم تعلیق برلیانس v5
5 سال پیش 7.56 مگابایت نوع : pdf بازدید : 3915 منتشرکننده : CarGeek
نقشه های الکتریکی هایما S7 توربو
5 سال پیش 19.83 مگابایت نوع : pdf بازدید : 15454 منتشرکننده : CarGeek
جزوه دوره آموزش فنی هایما
5 سال پیش 4.74 مگابایت نوع : pdf بازدید : 6536 منتشرکننده : CarGeek
راهنمای تعمیرات بدنه و تجهیزات برلیانس H220
5 سال پیش 7.85 مگابایت نوع : pdf بازدید : 5645 منتشرکننده : CarGeek
دفترچه راهنمای تویوتا پریوس
5 سال پیش 10.5 مگابایت نوع : pdf بازدید : 18757 منتشرکننده : CarGeek
دفترچه راهنمای تویوتا CH-R توربو
5 سال پیش 18.24 مگابایت نوع : pdf بازدید : 11868 منتشرکننده : CarGeek
راهنمای کارگاهی سیستم استارت دکمه ای سراتو
5 سال پیش 6.12 مگابایت نوع : pdf بازدید : 7747 منتشرکننده : CarGeek
راهنمای تعمیرات و سرویس سیستم تعلیق چانگان CS35
5 سال پیش 4.12 مگابایت نوع : pdf بازدید : 4909 منتشرکننده : CarGeek
راهنمای آموزش سیستم فرمان هیوندای- فایل 2
5 سال پیش 2 مگابایت نوع : pdf بازدید : 5978 منتشرکننده : CarGeek
راهنمای آموزش سیستم فرمان هیوندای
5 سال پیش 0.47 مگابایت نوع : pdf بازدید : 8842 منتشرکننده : CarGeek
راهنمای پیکربندی نودهای دنا اکوماکس
5 سال پیش 0.5 مگابایت نوع : pdf بازدید : 12393 منتشرکننده : CarGeek
راهنمای تعمیرات و سرویس سیستم سوخت رسانی برلیانس سری H200-H300
5 سال پیش 4.79 مگابایت نوع : pdf بازدید : 9206 منتشرکننده : CarGeek
راهنمای کارگاهی سیستم کلید هوشمند سراتو
5 سال پیش 8.41 مگابایت نوع : pdf بازدید : 6569 منتشرکننده : CarGeek
دستورالعمل عیب یابی و تعویض بلوک سیلندر تیبا
5 سال پیش 1.31 مگابایت نوع : pdf بازدید : 19157 منتشرکننده : CarGeek
دستورالعمل عیب یابی و تعویض سرسیلندر تیبا
5 سال پیش 1.65 مگابایت نوع : pdf بازدید : 11713 منتشرکننده : CarGeek
راهنمای فارسی آموزشی ترمز هیوندای- فایل 2
5 سال پیش 0.77 مگابایت نوع : pdf بازدید : 4469 منتشرکننده : CarGeek
راهنمای فارسی آموزشی ترمز هیوندای
5 سال پیش 0.81 مگابایت نوع : pdf بازدید : 9171 منتشرکننده : CarGeek
راهنمای مدارهای الکتریکی ساینا
5 سال پیش 25.55 مگابایت نوع : pdf بازدید : 42230 منتشرکننده : CarGeek
راهنمای تجهیزات الکتریکی ساینا
5 سال پیش 8.46 مگابایت نوع : pdf بازدید : 16054 منتشرکننده : CarGeek
راهنمای فارسی آموزشی مکانیک موتور هیوندای
5 سال پیش 2.09 مگابایت نوع : pdf بازدید : 17727 منتشرکننده : CarGeek
اطلاعیه فنی معرفی دنا پلاس
5 سال پیش 8.62 مگابایت نوع : pdf بازدید : 7448 منتشرکننده : CarGeek
معرفی و نکات نگه داری صحیح تایرهای راهسازی و معدن
5 سال پیش 6.22 مگابایت نوع : pdf بازدید : 5201 منتشرکننده : CarGeek
راهنما و نقشه دسته سیم EKS تیبا
5 سال پیش 5.03 مگابایت نوع : pdf بازدید : 25716 منتشرکننده : CarGeek
راهنمای سرویس های عمومی و ادواری برلیانس V5
5 سال پیش 21.22 مگابایت نوع : pdf بازدید : 4265 منتشرکننده : CarGeek
لیست سرویس های ادواری و تکمیلی برلیانس V5
5 سال پیش 0.33 مگابایت نوع : pdf بازدید : 2941 منتشرکننده : CarGeek
راهنمای تعمیرات و سرویس سیستم فرمان هیدرولیک چانگان ایدو (EADO)
5 سال پیش 7.89 مگابایت نوع : pdf بازدید : 3661 منتشرکننده : CarGeek
راهنمای تعمیرات سیستم انژکتوری پادرا
5 سال پیش 5.71 مگابایت نوع : pdf بازدید : 3620 منتشرکننده : CarGeek
نقشه شماتیک کروزکنترل دنا
5 سال پیش 0.25 مگابایت نوع : pdf بازدید : 7484 منتشرکننده : CarGeek
نقشه های الکتریکی خودروهای CNG با کیت گازسوز OMVL و ECUبنزین S2000
5 سال پیش 0.38 مگابایت نوع : pdf بازدید : 24987 منتشرکننده : CarGeek
جزوه آموزشی پژو207 اتوماتیک P7L
5 سال پیش 2.75 مگابایت نوع : pdf بازدید : 6168 منتشرکننده : CarGeek
اطلاعیه رفع مشکل خالی شدن باتری در کیلومتر پائین سری X200
5 سال پیش 3.01 مگابایت نوع : pdf بازدید : 5476 منتشرکننده : CarGeek
راهنمای تعمیرات صفحه نشانگرهای مگان
5 سال پیش 1.29 مگابایت نوع : pdf بازدید : 7746 منتشرکننده : CarGeek
جزوه آموزشی و عیب یابی سیستم صوتی و تصویری (مالتی مدیا) خودرو دنا
5 سال پیش 5.46 مگابایت نوع : pdf بازدید : 28984 منتشرکننده : CarGeek
راهنمای فیوزها و رله های پژو 301 و 508
5 سال پیش 1.92 مگابایت نوع : pdf بازدید : 6031 منتشرکننده : CarGeek
معرفی مشخصات فنی خودرو پژو 301
5 سال پیش 0.5 مگابایت نوع : pdf بازدید : 4095 منتشرکننده : CarGeek
راهنمای استفاده از میکرومتر
5 سال پیش 1.78 مگابایت نوع : pdf بازدید : 3832 منتشرکننده : CarGeek
راهنمای کامل مدارهای الکتریکی چانگان CS35- فایل 2
5 سال پیش 4.03 مگابایت نوع : pdf بازدید : 3891 منتشرکننده : CarGeek
راهنمای کامل مدارهای الکتریکی چانگان CS35
5 سال پیش 17.95 مگابایت نوع : pdf بازدید : 17954 منتشرکننده : CarGeek
راهنمای سیستم الکتریکی بدنه چانگان CS35
5 سال پیش 7.48 مگابایت نوع : pdf بازدید : 4072 منتشرکننده : CarGeek
راهنمای تعمیرات کیسه هوا چانگان CS35
5 سال پیش 2.93 مگابایت نوع : pdf بازدید : 6046 منتشرکننده : CarGeek
جزوه آموزشی معرفی فنی رنو کپچر
5 سال پیش 1.91 مگابایت نوع : pdf بازدید : 3456 منتشرکننده : CarGeek
سرویس های ادواری و تکمیلی خودروهای برلیانس گروه H200 و H300
5 سال پیش 0.36 مگابایت نوع : pdf بازدید : 6314 منتشرکننده : CarGeek
جزوه آموزشی ویژگی های مکانیکی و الکترونیکی پژو 407
5 سال پیش 1.12 مگابایت نوع : pdf بازدید : 3890 منتشرکننده : CarGeek
عیب یابی ایراد روشن نشدن موتور دیزل زامیاد- فایل 2
5 سال پیش 0.44 مگابایت نوع : pdf بازدید : 3988 منتشرکننده : CarGeek
عیب یابی ایراد روشن نشدن موتور دیزل زامیاد
5 سال پیش 0.35 مگابایت نوع : pdf بازدید : 7809 منتشرکننده : CarGeek
کدهای خطای دیاگ زامیاد دیزل
5 سال پیش 0.07 مگابایت نوع : pdf بازدید : 12538 منتشرکننده : CarGeek
راهنمای تعمیرات گیربکس نیسان زامیاد
5 سال پیش 3.37 مگابایت نوع : pdf بازدید : 24672 منتشرکننده : CarGeek
راهنمای تعمیرات کنترل موتور ،سیستم سوخت و اگزوز نیسان زامیاد
5 سال پیش 1.67 مگابایت نوع : pdf بازدید : 9106 منتشرکننده : CarGeek
راهنمای تعمیرات سیستم سوخت موتور و کاربراتور نیسان زامیاد
5 سال پیش 1.2 مگابایت نوع : pdf بازدید : 47187 منتشرکننده : CarGeek
راهنمای تعمیرات اکسل و فنربندی جلو نیسان زامیاد
5 سال پیش 1.75 مگابایت نوع : pdf بازدید : 16565 منتشرکننده : CarGeek
راهنمای تعمیرات و سرویس موتور نیسان زامیاد
5 سال پیش 6.1 مگابایت نوع : pdf بازدید : 38543 منتشرکننده : CarGeek
راهنمای تعمیرات الکتریک بدنه نیسان زامیاد
5 سال پیش 7.89 مگابایت نوع : pdf بازدید : 5836 منتشرکننده : CarGeek
راهنمای تعمیرات اکسل و فنربندی عقب نیسان زامیاد
5 سال پیش 1.76 مگابایت نوع : pdf بازدید : 15101 منتشرکننده : CarGeek
راهنمای تعمیرات و سرویس سیستم سوخت رسانی چانگان CS35
5 سال پیش 9.91 مگابایت نوع : pdf بازدید : 6527 منتشرکننده : CarGeek
راهنمای تعمیرات سیستم تهویه مطبوع چانگان CS35
5 سال پیش 6.91 مگابایت نوع : pdf بازدید : 9903 منتشرکننده : CarGeek
راهنمای اطلاعات عمومی تعمیر و نگه داری چانگان CS35
5 سال پیش 3.77 مگابایت نوع : pdf بازدید : 9539 منتشرکننده : CarGeek
راهنمای تعمیرات و سرویس سیستم الکتریکی موتور چانگان CS35
5 سال پیش 19.28 مگابایت نوع : pdf بازدید : 4014 منتشرکننده : CarGeek
نقشه های سیم کشی برلیانس C3
5 سال پیش 14.84 مگابایت نوع : pdf بازدید : 5997 منتشرکننده : CarGeek
چیدمان رله و فیوزهای پژو 207 جدید P7L
5 سال پیش 0.48 مگابایت نوع : pdf بازدید : 34048 منتشرکننده : CarGeek
راهنمای تعمیرات موتور پژو روآ سال
5 سال پیش 2.06 مگابایت نوع : pdf بازدید : 37762 منتشرکننده : CarGeek
کاتالوگ رسمی پژو 508 ایکاپ
5 سال پیش 4.85 مگابایت نوع : pdf بازدید : 3543 منتشرکننده : CarGeek
لیست سرویس های دوره ای و تکمیلی تندر90 ، مگان و ساندرو
5 سال پیش 3 مگابایت نوع : pdf بازدید : 7890 منتشرکننده : CarGeek
راهنمای تعمیرات موتورهای X33
5 سال پیش 27.99 مگابایت نوع : pdf بازدید : 19583 منتشرکننده : CarGeek
کتاب Automotive Science and Mathematics
5 سال پیش 4.87 مگابایت نوع : pdf بازدید : 3598 منتشرکننده : CarGeek
کتاب Repair of Vehicle Bodies
5 سال پیش 26.68 مگابایت نوع : pdf بازدید : 3450 منتشرکننده : CarGeek
کتاب Springer Handbook of Mechanical Engineering
5 سال پیش 66.77 مگابایت نوع : pdf بازدید : 3663 منتشرکننده : CarGeek
کتاب Automotive Engineering: Powertrain, Chassis System and Vehicle Body
5 سال پیش 52.53 مگابایت نوع : pdf بازدید : 3518 منتشرکننده : CarGeek
کتاب Two-Stroke Engine Repair & Maintenance
5 سال پیش 5.33 مگابایت نوع : pdf بازدید : 3272 منتشرکننده : CarGeek
راهنمای عیب یابی موتور دیزل زامیاد
5 سال پیش 0.25 مگابایت نوع : pdf بازدید : 19321 منتشرکننده : CarGeek
راهنمای عیب یابی بدنه و آزمون های آب بندی مگان
5 سال پیش 0.82 مگابایت نوع : pdf بازدید : 3578 منتشرکننده : CarGeek
راهنمای سوخت رسانی و کنترل موتور ون غزال
5 سال پیش 2.7 مگابایت نوع : pdf بازدید : 9094 منتشرکننده : CarGeek
جزوه آموزشی برق خودرو کپچر
5 سال پیش 6.79 مگابایت نوع : pdf بازدید : 6282 منتشرکننده : CarGeek
راهنمای عیب یابی سوخت رسانی مگان- فایل 2
5 سال پیش 1.38 مگابایت نوع : pdf بازدید : 4090 منتشرکننده : CarGeek
راهنمای عیب یابی سوخت رسانی مگان
5 سال پیش 1.69 مگابایت نوع : pdf بازدید : 8067 منتشرکننده : CarGeek
راهنمای قطعات و مدارهای الکتریکی وانت ریچ
5 سال پیش 13.41 مگابایت نوع : pdf بازدید : 19361 منتشرکننده : CarGeek
علل آتش سوزی تانکرهای سوخت در جایگاه های پمپ بنزین
5 سال پیش 1.02 مگابایت نوع : pdf بازدید : 4004 منتشرکننده : CarGeek
راهنمای عیب یابی بخاری و ایرکاندیشن ماکسیما
5 سال پیش 3.91 مگابایت نوع : pdf بازدید : 8474 منتشرکننده : CarGeek
راهنمای عیب یابی و شرح کدهای خطای سیستم کنترل موتور ماکسیما
5 سال پیش 14.64 مگابایت نوع : pdf بازدید : 8498 منتشرکننده : CarGeek
راهنمای عیب یابی سیستم الکتریکی ماکسیما
5 سال پیش 3.27 مگابایت نوع : pdf بازدید : 8431 منتشرکننده : CarGeek
مروری بر مشخصات فنی موتور پژو 2008
5 سال پیش 1.14 مگابایت نوع : pdf بازدید : 4735 منتشرکننده : CarGeek
راهنمای حوادث و سوانح حمل و نقل جاده ای
5 سال پیش 8.75 مگابایت نوع : pdf بازدید : 3558 منتشرکننده : CarGeek
جزوه دوره عمومی امداد و نجات در تصادفات
5 سال پیش 12.44 مگابایت نوع : pdf بازدید : 11579 منتشرکننده : CarGeek
راهنمای آموزش عمومی اطفاء حریق
5 سال پیش 53.96 مگابایت نوع : pdf بازدید : 3299 منتشرکننده : CarGeek
عیب یابی باد گرم کولر خودرو
5 سال پیش 0.84 مگابایت نوع : pdf بازدید : 31474 منتشرکننده : CarGeek
تحلیل روش های مختلف جهت بهبود آیرودینامیک خودرو
5 سال پیش 1.31 مگابایت نوع : pdf بازدید : 3565 منتشرکننده : CarGeek
معرفی و آشنایی با موتور M13 GS Euro4 خودروهای گروه X100
5 سال پیش 3 مگابایت نوع : pdf بازدید : 19743 منتشرکننده : CarGeek
دستورالعمل عیب یابی پمپ هیدرولیک فرمان پژو 206 و 405
5 سال پیش 0.58 مگابایت نوع : pdf بازدید : 19144 منتشرکننده : CarGeek
ویژگی های گیربکس اتوماتیک AL4
5 سال پیش 2.94 مگابایت نوع : pdf بازدید : 5526 منتشرکننده : CarGeek
دستورالعمل تعویض موتور فن رادیاتور 2 دور
5 سال پیش 2.34 مگابایت نوع : pdf بازدید : 78015 منتشرکننده : CarGeek
دستورالعمل بازکردن و دانلود پنل پژو 206 P6L
5 سال پیش 1.34 مگابایت نوع : pdf بازدید : 41068 منتشرکننده : CarGeek
دستورالعمل شناسایی و عیب یابی تایر برای گارانتی
5 سال پیش 1.24 مگابایت نوع : pdf بازدید : 3832 منتشرکننده : CarGeek
دستورالعمل فراخوان نصب تسمه های نگه دارنده باک خودرو 151 (پراید وانت)
5 سال پیش 1.57 مگابایت نوع : pdf بازدید : 3737 منتشرکننده : CarGeek
دستورالعمل عیب یابی داغ شدن چرخ های عقب خودروهای برلیانس سری H300
5 سال پیش 0.76 مگابایت نوع : pdf بازدید : 4761 منتشرکننده : CarGeek
اطلاعیه نحو رفع ایراد یکسره شدن گرمکن صندلی لیفان 820
5 سال پیش 0.98 مگابایت نوع : pdf بازدید : 4536 منتشرکننده : CarGeek
راهنمای آموزشی مبانی الکتریک خودرو KIA
5 سال پیش 8.94 مگابایت نوع : pdf بازدید : 4276 منتشرکننده : CarGeek
راهنمای BM34 پژو 206
5 سال پیش 1.46 مگابایت نوع : pdf بازدید : 47337 منتشرکننده : CarGeek
کتابچه اطلاعات تعمیراتی لیفان X60
5 سال پیش 1.89 مگابایت نوع : pdf بازدید : 4312 منتشرکننده : CarGeek
راهنمای کلی تعمیر و نگه داری مکانیکی و الکتریکی پژو 407
5 سال پیش 1.17 مگابایت نوع : pdf بازدید : 8895 منتشرکننده : CarGeek
راهنمای تعمیرات تجهیزات الکتریکی سایپا 151 (وانت پراید)
5 سال پیش 11.92 مگابایت نوع : pdf بازدید : 5136 منتشرکننده : CarGeek
راهنمای تعمیرات مدارهای الکتریکی سایپا 151 (وانت پراید)
5 سال پیش 6.46 مگابایت نوع : pdf بازدید : 15075 منتشرکننده : CarGeek
راهنمای تعمیرات بدنه و تزئینات سایپا 151 (وانت پراید)
5 سال پیش 6.69 مگابایت نوع : pdf بازدید : 19259 منتشرکننده : CarGeek
راهنمای تعمیرات فرمان ، تعلیق و اکسل های سایپا 151 (وانت پراید)
5 سال پیش 16.87 مگابایت نوع : pdf بازدید : 8110 منتشرکننده : CarGeek
راهنمای تعمیرات انتقال قدرت سایپا 151 (وانت پراید)
5 سال پیش 22.66 مگابایت نوع : pdf بازدید : 6100 منتشرکننده : CarGeek
راهنمای تعمیرات سیستم سوخت رسانی سایپا 151 (وانت پراید)
5 سال پیش 6.84 مگابایت نوع : pdf بازدید : 30106 منتشرکننده : CarGeek
راهنمای تعمیرات موتور سایپا 151 (وانت پراید)
5 سال پیش 16.78 مگابایت نوع : pdf بازدید : 9792 منتشرکننده : CarGeek
فلوچارت عیب یابی خودرو استارت نمی زند
5 سال پیش 0.5 مگابایت نوع : pdf بازدید : 8040 منتشرکننده : CarGeek
راهنمای عیب یابی سیستم تهویه مطبوع خودروی تیبا
5 سال پیش 3.94 مگابایت نوع : pdf بازدید : 17723 منتشرکننده : CarGeek
کتابچه راهنمای تعمیرات لندمارک و کاپرا
5 سال پیش 19.4 مگابایت نوع : pdf بازدید : 34839 منتشرکننده : CarGeek
راهنمای تعمیرات سیستم ضدسرقت مجهز به استارت دکمه ای برلیانس v5
5 سال پیش 3.56 مگابایت نوع : pdf بازدید : 4952 منتشرکننده : CarGeek
راهنمای تعمیرات تزئینات خارجی برلیانس v5
5 سال پیش 3.56 مگابایت نوع : pdf بازدید : 3550 منتشرکننده : CarGeek
راهنمای تعمیرات تزئینات داخلی برلیانس v5
5 سال پیش 8.4 مگابایت نوع : pdf بازدید : 4201 منتشرکننده : CarGeek
دیاگرام های سیم کشی برلیانس v5
5 سال پیش 16.41 مگابایت نوع : pdf بازدید : 4561 منتشرکننده : CarGeek
معرفی و آشنایی با خودرو برلیانس v5
5 سال پیش 0.67 مگابایت نوع : pdf بازدید : 3664 منتشرکننده : CarGeek
جزوه کارگاه اتومکانیک موتور
5 سال پیش 2.06 مگابایت نوع : pdf بازدید : 9801 منتشرکننده : CarGeek
آشنایی با قطعات پرکاربرد در الکترونیک
5 سال پیش 2.1 مگابایت نوع : pdf بازدید : 5532 منتشرکننده : CarGeek
راهنمای آموزشی برق پژو پارس،405 و RD (مبانی برق و اصول نقشه خوانی)
5 سال پیش 41.22 مگابایت نوع : pdf بازدید : 23548 منتشرکننده : CarGeek
راهنمای تعمیرات و عیب یابی گیربکس اتوماتیک برلیانس H230 وH330
5 سال پیش 5.7 مگابایت نوع : pdf بازدید : 14957 منتشرکننده : CarGeek
آموزش تعویض فوم صندلی پژو 206
5 سال پیش 0.91 مگابایت نوع : pdf بازدید : 6457 منتشرکننده : CarGeek
معرفی و آشنایی با خودرو سایپا 212 (سایپا کوییک)
5 سال پیش 1.34 مگابایت نوع : pdf بازدید : 15233 منتشرکننده : CarGeek
معرفی و آشنایی به خودرو برلیانس H320 کراس
5 سال پیش 1.12 مگابایت نوع : pdf بازدید : 5329 منتشرکننده : CarGeek
گزارش راهنمای کارگاه عیب یابی خودرو
5 سال پیش 0.37 مگابایت نوع : pdf بازدید : 4204 منتشرکننده : CarGeek
نحوه تبدیل اعداد هگز به دسیمال بدون ماشین حساب
5 سال پیش 0.24 مگابایت نوع : pdf بازدید : 3188 منتشرکننده : CarGeek
اطلاعیه معرفی خودرو سراتو آپشنال
5 سال پیش 1.43 مگابایت نوع : pdf بازدید : 3612 منتشرکننده : CarGeek
دستورالعمل فراخوان اصلاح دسته سيم کنار رله باکس تیبا و ساینا
5 سال پیش 1.65 مگابایت نوع : pdf بازدید : 14038 منتشرکننده : CarGeek
نقشه های برق رنو میدلام
5 سال پیش 2.28 مگابایت نوع : pdf بازدید : 23237 منتشرکننده : CarGeek
جزوه دوره آموزشی مکانیک عمومی خودرو
5 سال پیش 3.15 مگابایت نوع : pdf بازدید : 9534 منتشرکننده : CarGeek
جزوه آموزشی تعلیق و فرمان
5 سال پیش 2.27 مگابایت نوع : pdf بازدید : 19006 منتشرکننده : CarGeek
راهنمای آموزشی دوره تعمیرات ECU
5 سال پیش 5.13 مگابایت نوع : pdf بازدید : 13903 منتشرکننده : CarGeek
جزوه فلزکاری و اندازه گیری تعمیرات مکانیکی
5 سال پیش 2.08 مگابایت نوع : pdf بازدید : 8384 منتشرکننده : CarGeek
راهنمای تعمیرات بدنه تندر90
5 سال پیش 11.86 مگابایت نوع : pdf بازدید : 4065 منتشرکننده : CarGeek
راهنمای شستشوی استکان تایپیت های موتور TU5
5 سال پیش 1.35 مگابایت نوع : pdf بازدید : 8137 منتشرکننده : CarGeek
راهنمای باز کردن گیربکس پژو 206 از روی خودرو
5 سال پیش 1.46 مگابایت نوع : pdf بازدید : 25011 منتشرکننده : CarGeek
راهنمای دسته سیم های جک S5
5 سال پیش 5.73 مگابایت نوع : pdf بازدید : 7583 منتشرکننده : CarGeek
راهنمای تصویری عیب یابی روشن نشدن خودرو و چراغ چک برلیانس H300
5 سال پیش 1.43 مگابایت نوع : pdf بازدید : 13824 منتشرکننده : CarGeek
جزوه آموزشی خودرو هایما S7 توربو
5 سال پیش 3.9 مگابایت نوع : pdf بازدید : 17900 منتشرکننده : CarGeek
راهنمای مدارهای الکتریکی و تجهیزات جانبی الکتریکی زانتیا
5 سال پیش 8.68 مگابایت نوع : pdf بازدید : 39638 منتشرکننده : CarGeek
راهنمای عیب یابی گیربکس اتوماتیک ماکسیما
5 سال پیش 9.05 مگابایت نوع : pdf بازدید : 8104 منتشرکننده : CarGeek
راهنمای آموزشی گیربکس اتوماتیک 8سرعته A8LR1 کیا
5 سال پیش 4.1 مگابایت نوع : pdf بازدید : 5085 منتشرکننده : CarGeek
راهنمای تبدیل ECU
5 سال پیش 0.28 مگابایت نوع : pdf بازدید : 12023 منتشرکننده : CarGeek
نقشه های الکتریکی سمند
5 سال پیش 22.38 مگابایت نوع : pdf بازدید : 84396 منتشرکننده : CarGeek
شماتیک دیاگرام ECU VALEO J34P موتورهای TU3A پژو206
5 سال پیش 0.84 مگابایت نوع : pdf بازدید : 8690 منتشرکننده : CarGeek
نقشه سوخت رسانی زامیاد بنزینی یورو4
5 سال پیش 0.15 مگابایت نوع : pdf بازدید : 15672 منتشرکننده : CarGeek
بررسی و عیب یابی مشکلات متداول گیربکس های پژو
5 سال پیش 1.13 مگابایت نوع : pdf بازدید : 7578 منتشرکننده : CarGeek
دستورالعمل نحوه انجام و صدور برگه معاینه فنی خودروهای سنگین
5 سال پیش 0.8 مگابایت نوع : pdf بازدید : 8110 منتشرکننده : CarGeek
دستورالعمل شرایط،ضوابط و ارزیابی خدمات پس از فروش صنعت خودرو
5 سال پیش 1.76 مگابایت نوع : pdf بازدید : 6635 منتشرکننده : CarGeek
راهنمای تعمیرات تجهیزات الکتریکی و رفاهی مزدا3
5 سال پیش 19.25 مگابایت نوع : pdf بازدید : 4591 منتشرکننده : CarGeek
Hydraulics Study Guide
5 سال پیش 3.37 مگابایت نوع : pdf بازدید : 3180 منتشرکننده : CarGeek
راهنمای تعمیرات پلوس JAC S5
5 سال پیش 1.6 مگابایت نوع : pdf بازدید : 4950 منتشرکننده : CarGeek
دیتاشیت و مسیرهای ECU SSAT
5 سال پیش 59.61 مگابایت نوع : pdf بازدید : 20602 منتشرکننده : CarGeek
راهنمای سیستم انژکتور لیفان 520
5 سال پیش 3.15 مگابایت نوع : pdf بازدید : 8095 منتشرکننده : CarGeek
راهنمای تجهیزات و نقشه های الکتریکی لیفان 520
5 سال پیش 1.51 مگابایت نوع : pdf بازدید : 24888 منتشرکننده : CarGeek
راهنمای تعمیر و نگه داری موتور و گیربکس لیفان 520
5 سال پیش 10.52 مگابایت نوع : pdf بازدید : 9826 منتشرکننده : CarGeek
راهنمای تعمیرات،معرفی و جانمایی دسته سیم های رانا فاز صفر،یک و LX- فایل 2
5 سال پیش 1.7 مگابایت نوع : pdf بازدید : 3635 منتشرکننده : CarGeek
راهنمای تعمیرات،معرفی و جانمایی دسته سیم های رانا فاز صفر،یک و LX
5 سال پیش 2.04 مگابایت نوع : pdf بازدید : 7072 منتشرکننده : CarGeek
لیست و قیمت IC های موجود در انواع ECU
5 سال پیش 0.96 مگابایت نوع : pdf بازدید : 14300 منتشرکننده : CarGeek
راهنمای تعمیرات،معرفی و جانمایی دسته سیم های الکتریکی سمند، سورن و دنا
5 سال پیش 4.37 مگابایت نوع : pdf بازدید : 24668 منتشرکننده : CarGeek
اصول عملکرد و راهنمای عیب یابی استپر موتور
5 سال پیش 6.67 مگابایت نوع : pdf بازدید : 14583 منتشرکننده : CarGeek
راهنمای تعمیراتو عیب یابی سیستم تهویه اتوماتیک سورن ELX و پارس
5 سال پیش 1.46 مگابایت نوع : pdf بازدید : 40036 منتشرکننده : CarGeek
جزوه آموزشی وانت تندر90
5 سال پیش 2.63 مگابایت نوع : pdf بازدید : 7247 منتشرکننده : CarGeek
راهنمای تعمیرات داشبورد جدید با دو ایربگ پژو پارس
5 سال پیش 1.32 مگابایت نوع : pdf بازدید : 23302 منتشرکننده : CarGeek
راهنمای تعمیرات سریع H30 کراس
5 سال پیش 3.89 مگابایت نوع : pdf بازدید : 21367 منتشرکننده : CarGeek
آشنایی با نحوه استفاده از ترکمتر و ترکرنج
5 سال پیش 0.28 مگابایت نوع : pdf بازدید : 7389 منتشرکننده : CarGeek
راهنمای سیستم پخش و رادیو مگان
5 سال پیش 1.63 مگابایت نوع : pdf بازدید : 19090 منتشرکننده : CarGeek
نحوه رفع صدای غیرعادی فرمان خودروی برلیانس H300
5 سال پیش 0.94 مگابایت نوع : pdf بازدید : 10526 منتشرکننده : CarGeek
راهنمای تعمیرات بلوک هیدرولیک گیربکس اتوماتیک تندر90
5 سال پیش 1.09 مگابایت نوع : pdf بازدید : 6337 منتشرکننده : CarGeek
راهنمای عیب یابی کلاچ خودرو
5 سال پیش 2.05 مگابایت نوع : pdf بازدید : 4568 منتشرکننده : CarGeek
نقشه های الکتریکی تجهیزات دنا
5 سال پیش 10.24 مگابایت نوع : pdf بازدید : 21762 منتشرکننده : CarGeek
راهنمای عیب یابی سیستم انژکتور زیمنس جدید پراید
5 سال پیش 4.68 مگابایت نوع : pdf بازدید : 7382 منتشرکننده : CarGeek
راهنمای صداگیری ستون و قاب فرمان سمند
5 سال پیش 5.54 مگابایت نوع : pdf بازدید : 8145 منتشرکننده : CarGeek
آموزش نصب IC فلش روی ایسیو SSAT
5 سال پیش 0.3 مگابایت نوع : pdf بازدید : 4517 منتشرکننده : CarGeek
آشنایی با گاز طبیعی فشرده CNG و قطعات کیت گازسوز
5 سال پیش 2.8 مگابایت نوع : pdf بازدید : 5492 منتشرکننده : CarGeek
دستورالعمل عیب یابی و تعویض انباره اگزوز عقب تیبا
5 سال پیش 1.44 مگابایت نوع : pdf بازدید : 16396 منتشرکننده : CarGeek
فلوچارت عیب یابی صدای اگزوز خودرو
5 سال پیش 0.54 مگابایت نوع : pdf بازدید : 4826 منتشرکننده : CarGeek
فلوچارت عیب یابی صدای شدید خودرو در دست اندازها
5 سال پیش 0.64 مگابایت نوع : pdf بازدید : 13104 منتشرکننده : CarGeek
قیمت فروش و مجموع ارزش گمرکی و حقوق ورودی انواع خودرو تولید داخل و وارداتی
5 سال پیش 2.09 مگابایت نوع : pdf بازدید : 2742 منتشرکننده : CarGeek
معرفی فنی سایپا سراتو
5 سال پیش 0.45 مگابایت نوع : pdf بازدید : 4132 منتشرکننده : CarGeek
راهنمای تعمیرات موتور سراتو 1600
5 سال پیش 16.36 مگابایت نوع : pdf بازدید : 6921 منتشرکننده : CarGeek
راهنمای تعمیرات موتور سراتو 2000
5 سال پیش 21.76 مگابایت نوع : pdf بازدید : 12412 منتشرکننده : CarGeek
جزوه سیستم های الکتریکی و تهویه مطبوع مزدا2
5 سال پیش 15.84 مگابایت نوع : pdf بازدید : 3309 منتشرکننده : CarGeek
راهنمای تعمیرات سیستم تهویه مطبوع(بخاری و کولر) پژو405 ،پارس ،سمند ،روآ ،وانت پیکان
5 سال پیش 3.81 مگابایت نوع : pdf بازدید : 142375 منتشرکننده : CarGeek
دفترچه راهنمای ولوو FH- فایل 2
5 سال پیش 10.47 مگابایت نوع : pdf بازدید : 12766 منتشرکننده : CarGeek
دفترچه راهنمای ولوو FH
5 سال پیش 1.84 مگابایت نوع : pdf بازدید : 98886 منتشرکننده : CarGeek
راهنمای برنامه ریزی ECU با TNM5000 ECU-KIT
5 سال پیش 6.73 مگابایت نوع : pdf بازدید : 14378 منتشرکننده : CarGeek
جزوه مکانیک استاتیک مرکز آموزش ایران خودرو
5 سال پیش 10.16 مگابایت نوع : pdf بازدید : 8304 منتشرکننده : CarGeek
دفترچه معرفی سیستم انژکتوری وانت زامیاد
5 سال پیش 5.24 مگابایت نوع : pdf بازدید : 7604 منتشرکننده : CarGeek
راهنمای سرویس و نگه داری موتور دیزل بنز سری OM 300
5 سال پیش 3.13 مگابایت نوع : pdf بازدید : 22424 منتشرکننده : CarGeek
راهنمای تعمیرات سوئیچ JAC S5
5 سال پیش 5.1 مگابایت نوع : pdf بازدید : 10855 منتشرکننده : CarGeek
راهنمای تعمیرات تعلیق جلو و عقب JAC S5- فایل 2
5 سال پیش 2.08 مگابایت نوع : pdf بازدید : 5796 منتشرکننده : CarGeek
راهنمای تعمیرات تعلیق جلو و عقب JAC S5
5 سال پیش 1.89 مگابایت نوع : pdf بازدید : 8334 منتشرکننده : CarGeek
راهنمای باز و بست داشبورد زانتیا
5 سال پیش 2.44 مگابایت نوع : pdf بازدید : 11926 منتشرکننده : CarGeek
فلوچارت عیب یابی لرزش دسته دنده
5 سال پیش 0.77 مگابایت نوع : pdf بازدید : 7503 منتشرکننده : CarGeek
فلوچارت عیب یابی روغن ریزی گیربکس
5 سال پیش 0.65 مگابایت نوع : pdf بازدید : 5987 منتشرکننده : CarGeek
فلوچارت عیب یابی بد جا رفتن دنده
5 سال پیش 1.08 مگابایت نوع : pdf بازدید : 7826 منتشرکننده : CarGeek
نقشه های الکتریکی رانا فاز صفر
5 سال پیش 3.41 مگابایت نوع : pdf بازدید : 9029 منتشرکننده : CarGeek
نقشه های الکتریکی خودرو رانا ECO MUX و LX
5 سال پیش 2.13 مگابایت نوع : pdf بازدید : 12264 منتشرکننده : CarGeek
کاتالوگ خودروهای سنگین هپکو
5 سال پیش 34.39 مگابایت نوع : pdf بازدید : 20524 منتشرکننده : CarGeek
راهنمای تعمیرات مجموعه صفحه نمایشگر JAC S5
5 سال پیش 2.34 مگابایت نوع : pdf بازدید : 16591 منتشرکننده : CarGeek
دفترچه راهنمای نیسان رونیز
5 سال پیش 12.99 مگابایت نوع : pdf بازدید : 32471 منتشرکننده : CarGeek
راهنمای تعمیرات و سرویس موتور پژو RD
5 سال پیش 9.65 مگابایت نوع : pdf بازدید : 16799 منتشرکننده : CarGeek
رویه نصب و تبدیل خودروی RD انژکتوری به سیستم دوگانه سوز
5 سال پیش 1.86 مگابایت نوع : pdf بازدید : 6882 منتشرکننده : CarGeek
دفترچه راهنمای عیب یابی پراید دوگانه سوز
5 سال پیش 3.82 مگابایت نوع : pdf بازدید : 9350 منتشرکننده : CarGeek
Komatsu Specification & Application Handbook
5 سال پیش 50.79 مگابایت نوع : pdf بازدید : 4762 منتشرکننده : CarGeek
راهنمای تغییر کیلومتر سمند مالتی پلکس از پشت آمپر ، ECU و نود FN
5 سال پیش 0.85 مگابایت نوع : pdf بازدید : 33391 منتشرکننده : CarGeek
راهنمای تعمیر موتورهای زانتیا
5 سال پیش 17.59 مگابایت نوع : pdf بازدید : 31571 منتشرکننده : CarGeek
راهنمای عیب یابی و ایرادات انژکتور
5 سال پیش 0.98 مگابایت نوع : pdf بازدید : 5012 منتشرکننده : CarGeek
پارامترهای استاندارد دیاگ انواع خودرو
5 سال پیش 0.87 مگابایت نوع : pdf بازدید : 78912 منتشرکننده : CarGeek
جزوه آموزشی درس موتورهای احتراق داخلی
5 سال پیش 9.25 مگابایت نوع : pdf بازدید : 4766 منتشرکننده : CarGeek
راهنمای تعمیرات گیربکس HAVECO لیفان 620 1.6
5 سال پیش 8.99 مگابایت نوع : pdf بازدید : 5410 منتشرکننده : CarGeek
نقشه جعبه فیوز سمند،سورن، پژو405 و پارس غیرماکس
5 سال پیش 1.69 مگابایت نوع : pdf بازدید : 22785 منتشرکننده : CarGeek
راهنمای تعمیرات گیربکس دستی جک توجوی
5 سال پیش 8.92 مگابایت نوع : pdf بازدید : 3668 منتشرکننده : CarGeek
راهنمای سیستم قفل مرکزی JAC S5
5 سال پیش 1 مگابایت نوع : pdf بازدید : 23045 منتشرکننده : CarGeek
توصیه های فنی رنو ساندرو
5 سال پیش 0.13 مگابایت نوع : pdf بازدید : 3932 منتشرکننده : CarGeek
راهنمای سیستم های ضدسرقت خودرو (ایموبیلایزر) سایپا یدک
5 سال پیش 5.97 مگابایت نوع : pdf بازدید : 10990 منتشرکننده : CarGeek
اصلاح کیلومتر پراید SPCO با TNM از پشت آمپر
5 سال پیش 0.45 مگابایت نوع : pdf بازدید : 8096 منتشرکننده : CarGeek
راهنمای برنامه ریزی یونیت ها و ECU با پروگرامر
5 سال پیش 4.01 مگابایت نوع : pdf بازدید : 11584 منتشرکننده : CarGeek
راهنمای دیاگرام های الکتریکی تویوتا هایلوکس سری KUN
5 سال پیش 4.7 مگابایت نوع : pdf بازدید : 19996 منتشرکننده : CarGeek
جزوه آموزشی گیربکس 6سرعته اتوماتیک هیوندای
5 سال پیش 8.35 مگابایت نوع : pdf بازدید : 23553 منتشرکننده : CarGeek
راهنمای تعمیرات سیستم خنک کاری موتور جک S5
5 سال پیش 2.08 مگابایت نوع : pdf بازدید : 28223 منتشرکننده : CarGeek
جزوه و راهنمای آموزشی برق خودرو تندر90- فایل 2
5 سال پیش 3.78 مگابایت نوع : pdf بازدید : 3353 منتشرکننده : CarGeek
جزوه و راهنمای آموزشی برق خودرو تندر90
5 سال پیش 4.8 مگابایت نوع : pdf بازدید : 8783 منتشرکننده : CarGeek
آموزش تغییر کیلومتر پارس داشبورد سوناتایی از روی صفحه کیلومتر
5 سال پیش 0.43 مگابایت نوع : pdf بازدید : 23786 منتشرکننده : CarGeek
کاتالوگ قطعات موتور وانت دیزل زامیاد
5 سال پیش 12.12 مگابایت نوع : pdf بازدید : 20255 منتشرکننده : CarGeek
دستورالعمل تعویض رولبرینگ داخلی و خارجی چرخ عقب تیبا
5 سال پیش 1.08 مگابایت نوع : pdf بازدید : 16664 منتشرکننده : CarGeek
دستورالعمل تعویض پلوس چپ و راست تیبا
5 سال پیش 0.93 مگابایت نوع : pdf بازدید : 21409 منتشرکننده : CarGeek
جزوه آموزشی موتور و گیربکس رنو کپچر
5 سال پیش 6.48 مگابایت نوع : pdf بازدید : 9019 منتشرکننده : CarGeek
جزوه آموزشی سیستم های ایمنی/آسایشی هایما S7
5 سال پیش 0.74 مگابایت نوع : pdf بازدید : 5146 منتشرکننده : CarGeek
نقشه های کامل سیم کشی و دسته سیم های لیفان X50
5 سال پیش 12.12 مگابایت نوع : pdf بازدید : 18208 منتشرکننده : CarGeek
راهنمای کامل تعمیرات لیفان X50
5 سال پیش 109.97 مگابایت نوع : pdf بازدید : 36939 منتشرکننده : CarGeek
راهنمای تعمیرات سیستم سوخت رسانی CNG تیبا
5 سال پیش 5.57 مگابایت نوع : pdf بازدید : 10064 منتشرکننده : CarGeek
راهنمای تعمیرات و سرویس سیستم کنترل الکترونیکی موتور برلیانس سری H200و H300
5 سال پیش 3.92 مگابایت نوع : pdf بازدید : 4373 منتشرکننده : CarGeek
معرفی خودروی پژو پارس با سیستم هوشمند CEC
5 سال پیش 0.88 مگابایت نوع : pdf بازدید : 6992 منتشرکننده : CarGeek
راهنمای باز و بست توربوشارژر سورن توربو
5 سال پیش 1 مگابایت نوع : pdf بازدید : 14092 منتشرکننده : CarGeek
Pin Layout و نقشه ECU موتور و ECU گیربکس اتوماتیک پژو پارس اتوماتیک
5 سال پیش 0.73 مگابایت نوع : pdf بازدید : 26586 منتشرکننده : CarGeek
دستورالعمل حذف مخزن کوچک خودروهای دوگانه سوز زامیاد
5 سال پیش 1.22 مگابایت نوع : pdf بازدید : 4883 منتشرکننده : CarGeek
راهنمای جعبه فیوز داخل اتاق (SJB) جک S5
5 سال پیش 1.33 مگابایت نوع : pdf بازدید : 61949 منتشرکننده : CarGeek
راهنمای تعمیرات و عیب یابی ماژول کنترل بدنه (BCM) جک S5
5 سال پیش 5.06 مگابایت نوع : pdf بازدید : 8267 منتشرکننده : CarGeek
مرجع سریع سامانه مدیریت هوشمند موتور EF7
5 سال پیش 5.67 مگابایت نوع : pdf بازدید : 4240 منتشرکننده : CarGeek
راهنمای تعمیرات موتور 1.6 لیفان 620
5 سال پیش 13.01 مگابایت نوع : pdf بازدید : 10871 منتشرکننده : CarGeek
راهنمای نصب موتور لودر ولوو (L60F-L70F-L90F)
5 سال پیش 3.09 مگابایت نوع : pdf بازدید : 8725 منتشرکننده : CarGeek
راهنمای تعمیرات تعلیق ،ترمز و فرمان رنو کلئوس
5 سال پیش 2.31 مگابایت نوع : pdf بازدید : 4877 منتشرکننده : CarGeek
راهنمای تعمیرات اکسل عقب و پلوس های رنو کلئوس
5 سال پیش 0.97 مگابایت نوع : pdf بازدید : 3482 منتشرکننده : CarGeek
راهنمای تعمیرات تهویه مطبوع و بخاری رنو کلئوس
5 سال پیش 1.63 مگابایت نوع : pdf بازدید : 5330 منتشرکننده : CarGeek
دفترچه راهنمای کلیه مدل های زانتیا
5 سال پیش 21.94 مگابایت نوع : pdf بازدید : 44557 منتشرکننده : CarGeek
آموزش نصب صندوق پران تندر 90
5 سال پیش 0.75 مگابایت نوع : pdf بازدید : 6596 منتشرکننده : CarGeek
دستورالعمل عیب یابی اختلاط آب و روغن موتور
5 سال پیش 0.99 مگابایت نوع : pdf بازدید : 7079 منتشرکننده : CarGeek
دستورالعمل عیب یابی جوش آوردن موتور
5 سال پیش 2.38 مگابایت نوع : pdf بازدید : 8221 منتشرکننده : CarGeek
راهنمای تعمیرات و تفاوت های موتور EF7 TC (توربوشارژ)
5 سال پیش 9.17 مگابایت نوع : pdf بازدید : 22930 منتشرکننده : CarGeek
جزوه دوره آموزش CNG رنو
5 سال پیش 1.83 مگابایت نوع : pdf بازدید : 3958 منتشرکننده : CarGeek
راهنمای تعمیرات تعلیق ،فرمان و ترمز ABS لیفان 620
5 سال پیش 8.13 مگابایت نوع : pdf بازدید : 8495 منتشرکننده : CarGeek
جزوه آموزشی برق خانواده خودروهای 206 ، سمند مالتی پلکس ، رانا ، دنا و پارس مالتی پلکس + نقشه ها
5 سال پیش 32.48 مگابایت نوع : pdf بازدید : 20753 منتشرکننده : CarGeek
معرفی خودرو P7L (پژو 207 داخلی)
5 سال پیش 0.73 مگابایت نوع : pdf بازدید : 5127 منتشرکننده : CarGeek
راهنمای تعمیرات و سرویس کیسه هوا(ایربگ) پراید
5 سال پیش 5.05 مگابایت نوع : pdf بازدید : 18309 منتشرکننده : CarGeek
راهنمای تعمیرات سیستم سوخت رسانی خودرو چری دوگانه سوز (سیستم OMEGAS)
5 سال پیش 3.29 مگابایت نوع : pdf بازدید : 4630 منتشرکننده : CarGeek
لیست و پارت نامبر قطعات اختصاصی پژو 206 SD
5 سال پیش 1.33 مگابایت نوع : pdf بازدید : 7287 منتشرکننده : CarGeek
جزوه آموزش مبانی فنی خودرو برای پرسنل فروش
5 سال پیش 0.71 مگابایت نوع : pdf بازدید : 3647 منتشرکننده : CarGeek
آلبوم نقشه های سوخت رسانی انواع پژو 405 و پارس
5 سال پیش 2.9 مگابایت نوع : pdf بازدید : 55129 منتشرکننده : CarGeek
راهنمای ابزارمخصوص زانتیا
5 سال پیش 1.9 مگابایت نوع : pdf بازدید : 7147 منتشرکننده : CarGeek
تاثیر برخی پارامترها بر مصرف سوخت موتور بنزینی خودرو
5 سال پیش 1.54 مگابایت نوع : pdf بازدید : 3650 منتشرکننده : CarGeek
راهنمای تعمیرات گیربکس دستی BE خانواده پژو 206
5 سال پیش 7.01 مگابایت نوع : pdf بازدید : 7920 منتشرکننده : CarGeek
کتاب سیستم انژکتوری و مبانی الکترونیک خودرو
5 سال پیش 13.95 مگابایت نوع : pdf بازدید : 21232 منتشرکننده : CarGeek
نحوه عیب یابی کنترل یونیت سیستم خنک کننده موتور
5 سال پیش 1.64 مگابایت نوع : pdf بازدید : 25350 منتشرکننده : CarGeek
راهنمای تعمیرات گیربکس اتوماتیک AL4 پژو 206
5 سال پیش 18.93 مگابایت نوع : pdf بازدید : 12389 منتشرکننده : CarGeek
کتاب Automotive Embedded Systems Handbook
5 سال پیش 8.66 مگابایت نوع : pdf بازدید : 3636 منتشرکننده : CarGeek
کتاب Hybrid Vehicles: and the Future of Personal Transportation
5 سال پیش 11.99 مگابایت نوع : pdf بازدید : 3951 منتشرکننده : CarGeek
بررسی عملکرد و روش انتقال اطلاعات در سیستم مالتی پلکس پژو 206 فرانسوی
5 سال پیش 3.54 مگابایت نوع : pdf بازدید : 4944 منتشرکننده : CarGeek
عیب یابی روشن نشدن زانتیا
5 سال پیش 0.63 مگابایت نوع : pdf بازدید : 22478 منتشرکننده : CarGeek
جزوه آموزشی تعمیرات ECU
5 سال پیش 4.75 مگابایت نوع : pdf بازدید : 5623 منتشرکننده : CarGeek
کتاب Clutches and Brakes: Design and Selection
5 سال پیش 7.32 مگابایت نوع : pdf بازدید : 3482 منتشرکننده : CarGeek
مقاله پایش وضعیت سنسور پدال گاز خودروهای با دریچه گازبرقی
5 سال پیش 0.57 مگابایت نوع : pdf بازدید : 6740 منتشرکننده : CarGeek
راهنمای تعمیرات سری موتور 6G7 تا مدل 2011
5 سال پیش 6.31 مگابایت نوع : pdf بازدید : 5329 منتشرکننده : CarGeek
راهنمای تعمیرات موتور سیتروئن C5
5 سال پیش 4.93 مگابایت نوع : pdf بازدید : 9120 منتشرکننده : CarGeek
اصول عملکرد و راهنمای عیب یابی سنسور اکسیژن
5 سال پیش 6.73 مگابایت نوع : pdf بازدید : 17975 منتشرکننده : CarGeek
راهنمای مدارها و سیم کشی های لیفان X60 اتوماتیک و دستی
5 سال پیش 8.29 مگابایت نوع : pdf بازدید : 9589 منتشرکننده : CarGeek
کتاب ابزارمخصوص ایران خودرو
5 سال پیش 1.5 مگابایت نوع : pdf بازدید : 9666 منتشرکننده : CarGeek
راهنمای تعمیرات موتور TU5-JP4 رانا
5 سال پیش 10.87 مگابایت نوع : pdf بازدید : 7910 منتشرکننده : CarGeek
کتاب Automotive Engines: Diagnosis, Repair, Rebuilding
5 سال پیش 103.76 مگابایت نوع : pdf بازدید : 3892 منتشرکننده : CarGeek
معرفی فنی هیوندای سوناتا YF
5 سال پیش 2.42 مگابایت نوع : pdf بازدید : 7667 منتشرکننده : CarGeek
تغییرات الکتریکی خودرو سمند با موتور EF7
5 سال پیش 0.93 مگابایت نوع : pdf بازدید : 5307 منتشرکننده : CarGeek
راهنمای سیستم ایموبیلایزر زیمنس پراید
5 سال پیش 5.21 مگابایت نوع : pdf بازدید : 13067 منتشرکننده : CarGeek
چگونگی عملکرد سیستم ایمنی غیرفعال و حسگرهای سنجش شتاب در کیسه های هوای هوشمند
5 سال پیش 7.83 مگابایت نوع : pdf بازدید : 3169 منتشرکننده : CarGeek
معرفی سیستم های ایمنی غیرفعال در خودروهای گروه X100 سایپا
5 سال پیش 1.1 مگابایت نوع : pdf بازدید : 3354 منتشرکننده : CarGeek
مروری بر گیربکس و انواع آن در خودرو
5 سال پیش 3.37 مگابایت نوع : pdf بازدید : 3557 منتشرکننده : CarGeek
جزوه آموزشی تعمیرات موتور زامیاد وانت دیزل Z28ND
5 سال پیش 6.99 مگابایت نوع : pdf بازدید : 17306 منتشرکننده : CarGeek
آشنایی با سیستم های ایمنی فعال و سیستم های کمکی ترمز
5 سال پیش 1.71 مگابایت نوع : pdf بازدید : 3275 منتشرکننده : CarGeek
سیستم دفیا (Dephia) در سیستم جرقه پژو 206
5 سال پیش 0.33 مگابایت نوع : pdf بازدید : 5457 منتشرکننده : CarGeek
شناخت سیستم ترمز ABS
5 سال پیش 5.63 مگابایت نوع : pdf بازدید : 101046 منتشرکننده : CarGeek
جزوه دوره آموزشی ترمز ABS ماندو
5 سال پیش 2.12 مگابایت نوع : pdf بازدید : 19297 منتشرکننده : CarGeek
جزوه خودآموز گیربکس اتوماتیک AL4 پژو 206
5 سال پیش 1.3 مگابایت نوع : pdf بازدید : 18027 منتشرکننده : CarGeek
الزامات ارائه خدمت در مراکز تماس با مشتری براساس استاندارد BS EN 15838:2009 + معرفی مرکز تماس امدادخودرو ایران
5 سال پیش 6.52 مگابایت نوع : pdf بازدید : 3962 منتشرکننده : CarGeek
مروری بر خدمات امدادخودرویی انگلستان
5 سال پیش 2.54 مگابایت نوع : pdf بازدید : 3328 منتشرکننده : CarGeek
عملکرد گرمکن شیشه، شیشه شور و برف پاک کن در شبکه مالتی پلکس پژو 206
5 سال پیش 1.01 مگابایت نوع : pdf بازدید : 7452 منتشرکننده : CarGeek
عملکرد سیستم های ایمنی و حفاظت و ضدسرقت در شبکه مالتی پلکس پژو 206
5 سال پیش 1.59 مگابایت نوع : pdf بازدید : 3934 منتشرکننده : CarGeek
نحوه عملکرد ABS در شبکه مالتی پلکس پژو 206
5 سال پیش 2.16 مگابایت نوع : pdf بازدید : 5954 منتشرکننده : CarGeek
قطعات اصلی در شبکه مالتی پلکس پژو 206
5 سال پیش 3.38 مگابایت نوع : pdf بازدید : 5634 منتشرکننده : CarGeek
ساختار الکتریکی پژو 206 مالتی پلکس
5 سال پیش 1.28 مگابایت نوع : pdf بازدید : 5507 منتشرکننده : CarGeek
جزوه دوره آموزشی موتور سایپا شامل موتورهای پراید،ریو،زانتیا
5 سال پیش 9.34 مگابایت نوع : pdf بازدید : 10542 منتشرکننده : CarGeek
آشنایی با اصول و مفاهیم سیستم مولتی پلکس پژو 206
5 سال پیش 14.38 مگابایت نوع : pdf بازدید : 5356 منتشرکننده : CarGeek
خودروهای انژکتوری - روش های پیشرفته عیب یابی با دستگاه دیاگ-اسکنر
5 سال پیش 30.52 مگابایت نوع : pdf بازدید : 20850 منتشرکننده : CarGeek
راهنمای ساختار بدنه سوزوکی کیزاشی
5 سال پیش 40.47 مگابایت نوع : pdf بازدید : 3470 منتشرکننده : CarGeek
راهنمای سیستم جرقه زنی موتور سوزوکی کیزاشی
5 سال پیش 0.59 مگابایت نوع : pdf بازدید : 3489 منتشرکننده : CarGeek
راهنمای تعمیرات سیستم های کنترل الکترونیکی سوزوکی کیزاشی
5 سال پیش 8.45 مگابایت نوع : pdf بازدید : 5144 منتشرکننده : CarGeek
راهنمای مدارات الکتریکی وانت پادرا
5 سال پیش 6.66 مگابایت نوع : pdf بازدید : 11919 منتشرکننده : CarGeek
راهنمای تعمیرات سیستم ترمز دنا
5 سال پیش 2.77 مگابایت نوع : pdf بازدید : 14055 منتشرکننده : CarGeek
راهنمای تعمیرات و سرویس موتور چانگان CS35
5 سال پیش 4.8 مگابایت نوع : pdf بازدید : 10401 منتشرکننده : CarGeek
راهنمای تعمیرات انتقال قدرت آریسان (گیربکس/کلاچ/گاردان/دیفرانسیل)
5 سال پیش 10.17 مگابایت نوع : pdf بازدید : 12613 منتشرکننده : CarGeek
راهنمای تعمیرات میل پلوس/اکسل سوزوکی کیزاشی
5 سال پیش 2.07 مگابایت نوع : pdf بازدید : 3829 منتشرکننده : CarGeek
دستورالعمل عیب یابی روشن شدن چراغ چک
5 سال پیش 5.32 مگابایت نوع : pdf بازدید : 14267 منتشرکننده : CarGeek
راهنمای تعمیرات قطعات الکتریکی دنا
5 سال پیش 4.43 مگابایت نوع : pdf بازدید : 5330 منتشرکننده : CarGeek
راهنمای تعمیرات تزئینات داخلی و خارجی سوزوکی کیزاشی
5 سال پیش 3.31 مگابایت نوع : pdf بازدید : 2907 منتشرکننده : CarGeek
معرفی و جانمایی دسته سیم های خودرو آریسان
5 سال پیش 1.1 مگابایت نوع : pdf بازدید : 12201 منتشرکننده : CarGeek
معرفی خودروهای B90 و B90 Cross (رنو ساندرو و ساندرو استپ وی)
5 سال پیش 3.35 مگابایت نوع : pdf بازدید : 3908 منتشرکننده : CarGeek
دستورالعمل عیب یابی لرزش موتور
5 سال پیش 2.48 مگابایت نوع : pdf بازدید : 10115 منتشرکننده : CarGeek
راهنمای تعمیرات قطعات الکتریکی آریسان
5 سال پیش 1.85 مگابایت نوع : pdf بازدید : 5449 منتشرکننده : CarGeek
راهنمای تعمیرات سیستم سوخت رسانی آریسان
5 سال پیش 2.63 مگابایت نوع : pdf بازدید : 20733 منتشرکننده : CarGeek
راهنمای تعمیرات سیستم تعلیق خودرو دنا
5 سال پیش 4.27 مگابایت نوع : pdf بازدید : 8582 منتشرکننده : CarGeek
راهنمای تعمیرات و عیب یابی ایربگ راننده و سرنشین خودرو دنا
5 سال پیش 4.38 مگابایت نوع : pdf بازدید : 12242 منتشرکننده : CarGeek
راهنمای تعمیرات سیستم گازسوز خودرو آریسان
5 سال پیش 1.74 مگابایت نوع : pdf بازدید : 10923 منتشرکننده : CarGeek
راهنمای تعمیرات گیربکس اتوماتیک مزدا 323
5 سال پیش 6.91 مگابایت نوع : pdf بازدید : 7731 منتشرکننده : CarGeek
راهنمای تعمیرات موتور خودرو دنا (موتور EF7)
5 سال پیش 9.93 مگابایت نوع : pdf بازدید : 13148 منتشرکننده : CarGeek
راهنمای تعمیرات بدنه وانت آریسان
5 سال پیش 6.38 مگابایت نوع : pdf بازدید : 15185 منتشرکننده : CarGeek
راهنمای نقشه های الکتریکی سوزوکی کیزاشی
5 سال پیش 32.02 مگابایت نوع : pdf بازدید : 10454 منتشرکننده : CarGeek
راهنمای اطلاعات عمومی تعمیرات سوزوکی کیزاشی
5 سال پیش 4.21 مگابایت نوع : pdf بازدید : 3687 منتشرکننده : CarGeek
راهنمای تعمیرات سانروف سوزوکی کیزاشی
5 سال پیش 1.26 مگابایت نوع : pdf بازدید : 4604 منتشرکننده : CarGeek
آشنایی با ترمزهای هوشمند ESP و EBD- فایل 3
5 سال پیش 0.25 مگابایت نوع : pdf بازدید : 3368 منتشرکننده : CarGeek
آشنایی با ترمزهای هوشمند ESP و EBD- فایل 2
5 سال پیش 0.26 مگابایت نوع : pdf بازدید : 3309 منتشرکننده : CarGeek
آشنایی با ترمزهای هوشمند ESP و EBD
5 سال پیش 1.69 مگابایت نوع : pdf بازدید : 3154 منتشرکننده : CarGeek
راهنمای نحوه کار با مولتی متر
5 سال پیش 4.87 مگابایت نوع : pdf بازدید : 3983 منتشرکننده : CarGeek
کاتالوگ قطعات و پارت نامبر جیلی EC7
5 سال پیش 10.38 مگابایت نوع : pdf بازدید : 7290 منتشرکننده : CarGeek
نحوه تغییر کیلومتر خودرو دنا
5 سال پیش 2.9 مگابایت نوع : pdf بازدید : 22836 منتشرکننده : CarGeek
دیاگرام سیستم های برق خودروهای سمند
5 سال پیش 17.45 مگابایت نوع : pdf بازدید : 6686 منتشرکننده : CarGeek
راهنمای تعمیرات سیستم های الکتریکی بدنه چری A15
5 سال پیش 2.25 مگابایت نوع : pdf بازدید : 15373 منتشرکننده : CarGeek
رویه نصب و تبدیل خودرو نیسان انژکتور به سیستم دوگانه سوز CNG
5 سال پیش 7.42 مگابایت نوع : pdf بازدید : 7857 منتشرکننده : CarGeek
دستورالعمل تکمیل رویه نصب سیستم دوگانه سوز (بنزین-CNG) پیکان وانت
5 سال پیش 2.9 مگابایت نوع : pdf بازدید : 17482 منتشرکننده : CarGeek
راهنمای سیستم الکتریکی کامیون های C&C
5 سال پیش 2.58 مگابایت نوع : pdf بازدید : 17965 منتشرکننده : CarGeek
راهنمای سیستم کنترل موتور JAC S5 و شرح خطاها و عیب یابی
5 سال پیش 6.56 مگابایت نوع : pdf بازدید : 68533 منتشرکننده : CarGeek
راهنمای تعمیرات گیربکس معمولی JAC S5
5 سال پیش 4.86 مگابایت نوع : pdf بازدید : 7399 منتشرکننده : CarGeek
راهنمای ایموبیلایزر، تعریف کلید و ریموت انواع خودرو
5 سال پیش 5.17 مگابایت نوع : pdf بازدید : 30361 منتشرکننده : CarGeek
جزوه آموزشی سیستم های تعلیق هیوندای
5 سال پیش 5.77 مگابایت نوع : pdf بازدید : 8112 منتشرکننده : CarGeek
راهنمای آموزشی امدادخودرو در مورد مکانیک هایما S7
5 سال پیش 13.54 مگابایت نوع : pdf بازدید : 7447 منتشرکننده : CarGeek
راهنمای آموزشی امدادخودرو در مورد الکتریکال هایما S7
5 سال پیش 6.22 مگابایت نوع : pdf بازدید : 5080 منتشرکننده : CarGeek
راهنمای کاربردی طراحی و ساخت سیستم های هیدرولیک
5 سال پیش 2.8 مگابایت نوع : pdf بازدید : 3492 منتشرکننده : CarGeek
راهنمای آموزشی CVVT Systems کیاموتورز
5 سال پیش 1.96 مگابایت نوع : pdf بازدید : 9274 منتشرکننده : CarGeek
راهنمای تعمیرات و عیب یابی سیستم گازسوز پژو 405
5 سال پیش 7.52 مگابایت نوع : pdf بازدید : 36699 منتشرکننده : CarGeek
دستورالعمل ایمنی ابزار
5 سال پیش 0.25 مگابایت نوع : pdf بازدید : 3293 منتشرکننده : CarGeek
معرفی و راهنمای عیب یابی سیستم های ترمز امدادخودرو
5 سال پیش 1.61 مگابایت نوع : pdf بازدید : 5218 منتشرکننده : CarGeek
راهنمای تعمیرات سیستم های الکتریکی و تزئینات لیفان 620
5 سال پیش 23.28 مگابایت نوع : pdf بازدید : 13279 منتشرکننده : CarGeek
نقشه های الکتریکی سمند ماکس و دنا
5 سال پیش 2.77 مگابایت نوع : pdf بازدید : 15474 منتشرکننده : CarGeek
راهنمای امدادخودرو درخصوص مکانیک رنو کپچر
5 سال پیش 7.9 مگابایت نوع : pdf بازدید : 9119 منتشرکننده : CarGeek
راهنمای تعمیرات گیربکس دستی و CVT سوزوکی کیزاشی
5 سال پیش 17.72 مگابایت نوع : pdf بازدید : 4675 منتشرکننده : CarGeek
کتاب مبانی دینامیک خودرو
5 سال پیش 17.09 مگابایت نوع : pdf بازدید : 8049 منتشرکننده : CarGeek
جزوه آموزش فنی معرفی رانا
5 سال پیش 12.16 مگابایت نوع : pdf بازدید : 8252 منتشرکننده : CarGeek
جزوه آموزشی سیستم فرمان و جلوبندی کیا اپتیما
5 سال پیش 1.28 مگابایت نوع : pdf بازدید : 7883 منتشرکننده : CarGeek
جزوه راهنمای عیب یابی خودرو امدادخودرو- فایل 2
5 سال پیش 3.58 مگابایت نوع : pdf بازدید : 8672 منتشرکننده : CarGeek
جزوه راهنمای عیب یابی خودرو امدادخودرو
5 سال پیش 2.44 مگابایت نوع : pdf بازدید : 19277 منتشرکننده : CarGeek
جزوه آموزشی باطری/استارتر/آلترناتور کیا اسپورتیج SL
5 سال پیش 2.72 مگابایت نوع : pdf بازدید : 10345 منتشرکننده : CarGeek
جزوه آموزشی سیستم ضدسرقت PIC
5 سال پیش 2.66 مگابایت نوع : pdf بازدید : 5984 منتشرکننده : CarGeek
جزوه دوره آموزشی کارشناس فنی خودرو مدیران خودرو (انواع MVM)
5 سال پیش 3.75 مگابایت نوع : pdf بازدید : 15043 منتشرکننده : CarGeek
جزوه آموزشی مدیریت موتور خودروهای هیوندای
5 سال پیش 3.29 مگابایت نوع : pdf بازدید : 9022 منتشرکننده : CarGeek
راهنمای تعمیرات گیربکس BE3 دنا
5 سال پیش 18.13 مگابایت نوع : pdf بازدید : 7487 منتشرکننده : CarGeek
راهنمای تعمیرات و سرویس سیستم سوخت رسانی دنا
5 سال پیش 3.17 مگابایت نوع : pdf بازدید : 10063 منتشرکننده : CarGeek
کاتالوگ قطعات و پارت نامبر نیسان ماکسیما
5 سال پیش 25.36 مگابایت نوع : pdf بازدید : 9342 منتشرکننده : CarGeek
راهنمای تعمیرات و عیب یابی و پیکربندی سیستم مالتی پلکس SMS دنا و سمند با ایکو دیاگ
5 سال پیش 3.55 مگابایت نوع : pdf بازدید : 11743 منتشرکننده : CarGeek
راهنمای تعمیرات و معرفی الکتریکال سیستم مالتی پلکس SMS دنا
5 سال پیش 2.92 مگابایت نوع : pdf بازدید : 11461 منتشرکننده : CarGeek
راهنمای واحد کنترل الکتریکی (ECU) زامیاد دیزل
5 سال پیش 0.39 مگابایت نوع : pdf بازدید : 10164 منتشرکننده : CarGeek
راهنمای سیستم برق کامیون کاوه (دانگ فنگ)
5 سال پیش 1.7 مگابایت نوع : pdf بازدید : 37292 منتشرکننده : CarGeek
راهنمای عمومی برق اتوبوس یوتانگ
5 سال پیش 1.23 مگابایت نوع : pdf بازدید : 12593 منتشرکننده : CarGeek
رویه نصب و تبدیل خودرو پراید انژکتوری به سیستم دوگانه سوز
5 سال پیش 3.44 مگابایت نوع : pdf بازدید : 8544 منتشرکننده : CarGeek
معرفی سیستم VVT
5 سال پیش 0.44 مگابایت نوع : pdf بازدید : 6258 منتشرکننده : CarGeek
راهنمای تعمیرات و سرویس میتسوبیشی لنسر
5 سال پیش 51.39 مگابایت نوع : pdf بازدید : 11191 منتشرکننده : CarGeek
معرفی کوتاه انواع مبردها و معرفی مبرد R134a
5 سال پیش 1.75 مگابایت نوع : pdf بازدید : 2850 منتشرکننده : CarGeek
نودها و فیوزها در خودروهای مالتی پلکس سمند،سورن،دنا،رانا و 206
5 سال پیش 5.21 مگابایت نوع : pdf بازدید : 25413 منتشرکننده : CarGeek
معرفی قطعات الکترونیک
5 سال پیش 2.26 مگابایت نوع : pdf بازدید : 5703 منتشرکننده : CarGeek
دفترچه راهنمای هایما S7
5 سال پیش 3.18 مگابایت نوع : pdf بازدید : 85233 منتشرکننده : CarGeek
راهنمای تعمیرات موتور OM457LA اتوبوس o457
5 سال پیش 4.69 مگابایت نوع : pdf بازدید : 19901 منتشرکننده : CarGeek
راهنمای تعمیرات موتور OHVG2 وانت آریسان
5 سال پیش 5.06 مگابایت نوع : pdf بازدید : 12249 منتشرکننده : CarGeek
راهنمای کاربری و سرویس های ادواری سیستم برق وانت زامیاد دیزل
5 سال پیش 4.96 مگابایت نوع : pdf بازدید : 8961 منتشرکننده : CarGeek
جزوه آموزشی سیستم گیربکس اتوماتیک سوزوکی گرندویتارا
5 سال پیش 1.78 مگابایت نوع : pdf بازدید : 9531 منتشرکننده : CarGeek
کتاب تکنولوژی سوخت رسانی دانشگاه سایپا
5 سال پیش 12.4 مگابایت نوع : pdf بازدید : 7975 منتشرکننده : CarGeek
جزوه دوره پراید CNG انژکتوری
5 سال پیش 1.21 مگابایت نوع : pdf بازدید : 4614 منتشرکننده : CarGeek
راهنمای امدادخودرو سیستم مالتی پلکس رانا و 206 جدید
5 سال پیش 1.12 مگابایت نوع : pdf بازدید : 14131 منتشرکننده : CarGeek
Vehicle Diagnostics with Oscilloscope FAQ
5 سال پیش 1.89 مگابایت نوع : pdf بازدید : 4419 منتشرکننده : CarGeek
راهنمای تعمیرات گیربکس 5YM ون دلیکا
5 سال پیش 0.84 مگابایت نوع : pdf بازدید : 7803 منتشرکننده : CarGeek
راهنمای سیم کشی و الکتریکی دوو سیلو و ریسر
5 سال پیش 1.26 مگابایت نوع : pdf بازدید : 67780 منتشرکننده : CarGeek
جزوه آموزشی و نقشه های برق خودرو دانگ فنگ H30 و S30
5 سال پیش 17.79 مگابایت نوع : pdf بازدید : 9209 منتشرکننده : CarGeek
راهنمای کامل تعمیرات لیفان 820
5 سال پیش 111.25 مگابایت نوع : pdf بازدید : 23663 منتشرکننده : CarGeek
لیست قطعات یدکی و Part Number مزدا 3
5 سال پیش 0.51 مگابایت نوع : pdf بازدید : 7300 منتشرکننده : CarGeek
ابزارشناسی و عملیات کارگاهی
5 سال پیش 3.72 مگابایت نوع : pdf بازدید : 11492 منتشرکننده : CarGeek
پیاده و سوارکردن و عیب یابی انواع دلکو خودرو
5 سال پیش 0.95 مگابایت نوع : pdf بازدید : 17684 منتشرکننده : CarGeek
آموزش تعویض ترموستات و هواگیری مدار گردش آب پژو 206
5 سال پیش 1.61 مگابایت نوع : pdf بازدید : 30311 منتشرکننده : CarGeek
کتاب Advanced Automotive Fault Diagnosis
5 سال پیش 8.17 مگابایت نوع : pdf بازدید : 5500 منتشرکننده : CarGeek
کتاب Handbook of Automobiles 1919
5 سال پیش 16.26 مگابایت نوع : pdf بازدید : 3700 منتشرکننده : CarGeek
کتاب Automotive Development Processes
5 سال پیش 10.45 مگابایت نوع : pdf بازدید : 3432 منتشرکننده : CarGeek
جزوه آموزشی Basic Machines نیروی دریایی آمریکا
5 سال پیش 8.59 مگابایت نوع : pdf بازدید : 4219 منتشرکننده : CarGeek
کتاب Automotive Lubricant Testing and Advanced Additive Development
5 سال پیش 6.99 مگابایت نوع : pdf بازدید : 3574 منتشرکننده : CarGeek
کتاب تکنولوژی دستگاه های الکتریکی خودرو
5 سال پیش 20.77 مگابایت نوع : pdf بازدید : 8342 منتشرکننده : CarGeek
جزوه آموزشی امداد خودرو چری A15
5 سال پیش 1.48 مگابایت نوع : pdf بازدید : 16877 منتشرکننده : CarGeek
جزوه آموزشی تعمیرات و سرویس خودرو دانگ فنگ H30 و S30
5 سال پیش 10.92 مگابایت نوع : pdf بازدید : 5810 منتشرکننده : CarGeek
معرفی فنی سیستم شاسی ، تعلیق ، فرمان و ترمز پراید
5 سال پیش 0.8 مگابایت نوع : pdf بازدید : 6408 منتشرکننده : CarGeek
راهنمای سرویس و عیب یابی مجموعه گیربکس اتوماتیک رنو ساندرو
5 سال پیش 5.28 مگابایت نوع : pdf بازدید : 8377 منتشرکننده : CarGeek
آشنایی با بیماری های شغلی
5 سال پیش 0.76 مگابایت نوع : pdf بازدید : 3131 منتشرکننده : CarGeek
راهنمای تعمیرات و سرویس بسترن B50
5 سال پیش 18.73 مگابایت نوع : pdf بازدید : 19057 منتشرکننده : CarGeek
راهنمای کامل تعمیرات هوندا آکورد نسل چهارم (1989–1993)
5 سال پیش 69.68 مگابایت نوع : pdf بازدید : 21451 منتشرکننده : CarGeek
راهنمای کامل تعمیرات هوندا سیویک نسل پنجم (1991–1995)
5 سال پیش 106.62 مگابایت نوع : pdf بازدید : 12824 منتشرکننده : CarGeek
راهنمای تعمیرات موتور JAC S5- فایل 2
5 سال پیش 3.41 مگابایت نوع : pdf بازدید : 5695 منتشرکننده : CarGeek
راهنمای تعمیرات موتور JAC S5
5 سال پیش 13.1 مگابایت نوع : pdf بازدید : 24253 منتشرکننده : CarGeek
راهنمای مدارات الکتریکی سیستم دوگانه سوز پراید
5 سال پیش 10.54 مگابایت نوع : pdf بازدید : 21866 منتشرکننده : CarGeek
راهنمای استاندارد عاملیت مجاز تعمیراتی سایپا
5 سال پیش 11.46 مگابایت نوع : pdf بازدید : 5440 منتشرکننده : CarGeek
راهنمای مشخصات و عیب یابی موتور سوزوکی کیزاشی
5 سال پیش 3.29 مگابایت نوع : pdf بازدید : 3032 منتشرکننده : CarGeek
راهنمای تعمیرات سیستم تعلیق سوزوکی کیزاشی
5 سال پیش 6.45 مگابایت نوع : pdf بازدید : 3245 منتشرکننده : CarGeek
راهنمای تعمیرات ترمز سوزوکی کیزاشی
5 سال پیش 12.47 مگابایت نوع : pdf بازدید : 3288 منتشرکننده : CarGeek
دستورالعمل تعمیرات بنزهای C240 پلیس
5 سال پیش 122.47 مگابایت نوع : pdf بازدید : 23836 منتشرکننده : CarGeek
راهنمای تعمیرات پلوس (ساندرو - تندر90)
5 سال پیش 3.77 مگابایت نوع : pdf بازدید : 7492 منتشرکننده : CarGeek
کاربرد فناوری نانو و نانومواد در صنعت خودرو
5 سال پیش 4.1 مگابایت نوع : pdf بازدید : 3025 منتشرکننده : CarGeek
خلاصه گزارش آسیب شناسی صنعت خودرو
5 سال پیش 0.38 مگابایت نوع : pdf بازدید : 3478 منتشرکننده : CarGeek
راهنمای تجهیزات سیستم الکتریکی موتور سوزوکی کیزاشی
5 سال پیش 1.3 مگابایت نوع : pdf بازدید : 3411 منتشرکننده : CarGeek
راهنمای تعمیرات سیستم تهویه مطبوع سوزوکی کیزاشی
5 سال پیش 6.95 مگابایت نوع : pdf بازدید : 3238 منتشرکننده : CarGeek
جزوه آموزشی سیستم سوخت رسانی و جرقه انژکتوری خودرو
5 سال پیش 9.51 مگابایت نوع : pdf بازدید : 7581 منتشرکننده : CarGeek
راهنمای تعمیرات سیستم ایموبیلایزر پژو 405، پارس، سمند، روآ و دنا
5 سال پیش 2.47 مگابایت نوع : pdf بازدید : 15445 منتشرکننده : CarGeek
راهنمای تعمیرات جعبه دنده و سیستم تقسیم نیرو سوزوکی گرندویتارا
5 سال پیش 11.08 مگابایت نوع : pdf بازدید : 6612 منتشرکننده : CarGeek
راهنمای مدارهای الکتریکی MVM 530
5 سال پیش 12.55 مگابایت نوع : pdf بازدید : 22385 منتشرکننده : CarGeek
راهنمای برق MVM 530
5 سال پیش 4.55 مگابایت نوع : pdf بازدید : 74745 منتشرکننده : CarGeek
ساختار تهویه مطبوع خودرو
5 سال پیش 9.72 مگابایت نوع : pdf بازدید : 7683 منتشرکننده : CarGeek
معرفی و جانمایی دسته سیم ها و نقشه های الکتریکی هایما S7
5 سال پیش 18.89 مگابایت نوع : pdf بازدید : 5470 منتشرکننده : CarGeek
راهنمای تصویری نصب توربوشارژر و اینترکولر
5 سال پیش 2.8 مگابایت نوع : pdf بازدید : 7366 منتشرکننده : CarGeek
انواع مکانیزم های سیستم تعلیق
5 سال پیش 1.55 مگابایت نوع : pdf بازدید : 3483 منتشرکننده : CarGeek
راهنمای تعمیرات و سرویس کلاچ JAC S5
5 سال پیش 1.91 مگابایت نوع : pdf بازدید : 11445 منتشرکننده : CarGeek
جزوه بخش تامین و حفظ فشار سیستم تعلیق و هیدرولیک زانتیا
5 سال پیش 2.5 مگابایت نوع : pdf بازدید : 6166 منتشرکننده : CarGeek
معرفی و عیب یابی سمند میکروهیبرید با موتور XU7
5 سال پیش 0.95 مگابایت نوع : pdf بازدید : 6066 منتشرکننده : CarGeek
راهنمای کامل تعمیرات مدارهای الکتریکی پژو 405 و پارس
5 سال پیش 28.33 مگابایت نوع : pdf بازدید : 56352 منتشرکننده : CarGeek
راهنمای تعمیرات موتور و سیستم سوخت رسانی لیفان X60
5 سال پیش 7.72 مگابایت نوع : pdf بازدید : 9555 منتشرکننده : CarGeek
کاتالوگ قطعات لیفان X60- فایل 2
5 سال پیش 7.22 مگابایت نوع : pdf بازدید : 4438 منتشرکننده : CarGeek
کاتالوگ قطعات لیفان X60
5 سال پیش 7.96 مگابایت نوع : pdf بازدید : 12554 منتشرکننده : CarGeek
دانستنیهای یدکی خودرو ایساکو
5 سال پیش 6.86 مگابایت نوع : pdf بازدید : 4011 منتشرکننده : CarGeek
سیستم های الکتریکی خودروهای سنگین ATEGO و ACTROS
5 سال پیش 3.71 مگابایت نوع : pdf بازدید : 14354 منتشرکننده : CarGeek
دستورالعمل عیب یابی کلاچ
5 سال پیش 4.93 مگابایت نوع : pdf بازدید : 4994 منتشرکننده : CarGeek
راهنمای تعمیرات گیربکس گتراگ پیکان و پژو R.D
5 سال پیش 10.18 مگابایت نوع : pdf بازدید : 29775 منتشرکننده : CarGeek
راهنمای تعمیرات و عیب یابی دیفرانسیل طرح تالبوتی پیکان و پژو R.D
5 سال پیش 4.2 مگابایت نوع : pdf بازدید : 30513 منتشرکننده : CarGeek
دستورالعمل معرفی و عیب یابی سیستم کروز کنترل خودرو پژو پارس
5 سال پیش 8.75 مگابایت نوع : pdf بازدید : 7726 منتشرکننده : CarGeek
راهنمای تعمیرات مجموعه موتور و سیستم سوخت رسانی کلئوس
5 سال پیش 3.72 مگابایت نوع : pdf بازدید : 2575 منتشرکننده : CarGeek
اطلاعیه معرفی و آشنایی با خودرو رنو کلئوس
5 سال پیش 0.82 مگابایت نوع : pdf بازدید : 2658 منتشرکننده : CarGeek
راهنمای تعمیرات تزئینات داخلی و خارجی سراتو
5 سال پیش 12.04 مگابایت نوع : pdf بازدید : 4252 منتشرکننده : CarGeek
دستورالعمل تعمیر اکسل عقب پیکان و پژو R.D
5 سال پیش 4.53 مگابایت نوع : pdf بازدید : 18447 منتشرکننده : CarGeek
تعمیرات اساسی گیربکس پیکان مدل آرژانتینی
5 سال پیش 2.07 مگابایت نوع : pdf بازدید : 9223 منتشرکننده : CarGeek
راهنمای تعمیرات اساسی دیفرانسیل پیکان مدل ترکیه ای اژه
5 سال پیش 0.65 مگابایت نوع : pdf بازدید : 5066 منتشرکننده : CarGeek
فلوچارت عیب یابی "موتور خودرو هنگام رانندگی خاموش می شود"
5 سال پیش 0.77 مگابایت نوع : pdf بازدید : 7705 منتشرکننده : CarGeek
فلوچارت عیب یابی "خودرو استارت می خورد اما روشن نمی شود" پراید
5 سال پیش 1.28 مگابایت نوع : pdf بازدید : 9128 منتشرکننده : CarGeek
راهنمای تعمیر و نگهداری نیسان قشقایی
5 سال پیش 11.17 مگابایت نوع : pdf بازدید : 6505 منتشرکننده : CarGeek
معرفی سیستم گازسوز CNG در خودرو
5 سال پیش 2.75 مگابایت نوع : pdf بازدید : 7774 منتشرکننده : CarGeek
راهنمای تست قطعات مدار الکترونیکی با اهم متر
5 سال پیش 0.44 مگابایت نوع : pdf بازدید : 4525 منتشرکننده : CarGeek
معرفی و عیب یابی انواع کیتهای دوگانه سوز خودرو پژو پارس
5 سال پیش 4.83 مگابایت نوع : pdf بازدید : 4513 منتشرکننده : CarGeek
راهنمای تعمیرات موتور پژو 407
5 سال پیش 6.98 مگابایت نوع : pdf بازدید : 12707 منتشرکننده : CarGeek
راهنمای تعمیرات گیربکس پژو 407
5 سال پیش 5.76 مگابایت نوع : pdf بازدید : 5916 منتشرکننده : CarGeek
راهنمای آموزشی قطعه شناسی پژو 206
5 سال پیش 5.91 مگابایت نوع : pdf بازدید : 29568 منتشرکننده : CarGeek
راهنمای تعمیرات و سرویس موتور XUM پژو پارس ELX جدید
5 سال پیش 7.32 مگابایت نوع : pdf بازدید : 7052 منتشرکننده : CarGeek
مسیرهای برق رسانی در محصولات ایران خودرو
5 سال پیش 5.07 مگابایت نوع : pdf بازدید : 21096 منتشرکننده : CarGeek
مسیر و روش تعویض تسمه های دینام،هیدرولیک و کولر در محصولات ایران خودرو
5 سال پیش 4.22 مگابایت نوع : pdf بازدید : 109710 منتشرکننده : CarGeek
رویه تکمیل خودروی پژو 405 کلاس 4 گازسوز (نصب CNG)
5 سال پیش 9.16 مگابایت نوع : pdf بازدید : 5975 منتشرکننده : CarGeek
راهنمای نقشه خوانی مدارات الکتریکی خودرو
5 سال پیش 0.95 مگابایت نوع : pdf بازدید : 12899 منتشرکننده : CarGeek
معرفی سامانه تهویه محفظه لنگ موتور EF7
5 سال پیش 1.72 مگابایت نوع : pdf بازدید : 5006 منتشرکننده : CarGeek
لیست فارسی خطاهای OBD-II
5 سال پیش 0.55 مگابایت نوع : pdf بازدید : 61062 منتشرکننده : CarGeek
مبانی سیستم های انتقال قدرت در خودروهای سواری
5 سال پیش 4.42 مگابایت نوع : pdf بازدید : 3623 منتشرکننده : CarGeek
راهنمای تعمیرات تزئینات و تجهیزات جانبی پژو 407
5 سال پیش 33.78 مگابایت نوع : pdf بازدید : 5968 منتشرکننده : CarGeek
راهنمای عیب یابی واحد اتصالات محفظه موتور (UPC) مگان
5 سال پیش 0.69 مگابایت نوع : pdf بازدید : 7647 منتشرکننده : CarGeek
دستورالعمل پیاده و سوارکردن سیستم تعلیق نیمه مستقل ژامبونی
5 سال پیش 0.73 مگابایت نوع : pdf بازدید : 5551 منتشرکننده : CarGeek
گزارش کارآموزی کارگاه صنعتی لیفتراک
5 سال پیش 1.11 مگابایت نوع : pdf بازدید : 4502 منتشرکننده : CarGeek
امکان سنجی مهار آلاینده های اتوبوس های پایانه های داخل شهری در حالت کار درجا
5 سال پیش 2.93 مگابایت نوع : pdf بازدید : 4387 منتشرکننده : CarGeek
راهنمای تعمیرات و عیب یابی ایربگ سرنشین خودرو سورن و سمند
5 سال پیش 6.47 مگابایت نوع : pdf بازدید : 3846 منتشرکننده : CarGeek
معرفی سیستم های الکتریکال و آپشن ها در خودرو دنا
5 سال پیش 8.49 مگابایت نوع : pdf بازدید : 9176 منتشرکننده : CarGeek
جزوه آموزشی سامانه مدیریت موتور ملی EF7
5 سال پیش 1.21 مگابایت نوع : pdf بازدید : 7124 منتشرکننده : CarGeek
پروژه طراحی بالابر 2ستونه اتومبیل
5 سال پیش 1.1 مگابایت نوع : pdf بازدید : 3958 منتشرکننده : CarGeek
راهنمای گیربکس اتوماتیک امدادخودرو ایران
5 سال پیش 2.96 مگابایت نوع : pdf بازدید : 9029 منتشرکننده : CarGeek
راهنمای تعمیرات تعلیق ، فرمان و سیستم ترمز ضدقفل تندر90 و ساندرو
5 سال پیش 10.15 مگابایت نوع : pdf بازدید : 7371 منتشرکننده : CarGeek
راهنمای تعمیرات سیستم سوخت رسانی گاز طبیعی تندر90
5 سال پیش 2.37 مگابایت نوع : pdf بازدید : 3349 منتشرکننده : CarGeek
راهنمای تعمیرات سیستم سوخت رسانی بنزینی تندر90
5 سال پیش 3.73 مگابایت نوع : pdf بازدید : 11917 منتشرکننده : CarGeek
طراحی و ساخت موتور احتراق داخلی بدون میل بادامک با سوپاپ هوشمند
5 سال پیش 0.4 مگابایت نوع : pdf بازدید : 4128 منتشرکننده : CarGeek
راهنمای دودهای خروجی و عیب یابی الکتریکی کامیونت ایسوزو
5 سال پیش 2.92 مگابایت نوع : pdf بازدید : 8073 منتشرکننده : CarGeek
راهنمای تعمیرات توربوشارژ کامیونت ایسوزو
5 سال پیش 0.34 مگابایت نوع : pdf بازدید : 8383 منتشرکننده : CarGeek
روش تایمینگ موتور K4M تندر90
5 سال پیش 0.4 مگابایت نوع : pdf بازدید : 6199 منتشرکننده : CarGeek
اطلاعیه فنی معرفی خودرو سراتو
5 سال پیش 0.45 مگابایت نوع : pdf بازدید : 3984 منتشرکننده : CarGeek
طراحی شاسی خودرو هیبرید شهری کم مصرف
5 سال پیش 2.98 مگابایت نوع : pdf بازدید : 3587 منتشرکننده : CarGeek
مقدمه ای بر آیرودینامیک خودرو
5 سال پیش 2.87 مگابایت نوع : pdf بازدید : 3390 منتشرکننده : CarGeek
پایان نامه تحلیل و بررسی ساختار واحد کنترل الکترونیک (ECU) خودرو
5 سال پیش 4.34 مگابایت نوع : pdf بازدید : 6729 منتشرکننده : CarGeek
پروژه ایجاد و طراحی صنایع کوچک ، طرح توجیهی تولید سیستم کنترل الکتریکی خودرو
5 سال پیش 2.25 مگابایت نوع : pdf بازدید : 3883 منتشرکننده : CarGeek
راهنمای نصب قطعات آپشن تندر90،تیبا و X100
5 سال پیش 2.31 مگابایت نوع : pdf بازدید : 5001 منتشرکننده : CarGeek
راهنمای عیب یابی واحد اتصالات داخلی محفظه سرنشین (UCH) تندر90
5 سال پیش 0.39 مگابایت نوع : pdf بازدید : 5040 منتشرکننده : CarGeek
راهنمای عیب یابی سیستم ایربگ تندر90
5 سال پیش 0.35 مگابایت نوع : pdf بازدید : 7427 منتشرکننده : CarGeek
دستورالعمل عیب یابی سیستم ترمز ABS مدل های MGH-25وMGH-60 پژو 405،پارس و سمند
5 سال پیش 1.28 مگابایت نوع : pdf بازدید : 4703 منتشرکننده : CarGeek
لیست لغات فنی مطابق با استاندارد SAE J1930 و معادل فارسی آن ها
5 سال پیش 0.1 مگابایت نوع : pdf بازدید : 2768 منتشرکننده : CarGeek
راهنمای تعمیرات قسمت های الکتریکی اتاق و شاسی کامیونت ایسوزو
5 سال پیش 4.41 مگابایت نوع : pdf بازدید : 44569 منتشرکننده : CarGeek
راهنمای تعمیرات تجهیزات قسمت الکتریکی موتور کامیونت ایسوزو
5 سال پیش 1.17 مگابایت نوع : pdf بازدید : 33432 منتشرکننده : CarGeek
راهنمای نگه داری و روغن کاری کامیونت ایسوزو
5 سال پیش 0.35 مگابایت نوع : pdf بازدید : 29370 منتشرکننده : CarGeek
راهنمای تعمیرات و سرویس کولر ایسوزو 6تن
5 سال پیش 0.82 مگابایت نوع : pdf بازدید : 14993 منتشرکننده : CarGeek
راهنمای تعمیرات اتاق و شاسی ایسوزو 6تن
5 سال پیش 2.85 مگابایت نوع : pdf بازدید : 11732 منتشرکننده : CarGeek
راهنمای سیم کشی های الکتریکی برلیانس H330
5 سال پیش 5.06 مگابایت نوع : pdf بازدید : 16069 منتشرکننده : CarGeek
راهنمای تعمیرات و سرویس مدارهای الکتریکی برلیانس H330
5 سال پیش 5.56 مگابایت نوع : pdf بازدید : 8460 منتشرکننده : CarGeek
راهنمای سیم کشی های الکتریکی برلیانس H320
5 سال پیش 1.55 مگابایت نوع : pdf بازدید : 8269 منتشرکننده : CarGeek
راهنمای تعمیرات و سرویس مدارهای الکتریکی برلیانس H320- فایل 2
5 سال پیش 4.59 مگابایت نوع : pdf بازدید : 4222 منتشرکننده : CarGeek
راهنمای تعمیرات و سرویس مدارهای الکتریکی برلیانس H320
5 سال پیش 9.79 مگابایت نوع : pdf بازدید : 5954 منتشرکننده : CarGeek
کتاب Modern Electric,Hybrid Electric & Fuel Cell Vehicles
5 سال پیش 11.39 مگابایت نوع : pdf بازدید : 3932 منتشرکننده : CarGeek
راهنمای تغییر کیلومتر کارکرد خودرو
5 سال پیش 1.13 مگابایت نوع : pdf بازدید : 4763 منتشرکننده : CarGeek
راهنمای سیستم انژکتور بوش 7.4.4 پژو 206
5 سال پیش 3.1 مگابایت نوع : pdf بازدید : 8870 منتشرکننده : CarGeek
راهنمای مدارها و سیم کشی های الکتریکی لیفان 820
5 سال پیش 6.34 مگابایت نوع : pdf بازدید : 9311 منتشرکننده : CarGeek
راهنمای تعمیرات و سرویس تهویه مطبوع ساینا
5 سال پیش 5.56 مگابایت نوع : pdf بازدید : 44805 منتشرکننده : CarGeek
راهنمای تعمیرات سیستم سوخت رسانی آریو
5 سال پیش 4.76 مگابایت نوع : pdf بازدید : 10701 منتشرکننده : CarGeek
راهنمای تعمیرات موتور سایپا آریو (موتور 4A91S)
5 سال پیش 9.35 مگابایت نوع : pdf بازدید : 17201 منتشرکننده : CarGeek
راهنمای عیب یابی سیستم های زانتیا
5 سال پیش 1.33 مگابایت نوع : pdf بازدید : 36048 منتشرکننده : CarGeek
کتاب Engine Testing: Theory and Practice
5 سال پیش 4.3 مگابایت نوع : pdf بازدید : 3672 منتشرکننده : CarGeek
راهنمای تعمیرات و عیب یابی 405SLC-CNG ساکس500(SAX500)
5 سال پیش 4.81 مگابایت نوع : pdf بازدید : 16731 منتشرکننده : CarGeek
راهنمای تعمیرات سیستم سوخت رسانی ایسوزو 6تن مدل NPR70 (موتور4HE توربودیزل)
5 سال پیش 1.24 مگابایت نوع : pdf بازدید : 23252 منتشرکننده : CarGeek
راهنمای تعمیرات موتور ایسوزو 6تن مدل NPR70 (موتور4HE توربودیزل)
5 سال پیش 4.03 مگابایت نوع : pdf بازدید : 25611 منتشرکننده : CarGeek
راهنمای تعمیر و نگه داری سیتروئن C5 New
5 سال پیش 3.19 مگابایت نوع : pdf بازدید : 5942 منتشرکننده : CarGeek
راهنمای عیب یابی سیستم تهویه مطبوع سراتو
5 سال پیش 9.51 مگابایت نوع : pdf بازدید : 7972 منتشرکننده : CarGeek
راهنمای تعمیرات و سرویس سیستم تهویه مطبوع سراتو
5 سال پیش 6.12 مگابایت نوع : pdf بازدید : 9455 منتشرکننده : CarGeek
راهنمای تعمیرات و سرویس تجهیزات الکتریکی ساینا (سایپا 232)
5 سال پیش 8.46 مگابایت نوع : pdf بازدید : 10207 منتشرکننده : CarGeek
اطلاعیه معرفی خودرو ساینا (سایپا 232)
5 سال پیش 0.83 مگابایت نوع : pdf بازدید : 5215 منتشرکننده : CarGeek
نکاتی درباره تعمیرات ECU خودروهای ایرانی
5 سال پیش 0.45 مگابایت نوع : pdf بازدید : 4898 منتشرکننده : CarGeek
دستورالعمل معرفی و عیب یابی سیستم ABS روآ و وانت
5 سال پیش 1.53 مگابایت نوع : pdf بازدید : 9693 منتشرکننده : CarGeek
معرفی سیستم یورو4 وانت پیکان
5 سال پیش 1.32 مگابایت نوع : pdf بازدید : 8179 منتشرکننده : CarGeek
راهنمای تعمیرات سیستم موتور پراید (موتور B3)
5 سال پیش 6.57 مگابایت نوع : pdf بازدید : 22882 منتشرکننده : CarGeek
راهنمای تعمیرات مدارهای الکتریکی سمند با موتور XU7
5 سال پیش 21.58 مگابایت نوع : pdf بازدید : 7708 منتشرکننده : CarGeek
راهنمای تعمیرات قطعات الکتریکی پژو پارس + دیاگرام دسته سیم ها
5 سال پیش 3.92 مگابایت نوع : pdf بازدید : 12452 منتشرکننده : CarGeek
راهنمای تعمیرات موتور TU5JP4 پژو 206 و پژو 207
5 سال پیش 10.2 مگابایت نوع : pdf بازدید : 37225 منتشرکننده : CarGeek
جزوه آموزشی اپراتوری دامپ تراک کوماتسو
5 سال پیش 3.4 مگابایت نوع : pdf بازدید : 34678 منتشرکننده : CarGeek
راهنمای تعمیرات سیستم ترمز پژو 405، پارس و سمند
5 سال پیش 4.41 مگابایت نوع : pdf بازدید : 36288 منتشرکننده : CarGeek
آشنایی با دریچه گاز در خودرو
5 سال پیش 2.05 مگابایت نوع : pdf بازدید : 9855 منتشرکننده : CarGeek
راهنمای تعمیرات سیستم تعلیق جلو و عقب پژو 405 وپارس و سمند و دنا
5 سال پیش 2.68 مگابایت نوع : pdf بازدید : 47942 منتشرکننده : CarGeek
راهنمای تعمیرات ECUهای ساژم ،زیمنس و بوش
5 سال پیش 2.07 مگابایت نوع : pdf بازدید : 7542 منتشرکننده : CarGeek
راهنمای تعمیر و نگه داری نیسان مورانو (Z50-Z51)
5 سال پیش 5.98 مگابایت نوع : pdf بازدید : 6971 منتشرکننده : CarGeek
راهنمای تعمیرات مواد پلاستیکی خودرو
5 سال پیش 8.1 مگابایت نوع : pdf بازدید : 2635 منتشرکننده : CarGeek
آموزش تعویض تسمه تایم موتور K4M رنو (تندر90،مگان،داستر،ساندرو)
5 سال پیش 3.1 مگابایت نوع : pdf بازدید : 5306 منتشرکننده : CarGeek
راهنمای کامل تعمیرات دوو ماتیز
5 سال پیش 20.27 مگابایت نوع : pdf بازدید : 43879 منتشرکننده : CarGeek
راهنمای تعمیرات گیربکس دوکلاچه اتوماتیک جک S5
5 سال پیش 3.63 مگابایت نوع : pdf بازدید : 16562 منتشرکننده : CarGeek
معرفی سامانه روانکاری موتور EF7
5 سال پیش 0.66 مگابایت نوع : pdf بازدید : 8684 منتشرکننده : CarGeek
راهنمای تعمیرات و سرویس گیربکس و انتقال قدرت CVT مورانو جدید
5 سال پیش 5.37 مگابایت نوع : pdf بازدید : 4110 منتشرکننده : CarGeek
راهنمای عیب یابی گیربکس CVT نیسان مورانو
5 سال پیش 1.98 مگابایت نوع : pdf بازدید : 5833 منتشرکننده : CarGeek
راهنمای تعمیرات گیربکس CVT نیسان مورانو
5 سال پیش 5.28 مگابایت نوع : pdf بازدید : 7032 منتشرکننده : CarGeek
راهنمای تعمیرات گیربکس CVT نیسان تیانا
5 سال پیش 9.58 مگابایت نوع : pdf بازدید : 7702 منتشرکننده : CarGeek
راهنمای تعمیرات وسرویس سیستم روانکاری موتور نیسان تیانا
5 سال پیش 1.65 مگابایت نوع : pdf بازدید : 4368 منتشرکننده : CarGeek
راهنمای تعمیرات و سرویس سیستم خنک کننده موتور نیسان تیانا
5 سال پیش 2.07 مگابایت نوع : pdf بازدید : 6675 منتشرکننده : CarGeek
راهنمای تعمیرات تجهیزات الکتریکی چانگان CS35
5 سال پیش 29.63 مگابایت نوع : pdf بازدید : 5514 منتشرکننده : CarGeek
راهنمای تعمیرات بدنه درب های جانبی تندر90
5 سال پیش 1.93 مگابایت نوع : pdf بازدید : 8820 منتشرکننده : CarGeek
راهنمای بازکردن-نصب مجدد تجهیزات داخلی مگان
5 سال پیش 5.41 مگابایت نوع : pdf بازدید : 25015 منتشرکننده : CarGeek
کتاب راهنمای تعمیر و نگه داری سیستم های الکتریکی اتومبیل های صبا و نسیم (پراید)
5 سال پیش 31.65 مگابایت نوع : pdf بازدید : 14248 منتشرکننده : CarGeek
راهنمای تعمیرات سیستم سوخت رسانی نیسان تیانا
5 سال پیش 0.75 مگابایت نوع : pdf بازدید : 4869 منتشرکننده : CarGeek
راهنمای تعمیرات واحد کنترل هشدار دهنده (ACU) سمند
5 سال پیش 6.07 مگابایت نوع : pdf بازدید : 117986 منتشرکننده : CarGeek
راهنمای آموزشی رنو : تجهیزات الکترونیکی خودرو- فایل 2
5 سال پیش 24.33 مگابایت نوع : pdf بازدید : 3781 منتشرکننده : CarGeek
راهنمای آموزشی رنو : تجهیزات الکترونیکی خودرو
5 سال پیش 22.35 مگابایت نوع : pdf بازدید : 7149 منتشرکننده : CarGeek
راهنمای تعمیر و نگه داری نیسان تیانا (نیسان J32)
5 سال پیش 3.58 مگابایت نوع : pdf بازدید : 9188 منتشرکننده : CarGeek
راهنمای تعمیرات مکانیکی موتور نیسان تیانا (موتورVQ35DE-VQ25DE)
5 سال پیش 21.28 مگابایت نوع : pdf بازدید : 5508 منتشرکننده : CarGeek
راهنما و دیاگرام های سیم کشی ها و دسته سیم های مزدا3
5 سال پیش 33.18 مگابایت نوع : pdf بازدید : 6260 منتشرکننده : CarGeek
راهنمای کامل تعمیرات لیفان X60
5 سال پیش 25.9 مگابایت نوع : pdf بازدید : 37472 منتشرکننده : CarGeek
نقشه ها و راهنمای سیستم های الکتریکی MVM 110
5 سال پیش 4.76 مگابایت نوع : pdf بازدید : 83269 منتشرکننده : CarGeek
راهنمای تعمیرات سیستم سوخت رسانی MVM X33
5 سال پیش 4.51 مگابایت نوع : pdf بازدید : 14382 منتشرکننده : CarGeek
کتاب آموزشی سیستم گازسوز CNG سایپا
5 سال پیش 3.05 مگابایت نوع : pdf بازدید : 20782 منتشرکننده : CarGeek
راهنمای تعمیرات و اورهال موتور F4 رنو مگان 2000- فایل 2
5 سال پیش 22.43 مگابایت نوع : pdf بازدید : 3619 منتشرکننده : CarGeek
راهنمای تعمیرات و اورهال موتور F4 رنو مگان 2000
5 سال پیش 20.5 مگابایت نوع : pdf بازدید : 9197 منتشرکننده : CarGeek
راهنمای تعمیرات سیستم ضدسرقت (ایموبیلایزر) سراتو
5 سال پیش 5.71 مگابایت نوع : pdf بازدید : 5259 منتشرکننده : CarGeek
راهنمای تعمیرات نقشه های الکتریکی خودروی دنا
5 سال پیش 2.5 مگابایت نوع : pdf بازدید : 26009 منتشرکننده : CarGeek
راهنمای تعمیرات مدارهای الکتریکی تیبا2
5 سال پیش 5.45 مگابایت نوع : pdf بازدید : 6640 منتشرکننده : CarGeek
شناسایی و نحوه تعویض قطعات سیستم ضدسرقت (ایموبیلایزر) پراید و خانواده X100 و X200 سایپا
5 سال پیش 2.63 مگابایت نوع : pdf بازدید : 6202 منتشرکننده : CarGeek
راهنمای فنی شمع خودرو
5 سال پیش 7.78 مگابایت نوع : pdf بازدید : 7319 منتشرکننده : CarGeek
راهنمای جامع استفاده از ابزار مخصوص پراید
5 سال پیش 9.59 مگابایت نوع : pdf بازدید : 6990 منتشرکننده : CarGeek
راهنمای کارگاه مبانی الکتریسیته خودرو مقدماتی رنو
5 سال پیش 16.61 مگابایت نوع : pdf بازدید : 3843 منتشرکننده : CarGeek
راهنمای عیب یابی سیستم سوخت رسانی جانسون کنترلز پراید
5 سال پیش 7.14 مگابایت نوع : pdf بازدید : 4361 منتشرکننده : CarGeek
راهنمای عیب یابی سیستم سوخت رسانی زیمنس قدیم پراید
5 سال پیش 5.93 مگابایت نوع : pdf بازدید : 23021 منتشرکننده : CarGeek
راهنمای عیب یابی سیستم انتقال قدرت اتوماتیک رنو مگان (راهنمای اصلی)
5 سال پیش 1.22 مگابایت نوع : pdf بازدید : 4025 منتشرکننده : CarGeek
دستورالعمل تشخیص عیب بوستر ترمز پراید
5 سال پیش 0.73 مگابایت نوع : pdf بازدید : 9488 منتشرکننده : CarGeek
رویه نصب و تبدیل خودرو مزدا2000 کاربراتوری به سیستم دوگانه سوز
5 سال پیش 1.4 مگابایت نوع : pdf بازدید : 6671 منتشرکننده : CarGeek
دفترچه راهنمای مرسدس بنز اسپرینتر 314 (Mercedes-Benz Sprinter)
5 سال پیش 2.11 مگابایت نوع : pdf بازدید : 23007 منتشرکننده : CarGeek
راهنمای سرویس و نگه داری مرسدس بنز اسپرینتر 314 (Mercedes-Benz Sprinter)
5 سال پیش 1.21 مگابایت نوع : pdf بازدید : 5938 منتشرکننده : CarGeek
اطلاعات فنی موتوری مرسدس بنز اسپرینتر (Mercedes-Benz Sprinter)
5 سال پیش 7.87 مگابایت نوع : pdf بازدید : 9531 منتشرکننده : CarGeek
جزوه آموزشی تندر90 ویژه مشتریان
5 سال پیش 2.33 مگابایت نوع : pdf بازدید : 6588 منتشرکننده : CarGeek
جزوه آموزشی گیربکس دستی MA5 خودرو پژو 206
5 سال پیش 3.69 مگابایت نوع : pdf بازدید : 17768 منتشرکننده : CarGeek
جزوه آموزشی گیربکس BE3 خودروهای پژو 405 ، پارس و سمند
5 سال پیش 4.66 مگابایت نوع : pdf بازدید : 30348 منتشرکننده : CarGeek
راهنمای تعمیرات و سرویس سیستم گازسوز CNG پراید
5 سال پیش 1.72 مگابایت نوع : pdf بازدید : 14305 منتشرکننده : CarGeek
دستورالعمل تشخیص عیب میل فرمان عمودی (تلسکوپی) پراید و تعویض آن
5 سال پیش 0.4 مگابایت نوع : pdf بازدید : 10198 منتشرکننده : CarGeek
عیب یابی صدا ، لرزش و تکان در خودرو
5 سال پیش 1.07 مگابایت نوع : pdf بازدید : 3696 منتشرکننده : CarGeek
فرهنگ لغت تصویری انگلیسی خودرو
5 سال پیش 2.42 مگابایت نوع : pdf بازدید : 16992 منتشرکننده : CarGeek
راهنمای سیم کشی های الکتریکی برلیانس H220-H230
5 سال پیش 11.23 مگابایت نوع : pdf بازدید : 12231 منتشرکننده : CarGeek
راهنمای تعمیرات تجهیزات الکتریکی برلیانس H220-H230
5 سال پیش 6.99 مگابایت نوع : pdf بازدید : 5990 منتشرکننده : CarGeek
راهنمای مدارات الکتریکی سیستم سوخت رسانی ساژم و ولئو پراید
5 سال پیش 10.57 مگابایت نوع : pdf بازدید : 25394 منتشرکننده : CarGeek
راهنمای مدارات الکتریکی سیستم سوخت رسانی زیمنس پراید
5 سال پیش 10.52 مگابایت نوع : pdf بازدید : 29389 منتشرکننده : CarGeek
راهنمای تعمیرات و سرویس اکسل های جلو و عقب سراتو
5 سال پیش 8.26 مگابایت نوع : pdf بازدید : 5730 منتشرکننده : CarGeek
راهنمای تعمیرات گیربکس اتوماتیک برلیانس H220وH230 (جعبه دنده 452ASG)
5 سال پیش 20.18 مگابایت نوع : pdf بازدید : 11514 منتشرکننده : CarGeek
راهنمای عیب یابی سیستم های CPH زانتیا
5 سال پیش 3.93 مگابایت نوع : pdf بازدید : 10399 منتشرکننده : CarGeek
راهنمای آموزشی سیستم انژکتور خودرو سوزوکی گرندویتارا
5 سال پیش 2.33 مگابایت نوع : pdf بازدید : 3933 منتشرکننده : CarGeek
راهنمای آموزشی برق خودرو سوزوکی گرندویتارا
5 سال پیش 5.94 مگابایت نوع : pdf بازدید : 6867 منتشرکننده : CarGeek
راهنمای تعمیرات سیستم انتقال قدرت زانتیا (گیربکس ، دیفرانسیل ، کلاچ ، پلوس)
5 سال پیش 12.26 مگابایت نوع : pdf بازدید : 10634 منتشرکننده : CarGeek
راهنمای کامل تعمیرات مجموعه موتور و متعلقات موتور K4M رنو
5 سال پیش 19.78 مگابایت نوع : pdf بازدید : 7521 منتشرکننده : CarGeek
جزوه دوره تخصصی برق و انژکتور مگان دانشگاه صنعتی شریف
5 سال پیش 8.48 مگابایت نوع : pdf بازدید : 9200 منتشرکننده : CarGeek
آشنایی با سیستم برق خودرو پژو 206 مالتی پلکس
5 سال پیش 0.12 مگابایت نوع : pdf بازدید : 5024 منتشرکننده : CarGeek
عوامل موثر بر صدای لنت اتومبیل و راههای حذف صدا
5 سال پیش 0.16 مگابایت نوع : pdf بازدید : 3837 منتشرکننده : CarGeek
جزوه آموزشی روش شناسایی ایرادات خودرو سمند با موتور ملی EF7
5 سال پیش 1.21 مگابایت نوع : pdf بازدید : 11767 منتشرکننده : CarGeek
جزوه امدادخودرو درخصوص موتورملیef7 خودروهای سمند و دنا
5 سال پیش 5.05 مگابایت نوع : pdf بازدید : 7795 منتشرکننده : CarGeek
EF7 Engine Integration On Samand
5 سال پیش 7.31 مگابایت نوع : pdf بازدید : 7079 منتشرکننده : CarGeek
نقشه کامل سیم کشی و دسته سیم های لیفان 620
5 سال پیش 18.04 مگابایت نوع : pdf بازدید : 29098 منتشرکننده : CarGeek
جزوه دوره آموزشی کولر پراید
5 سال پیش 6.18 مگابایت نوع : pdf بازدید : 55755 منتشرکننده : CarGeek
راهنمای تعمیرات سیستم الکتریکی سیتروئن C5
5 سال پیش 1.97 مگابایت نوع : pdf بازدید : 9966 منتشرکننده : CarGeek
کنترل خشم در رانندگی
5 سال پیش 0.29 مگابایت نوع : pdf بازدید : 3043 منتشرکننده : CarGeek
دستورالعمل رفع روغن ریزی جعبه فرمان پیکان وانت
5 سال پیش 2.11 مگابایت نوع : pdf بازدید : 21487 منتشرکننده : CarGeek
راهنمای تعمیرات و سرویس سیستم سوخت رسانی انژکتوری KIA طرح زیمنس سایپا 141
5 سال پیش 10.63 مگابایت نوع : pdf بازدید : 4354 منتشرکننده : CarGeek
شرح کامل خروجی سوکت های BSM,BSI و ECUهای بوش پژو 206
5 سال پیش 1.25 مگابایت نوع : pdf بازدید : 133514 منتشرکننده : CarGeek
جزوه آموزشی سیستم دوگانه سوز CNG ایساکو
5 سال پیش 42.95 مگابایت نوع : pdf بازدید : 9829 منتشرکننده : CarGeek
راهنمای امدادخودرو درخصوص برق رنو کپچر
5 سال پیش 4.26 مگابایت نوع : pdf بازدید : 4382 منتشرکننده : CarGeek
دیاگرام های برق و سیم کشی تویوتا کمری 2007
5 سال پیش 7.7 مگابایت نوع : pdf بازدید : 18448 منتشرکننده : CarGeek
راهنمای تعمیرات گیربکس اتوماتیک پراید
5 سال پیش 15.09 مگابایت نوع : pdf بازدید : 11209 منتشرکننده : CarGeek
راهنمای تعمیرات و صافکاری بدنه رانا
5 سال پیش 43.18 مگابایت نوع : pdf بازدید : 5922 منتشرکننده : CarGeek
راهنمای صافکاری پژو 206
5 سال پیش 7.7 مگابایت نوع : pdf بازدید : 8476 منتشرکننده : CarGeek
راهنمای تعمیرات تزئینات سایپا 141
5 سال پیش 6.69 مگابایت نوع : pdf بازدید : 7039 منتشرکننده : CarGeek
راهنمای تعمیرات بدنه سایپا 141
5 سال پیش 23.91 مگابایت نوع : pdf بازدید : 5858 منتشرکننده : CarGeek
راهنمای کامل برق و الکترونیک زامیاد دیزل (وانت نیسان)
5 سال پیش 7.69 مگابایت نوع : pdf بازدید : 62237 منتشرکننده : CarGeek
راهنمای تعمیرات سیستم سوخت رسانی سراتو 2000
5 سال پیش 7.27 مگابایت نوع : pdf بازدید : 7566 منتشرکننده : CarGeek
راهنمای تعمیرات سیستم سوخت رسانی سراتو 1600
5 سال پیش 17.7 مگابایت نوع : pdf بازدید : 3986 منتشرکننده : CarGeek
راهنمای تعمیرات سیستم سوخت رسانی بوش (Bosch) پراید
5 سال پیش 3.95 مگابایت نوع : pdf بازدید : 8066 منتشرکننده : CarGeek
راهنمای تعمیرات گیربکس اتوماتیک MVM X33 - CHERY Tiggo
5 سال پیش 7.46 مگابایت نوع : pdf بازدید : 17192 منتشرکننده : CarGeek
اطلاعیه معرفی و آشنایی فنی با خودرو رنو ساندرو
5 سال پیش 1.87 مگابایت نوع : pdf بازدید : 4161 منتشرکننده : CarGeek
راهنمای تعمیرات و سرویس بدنه برلیانس H320
5 سال پیش 8.36 مگابایت نوع : pdf بازدید : 7584 منتشرکننده : CarGeek
راهنمای تعمیرات و سرویس بدنه برلیانس H330
5 سال پیش 9.92 مگابایت نوع : pdf بازدید : 6088 منتشرکننده : CarGeek
راهنمای تعمیرات سیستم خنک کننده و اگزوز موتور XU7 پژو 405 ، پارس و سمند
5 سال پیش 4.25 مگابایت نوع : pdf بازدید : 22345 منتشرکننده : CarGeek
راهنمای تعمیرات شاسی و بدنه نیسان جونیور (نیسان وانت)
5 سال پیش 2.26 مگابایت نوع : pdf بازدید : 26987 منتشرکننده : CarGeek
راهنمای تعمیرات موتور فیات سی ینا (Siena)
5 سال پیش 4.95 مگابایت نوع : pdf بازدید : 14981 منتشرکننده : CarGeek
راهنمای تعمیرات تزئینات خارجی ریو
5 سال پیش 1.04 مگابایت نوع : pdf بازدید : 8122 منتشرکننده : CarGeek
راهنمای تعمیرات تزئینات داخلی ریو
5 سال پیش 2.21 مگابایت نوع : pdf بازدید : 15397 منتشرکننده : CarGeek
راهنمای تعمیرات و عیب یابی جعبه دنده خودکار (گیربکس اتوماتیک) سراتو- فایل 2
5 سال پیش 22.95 مگابایت نوع : pdf بازدید : 3884 منتشرکننده : CarGeek
راهنمای تعمیرات و عیب یابی جعبه دنده خودکار (گیربکس اتوماتیک) سراتو
5 سال پیش 8.45 مگابایت نوع : pdf بازدید : 8122 منتشرکننده : CarGeek
راهنمای تعمیرات گیربکس دستی سراتو
5 سال پیش 4.66 مگابایت نوع : pdf بازدید : 4087 منتشرکننده : CarGeek
راهنمای الکتریکال و تعمیرات قطعات الکتریکی موتور سمند (EFP-EF7 EMS Siemens Petrol MUX)
5 سال پیش 5.46 مگابایت نوع : pdf بازدید : 11643 منتشرکننده : CarGeek
راهنمای دانلود ECU خودروهای داخلی با دستگاه دیاگ
5 سال پیش 0.41 مگابایت نوع : pdf بازدید : 8105 منتشرکننده : CarGeek
راهنمای تعمیرات تعلیق ، انتقال نیرو/اکسل ، ترمز و فرمان مزدا3
5 سال پیش 11.72 مگابایت نوع : pdf بازدید : 6766 منتشرکننده : CarGeek
راهنمای تعمیرات و سرویس مدارهای الکتریکی سراتو
5 سال پیش 22.72 مگابایت نوع : pdf بازدید : 9283 منتشرکننده : CarGeek
راهنمای تعمیرات موتور سواری مزدا 323 GLX
5 سال پیش 15.66 مگابایت نوع : pdf بازدید : 9925 منتشرکننده : CarGeek
راهنمای تعمیرات گیربکس اتوماتیک ریو (F4E-K)
5 سال پیش 13.94 مگابایت نوع : pdf بازدید : 7353 منتشرکننده : CarGeek
راهنمای تعمیرات تجهیزات الکتریکی ریو
5 سال پیش 4.27 مگابایت نوع : pdf بازدید : 7481 منتشرکننده : CarGeek
راهنمای عیب یابی مجموعه موتور ریو
5 سال پیش 1.02 مگابایت نوع : pdf بازدید : 7084 منتشرکننده : CarGeek
راهنمای تعمیرات سیستم موتور ریو
5 سال پیش 4.59 مگابایت نوع : pdf بازدید : 11144 منتشرکننده : CarGeek
راهنمای تعمیرات و سرویس موتور CNG تیبا
5 سال پیش 9.61 مگابایت نوع : pdf بازدید : 7226 منتشرکننده : CarGeek
راهنمای تعمیرات سیستم هیدرولیک تعلیق زانتیا
5 سال پیش 9.46 مگابایت نوع : pdf بازدید : 12449 منتشرکننده : CarGeek
راهنمای تعمیرات سیستم هیدرولیک ترمز زانتیا
5 سال پیش 5.17 مگابایت نوع : pdf بازدید : 19131 منتشرکننده : CarGeek
راهنمای تعمیرات مدارها و تجهیزات جانبی الکتریکی زانتیا
5 سال پیش 8.68 مگابایت نوع : pdf بازدید : 9562 منتشرکننده : CarGeek
راهنمای تعمیرات تزئینات زانتیا
5 سال پیش 10.06 مگابایت نوع : pdf بازدید : 13759 منتشرکننده : CarGeek
راهنمای تعمیرات بدنه زانتیا
5 سال پیش 20.75 مگابایت نوع : pdf بازدید : 12800 منتشرکننده : CarGeek
راهنمای سیستم جرقه زنی و انژکتور Magneti Marelli 6LPA
5 سال پیش 0.7 مگابایت نوع : pdf بازدید : 8060 منتشرکننده : CarGeek
راهنمای سیستم سوخت رسانی و استراتژی ECU موتور مگنت مارلی MM6LPB موتور EW10Aو EW7A پژو 407
5 سال پیش 1.7 مگابایت نوع : pdf بازدید : 4307 منتشرکننده : CarGeek
راهنمای تعمیرات و عیب یابی گیرکس اتوماتیک و سیستم کلاچ هیدرولیک پژو 407
5 سال پیش 4.64 مگابایت نوع : pdf بازدید : 3831 منتشرکننده : CarGeek
راهنمای کامل تعمیرات خودرو گل
5 سال پیش 32.79 مگابایت نوع : pdf بازدید : 36952 منتشرکننده : CarGeek
جزوه آموزشی سیستم تعلیق پژو405 ،پژو پارس ،سمند و پژو206
5 سال پیش 4.84 مگابایت نوع : pdf بازدید : 20617 منتشرکننده : CarGeek
راهنمای کامل تعمیرات مزدا 323 FL
5 سال پیش 41.92 مگابایت نوع : pdf بازدید : 25348 منتشرکننده : CarGeek
راهنمای سرویس و تعمیرات سیستم فرمان هیدرولیک پراید
5 سال پیش 1.95 مگابایت نوع : pdf بازدید : 21394 منتشرکننده : CarGeek
سیستم جرقه زنی الکتریکی خودرو
5 سال پیش 3.1 مگابایت نوع : pdf بازدید : 5374 منتشرکننده : CarGeek
اساس کار و اصول تعمیر موتورهای دیزل
5 سال پیش 5.04 مگابایت نوع : pdf بازدید : 11578 منتشرکننده : CarGeek
راهنمای تعمیرات موتور لیفان 620
5 سال پیش 11.58 مگابایت نوع : pdf بازدید : 18899 منتشرکننده : CarGeek
راهنمای تعمیرات گیربکس لیفان 620
5 سال پیش 3.85 مگابایت نوع : pdf بازدید : 10874 منتشرکننده : CarGeek
راهنمای امدادخودرو سمند و سورن مالتی پلکس
5 سال پیش 19.49 مگابایت نوع : pdf بازدید : 54564 منتشرکننده : CarGeek
آشنایی با سیستم دوگانه سوز Continentalکروز (Bi-Fuel)
5 سال پیش 1.37 مگابایت نوع : pdf بازدید : 6514 منتشرکننده : CarGeek
راهنمای کنترل یونیت ها و جعبه فیوزهای محصولات ایران خودرو
5 سال پیش 6.56 مگابایت نوع : pdf بازدید : 33869 منتشرکننده : CarGeek
دیاگرام های سیستم های برق خودروهای پژو پارس ، 405 و آردی
5 سال پیش 6.52 مگابایت نوع : pdf بازدید : 19458 منتشرکننده : CarGeek
دستورالعمل عیب یابی گیربکس BE
5 سال پیش 0.63 مگابایت نوع : pdf بازدید : 6450 منتشرکننده : CarGeek
معرفی اجزاء و انواع عملگرها در سیستم انژکتوری خودرو
5 سال پیش 3.06 مگابایت نوع : pdf بازدید : 4485 منتشرکننده : CarGeek
اصول عملکرد توربوشارژ
5 سال پیش 3.61 مگابایت نوع : pdf بازدید : 7803 منتشرکننده : CarGeek
راهنمای انواع ECU نصب شده روی خودروهای ایرانی
5 سال پیش 3.37 مگابایت نوع : pdf بازدید : 63881 منتشرکننده : CarGeek
جزوه دوره آموزشی تعمیرات ECU
5 سال پیش 11.47 مگابایت نوع : pdf بازدید : 5512 منتشرکننده : CarGeek
جزوه کلاس تعمیرات ECU
5 سال پیش 4.52 مگابایت نوع : pdf بازدید : 8129 منتشرکننده : CarGeek
جزوه کلاس تعمیر ECU
5 سال پیش 3.31 مگابایت نوع : pdf بازدید : 8980 منتشرکننده : CarGeek
معرفی و راهنمای فنی موتورهای پژو 206
5 سال پیش 5.16 مگابایت نوع : pdf بازدید : 6323 منتشرکننده : CarGeek
فلوچارت عیب یابی "کیلومترشمار کار نمی کند"
5 سال پیش 1.03 مگابایت نوع : pdf بازدید : 52894 منتشرکننده : CarGeek
نقشه شماتیک مولتی پلکس (Node CCN - SMS MUX)
5 سال پیش 17.47 مگابایت نوع : pdf بازدید : 28668 منتشرکننده : CarGeek
همه چیز راجع به روغن موتور و روانکار موتوری
5 سال پیش 0.98 مگابایت نوع : pdf بازدید : 3730 منتشرکننده : CarGeek
نحوه صحیح درآوردن و جازدن بلبرینگ چرخ جلو پژو 405 ، پارس ، سمند و دنا
5 سال پیش 0.53 مگابایت نوع : pdf بازدید : 24951 منتشرکننده : CarGeek
مکانیزم عملکرد و راهنمای تعمیرات موتور 4سیلندر MVM110 (موتور SQR 472)
5 سال پیش 0.94 مگابایت نوع : pdf بازدید : 5641 منتشرکننده : CarGeek
نقشه سوخت و جرقه ECU مگنت مارلی
5 سال پیش 0.21 مگابایت نوع : pdf بازدید : 10879 منتشرکننده : CarGeek
نقشه شماتیک ECU Bosch ME 7.4.9 SMS MUX موتور EF7
5 سال پیش 14.65 مگابایت نوع : pdf بازدید : 26906 منتشرکننده : CarGeek
معرفی گیربکس CVT سوزوکی کیزاشی
5 سال پیش 3.4 مگابایت نوع : pdf بازدید : 3729 منتشرکننده : CarGeek
سیستم های انژکتوری دیزل بوش
5 سال پیش 0.72 مگابایت نوع : pdf بازدید : 5246 منتشرکننده : CarGeek
نقشه کامل برق ECU Bosch MP 7.3
5 سال پیش 1.04 مگابایت نوع : pdf بازدید : 42678 منتشرکننده : CarGeek
معرفی فرمان برقی سوزوکی کیزاشی
5 سال پیش 1.6 مگابایت نوع : pdf بازدید : 3728 منتشرکننده : CarGeek
معرفی خودرو پژو 206 مالتی پلکس سازه پویش
5 سال پیش 0.72 مگابایت نوع : pdf بازدید : 6967 منتشرکننده : CarGeek
جزوه راهنمای تعمیرات ECU زیمنس
5 سال پیش 2.85 مگابایت نوع : pdf بازدید : 6979 منتشرکننده : CarGeek
راهنمای تعمیرات گاردان و دیفرانسیل نیسان پاترول
5 سال پیش 1.79 مگابایت نوع : pdf بازدید : 14786 منتشرکننده : CarGeek
جزوه مبانی اصلی آموزش موتور رنو
5 سال پیش 22.54 مگابایت نوع : pdf بازدید : 5390 منتشرکننده : CarGeek
راهنمای تعمیرات سیستم های الکتریکی و تزیینات خودرو جک توجوی
5 سال پیش 41.39 مگابایت نوع : pdf بازدید : 10369 منتشرکننده : CarGeek
راهنمای تعمیرات سیستم ضدسرقت (ایموبیلایزر) پراید
5 سال پیش 3.49 مگابایت نوع : pdf بازدید : 6698 منتشرکننده : CarGeek
راهنمای تعمیرات گیربکس اتوماتیک پروتون Gen-2
5 سال پیش 17.4 مگابایت نوع : pdf بازدید : 6923 منتشرکننده : CarGeek
معرفی و عیب یابی سیستم سوخت رسانی و جرقه Bosch ME 7.4.4 پژو 206
5 سال پیش 4.5 مگابایت نوع : pdf بازدید : 6223 منتشرکننده : CarGeek
راهنما و عیب یابی اجزاء سیستم سوخت رسانی انژکتوری جدید پراید
5 سال پیش 16.26 مگابایت نوع : pdf بازدید : 16168 منتشرکننده : CarGeek
معرفی سیستم جدید انژکتوری خودروی پراید (زیمنس)
5 سال پیش 35.65 مگابایت نوع : pdf بازدید : 9949 منتشرکننده : CarGeek
نقشه های الکتریکی پژو 207i
5 سال پیش 1.15 مگابایت نوع : pdf بازدید : 41434 منتشرکننده : CarGeek
کتابچه راهنمای تعمیرات لیفان X60 (گیربکس،تعلیق،فرمان و ترمز ABS)
5 سال پیش 14.13 مگابایت نوع : pdf بازدید : 19237 منتشرکننده : CarGeek
راهنمای تعمیرات و عیب یابی صندلی برقی پژو پارس ELX
5 سال پیش 10.34 مگابایت نوع : pdf بازدید : 25589 منتشرکننده : CarGeek
دستورالعمل معرفی و عیب یابی گیربکس اتوماتیک با موتور TU5 پژو پارس
5 سال پیش 1.64 مگابایت نوع : pdf بازدید : 10764 منتشرکننده : CarGeek
راهنمای تعمیرات مدارها و سیستم های الکتریکی پژو پارس ELX
5 سال پیش 10.36 مگابایت نوع : pdf بازدید : 25558 منتشرکننده : CarGeek
راهنمای تعمیرات کیسه هوای محافظ (ایربگ) و کمربند ایمنی پژو 206
5 سال پیش 2.17 مگابایت نوع : pdf بازدید : 10962 منتشرکننده : CarGeek
راهنمای تعمیرات هیوندای آوانته (الانترا نسل سوم)
5 سال پیش 58.49 مگابایت نوع : pdf بازدید : 20720 منتشرکننده : CarGeek
جزوه آموزشی نقشه خوانی برق کیا و هیوندای
5 سال پیش 0.92 مگابایت نوع : pdf بازدید : 53312 منتشرکننده : CarGeek
راهنمای نقشه های سیستم های الکتریکی جک S5
5 سال پیش 5 مگابایت نوع : pdf بازدید : 32688 منتشرکننده : CarGeek
راهنمای تعمیرات مدارهای الکتریکی پژو RD
5 سال پیش 5.25 مگابایت نوع : pdf بازدید : 39520 منتشرکننده : CarGeek
راهنمای تعمیرات موتور TU3 خودرو پژو 206
5 سال پیش 9.72 مگابایت نوع : pdf بازدید : 32812 منتشرکننده : CarGeek
معرفی رله ها و فیوزها در خودروهای مجهز به سیستم الکتریکی CEC (پژو پارس)
5 سال پیش 0.87 مگابایت نوع : pdf بازدید : 105743 منتشرکننده : CarGeek
نقشه های کامل سیم کشی و دسته سیم های لیفان X60
5 سال پیش 27.51 مگابایت نوع : pdf بازدید : 33609 منتشرکننده : CarGeek
راهنمای کامل تعمیرات تجهیزات الکترونیکی و برق مگان
5 سال پیش 3.79 مگابایت نوع : pdf بازدید : 10060 منتشرکننده : CarGeek
راهنمای تعمیرات تعلیق، سیستم فرمان و ترمز پژو 206
5 سال پیش 13.67 مگابایت نوع : pdf بازدید : 10973 منتشرکننده : CarGeek
دسته سیم ها و محل نصب قطعات تندر90 + لیست قطعات برقی- فایل 2
5 سال پیش 0.06 مگابایت نوع : pdf بازدید : 3982 منتشرکننده : CarGeek
دسته سیم ها و محل نصب قطعات تندر90 + لیست قطعات برقی
5 سال پیش 0.77 مگابایت نوع : pdf بازدید : 18482 منتشرکننده : CarGeek
جزوه آموزشی تعمیر موتور ملی EF7 ایساکو
5 سال پیش 3.02 مگابایت نوع : pdf بازدید : 10956 منتشرکننده : CarGeek
راهنمای تعمیرات خودرو سمند با موتور ملی EF7
5 سال پیش 7.45 مگابایت نوع : pdf بازدید : 10858 منتشرکننده : CarGeek
جزوه مهارت گیربکس اتوماتیک و نیمه اتوماتیک رنو
5 سال پیش 21.5 مگابایت نوع : pdf بازدید : 6726 منتشرکننده : CarGeek
راهنمای تعمیرات وانت مزدا B2000i
5 سال پیش 31.04 مگابایت نوع : pdf بازدید : 113972 منتشرکننده : CarGeek
راهنمای تعریف و کددهی انواع ریموت های دستی ایرانخودرو و سایپا بدون دستگاه
5 سال پیش 2.61 مگابایت نوع : pdf بازدید : 71235 منتشرکننده : CarGeek
راهنمای تعمیرات مدارات الکتریکی و نقشه های پارس LX با موتور TU5
5 سال پیش 17.4 مگابایت نوع : pdf بازدید : 32377 منتشرکننده : CarGeek
راهنمای تعمیرات سیستم کنترل آلایندگی هیوندای آزرا نسل چهارم
5 سال پیش 0.65 مگابایت نوع : pdf بازدید : 3637 منتشرکننده : CarGeek
راهنمای تعمیرات سیستم سوخت رسانی هیوندای آزرا نسل چهارم
5 سال پیش 9.51 مگابایت نوع : pdf بازدید : 9162 منتشرکننده : CarGeek
راهنمای اطلاعات عمومی تعمیرات هیوندای آزرا نسل چهارم
5 سال پیش 0.68 مگابایت نوع : pdf بازدید : 12778 منتشرکننده : CarGeek
راهنمای تعمیرات سیستم الکتریکی موتور Lambda MPi G6DB3.3,G6DA3.8 هیوندای و کیا (آزرا/سانتافه/سوناتا/سورنتو/اپیروس...)
5 سال پیش 1.74 مگابایت نوع : pdf بازدید : 8899 منتشرکننده : CarGeek
راهنمای تعمیرات موتور Lambda MPi G6DB3.3,G6DA3.8 هیوندای و کیا (آزرا/سانتافه/سوناتا/سورنتو/اپیروس...)
5 سال پیش 11.14 مگابایت نوع : pdf بازدید : 18311 منتشرکننده : CarGeek
راهنمای سیستم کنترل موتور نیسان ماکسیما- فایل 2
5 سال پیش 3.42 مگابایت نوع : pdf بازدید : 6571 منتشرکننده : CarGeek
راهنمای سیستم کنترل موتور نیسان ماکسیما
5 سال پیش 5.63 مگابایت نوع : pdf بازدید : 11827 منتشرکننده : CarGeek
راهنمای تعمیرات گیربکس معمولی ماکسیما
5 سال پیش 1.75 مگابایت نوع : pdf بازدید : 5990 منتشرکننده : CarGeek
راهنمای تعمیرات سیستم کنترل گاز،سوخت و اگزوز ماکسیما
5 سال پیش 0.34 مگابایت نوع : pdf بازدید : 7095 منتشرکننده : CarGeek
راهنمای تعمیرات ترمز نیسان ماکسیما
5 سال پیش 1.83 مگابایت نوع : pdf بازدید : 6490 منتشرکننده : CarGeek
راهنمای تعمیرات اکسل جلو و عقب نیسان ماکسیما
5 سال پیش 0.71 مگابایت نوع : pdf بازدید : 5217 منتشرکننده : CarGeek
راهنمای تعمیرات سیستم فرمان نیسان ماکسیما
5 سال پیش 0.86 مگابایت نوع : pdf بازدید : 8479 منتشرکننده : CarGeek
راهنمای تعمیرات و سرویس موتورسیکلت CG125 و CG110
5 سال پیش 0.96 مگابایت نوع : pdf بازدید : 31556 منتشرکننده : CarGeek
راهنمای گشتاور پیچ های خودرو رانا
5 سال پیش 9.51 مگابایت نوع : pdf بازدید : 18339 منتشرکننده : CarGeek
راهنمای عیب یابی و رفع عیب گاردان پژو روآ OHV و وانت 1600
5 سال پیش 0.34 مگابایت نوع : pdf بازدید : 7950 منتشرکننده : CarGeek
راهنمای تعمیرات بدنه وانت پیکان
5 سال پیش 8.68 مگابایت نوع : pdf بازدید : 18601 منتشرکننده : CarGeek
راهنمای تعمیرات سیستم سوخت رسانی و جرقه پژو RD و پیکان (SAGEM SL96 , S2000 و Siemens)
5 سال پیش 4.15 مگابایت نوع : pdf بازدید : 110020 منتشرکننده : CarGeek
راهنمای تعمیرات موتور پایه گازسوز OHVG2 پژو روآ و وانت پیکان یورو4
5 سال پیش 8.52 مگابایت نوع : pdf بازدید : 11257 منتشرکننده : CarGeek
راهنمای تعمیرات و عیب یابی سیستم ABS MANDO پژو405 ، پارس و سمند
5 سال پیش 5.06 مگابایت نوع : pdf بازدید : 23017 منتشرکننده : CarGeek
راهنمای تزئینات (داشبورد ،صندلی،پنجره ها و ...) پیکان و وانت پیکان
5 سال پیش 1.54 مگابایت نوع : pdf بازدید : 18256 منتشرکننده : CarGeek
راهنمای تعمیرات سیستم کنترل آلایندگی (کاتالیست/سنسور اکسیژن/کنیستر) خودروهای پژو405 ،پارس ،سمند- فایل 2
5 سال پیش 29.2 مگابایت نوع : pdf بازدید : 4525 منتشرکننده : CarGeek
راهنمای تعمیرات سیستم کنترل آلایندگی (کاتالیست/سنسور اکسیژن/کنیستر) خودروهای پژو405 ،پارس ،سمند
5 سال پیش 4.21 مگابایت نوع : pdf بازدید : 10517 منتشرکننده : CarGeek
راهنمای تعمیرات و باز و بست قطعات گازسوز پژو RD، روآ و وانت پیکان
5 سال پیش 3.72 مگابایت نوع : pdf بازدید : 21608 منتشرکننده : CarGeek
راهنمای تعمیرات سیستم الکتریکی موتور ریو
5 سال پیش 2.06 مگابایت نوع : pdf بازدید : 5233 منتشرکننده : CarGeek
راهنمای مکانیزم ها و تجهیزات ، آب بندی و صداگیری و پوشش داخلی و تودوزی تندر90
5 سال پیش 5.25 مگابایت نوع : pdf بازدید : 5214 منتشرکننده : CarGeek
راهنمای تعمیرات تجهیزات الکتریکی وانت پیکان
5 سال پیش 2.5 مگابایت نوع : pdf بازدید : 61823 منتشرکننده : CarGeek
راهنمای کامل تعمیر مدارات الکتریکی سورن
5 سال پیش 21.76 مگابایت نوع : pdf بازدید : 3827 منتشرکننده : CarGeek
راهنمای تعمیرات JAC J5 (جک جی5)
5 سال پیش 14.04 مگابایت نوع : pdf بازدید : 62074 منتشرکننده : CarGeek
راهنمای سیستم سوخت رسانی انژکتوری زانتیا (MP 5.2 و MP 7.3)
5 سال پیش 10.94 مگابایت نوع : pdf بازدید : 13102 منتشرکننده : CarGeek
نقشه های الکتریکی خودرو رانا ECO MUX
5 سال پیش 3.06 مگابایت نوع : pdf بازدید : 25579 منتشرکننده : CarGeek
راهنمای تعمیرات و عیب یابی سیستم تهویه اتوماتیک سورن ELX
5 سال پیش 1.57 مگابایت نوع : pdf بازدید : 36065 منتشرکننده : CarGeek
اصول کمک های اولیه و احیاء
5 سال پیش 8.53 مگابایت نوع : pdf بازدید : 4119 منتشرکننده : CarGeek
راهنمای تعمیرات سیستم تعلیق ریو
5 سال پیش 8.89 مگابایت نوع : pdf بازدید : 7180 منتشرکننده : CarGeek
راهنمای تعمیرات و سرویس ترمز ABS پژو 405 ، پارس و سمند
5 سال پیش 5.08 مگابایت نوع : pdf بازدید : 48183 منتشرکننده : CarGeek
راهنمای تعمیرات مجموعه موتور تیبا
5 سال پیش 8.53 مگابایت نوع : pdf بازدید : 29194 منتشرکننده : CarGeek
راهنمای تعمیرات سیستم سوخت رسانی نیسان پاترول
5 سال پیش 0.87 مگابایت نوع : pdf بازدید : 26513 منتشرکننده : CarGeek
راهنمای تعمیرات سیستم برق نیسان پاترول
5 سال پیش 2.54 مگابایت نوع : pdf بازدید : 34980 منتشرکننده : CarGeek
کتابچه همراه تعمیرکاران سایپا تیبا
5 سال پیش 7.41 مگابایت نوع : pdf بازدید : 11044 منتشرکننده : CarGeek
راهنمای کامل تعمیرات موسو (SsangYong Musso)
5 سال پیش 24.32 مگابایت نوع : pdf بازدید : 25972 منتشرکننده : CarGeek
آموزش تصویری نصب و راه اندازی کروزکنترل پژو 206
5 سال پیش 0.65 مگابایت نوع : pdf بازدید : 23940 منتشرکننده : CarGeek
جزوه دوره آموزشی سیستم موبایل هندزفری مخصوص خودروهای سفارشی ایرانخودرو
5 سال پیش 1.16 مگابایت نوع : pdf بازدید : 5254 منتشرکننده : CarGeek
کتاب آشنایی با تعمیر و نگه داری خودرو برای مبتدیان (The Crawfords Auto Repair Guide to Beginners Auto Maintenance & Repair)
5 سال پیش 4.6 مگابایت نوع : pdf بازدید : 3909 منتشرکننده : CarGeek
راهنمای رنو برای عیب یابی صدای خودرو
5 سال پیش 5.01 مگابایت نوع : pdf بازدید : 4131 منتشرکننده : CarGeek
معرفی موتور EW10A پژو 407
5 سال پیش 4.89 مگابایت نوع : pdf بازدید : 8676 منتشرکننده : CarGeek
مشخصات (دیتاشیت) موتور EW10A پژو 407
5 سال پیش 1.6 مگابایت نوع : pdf بازدید : 3989 منتشرکننده : CarGeek
عیب یابی راهنما و فلاشر پژو 206 و 207i
5 سال پیش 0.61 مگابایت نوع : pdf بازدید : 49775 منتشرکننده : CarGeek
راهنمای کامل BSI پژو 206
5 سال پیش 6.67 مگابایت نوع : pdf بازدید : 55760 منتشرکننده : CarGeek
آشنایی با سیستم انژکتوری و سنسورها و عملگرهای آن
5 سال پیش 0.85 مگابایت نوع : pdf بازدید : 7441 منتشرکننده : CarGeek
مراحل تشخیص صحت عملکرد BSI در کامپیوتر سفری پژو 206
5 سال پیش 0.52 مگابایت نوع : pdf بازدید : 5242 منتشرکننده : CarGeek
آشنایی با سنسور سرعت خودرو
5 سال پیش 0.93 مگابایت نوع : pdf بازدید : 6000 منتشرکننده : CarGeek
راهنمای تعمیرات و سرویس بدنه و تزئینات تیبا
5 سال پیش 22.1 مگابایت نوع : pdf بازدید : 13692 منتشرکننده : CarGeek
آشنایی با سنسور دور موتور
5 سال پیش 0.9 مگابایت نوع : pdf بازدید : 5046 منتشرکننده : CarGeek
روش عیب یابی سنسور اکسیژن پژو 206 و 207i
5 سال پیش 0.27 مگابایت نوع : pdf بازدید : 16706 منتشرکننده : CarGeek
نحوه بررسی و عیب یابی کویل پژو 206و 207i
5 سال پیش 0.33 مگابایت نوع : pdf بازدید : 44376 منتشرکننده : CarGeek
راهنمای تعمیرات و سرویس سیستم سوخت رسانی سایپا تیبا
5 سال پیش 11.28 مگابایت نوع : pdf بازدید : 7197 منتشرکننده : CarGeek
راهنمای سیستم سوخت رسانی تیبا یورو4 (مگاموتور)
5 سال پیش 1.63 مگابایت نوع : pdf بازدید : 14669 منتشرکننده : CarGeek
راهنمای تعمیرات و سرویس مجموعه موتور BM15L خودروهای گروه H200وH300 سایپا
5 سال پیش 6.56 مگابایت نوع : pdf بازدید : 7872 منتشرکننده : CarGeek
کتاب Automotive Microelectronics شرکت Bosch
5 سال پیش 1.55 مگابایت نوع : pdf بازدید : 3452 منتشرکننده : CarGeek
راهنمای تشخیص صحت عملکرد BSI در عیب یابی آمپر پژو 206 و 207i
5 سال پیش 0.61 مگابایت نوع : pdf بازدید : 12561 منتشرکننده : CarGeek
راهنمای عیب یابی سیستم انتقال قدرت اتوماتیک رنو مگان
5 سال پیش 1.98 مگابایت نوع : pdf بازدید : 6560 منتشرکننده : CarGeek
شرح دیود و آلترناتور در سیستم های الکتریکی خودرو
5 سال پیش 3.21 مگابایت نوع : pdf بازدید : 3959 منتشرکننده : CarGeek
اطلاعیه فنی بالا نرفتن دور موتور در خودروهای MG
5 سال پیش 0.74 مگابایت نوع : pdf بازدید : 6596 منتشرکننده : CarGeek
آشنایی با مونتاژ،عیب یابی و رفع عیب سیستم سوخت رسانی سوزوکی گرندویتارا
5 سال پیش 0.55 مگابایت نوع : pdf بازدید : 4323 منتشرکننده : CarGeek
عیب یابی لرزش های خودرو
5 سال پیش 0.71 مگابایت نوع : pdf بازدید : 5575 منتشرکننده : CarGeek
نقشه BCM رانا ECO MUX
5 سال پیش 1.57 مگابایت نوع : pdf بازدید : 13189 منتشرکننده : CarGeek
اطلاعات عمومی تعمیرات و راهنمای تعمیر موتور مزدا2
5 سال پیش 13.19 مگابایت نوع : pdf بازدید : 5483 منتشرکننده : CarGeek
اطلاعیه رسمی روش ریست نمودن BSI پژو 206 و 207
5 سال پیش 0.25 مگابایت نوع : pdf بازدید : 37577 منتشرکننده : CarGeek
معرفی و راهنمای موتورهای پژو206 (TU3وTU5)
5 سال پیش 5.1 مگابایت نوع : pdf بازدید : 7054 منتشرکننده : CarGeek
راهنمای نقشه های شماتیک الکتریکی سورن ELX
5 سال پیش 0.97 مگابایت نوع : pdf بازدید : 15411 منتشرکننده : CarGeek
راهنمای تعمیرات و سرویس سیستم انتقال قدرت تیبا (کلاچ،گیربکس،پلوس)
5 سال پیش 21.55 مگابایت نوع : pdf بازدید : 11102 منتشرکننده : CarGeek
راهنمای تعمیرات مدارهای الکتریکی تندر90
5 سال پیش 2.53 مگابایت نوع : pdf بازدید : 13766 منتشرکننده : CarGeek
جزوه آموزشی سیستم دوگانه سوز CNG
5 سال پیش 17.83 مگابایت نوع : pdf بازدید : 20458 منتشرکننده : CarGeek
راهنمای تعمیرات لیفان X60 (سیستم های الکتریکی،بدنه،تزئینات)
5 سال پیش 9.51 مگابایت نوع : pdf بازدید : 59935 منتشرکننده : CarGeek
معرفی و آشنایی گیربکس اتوماتیک(مزدا یدک)
5 سال پیش 2.35 مگابایت نوع : pdf بازدید : 4406 منتشرکننده : CarGeek
راهنمای نقشه های الکتریکی پژو 206 فاز1 (ECO MUX)
5 سال پیش 6.31 مگابایت نوع : pdf بازدید : 30145 منتشرکننده : CarGeek
راهنمای نقشه های الکتریکی پژو 206 فاز0 (206جدید ایرانی)
5 سال پیش 4.82 مگابایت نوع : pdf بازدید : 13312 منتشرکننده : CarGeek
راهنمای تعمیرات تزئینات داخلی سمند
5 سال پیش 6.94 مگابایت نوع : pdf بازدید : 35152 منتشرکننده : CarGeek
راهنمای تعمیرات نیسان مورانو
5 سال پیش 15.18 مگابایت نوع : pdf بازدید : 15616 منتشرکننده : CarGeek
عیب یابی موتور از طریق رنگ دود اگزوز
5 سال پیش 0.64 مگابایت نوع : pdf بازدید : 6319 منتشرکننده : CarGeek
راهنمای آموزش تخصصی سیستم ضدسرقت رنو (تندر90،مگان،...)
5 سال پیش 10.26 مگابایت نوع : pdf بازدید : 4481 منتشرکننده : CarGeek
معرفی و نقشه ایموبیلایزر جدید CIM پژو 405،پارس و سمند
5 سال پیش 0.43 مگابایت نوع : pdf بازدید : 7546 منتشرکننده : CarGeek
راهنمای تعمیرات موتور و EMS سوزوکی گرندویتارا 2400
5 سال پیش 20.12 مگابایت نوع : pdf بازدید : 9805 منتشرکننده : CarGeek
راهنمای تعمیرات سیستم روغنکاری و خنک کننده موتور جیپ صحرا
5 سال پیش 1.47 مگابایت نوع : pdf بازدید : 12191 منتشرکننده : CarGeek
آشنایی با علائم الکتریکی و طریقه نقشه خوانی در برق خودرو
5 سال پیش 3.15 مگابایت نوع : pdf بازدید : 9601 منتشرکننده : CarGeek
معرفی سیستم ایموبیلایزر Continental
5 سال پیش 2.47 مگابایت نوع : pdf بازدید : 4513 منتشرکننده : CarGeek
دستورالعمل معرفی و عیب یابی تعریف کلید ایموبیلایزر CIM کلیه خودروها
5 سال پیش 0.66 مگابایت نوع : pdf بازدید : 7345 منتشرکننده : CarGeek
راهنمای تعمیرات ECU (موتورآزما ثمین)
5 سال پیش 2.95 مگابایت نوع : pdf بازدید : 13123 منتشرکننده : CarGeek
راهنمای تعمیرات اکسل جلو و عقب جیپ صحرا- فایل 2
5 سال پیش 2.7 مگابایت نوع : pdf بازدید : 5178 منتشرکننده : CarGeek
راهنمای تعمیرات اکسل جلو و عقب جیپ صحرا
5 سال پیش 1.88 مگابایت نوع : pdf بازدید : 5871 منتشرکننده : CarGeek
دلایل شاتون زدن یا شکسته شدن شاتون
5 سال پیش 3.44 مگابایت نوع : pdf بازدید : 10352 منتشرکننده : CarGeek
نقشه های سیم کشی های الکتریکی مزدا 323- فایل 2
5 سال پیش 5.95 مگابایت نوع : pdf بازدید : 7281 منتشرکننده : CarGeek
نقشه های سیم کشی های الکتریکی مزدا 323
5 سال پیش 7.14 مگابایت نوع : pdf بازدید : 21928 منتشرکننده : CarGeek
راهنمای تعمیرات سیستم هوشمند CEC پژو پارس
5 سال پیش 2.25 مگابایت نوع : pdf بازدید : 20815 منتشرکننده : CarGeek
راهنمای آموزش موتور و گیربکس تندر90
5 سال پیش 2.63 مگابایت نوع : pdf بازدید : 7031 منتشرکننده : CarGeek
راهنمای تعمیرات و سرویس تجهیزات الکتریکی زانتیا
5 سال پیش 5.05 مگابایت نوع : pdf بازدید : 10198 منتشرکننده : CarGeek
آشنایی با موتور خودرو سوزوکی (گرندویتارا-J20)
5 سال پیش 1.73 مگابایت نوع : pdf بازدید : 4112 منتشرکننده : CarGeek
راهنمای تعمیرات سیستم فرمان نیسان پیکاپ
5 سال پیش 1.68 مگابایت نوع : pdf بازدید : 7114 منتشرکننده : CarGeek
انژکتور دیزلی
5 سال پیش 1.95 مگابایت نوع : pdf بازدید : 8009 منتشرکننده : CarGeek
راهنمای فنی رسمی سیتروئن برای گیربکس اتوماتیک AL4
5 سال پیش 1.45 مگابایت نوع : pdf بازدید : 6742 منتشرکننده : CarGeek
راهنمای تعمیرات اکسل و سیستم تعلیق جلو و عقب نیسان پیکاپ- فایل 2
5 سال پیش 0.67 مگابایت نوع : pdf بازدید : 4096 منتشرکننده : CarGeek
راهنمای تعمیرات اکسل و سیستم تعلیق جلو و عقب نیسان پیکاپ
5 سال پیش 1.93 مگابایت نوع : pdf بازدید : 7646 منتشرکننده : CarGeek
راهنمای تعمیرات کلاچ و گیربکس پراید
5 سال پیش 5.89 مگابایت نوع : pdf بازدید : 22184 منتشرکننده : CarGeek
راهنمای تعمیرات جعبه دنده معمولی تندر90
5 سال پیش 4.72 مگابایت نوع : pdf بازدید : 13736 منتشرکننده : CarGeek
اصول رانندگی حرفه ای و نگهداری از خودرو به زبان ساده
5 سال پیش 6.57 مگابایت نوع : pdf بازدید : 3774 منتشرکننده : CarGeek
راهنمای تعمیرات ، معرفی و جانمایی دسته سیم ها و نقشه های الکتریکی خودرو هایما S7
5 سال پیش 18.79 مگابایت نوع : pdf بازدید : 5319 منتشرکننده : CarGeek
جزوه آموزشی سیستم های الکتریکی خودرو هایما S7
5 سال پیش 4.39 مگابایت نوع : pdf بازدید : 7697 منتشرکننده : CarGeek
جزوه آموزشی گیربکس اتوماتیک خودروی هایما S7
5 سال پیش 2.17 مگابایت نوع : pdf بازدید : 11618 منتشرکننده : CarGeek
راهنمای تعمیرات اجزاء سامانه مدیریت موتور ملی (جزوه سیستم انژکتورEF7)
5 سال پیش 2.19 مگابایت نوع : pdf بازدید : 6323 منتشرکننده : CarGeek
راهنمای آموزشی موتور XUM پژو پارس
5 سال پیش 6.82 مگابایت نوع : pdf بازدید : 14814 منتشرکننده : CarGeek
راهنمای تعمیرات ملحقات و تزئینات خانواده پژو 206
5 سال پیش 4.19 مگابایت نوع : pdf بازدید : 8945 منتشرکننده : CarGeek
راهنمای تعمیرات و عیب یابی سیستم ضدقفل ترمز ABS رانا
5 سال پیش 5.64 مگابایت نوع : pdf بازدید : 8435 منتشرکننده : CarGeek
راهنمای تعمیرات تزئینات پژو 405 و پارس (ملحقات داشبورد ، رادیو و رودری)
5 سال پیش 1.24 مگابایت نوع : pdf بازدید : 57153 منتشرکننده : CarGeek
راهنمای تعمیرات و عیب یابی ایربگ راننده پژو405، پارس، سمند
5 سال پیش 8.41 مگابایت نوع : pdf بازدید : 6844 منتشرکننده : CarGeek
راهنمای پیکربندی نودهای مالتی پلکس در خودرو رانا
5 سال پیش 1.9 مگابایت نوع : pdf بازدید : 10198 منتشرکننده : CarGeek
راهنمای تعمیرات سیستم ترمز سوزوکی گرند ویتارا
5 سال پیش 4.66 مگابایت نوع : pdf بازدید : 7649 منتشرکننده : CarGeek
راهنمای تعمیرات دنده کمک نیسان پیکاپ
5 سال پیش 1.89 مگابایت نوع : pdf بازدید : 10567 منتشرکننده : CarGeek
راهنمای تعمیرات گیربکس دستی نیسان پیکاپ
5 سال پیش 1.56 مگابایت نوع : pdf بازدید : 8797 منتشرکننده : CarGeek
راهنمای تعمیرات بخاری جیپ صحرا
5 سال پیش 1.48 مگابایت نوع : pdf بازدید : 5660 منتشرکننده : CarGeek
راهنمای تعمیرات سیستم های کنترل الکتریکی سوزوکی گرندویتارا
5 سال پیش 3.11 مگابایت نوع : pdf بازدید : 11549 منتشرکننده : CarGeek
راهنمای تعمیرات بدنه ، اتاق و تجهیزات سوزوکی گرندویتارا
5 سال پیش 25.42 مگابایت نوع : pdf بازدید : 5972 منتشرکننده : CarGeek
دفترچه عیب یابی وانت انژکتوری دوگانه سوز زامیاد با کیت گازسوز غرب استیل
5 سال پیش 0.2 مگابایت نوع : pdf بازدید : 49406 منتشرکننده : CarGeek
کاربرد زبان انگلیسی در عیب یابی خودرو
5 سال پیش 1.34 مگابایت نوع : pdf بازدید : 10582 منتشرکننده : CarGeek
راهنمای تعمیرات و عیب یابی کمک فنر کلیه خودروها
5 سال پیش 1.06 مگابایت نوع : pdf بازدید : 7059 منتشرکننده : CarGeek
دستورالعمل تعویض قطعات جعبه فرمان پراید
5 سال پیش 0.45 مگابایت نوع : pdf بازدید : 13024 منتشرکننده : CarGeek
راهنمای تعمیرات شاسی و بدنه جیپ صحرا
5 سال پیش 2.7 مگابایت نوع : pdf بازدید : 10213 منتشرکننده : CarGeek
راهنمای پیکربندی نودهای سیستم مالتی پلکس سمند و سورن
5 سال پیش 1.09 مگابایت نوع : pdf بازدید : 15283 منتشرکننده : CarGeek
راهنمای تعمیرات و سرویس موتور XU7JPL3 پژو پارس ، 405 و سمند
5 سال پیش 13 مگابایت نوع : pdf بازدید : 7178 منتشرکننده : CarGeek
راهنمای آشنایی با سیستم های دوگانه سوز پژو Roa و RD و وانت باردو
5 سال پیش 2.63 مگابایت نوع : pdf بازدید : 13000 منتشرکننده : CarGeek
راهنمای نگه داری ، عیب یابی ، شارژ و گارانتی باتری کلیه خودروها
5 سال پیش 0.76 مگابایت نوع : pdf بازدید : 4053 منتشرکننده : CarGeek
راهنمای تعمیرات و سرویس سیستم فرمان ریو
5 سال پیش 9.09 مگابایت نوع : pdf بازدید : 11498 منتشرکننده : CarGeek
راهنمای دیاگرام های الکتریکی سیتروئن C5
5 سال پیش 9.64 مگابایت نوع : pdf بازدید : 4350 منتشرکننده : CarGeek
راهنمای سیستم مالتی پلکس سیتروئن C5
5 سال پیش 12.68 مگابایت نوع : pdf بازدید : 4963 منتشرکننده : CarGeek
راهنمای کامل تجهیزات الکتریکی و برق سیتروئن C5- فایل 2
5 سال پیش 2.24 مگابایت نوع : pdf بازدید : 6213 منتشرکننده : CarGeek
راهنمای کامل تجهیزات الکتریکی و برق سیتروئن C5
5 سال پیش 15.9 مگابایت نوع : pdf بازدید : 10170 منتشرکننده : CarGeek
راهنمای تعمیرات سیستم های الکتریکی نیسان پیکاپ
5 سال پیش 8.54 مگابایت نوع : pdf بازدید : 33308 منتشرکننده : CarGeek
راهنمای تعمیرات و سرویس سیستم سوخت رسانی و جرقه ساژم S2000
5 سال پیش 20.01 مگابایت نوع : pdf بازدید : 9052 منتشرکننده : CarGeek
راهنمای تعمیرات و سرویس سیستم سوخت رسانی و جرقه SL96 پژو RD
5 سال پیش 2.1 مگابایت نوع : pdf بازدید : 8663 منتشرکننده : CarGeek
راهنمای تعمیرات سیستم برق جیپ صحرا
5 سال پیش 2.42 مگابایت نوع : pdf بازدید : 13874 منتشرکننده : CarGeek
راهنمای تعمیرات موتور جیپ صحرا (موتور میتسوبیشی 4G64)
5 سال پیش 3.24 مگابایت نوع : pdf بازدید : 21510 منتشرکننده : CarGeek
راهنمای تعمیرات سیستم سوخت رسانی و جرقه ساژم SL96 و S2000 (پیکان و پژو RD)
5 سال پیش 1.82 مگابایت نوع : pdf بازدید : 34681 منتشرکننده : CarGeek
راهنمای تعمیرات تجهیزات الکتریکی تندر90
5 سال پیش 10.13 مگابایت نوع : pdf بازدید : 9417 منتشرکننده : CarGeek
راهنمای تعمیرات موتور و متعلقات موتور تندر90
5 سال پیش 2.84 مگابایت نوع : pdf بازدید : 44316 منتشرکننده : CarGeek
معرفی و عیب یابی سیستم سوخت رسانی و جرقه Bosch MP 7.3 پژوپارس ELX و سمند سریر
5 سال پیش 5.21 مگابایت نوع : pdf بازدید : 9637 منتشرکننده : CarGeek
دستورالعمل هواگیری سیستم ترمز خودروهای پژو 405 ، پژو پارس وسمند
5 سال پیش 0.96 مگابایت نوع : pdf بازدید : 37200 منتشرکننده : CarGeek
راهنمای تعمیرات بدنه و تزئینات نیسان پیکاپ
5 سال پیش 2.34 مگابایت نوع : pdf بازدید : 7529 منتشرکننده : CarGeek
راهنمای تعمیرات سیستم فرمان خودروهای پژو 405 ، پژو پارس و سمند
5 سال پیش 4.95 مگابایت نوع : pdf بازدید : 43714 منتشرکننده : CarGeek
دستورالعمل شناسایی قطعات گارانتی در شبکه خدمات پس از فروش سایپا
5 سال پیش 1.85 مگابایت نوع : pdf بازدید : 11509 منتشرکننده : CarGeek
راهنمای تعمیرات سیستم خنک کاری و اگزوز موتور TU5 (پژو405SLX،پژو پارس LX و سمند)
5 سال پیش 2.71 مگابایت نوع : pdf بازدید : 7285 منتشرکننده : CarGeek
راهنمای تعمیرات سیستم های الکتریکی نیسان ماکسیما- فایل 2
5 سال پیش 4.41 مگابایت نوع : pdf بازدید : 5808 منتشرکننده : CarGeek
راهنمای تعمیرات سیستم های الکتریکی نیسان ماکسیما
5 سال پیش 4.3 مگابایت نوع : pdf بازدید : 31293 منتشرکننده : CarGeek
راهنمای تعمیرات سیستم کلاچ نیسان ماکسیما
5 سال پیش 0.6 مگابایت نوع : pdf بازدید : 8833 منتشرکننده : CarGeek
راهنمای تعمیرات موتور نیسان ماکسیما
5 سال پیش 4.07 مگابایت نوع : pdf بازدید : 19858 منتشرکننده : CarGeek
راهنمای تعمیرات سیستم هشداردهنده دنده عقب پژو پارس و سمند
5 سال پیش 0.6 مگابایت نوع : pdf بازدید : 65993 منتشرکننده : CarGeek
راهنمای تعمیرات سیستم ترمز ABS وانت زامیاد
5 سال پیش 2.35 مگابایت نوع : pdf بازدید : 15947 منتشرکننده : CarGeek
لیست مدل های مختلف ECU روی مدل های مختلف برندهای مختلف خودرو
5 سال پیش 2.63 مگابایت نوع : pdf بازدید : 25705 منتشرکننده : CarGeek
دستورالعمل تعمیرات و نگه داری کیت های دوگانه سوز LOVATO وانت زامیاد
5 سال پیش 2.4 مگابایت نوع : pdf بازدید : 9567 منتشرکننده : CarGeek
راهنمای تعمیرات خودرو پژو 207i
5 سال پیش 9.32 مگابایت نوع : pdf بازدید : 15527 منتشرکننده : CarGeek
مشخصات روانکارهای خودروهای تحت پوشش سایپا
5 سال پیش 0.68 مگابایت نوع : pdf بازدید : 5263 منتشرکننده : CarGeek
راهنمای تعمیرات گیربکس جدید پژو روآ
5 سال پیش 4.17 مگابایت نوع : pdf بازدید : 28673 منتشرکننده : CarGeek
راهنمای مدارات الکتریکی سیستم چراغ های جلو و عقب سایپا پراید
5 سال پیش 2.49 مگابایت نوع : pdf بازدید : 56701 منتشرکننده : CarGeek
راهنمای تعمیرات موتور دوگانه سوز OHVG پژو روآ و وانت پیکان
5 سال پیش 2.06 مگابایت نوع : pdf بازدید : 34229 منتشرکننده : CarGeek
معرفی پژو206 جدید ایرانی و تفاوت های آن با 206قدیمی از ایساکو
5 سال پیش 1.9 مگابایت نوع : pdf بازدید : 5137 منتشرکننده : CarGeek
راهنمای تعمیرات و سرویس تجهیزات الکتریکی پژو RD- فایل 2
5 سال پیش 8.3 مگابایت نوع : pdf بازدید : 5796 منتشرکننده : CarGeek
راهنمای تعمیرات و سرویس تجهیزات الکتریکی پژو RD
5 سال پیش 13.49 مگابایت نوع : pdf بازدید : 24853 منتشرکننده : CarGeek
راهنمای تعمیرات و سرویس کلیدهای کنترل روی فرمان و آپشن های رنو مگان
5 سال پیش 2.58 مگابایت نوع : pdf بازدید : 7113 منتشرکننده : CarGeek
راهنمای تعمیرات و عیب یابی اجزاء سیستم سوخت رسانی انژکتوری زیمنس بهبود یافته پراید
5 سال پیش 2.52 مگابایت نوع : pdf بازدید : 7975 منتشرکننده : CarGeek
معرفی و عیب یابی سیستم تهویه مطبوع (بخاری و کولر) کلیه خودروها
5 سال پیش 6.96 مگابایت نوع : pdf بازدید : 11901 منتشرکننده : CarGeek
راهنمای تعمیرات قطعات الکتریکی سمند
5 سال پیش 3.37 مگابایت نوع : pdf بازدید : 7595 منتشرکننده : CarGeek
راهنمای تعمیرات و سرویس کیسه هوا (ایربگ) سایپا تیبا
5 سال پیش 2.06 مگابایت نوع : pdf بازدید : 14647 منتشرکننده : CarGeek
راهنمای تعمیرات خودروهای دوگانه سوز CNG
5 سال پیش 11.4 مگابایت نوع : pdf بازدید : 11587 منتشرکننده : CarGeek
راهنمای تعمیرات سیستم انتقال قدرت ، گیربکس BE3/کلاچ /دیفرانسیل /پلوس ها پژو 405 ، پارس ، سمند
5 سال پیش 18.43 مگابایت نوع : pdf بازدید : 9021 منتشرکننده : CarGeek
راهنمای تعمیرات موتور ملی EF7 ایساکو
5 سال پیش 14.41 مگابایت نوع : pdf بازدید : 20395 منتشرکننده : CarGeek
راهنمای تعمیرات الکتریکال سیستم ECO-MUX سمند و سورن
5 سال پیش 2.66 مگابایت نوع : pdf بازدید : 9810 منتشرکننده : CarGeek
معرفی و عیب یابی انواع کیتهای خودروهای دوگانه سوز سمند (LX،EL و معمولی)
5 سال پیش 6.7 مگابایت نوع : pdf بازدید : 7705 منتشرکننده : CarGeek
مکانیزم عملکرد قطعات الکترونیکی MVM110 سه و چهار سیلندر
5 سال پیش 0.41 مگابایت نوع : pdf بازدید : 8501 منتشرکننده : CarGeek
راهنمای تعمیرات سیستم تعلیق، ترمز و فرمان خودرو رانا
5 سال پیش 14.65 مگابایت نوع : pdf بازدید : 7114 منتشرکننده : CarGeek
مرجع کامل تعمیرات موتور سوزوکی گرند ویتارا (Suzuki J20)
5 سال پیش 19.63 مگابایت نوع : pdf بازدید : 33469 منتشرکننده : CarGeek
معرفی و دستورالعمل عیب یابی سیستم مالتی پلکس سمند
5 سال پیش 4.19 مگابایت نوع : pdf بازدید : 16503 منتشرکننده : CarGeek
راهنمای تعمیرات و سرویس سیستم سوخت رسانی کیا ریو
5 سال پیش 13.52 مگابایت نوع : pdf بازدید : 14108 منتشرکننده : CarGeek
راهنمای موتور SQR 372 خودرو MVM110
5 سال پیش 0.55 مگابایت نوع : pdf بازدید : 12990 منتشرکننده : CarGeek
اطلاعیه روش شستشوی دریچه گاز هیوندای سوناتا،سانتافه،توسان (موتور THETA)
5 سال پیش 0.23 مگابایت نوع : pdf بازدید : 10425 منتشرکننده : CarGeek
راهنمای کامل آموزشی کارگاه برق پژو 206 ایساکو
5 سال پیش 4.55 مگابایت نوع : pdf بازدید : 7463 منتشرکننده : CarGeek
راهنمای تعمیرات و عیب یابی سیستم سوخت رسانی MVM110 چهارسیلندر
5 سال پیش 5.2 مگابایت نوع : pdf بازدید : 12176 منتشرکننده : CarGeek
دیزل از بدو تولید تا فناوری های نوین
5 سال پیش 0.99 مگابایت نوع : pdf بازدید : 4751 منتشرکننده : CarGeek
اصول عملکرد سیستم پاشش سوخت و جرقه زنی با استاندارد EURO 4 (جزوه انژکتور یورو4 پژو407)
5 سال پیش 1.26 مگابایت نوع : pdf بازدید : 9503 منتشرکننده : CarGeek
راهنمای امدادخودرو در مورد پژو 407
5 سال پیش 1.65 مگابایت نوع : pdf بازدید : 12235 منتشرکننده : CarGeek
راهنمای تعمیرات و عیب یابی سیستم تهویه مطبوع اتوماتیک دنا (کولر و بخاری)
5 سال پیش 1.99 مگابایت نوع : pdf بازدید : 39614 منتشرکننده : CarGeek
طراحی مدل تحلیل رفتار مصرف کننده خودرو با رویکرد داده کاوی (مطالعه موردی سایپا)
5 سال پیش 0.63 مگابایت نوع : pdf بازدید : 2989 منتشرکننده : CarGeek
بررسی تزریق مستقیم بنزین (GDI) روی موتور XU7 JP/L3 و مقایسه آن با حالت MPFI
5 سال پیش 0.49 مگابایت نوع : pdf بازدید : 6435 منتشرکننده : CarGeek
بررسی فناوری های نو و کاهش آلودگی ناشی از وسایل نقلیه موتوری
5 سال پیش 0.25 مگابایت نوع : pdf بازدید : 2983 منتشرکننده : CarGeek
جزوه راهنمای ایران خودرو در خصوص BSI پژو 206
5 سال پیش 1.76 مگابایت نوع : pdf بازدید : 11432 منتشرکننده : CarGeek
راهنمای تعمیرات تزئینات و قطعات خودرو رانا
5 سال پیش 7.6 مگابایت نوع : pdf بازدید : 9895 منتشرکننده : CarGeek
راهنمای تعمیرات و عیب یابی سیستم گازسوز پژو پارس + نقشه مدارها
5 سال پیش 9.82 مگابایت نوع : pdf بازدید : 13905 منتشرکننده : CarGeek
دستورالعمل عیب یابی و تعویض دینام/آلترناتور پراید
5 سال پیش 0.72 مگابایت نوع : pdf بازدید : 13122 منتشرکننده : CarGeek
راهنمای تعمیرات و سرویس بخاری و ایرکاندیشن نیسان پیکاپ
5 سال پیش 2.38 مگابایت نوع : pdf بازدید : 11056 منتشرکننده : CarGeek
راهنمای تعمیرات تعلیق جلو و عقب نیسان ماکسیما
5 سال پیش 1.2 مگابایت نوع : pdf بازدید : 7699 منتشرکننده : CarGeek
راهنمای مدارات الکتریکی سیستم ضدسرقت ایموبیلایزر زیمنس و ولئو سایپا پراید
5 سال پیش 0.94 مگابایت نوع : pdf بازدید : 6332 منتشرکننده : CarGeek
کاتالوگ کامل خانواده موتورهای هیوندای
5 سال پیش 7.57 مگابایت نوع : pdf بازدید : 19109 منتشرکننده : CarGeek
راهنمای تعمیرات سیستم سوخت رسانی پایه گازسوز پراید (Continental)
5 سال پیش 2 مگابایت نوع : pdf بازدید : 4591 منتشرکننده : CarGeek
راهنمای تعمیرات فرمان هیدرولیک و سیستم ضدقفل چرخ های تندر90
5 سال پیش 0.55 مگابایت نوع : pdf بازدید : 8198 منتشرکننده : CarGeek
راهنمای کامل آموزشی ایساکو در خصوص تعمیرات دنا (موتور EF7 و XUM)
5 سال پیش 12.27 مگابایت نوع : pdf بازدید : 11375 منتشرکننده : CarGeek
تشریح سیستم سوخت رسانی انژکتوری EFI روی مزدا323
5 سال پیش 3.69 مگابایت نوع : pdf بازدید : 5883 منتشرکننده : CarGeek
دفترچه راهنمای خودرو برلیانس H330 سایپا
5 سال پیش 7.76 مگابایت نوع : pdf بازدید : 53639 منتشرکننده : CarGeek
دفترچه راهنمای خودروهای H220 و H230 سایپا
5 سال پیش 4.12 مگابایت نوع : pdf بازدید : 38690 منتشرکننده : CarGeek
دفترچه راهنمای خودرو سایپا آریو (S300)
5 سال پیش 9.01 مگابایت نوع : pdf بازدید : 33799 منتشرکننده : CarGeek
راهنمای تعمیرات سیستم ترمز پراید
5 سال پیش 3.75 مگابایت نوع : pdf بازدید : 12644 منتشرکننده : CarGeek
راهنمای تعمیرات و عیب یابی سیستم ضدسرقت تندر90
5 سال پیش 0.4 مگابایت نوع : pdf بازدید : 4737 منتشرکننده : CarGeek
راهنمای تعمیرات ، معرفی و جانمایی دسته سیم های الکتریکی خودرو پژو 405 و پژو پارس
5 سال پیش 2.04 مگابایت نوع : pdf بازدید : 60062 منتشرکننده : CarGeek
عیب یابی و نقشه سیستم ایموبیلایزر ضدسرقت Bosch سایپا
5 سال پیش 0.38 مگابایت نوع : pdf بازدید : 5150 منتشرکننده : CarGeek
دستورالعمل تصویری کامل پیاده و سوارکردن گیربکس و جعبه دنده خودرو
5 سال پیش 0.99 مگابایت نوع : pdf بازدید : 19984 منتشرکننده : CarGeek
راهنمای کامل و اصلی تعمیر و نگه داری لیفان 620
5 سال پیش 18.14 مگابایت نوع : pdf بازدید : 23700 منتشرکننده : CarGeek
راهنمای تعمیرات و سرویس سیستم گرمایش و تهویه هوا (خنک کننده) X33
5 سال پیش 7.36 مگابایت نوع : pdf بازدید : 23813 منتشرکننده : CarGeek
جزوه آموزشی ایساکو در خصوص داشبورد جدید خانواده پژو پارس و پژو 405
5 سال پیش 5.05 مگابایت نوع : pdf بازدید : 20620 منتشرکننده : CarGeek
راهنمای سیستم تجهیزات الکتریکی سایپا 111
5 سال پیش 3.15 مگابایت نوع : pdf بازدید : 4167 منتشرکننده : CarGeek
راهنمای تعمیرات و سرویس مجموعه اکسل جلو و عقب تیبا- فایل 2
5 سال پیش 1.21 مگابایت نوع : pdf بازدید : 4374 منتشرکننده : CarGeek
راهنمای تعمیرات و سرویس مجموعه اکسل جلو و عقب تیبا
5 سال پیش 1.28 مگابایت نوع : pdf بازدید : 9661 منتشرکننده : CarGeek
راهنمای تعمیرات مدارات الکتریکی وانت شوکا
5 سال پیش 0.78 مگابایت نوع : pdf بازدید : 12367 منتشرکننده : CarGeek
راهنمای تعمیرات بدنه و تزئینات پراید (نسخه سایپا نمایندگی های خارجی)
5 سال پیش 5.26 مگابایت نوع : pdf بازدید : 8318 منتشرکننده : CarGeek
راهنمای تعمیرات تندر90 اتوماتیک ویژه معلولین
5 سال پیش 2.34 مگابایت نوع : pdf بازدید : 3878 منتشرکننده : CarGeek
نکاتی درباره نشتی روغن در موتور TU5 (پژو 206-207 ، پارسLX ، پژو 405SLX)
5 سال پیش 0.28 مگابایت نوع : pdf بازدید : 30585 منتشرکننده : CarGeek
راهنمای ایموبیلایزر و نحوه معرفی کدسوئیچ امدادخودرو- فایل 2
5 سال پیش 0.52 مگابایت نوع : pdf بازدید : 4702 منتشرکننده : CarGeek
راهنمای ایموبیلایزر و نحوه معرفی کدسوئیچ امدادخودرو
5 سال پیش 0.8 مگابایت نوع : pdf بازدید : 11782 منتشرکننده : CarGeek
راهنمای تعمیرات و عیب یابی موتور M13 یورو4 سایپا پراید
5 سال پیش 3.95 مگابایت نوع : pdf بازدید : 46549 منتشرکننده : CarGeek
راهنمای عیب یابی تجهیزات الکتریکی و ایموبیلایزر ریو
5 سال پیش 0.91 مگابایت نوع : pdf بازدید : 10045 منتشرکننده : CarGeek
راهنما و روش های عیب یابی ایموبیلایزر پژو206 و پژو207i
5 سال پیش 0.95 مگابایت نوع : pdf بازدید : 6492 منتشرکننده : CarGeek
راهنمای تعمیرات سیستم تهویه مطبوع سایپا تیبا
5 سال پیش 1.5 مگابایت نوع : pdf بازدید : 25079 منتشرکننده : CarGeek
راهنمای عیب یابی ، برنامه ریزی و تعمیر سیستم رادیو و پخش تندر90
5 سال پیش 1.24 مگابایت نوع : pdf بازدید : 17227 منتشرکننده : CarGeek
اطلاعیه فنی احتمال ایراد سیستم کولر و پرش شمارنده کیلومتر پژو206 و رانا + راه حل
5 سال پیش 0.21 مگابایت نوع : pdf بازدید : 8401 منتشرکننده : CarGeek
راهنمای عیب یابی سیستم سوخت رسانی تندر90
5 سال پیش 2.25 مگابایت نوع : pdf بازدید : 26588 منتشرکننده : CarGeek
معرفی سامانه خنک کاری موتور EF7
5 سال پیش 1.27 مگابایت نوع : pdf بازدید : 16552 منتشرکننده : CarGeek
مشخصات روغن موتور مناسب برای خودروهای تولید رنو
5 سال پیش 0.42 مگابایت نوع : pdf بازدید : 8623 منتشرکننده : CarGeek
گشتاور پیچ های خودروهای سمند ، پژو405 ،پژو پارس ، پژو206 ،پیکان و پژوRD
5 سال پیش 1.97 مگابایت نوع : pdf بازدید : 81193 منتشرکننده : CarGeek
نقشه سیستم سوخت رسانی و PinLayout و استراتژیEMS SSAT پژو 405 و پژو پارس
5 سال پیش 0.84 مگابایت نوع : pdf بازدید : 25469 منتشرکننده : CarGeek
راهنمای کامل تعمیرات و سرویس مدارهای الکتریکی تیبا + نقشه ها
5 سال پیش 18 مگابایت نوع : pdf بازدید : 44359 منتشرکننده : CarGeek
نکات مهم در خصوص تعمیرات خودرو کپچر
5 سال پیش 0.35 مگابایت نوع : pdf بازدید : 3656 منتشرکننده : CarGeek
کتاب لیست و مشخصات کامل قطعات یدکی خودرو رونیز
5 سال پیش 5.04 مگابایت نوع : pdf بازدید : 14922 منتشرکننده : CarGeek
راهنمای تعمیرات و سرویس مدارهای الکتریکی سایپا 132
5 سال پیش 6.86 مگابایت نوع : pdf بازدید : 14644 منتشرکننده : CarGeek
راهنمای کامل تعمیرات و سرویس مدارهای الکتریکی سایپا131 (پراید صندوق دار) + نقشه ها
5 سال پیش 1.62 مگابایت نوع : pdf بازدید : 60240 منتشرکننده : CarGeek
راهنمای کامل نقشه های سیم کشی پراید کاربراتور
5 سال پیش 8.18 مگابایت نوع : pdf بازدید : 118126 منتشرکننده : CarGeek
روش رفع ایراد روشن ماندن چراغ ایربگ پژو پارس ، پژو405 و سمند- فایل 2
5 سال پیش 0.61 مگابایت نوع : pdf بازدید : 9923 منتشرکننده : CarGeek
روش رفع ایراد روشن ماندن چراغ ایربگ پژو پارس ، پژو405 و سمند
5 سال پیش 0.37 مگابایت نوع : pdf بازدید : 20853 منتشرکننده : CarGeek
روش تنظیم موتور پراید کاربراتور
5 سال پیش 0.43 مگابایت نوع : pdf بازدید : 12533 منتشرکننده : CarGeek
فراخوان نشت سوخت از لوله های بالای باک پژو 405 و پژو پارس
5 سال پیش 0.72 مگابایت نوع : pdf بازدید : 15370 منتشرکننده : CarGeek
راهنمای فنی محرک برقی قفل درب های جانبی پژو 405 ، پژو پارس ، سمند و پژو RD
5 سال پیش 0.2 مگابایت نوع : pdf بازدید : 44710 منتشرکننده : CarGeek
لیست سرویس های دوره ای رنو کپچر
5 سال پیش 0.18 مگابایت نوع : pdf بازدید : 4996 منتشرکننده : CarGeek
اطلاعیه فنی احتمال خاموش شدن تندر90 بر اثر تماس سیم سنسور اکسیژن دوم با اگزوز
5 سال پیش 0.51 مگابایت نوع : pdf بازدید : 10766 منتشرکننده : CarGeek
آموزش رفع عیب گیرنده ریموت سازه پویش روی سمند ، پژو پارس و 405
5 سال پیش 0.28 مگابایت نوع : pdf بازدید : 7770 منتشرکننده : CarGeek
دستورالعمل عیب یابی و تعویض مقاومت فن دو دور پراید- فایل 2
5 سال پیش 0.18 مگابایت نوع : pdf بازدید : 12763 منتشرکننده : CarGeek
دستورالعمل عیب یابی و تعویض مقاومت فن دو دور پراید
5 سال پیش 0.97 مگابایت نوع : pdf بازدید : 57296 منتشرکننده : CarGeek
روش رفع ایراد پله ای عمل کردن شیشه بالابر در خودروهای مالتی پلکس دنا و سمند
5 سال پیش 0.33 مگابایت نوع : pdf بازدید : 27506 منتشرکننده : CarGeek
روش باز و بست سپر جلو پژو 207i
5 سال پیش 2.35 مگابایت نوع : pdf بازدید : 11750 منتشرکننده : CarGeek
دستورالعمل رفع صدای زوزه گیربکس BE3 پژو پارس ، 405 ، سمند
5 سال پیش 1.35 مگابایت نوع : pdf بازدید : 25584 منتشرکننده : CarGeek
راهنمای رسمی سیتروئن درخصوص ECUهای Bosch ME7.4.4/M7.4.4 و EOBD
5 سال پیش 0.6 مگابایت نوع : pdf بازدید : 9393 منتشرکننده : CarGeek
معرفی و راهنمای تعمیرات الکتریکال سیستم مدیریت موتور SSAT پژو 405 و پژو پارس و سمند
5 سال پیش 2.92 مگابایت نوع : pdf بازدید : 12293 منتشرکننده : CarGeek
نقشه سیم کشی ECU تندر 90
5 سال پیش 0.17 مگابایت نوع : pdf بازدید : 30184 منتشرکننده : CarGeek
جزوه آموزشی ایساکو ، سیستم انژکتور
5 سال پیش 3.87 مگابایت نوع : pdf بازدید : 20844 منتشرکننده : CarGeek
راهنمای تعمیرات میل گاردان و مجموعه دیفرانسیل نیسان پیکاپ
5 سال پیش 2.74 مگابایت نوع : pdf بازدید : 9486 منتشرکننده : CarGeek
راهنمای تعمیرات و سرویس مدارهای الکتریکی سمند و سورن
5 سال پیش 21.7 مگابایت نوع : pdf بازدید : 11313 منتشرکننده : CarGeek
راهنمای تعمیرات و سرویس سیستم تهویه مطبوع کیا ریو
5 سال پیش 6.32 مگابایت نوع : pdf بازدید : 17883 منتشرکننده : CarGeek
راهنمای تعمیرات بدنه و شاسی نیسان ماکسیما
5 سال پیش 2.11 مگابایت نوع : pdf بازدید : 6235 منتشرکننده : CarGeek
راهنمای تعمیرات بخاری ، تهویه مطبوع و سیستم حفاظت از سرنشین (ایربگ) مزدا3
5 سال پیش 9.72 مگابایت نوع : pdf بازدید : 7067 منتشرکننده : CarGeek
کتاب تعمیرات اساسی موتور و گیربکس پژو 405 ایساکو
5 سال پیش 8.93 مگابایت نوع : pdf بازدید : 34048 منتشرکننده : CarGeek
راهنمای تعمیرات موتور KA24DE نیسان پیکاپ و نیسان رونیز
5 سال پیش 8.61 مگابایت نوع : pdf بازدید : 19621 منتشرکننده : CarGeek
دستورالعمل عیب یابی و رفع عیب کمک فنر
5 سال پیش 2.26 مگابایت نوع : pdf بازدید : 5939 منتشرکننده : CarGeek
راهنمای بازکردن داشبورد پژو 206
5 سال پیش 1.69 مگابایت نوع : pdf بازدید : 38611 منتشرکننده : CarGeek
راهنمای سیستم بخاری و تهویه مطبوع سوزوکی گرندویتارا
5 سال پیش 7.13 مگابایت نوع : pdf بازدید : 11351 منتشرکننده : CarGeek
جزوه آموزشی کلاس دزدگیر اتومبیل- فایل 2
5 سال پیش 0.42 مگابایت نوع : pdf بازدید : 4919 منتشرکننده : CarGeek
جزوه آموزشی کلاس دزدگیر اتومبیل
5 سال پیش 2.84 مگابایت نوع : pdf بازدید : 5773 منتشرکننده : CarGeek
دفترچه راهنمای رسمی ایران خودرو رانا
5 سال پیش 2.8 مگابایت نوع : pdf بازدید : 42458 منتشرکننده : CarGeek
دفترچه راهنمای رسمی ایران خودرو پژو 206 (کلیه نسخه ها)
5 سال پیش 3.19 مگابایت نوع : pdf بازدید : 134179 منتشرکننده : CarGeek
نقشه الکتریکال EMS (مدیریت موتور) موتور ملی EF7 - بوش 7.4.9
5 سال پیش 1.19 مگابایت نوع : pdf بازدید : 50561 منتشرکننده : CarGeek
دستورالعمل عیب یابی سیستم ترمز خودروهای پژو پارس ، پژو 405 و سمند
5 سال پیش 0.83 مگابایت نوع : pdf بازدید : 20530 منتشرکننده : CarGeek
راهنمای تعمیرات گیربکس دستی MA5 پژو 206
5 سال پیش 9.08 مگابایت نوع : pdf بازدید : 14972 منتشرکننده : CarGeek
فیلم آموزش بازکردن ، عیب یابی و بستن گیربکس F۲۵MR مزدا۳۲۳ + مستندات اورهال
5 سال پیش 1.61 مگابایت نوع : pdf بازدید : 4813 منتشرکننده : CarGeek
راهنمای کامل آموزشی برق 206 مالتی پلکس- فایل 2
5 سال پیش 2.38 مگابایت نوع : pdf بازدید : 6488 منتشرکننده : CarGeek
راهنمای کامل آموزشی برق 206 مالتی پلکس
5 سال پیش 6.65 مگابایت نوع : pdf بازدید : 20572 منتشرکننده : CarGeek
کتاب کامل و اورجینال راهنمای تعمیرات پژو 206 در ابعاد مناسب چاپ
5 سال پیش 12.27 مگابایت نوع : pdf بازدید : 17255 منتشرکننده : CarGeek
راهنمای عیب یابی و تعمیرات سیستم ضد سرقت تندر 90
5 سال پیش 0.4 مگابایت نوع : pdf بازدید : 7639 منتشرکننده : CarGeek
راهنمای سریع عیب یابی و تعمیر BM34
5 سال پیش 1.56 مگابایت نوع : pdf بازدید : 10196 منتشرکننده : CarGeek
راهنمای تعمیرات سیستم تعلیق سیتروئن C5
5 سال پیش 5.47 مگابایت نوع : pdf بازدید : 11464 منتشرکننده : CarGeek
راهنمای تعمیرات سیستم های ترمز ، تعلیق و فرمان پژو 407
5 سال پیش 19.37 مگابایت نوع : pdf بازدید : 7036 منتشرکننده : CarGeek
آموزش نصب سیم بندی سیستم قفل مرکزی زانتیا
5 سال پیش 1.41 مگابایت نوع : pdf بازدید : 8940 منتشرکننده : CarGeek
راهنمای تعمیرات سیستم ترمز ABS پراید
5 سال پیش 3.59 مگابایت نوع : pdf بازدید : 41737 منتشرکننده : CarGeek
آموزش تصویری نصب چراغ و میکروسوئیچ داشبورد 206
5 سال پیش 0.5 مگابایت نوع : pdf بازدید : 11864 منتشرکننده : CarGeek
جزوه عیب یابی و تعمیر ECU + نحوه پروگرام کردن و تغییر کیلومتر
5 سال پیش 0.27 مگابایت نوع : pdf بازدید : 23787 منتشرکننده : CarGeek
راهنمای عیب یابی و تعمیرات صفحه نشانگرهای تندر 90
5 سال پیش 0.34 مگابایت نوع : pdf بازدید : 36616 منتشرکننده : CarGeek
معرفی کیت های گازسوز محصولات دوگانه سوز ایرانخودرو
5 سال پیش 2.39 مگابایت نوع : pdf بازدید : 6198 منتشرکننده : CarGeek
راهنمای تعمیرات سیستم سوخت رسانی کاربراتور مجهز به CLC پراید
5 سال پیش 5.31 مگابایت نوع : pdf بازدید : 11514 منتشرکننده : CarGeek
راهنمای تعمیرات و سرویس مدارهای الکتریکی سایپا 111
5 سال پیش 7.24 مگابایت نوع : pdf بازدید : 10876 منتشرکننده : CarGeek
نقشه های کامل الکتریکی مزدا 3
5 سال پیش 33.13 مگابایت نوع : pdf بازدید : 38663 منتشرکننده : CarGeek
راهنمای تعمیرات بخاری و تهویه مطبوع نیسان ماکسیما
5 سال پیش 3.87 مگابایت نوع : pdf بازدید : 16307 منتشرکننده : CarGeek
کنیستر و نحوه عملکرد آن از اداره استاندارد و مشخصات مهندسی پارس خودرو
5 سال پیش 0.15 مگابایت نوع : pdf بازدید : 11531 منتشرکننده : CarGeek
موتور TU5 :معرفی ، مشخصات و فیلم کامل تشریح اجزاء و باز کردن
5 سال پیش 0.38 مگابایت نوع : pdf بازدید : 15668 منتشرکننده : CarGeek
راهنمای تعمیرات و سرویس اکسل و سیستم انتقال قدرت ریو
5 سال پیش 2.54 مگابایت نوع : pdf بازدید : 6161 منتشرکننده : CarGeek
راهنمای تایم گیری موتور XU7-JP4-L4 (موتور زانتیا)
5 سال پیش 4.13 مگابایت نوع : pdf بازدید : 23389 منتشرکننده : CarGeek
نقشه ECU بوش 7.4.4 موتور TU5JP4 (پژو 206 تیپ 5 و پژو 207)
5 سال پیش 2.03 مگابایت نوع : pdf بازدید : 42570 منتشرکننده : CarGeek
راهنمای تعمیرات ، معرفی و عیب یابی سیستم های BSI و ایموبلایزر پژو 206
5 سال پیش 11.45 مگابایت نوع : pdf بازدید : 14628 منتشرکننده : CarGeek
راهنمای معرفی و عیب یابی سیستم ضدقفل ترمز ABS پژو 206
5 سال پیش 4.57 مگابایت نوع : pdf بازدید : 22918 منتشرکننده : CarGeek
راهنمای تعمیرات CNG انژکتوری زیمنس جدید پراید
5 سال پیش 13.63 مگابایت نوع : pdf بازدید : 11561 منتشرکننده : CarGeek
راهنمای عیب یابی و تعمیرات سیستم سوخت رسانی زیمنس یورو 4 پراید
5 سال پیش 2.43 مگابایت نوع : pdf بازدید : 30100 منتشرکننده : CarGeek
راهنمای تعمیرات الکتریکال سیستم مالتی پلکس SMS سمند و سورن
5 سال پیش 2.61 مگابایت نوع : pdf بازدید : 11904 منتشرکننده : CarGeek
نقشه ECU زیمنس SIM 2K-34
5 سال پیش 0.19 مگابایت نوع : pdf بازدید : 70865 منتشرکننده : CarGeek
نقشه ECU Bosch 7.3 زانتیا 1800
5 سال پیش 0.44 مگابایت نوع : pdf بازدید : 17472 منتشرکننده : CarGeek
نقشه ECU Bosch MP5.2 زانتیا 2000
5 سال پیش 0.4 مگابایت نوع : pdf بازدید : 24493 منتشرکننده : CarGeek
دستورالعمل تعویض طبق تعلیق پراید
5 سال پیش 0.7 مگابایت نوع : pdf بازدید : 8227 منتشرکننده : CarGeek
جزوه راهنمای تعمیر موتور پراید
5 سال پیش 0.9 مگابایت نوع : pdf بازدید : 34752 منتشرکننده : CarGeek
راهنمای کامل نقشه های برقی پژو 206 مولتی پلکس
5 سال پیش 4.19 مگابایت نوع : pdf بازدید : 89594 منتشرکننده : CarGeek
راهنمای تعمیرات مزدا3 : نقشه های الکتریکی
5 سال پیش 33.84 مگابایت نوع : pdf بازدید : 10523 منتشرکننده : CarGeek
راهنمای تعمیرات و سرویس سیستم مدارات الکتریکی کیا ریو
5 سال پیش 11.9 مگابایت نوع : pdf بازدید : 29582 منتشرکننده : CarGeek
راهنمای فنی سیستم کلاچ ، جعبه دنده و انتقال قدرت تندر 90
5 سال پیش 7.15 مگابایت نوع : pdf بازدید : 7710 منتشرکننده : CarGeek
راهنمای تعمیرات سیستم استارت ، شارژ و دینام آلترناتور نیسان ماکسیما
5 سال پیش 0.68 مگابایت نوع : pdf بازدید : 13009 منتشرکننده : CarGeek
معرفی پژو 206 جدید از ایساکو (مدل91 به بالا - ECO MUX - کدهای 27418،27419،26803،26805)
5 سال پیش 1.57 مگابایت نوع : pdf بازدید : 9719 منتشرکننده : CarGeek
روش تعویض اجزاء چراغ جلو پژو 206 (لامپ و موتور)
5 سال پیش 0.66 مگابایت نوع : pdf بازدید : 67418 منتشرکننده : CarGeek
سیستم فن خودرو (راهنمای امداد خودرو ایران)
5 سال پیش 1.69 مگابایت نوع : pdf بازدید : 31444 منتشرکننده : CarGeek
کامپیوترها و خودروها (تاثیر کامپیوتر و اجزای آن بر خودروهای امروزی)
5 سال پیش 5.31 مگابایت نوع : pdf بازدید : 7916 منتشرکننده : CarGeek
جزوه کارگاه آموزشی سیستم مالتی پلکس سمند ، رانا و 206 ايران (P6L)
5 سال پیش 1.72 مگابایت نوع : pdf بازدید : 14641 منتشرکننده : CarGeek
بررسی نقشه سیستم سوخت رسانی انژکتوری ECU S2000 (موتورXU7-JP/L3)
5 سال پیش 18.11 مگابایت نوع : pdf بازدید : 39516 منتشرکننده : CarGeek
راهنمای تعمیرات سیستم های الکتریکی سایپا پراید
5 سال پیش 12.06 مگابایت نوع : pdf بازدید : 17840 منتشرکننده : CarGeek
مروری بر انواع گیربکس های شرکت پژو
5 سال پیش 0.67 مگابایت نوع : pdf بازدید : 30750 منتشرکننده : CarGeek
برنامه ارتقاء کیفیت و تنوع محصولات ایران خودرو (نسخه نهایی آبان 93)
5 سال پیش 1.43 مگابایت نوع : pdf بازدید : 3995 منتشرکننده : CarGeek
لیست سرویس و بازدیدهای دوره ای محصولات ایرانخودرو
5 سال پیش 6.93 مگابایت نوع : pdf بازدید : 48921 منتشرکننده : CarGeek
دستورالعمل تنظیم موتورهای خودروهای پژو405 ، پژو RD ، پیکان 1600کاربراتور
5 سال پیش 0.34 مگابایت نوع : pdf بازدید : 16163 منتشرکننده : CarGeek
راهنمای کامل نقشه های الکتریکی پژو پارس (غیرمالتی پلکس)
5 سال پیش 4.94 مگابایت نوع : pdf بازدید : 135023 منتشرکننده : CarGeek
کتاب کامل Peugeot 405 (petrol) Service and Repair Manual
5 سال پیش 10.2 مگابایت نوع : pdf بازدید : 9986 منتشرکننده : CarGeek
دفترچه راهنمای کامل پژو 405 مدل های تک سوز و دوگانه سوز GLX و SLX
5 سال پیش 2.74 مگابایت نوع : pdf بازدید : 147669 منتشرکننده : CarGeek
راهنمای عیب یابی استارت و شارژ مگان (سیستم سوخت رسانی S3000)
5 سال پیش 0.7 مگابایت نوع : pdf بازدید : 10023 منتشرکننده : CarGeek
راهنمای مدارهای الکتریکی و توزیع برق MVM X33
5 سال پیش 17.86 مگابایت نوع : pdf بازدید : 61985 منتشرکننده : CarGeek
دفترچه راهنمای کامل خودرو دنا نگارش 2015
5 سال پیش 3.58 مگابایت نوع : pdf بازدید : 24875 منتشرکننده : CarGeek
کتابچه کامل برند ایران خودرو (Iran Khodro Brand Booklet)
5 سال پیش 2.36 مگابایت نوع : pdf بازدید : 8370 منتشرکننده : CarGeek
دفترچه راهنمای کامل کلیه مدل های پژو پارس نگارش 2015
5 سال پیش 4.37 مگابایت نوع : pdf بازدید : 97589 منتشرکننده : CarGeek
دستورالعمل سرویس و شستشوی پمپ هیدرولیک فرمان پژو 405 و پارس و سمند
5 سال پیش 0.21 مگابایت نوع : pdf بازدید : 47866 منتشرکننده : CarGeek
معرفی ، عیب یابی و دستورالعمل تعویض قطعات استارتر سایپا پراید
5 سال پیش 0.55 مگابایت نوع : pdf بازدید : 9125 منتشرکننده : CarGeek
دفترچه راهنمای استفاده مزدا3 قدیم و جدید- فایل 2
5 سال پیش 9.1 مگابایت نوع : pdf بازدید : 6305 منتشرکننده : CarGeek
دفترچه راهنمای استفاده مزدا3 قدیم و جدید
5 سال پیش 14.98 مگابایت نوع : pdf بازدید : 29816 منتشرکننده : CarGeek
اصول پایه تعمیرات بدنه تندر 90
5 سال پیش 5.67 مگابایت نوع : pdf بازدید : 5517 منتشرکننده : CarGeek
معرفی و عیب یابی ترمز ABS از ایساکو
5 سال پیش 8.49 مگابایت نوع : pdf بازدید : 10671 منتشرکننده : CarGeek
راهنمای تعمیرات سیستم خنک کننده و روغنکاری موتور نیسان ماکسیما
5 سال پیش 0.88 مگابایت نوع : pdf بازدید : 12265 منتشرکننده : CarGeek
جزوه آموزش گیربکس اتوماتیک تندر 90
5 سال پیش 6.85 مگابایت نوع : pdf بازدید : 16760 منتشرکننده : CarGeek
فهرست عملیات سرویس های اولیه و سرویس های دوره ای سایپا پراید
5 سال پیش 0.15 مگابایت نوع : pdf بازدید : 15684 منتشرکننده : CarGeek
راهنمای زمان استاندارد تعمیرات خودرو پژو 206
5 سال پیش 2.23 مگابایت نوع : pdf بازدید : 9263 منتشرکننده : CarGeek
راهنمای زمان استاندارد تعمیرات خودرو پژو پارس
5 سال پیش 4.13 مگابایت نوع : pdf بازدید : 9372 منتشرکننده : CarGeek
کلاچ چیست؟ چرا لازم است؟ چگونه کار می کند؟
5 سال پیش 0.48 مگابایت نوع : pdf بازدید : 3849 منتشرکننده : CarGeek
کتابچه راهنمای استفاده از خودرو بسترن FAW B50F
5 سال پیش 14.37 مگابایت نوع : pdf بازدید : 20763 منتشرکننده : CarGeek
سیستم تعلیق خودرو چگونه کار می کند؟
5 سال پیش 0.38 مگابایت نوع : pdf بازدید : 4288 منتشرکننده : CarGeek
جزوه تعمیرات موتور TU5-JP4L4 خودروی رانا
5 سال پیش 17.78 مگابایت نوع : pdf بازدید : 15922 منتشرکننده : CarGeek
راهنمای تعمیرات سیم کشی های الکتریکی مگان
5 سال پیش 2.63 مگابایت نوع : pdf بازدید : 27951 منتشرکننده : CarGeek
راهنمای تعمیرات و تجهیزات جانبی الکتریکی پژو 206
5 سال پیش 1.16 مگابایت نوع : pdf بازدید : 13025 منتشرکننده : CarGeek
نقشه های الکتریکی پژو 206 مالتی پلکس فرانسوی
5 سال پیش 36.85 مگابایت نوع : pdf بازدید : 100279 منتشرکننده : CarGeek
دستورالعمل معرفی و عیب یابی قطعات آپشن پژو پارس و سمند
5 سال پیش 3.77 مگابایت نوع : pdf بازدید : 8887 منتشرکننده : CarGeek
راهنمای تعمیرات گیربکس رانا (گیربکس BE)
5 سال پیش 8.2 مگابایت نوع : pdf بازدید : 13883 منتشرکننده : CarGeek
راهنمای تعمیرات و سرویس سیستم تعلیق جلو و عقب پژو 405
5 سال پیش 31.3 مگابایت نوع : pdf بازدید : 25508 منتشرکننده : CarGeek
فهرست موتورهای پژو XU7 و سیستم سوخت رسانی و EMS
5 سال پیش 1.56 مگابایت نوع : pdf بازدید : 13936 منتشرکننده : CarGeek
بهینه سازی چندراهه ورودی موتور XU7/L3 با هدف افزایش بازده تنفسی
5 سال پیش 0.71 مگابایت نوع : pdf بازدید : 17193 منتشرکننده : CarGeek
معرفی و عیب یابی انواع کیت های خودروهای دوگانه سوز پژو 405
5 سال پیش 5.23 مگابایت نوع : pdf بازدید : 13584 منتشرکننده : CarGeek
راهنمای آزمایش سیستم سوخت رسانی موتور XU7
5 سال پیش 14.52 مگابایت نوع : pdf بازدید : 13539 منتشرکننده : CarGeek
راهنمای تعمیرات و سرویس مدارهای الکتریکی سمند با موتور ملی (سمند EF7) - نسخه انگلیسی
5 سال پیش 11.7 مگابایت نوع : pdf بازدید : 52617 منتشرکننده : CarGeek
راهنمای عیب یابی سیستماتیک برق پراید
5 سال پیش 0.41 مگابایت نوع : pdf بازدید : 29136 منتشرکننده : CarGeek
راهنمای تعمیرات و عیب یابی 206 صندوقدار دوگانه سوز
5 سال پیش 3.27 مگابایت نوع : pdf بازدید : 20167 منتشرکننده : CarGeek
راهنمای تعمیرات سیستم خنک کاری،منیفولد و اگزوز پژو پارس با موتور TU5
5 سال پیش 1.83 مگابایت نوع : pdf بازدید : 23139 منتشرکننده : CarGeek
راهنمای تعمیرات مکانیکی پژو پارس با موتور TU5 (مشابه 405SLX و 206 تیپ 5و6)
5 سال پیش 14.28 مگابایت نوع : pdf بازدید : 30398 منتشرکننده : CarGeek
نقشه الکترونیکی صفحه آمپر سیتروئن C5 جدید
5 سال پیش 0.47 مگابایت نوع : pdf بازدید : 3184 منتشرکننده : CarGeek
معرفی شبکه مالتی پلکس و راهنمای سیستم های الکترونیکی سیتروئن C5 جدید
5 سال پیش 1.27 مگابایت نوع : pdf بازدید : 4908 منتشرکننده : CarGeek
مشخصات دقیق و عیب یابی موتور EF7
5 سال پیش 11 مگابایت نوع : pdf بازدید : 15690 منتشرکننده : CarGeek
مقایسه موتور EF7.TC در حالت سوخت گاز و بنزین با استفاده از شبیه سازی گرمایی پیستون و محفظه احتراق
5 سال پیش 0.36 مگابایت نوع : pdf بازدید : 5446 منتشرکننده : CarGeek
راهنمای تعمیرات و سرویس کلاچ و گیربکس ریو
5 سال پیش 6.21 مگابایت نوع : pdf بازدید : 8787 منتشرکننده : CarGeek
مکانیزم عملکرد و راهنمای تعمیرات سیستم تعلیق خودرو MVM X33
5 سال پیش 8.17 مگابایت نوع : pdf بازدید : 9602 منتشرکننده : CarGeek
راهنمای تعمیرات و سرویس گیربکس اتوماتیک مزدا3 (FN4A-EL/FS5A-EL)- فایل 2
5 سال پیش 8.66 مگابایت نوع : pdf بازدید : 5976 منتشرکننده : CarGeek
راهنمای تعمیرات و سرویس گیربکس اتوماتیک مزدا3 (FN4A-EL/FS5A-EL)
5 سال پیش 12.53 مگابایت نوع : pdf بازدید : 19158 منتشرکننده : CarGeek
راهنمای فنی سیستم تعلیق سوزوکی گرند ویتارا
5 سال پیش 5.42 مگابایت نوع : pdf بازدید : 7504 منتشرکننده : CarGeek
راهنمای فنی سیستم انتقال قدرت و اکسل سوزوکی گرند ویتارا
5 سال پیش 8.98 مگابایت نوع : pdf بازدید : 8570 منتشرکننده : CarGeek
راهنمای عیب یابی سیستم گازسوز CNG (میکسری) پراید
5 سال پیش 1.26 مگابایت نوع : pdf بازدید : 116446 منتشرکننده : CarGeek
راهنمای تعمیرات و سرویس بخاری و سیستم تهویه (کولر) مگان
5 سال پیش 8.77 مگابایت نوع : pdf بازدید : 35499 منتشرکننده : CarGeek
راهنمای تعمیرات و سرویس سیستم هیدرولیک زانتیا
5 سال پیش 18.42 مگابایت نوع : pdf بازدید : 10467 منتشرکننده : CarGeek
راهنمای تعمیرات و سرویس بخاری و سیستم تهویه (کولر) تندر 90
5 سال پیش 5.99 مگابایت نوع : pdf بازدید : 50070 منتشرکننده : CarGeek
راهنمای تعمیرات و سرویس بخاری و سیستم تهویه (کولر) سمند
5 سال پیش 2.74 مگابایت نوع : pdf بازدید : 106818 منتشرکننده : CarGeek
جدول گشتاورهای لازم پیچ و مهره ها در تعمیرات خودروهای پراید
5 سال پیش 0.17 مگابایت نوع : pdf بازدید : 70055 منتشرکننده : CarGeek
راهنمای تعمیرات و سرویس سیستم تهویه مطبوع زانتیا
5 سال پیش 4.19 مگابایت نوع : pdf بازدید : 34319 منتشرکننده : CarGeek
راهنمای تعمیرات مزدا 3 (اطلاعات عمومی و موتور)
5 سال پیش 7.83 مگابایت نوع : pdf بازدید : 21309 منتشرکننده : CarGeek
راهنمای تعمیرات موتورهای 2 لیتری پژو 407 (موتورهای سری EW10A - EW10J4 - EW10J4S)
5 سال پیش 6.87 مگابایت نوع : pdf بازدید : 6714 منتشرکننده : CarGeek
کتاب Advanced Vehicle Technology از Heinz Heisler
5 سال پیش 9.21 مگابایت نوع : pdf بازدید : 3843 منتشرکننده : CarGeek
راهنمای کامل تعمیرات مکانیکی و الکترونیکی گیربکس AL4- فایل 2
5 سال پیش 7.55 مگابایت نوع : pdf بازدید : 13482 منتشرکننده : CarGeek
راهنمای کامل تعمیرات مکانیکی و الکترونیکی گیربکس AL4
5 سال پیش 5.68 مگابایت نوع : pdf بازدید : 25432 منتشرکننده : CarGeek
راهنمای سرویس عمومی سیتروئن زانتیا
5 سال پیش 3.04 مگابایت نوع : pdf بازدید : 9589 منتشرکننده : CarGeek
راهنمای تعمیرات و سرویس بدنه سمند سورن
5 سال پیش 8.74 مگابایت نوع : pdf بازدید : 8122 منتشرکننده : CarGeek
راهنمای عیب یابی و تعمیرات ایربگ و کمربند ایمنی سمند سورن
5 سال پیش 1.6 مگابایت نوع : pdf بازدید : 12966 منتشرکننده : CarGeek
کتاب کامل (2جلد) راهنمای تعمیرات گیربکس اتوماتیک نیسان ماکسیما- فایل 2
5 سال پیش 4.25 مگابایت نوع : pdf بازدید : 5352 منتشرکننده : CarGeek
کتاب کامل (2جلد) راهنمای تعمیرات گیربکس اتوماتیک نیسان ماکسیما
5 سال پیش 5.42 مگابایت نوع : pdf بازدید : 14285 منتشرکننده : CarGeek
راهنمای ایرادها و عیب یابی موتور EF7
5 سال پیش 0.74 مگابایت نوع : pdf بازدید : 21444 منتشرکننده : CarGeek
راهنمای تعمیر موتور K4M استفاده شده روی تندر 90 مشابه موتور مگان 1600
5 سال پیش 19.03 مگابایت نوع : pdf بازدید : 15366 منتشرکننده : CarGeek
راهنمای تعمیرات و سرویس موتور XU7 پژو405، پارس و سمند
5 سال پیش 6.9 مگابایت نوع : pdf بازدید : 31443 منتشرکننده : CarGeek
معرفی و راهنمای قطعات مکانیکی موتور 0.2NA (موتور MVM 530 و چری تیگو X33)
5 سال پیش 12.01 مگابایت نوع : pdf بازدید : 14836 منتشرکننده : CarGeek
کتابچه راهنمای تعمیرات پژو 206 صندوقدار
5 سال پیش 231.16 مگابایت نوع : pdf بازدید : 23568 منتشرکننده : CarGeek
راهنمای عیب یابی سیستم سوخت رسانی گاز تندر 90
5 سال پیش 1.03 مگابایت نوع : pdf بازدید : 12527 منتشرکننده : CarGeek
کتاب کامل راهنمای تعمیرات و سرویس بدنه سمند
5 سال پیش 231.87 مگابایت نوع : pdf بازدید : 13695 منتشرکننده : CarGeek
استفاده از سیستم ترمز ریتاردر تکمیل شده در خودروها
5 سال پیش 0.17 مگابایت نوع : pdf بازدید : 4116 منتشرکننده : CarGeek
راهنمای تعمیرات و سرویس مجموعه موتور کیا ریو از سایپا یدک (موتور A5D)
5 سال پیش 4.5 مگابایت نوع : pdf بازدید : 18509 منتشرکننده : CarGeek
راهنمای عیب یابی موتور ، سیستم کلاچ و گیربکس و ترمزهای پراید
5 سال پیش 1.48 مگابایت نوع : pdf بازدید : 15980 منتشرکننده : CarGeek
راهنمای نصب کوئیک شیفتر
5 سال پیش 1.1 مگابایت نوع : pdf بازدید : 13720 منتشرکننده : CarGeek
راهنمای تعمیرات موتور زانتیا
5 سال پیش 21.26 مگابایت نوع : pdf بازدید : 26025 منتشرکننده : CarGeek
داستان کارگیک
  • وب سایت cargeek.ir یک وب سایت آموزشی رایگان و عمومی حوزه مکانیک و برق خودرو از سال 1394 بود.
    از پاییز 1399 در پی اقدامات شرکت ایساکو برای جلوگیری از انتشار آزاد و عمومی آموزش ها و مستندات فنی روی این وب سایت که بسیار محبوب و پرمخاطب شده بود و عدم همکاری cargeek.ir با ایشان، فعالیت این وب سایت عام المنفعه و رایگان آموزشی محدود و زمستان 1399 به پایان رسید.
  • وب سایت CarGeek.Live توسط جمعی مستقل از کاربران کارگیک قدیم با ایده های جدید کار خود را با هدف ارائه محتوی و خدماتی آزادتر، کامل تر و قابل استفاده تر در حوزه آموزش فنی خودرو با ایده و الهام گرفتن از cargeek.ir شروع کرد.
  • email : [email protected] /   تماس با ما / Contact Us
درباره کارگیک
  • کارگیک صرفاً یک سایت و پلتفرم آموزشی است و به جایی وابستگی ندارد.
  • کارگیک آموزشگاه، تعمیرگاه، نرم افزار آموزشی، انواع دامپ یونیت ها، انواع ابزار، صفحه اینستاگرام و ... ندارد.
  • کارگیک هیچ گونه فروش و عرضه کالا و خدمات ندارد.
  • اطلاعات و آموزش های منتشر شده باید توسط متخصص بررسی و انجام شوند و جنبه کمک آموزشی دارند.
  • کارگیک مسئولیتی در خصوص نحوه و عواقب استفاده از اطلاعات منتشر شده ندارد.
  • حقوق نشر اشخاص حقیقی یا حقوقی محترم محفوظ است و درصورت نقض رسیدگی خواهد شد.

1404 / 2025

هرگونه ایده گرفتن و/یا کپی برداری و/یا استفاده علمی و آموزشی از کارگیک و محتوی آن، آزاد است.

بازگشت به بالای صفحه